测量仪表
对器件的静态和动态参数进行全面的测试对于后续充电器或者其他功能模块的电路设计是十分重要的。那对于B150xA系列静态参数分析仪,其实业界已经有广泛应用;而对于动态参数分析仪PD1500A这个市场新贵,真是在客户的千呼万唤中才登场的。
所以在这一篇文章中,小编将着重为您介绍动态参数测试中的双脉冲测试,测试原理以及测试技巧以及PD1500A这个市场新贵的特色。
科普:简单来说静态参数是指器件固有的一些参数指标,如导通电阻、击穿电压等;动态参数就是指器件在开关过程中的一些参数指标,如导通时间、关断时间等。
01、什么是双脉冲测试
为了评估功率器件的动态参数,通常采取的测量方法是双脉冲测试。那什么是双脉冲测试呢?顾名思义,是通过两个脉冲,去控制器件的开关开关,然后测试在开关过程中的一些参数指标。
02、双脉冲测试的测试原理
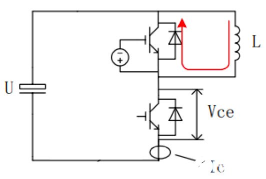
如下图1,是一个双脉冲测试原理图。
将双脉冲电压加在在DUT的VGS上。当D一个脉冲施加之后,DUT处于导通状态,而上面的管子一直处于关闭状态,那么电流就顺着红色箭头的方向,通过电感从上往下流过DUT,由于电感的电流不能瞬变,所以导通电流有一个从零开始逐渐增加到Z大的过程。
电流上升的斜率可以用U/L得到。如母线电压是1000V,电感是100uH,那么电流从零上升到100A的时间就是10us。

图 1
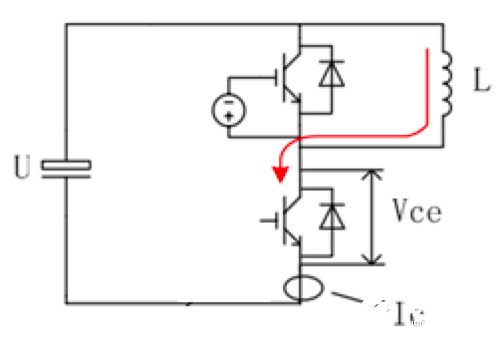
当电流达到Z大(如100A),那就可以把DUT关闭了,那DUT管子会直接断开。这时可以测试管子关断过程中的一些参数,比如关断时间、关断损耗、关断时的VDS震荡等。
那么在关断期间,由于电感的电流不能瞬变,所以这个电流会继续顺着箭头的方向进行续流,所以上面这个管子又叫续流管。那这个过程中由于时间非常短,我们可以认为电感上的电流是不变的。

图 2
然后我们可以再开启下管,即DUT。这时电感的电流会再次顺着D一次的方向流过DUT,而且电流大小是Z大值,如100A。也就是说我们这次相当于是在100A的条件下开启DUT。
同样,我们可以测试管子在开启过程中的开启时间、开启过程中的损耗等参数。

图 3
以上就是双脉冲测试的原理。下图4展示了双脉冲测试期间,DUT上的VDS、VGS和IS的测量结果。
图 4
那动态参数除了包含开启、关断过程中的时间、损耗等参数之外,还包括反向恢复参数。
那测试反向恢复参数的时候,原理图还是一样的,只是需要把电感并联在DUT的两端,然后把双脉冲信号加在上管上,因此DUT一直处于断开状态。
上管打开之后,电流会经过电感从上往下流动;当电流达到Z大,关闭上管,那由于电感的电流不能瞬变,所以电感上的电流会流过DUT,方向是从下往上。
然后再打开上管。这时候,DUT两端有 一个正向的电压,但是同时有反向的电流在流动,所以这个过程正好就是反向恢复的过程,可以测试方向恢复的相关参数。
如下图5,是我们可以测试的各个动态参数。
图 5
责任编辑:wv
全部0条评论
快来发表一下你的评论吧 !