MAX18066EWE+ Maxim Integrated MAX18066/MAX18166降压直流-直流稳压器

KANA 发表于 2020-10-30 11:06:58

数据: Maxim Integrated MAX18066MAX18166降压直流-直流稳压器.pdf

Maxim MAX18066/MAX18166降压直流-直流稳压器可提供高达4A输出电流,效率高。该器件的工作输入电压范围为4.5V至16V,可调输出电压范围为0.606V至输入电压的90%。该器件非常适合用于分布式电源系统、笔记本电脑、非便携式消费类应用和预调节应用。该器件可在PWM模式下工作,内部固定开关频率为500kHz (MAX18066) 和350kHz (MAX18166),最大占空比为90%。该器件在轻负载时自动进入跳跃模式。电流模式控制架构简化了补偿设计,并确保逐周期电流限制以及快速响应线路和负载瞬态。高增益跨导误差放大器可灵活地设置外部补偿,简化设计,支持全陶瓷设计。

该同步降压稳压器设有内部MOSFET,效率优于异步解决方案,与分立式控制器解决方案相比简化了设计。除了简化设计外,集成式MOSFET还通过最大限度地减少外部元件数量来降低EMI、减少电路板空间以及提高可靠性。其他特性包括外部可调软启动、独立使能输入和电源良好输出(用于电源排序)以及热关断保护。该器件在输出短路情况下提供具有断续模式的过流保护(高侧电源)。该器件在向预偏置输出供电时可确保安全启动。MAX18066/MAX18166采用2mm x 2mm、16焊球(4x4阵列)、0.5mm间距晶圆级封装 (WLP),额定工作温度范围为-40°C至+85°C。

特性

  • 集成功能缩小了解决方案尺寸
    • 集成40mΩ(高侧)和18.5mΩ(低侧)RDS-ON功率MOSFET
    • 搭配低ESR陶瓷输出电容器时可稳定工作
    • 实现输入和电源良好输出
    • 逐周期过流保护
    • 全面过流(断续保护)和过热保护
  • 高效省电
    • 效率高达96%(5V输入和3.3V输出)
    • 效率高达93%(12V输入和3.3V输出)
    • 轻负载时自动跳跃模式
  • 安全、可靠、精确运行
    • 连续4A输出电流
    • 整个负载、线路和温度范围内的精度:1%
    • 安全启动至预偏置输出
    • 可编程软启动
    • VDD LDO欠压闭锁
  • 非常适合用于分布式电源、网络和计算应用
    • 输入电压范围:4.5V至16V
    • 可调输出电压范围:0.606V至 (0.9 x VIN)
  • 提供EE-Sim®设计和仿真工具,可缩短设计时间

应用

  • 分布式电源系统
  • 前置稳压器,用于线性稳压器
  • 家庭娱乐(电视与机顶盒)
  • 网络和数据通信
  • 服务器,工作站及存储

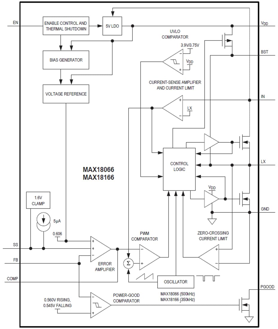
框图

技术文档

数据手册(1)

收藏

相关话题
文章来源栏目
+加入圈子

评论(0)

加载更多评论

参与评论

分享到

QQ空间 QQ好友 微博
取消