TVS二极管:为便携电子设备提供有效的ESD保护

电源新闻

20人已加入

描述

TVS二极管:为便携电子设备提供有效的ESD保护

 ESD保护对高密度、小型化和具有复杂功能的电子设备而言具有重要意义。本文探讨了采用TVS二极管防止ESD时,最小击穿电压和击穿电流、最大反向漏电流和额定反向关断电压等参数对电路的影响及选择准则,并针对便携消费电子设备、机顶盒、以及个人电脑中的视频线路保护、USB保护和RJ-45接口等介绍了一些典型应用
  
  随着移动产品、打印机、PC,DVD、机顶盒(STB)等产品的迅速发展,消费者正要求越来越先进的性能。半导体组件日益趋向小型化、高密度和功能复杂化,特别是像时尚消费电子和便携式产品等对主板面积要求严格的应用很容易受到静电放电的影响。一些采用了深亚微米工艺和甚精细线宽布线的复杂半导体功能电路,对电路瞬变过程的影响更加敏感,将导致上述的问题更加激化。
  
  ESD保护原理
  
  电路保护元件存在几种技术,当选择电路保护元件时,若设计师选择不当的保护器件将只能提供错误的安全概念。电路保护元件的选择应根据所要保护的布线情况、可用的电路板空间以及被保护电路的电特性来决定。此外,了解保护元件的特性知识也非常必要,需要考虑的重要因素之一是器件的箝位电压。所谓箝位电压是在ESD器件里跨在瞬变电压消除器(TVS)上的电压,它是被保护IC的应变电压。

TVS二极管
  
  因为利用先进工艺技术制造的IC电路里氧化层比较薄,栅极氧化层更易受到损害。这意味着较高的箝位电压将在被保护IC器件上产生较高的应变电压,并且增加了失效的概率。
  
  很多保护元件都被设计成可吸收大量的能量,由于元件结构或设计上的原因也导致其具有很高的箝位电压。由于变阻器的箝位电压太高,他们不能够提供有效的ESD保护。此外,由于变阻器的高电容他们也不能给高速数据线路提供保护。TVS二极管正是为解决此问题而产生的,它已成为保护便携电子设备的关键性技术。
  
  TVS二极管是专门设计用于吸收ESD能量并且保护系统免遭ESD损害的固态元件。如果应用得当,TVS二极管将限制跨在被保护器件上的电压刚好高过额定工作电压,但是却远低于破坏阈值电压。

TVS二极管

TVS相关参数
  
  处理瞬时脉冲对器件损害的最好办法是将瞬时电流从敏感器件引开。TVS二极管在线路板上与被保护线路并联,当瞬时电压超过电路正常工作电压后,TVS二极管便发生雪崩,提供给瞬时电流一个超低电阻通路,其结果是瞬时电流通过二极管被引开,避开被保护器件,并且在电压恢复正常值之前使被保护回路一直保持截止电压。当瞬时脉冲结束以后,TVS二极管自动回复高阻状态,整个回路进入正常电压。许多器件在承受多次冲击后,其参数及性能会发生退化,而只要工作在限定范围内,二极管将不会发生损坏或退化。
  
  从以上过程可以看出,在选择TVS二极管时,必须注意以下几个参数的选择:
  
  1. 最小击穿电压VBR和击穿电流IR。VBR是TVS最小的击穿电压,在25℃时,低于这个电压TVS是不会发生雪崩的。当TVS流过规定的1mA电流(IR)时,加于TVS两极的电压为其最小击穿电压VBR。按TVS的VBR与标准值的离散程度,可把VBR分为5%和10%两种。对于5%的VBR来说,VWM=0.85VBR;对于10%的VBR来说,VWM=0.81VBR。为了满足IEC61000-4-2国际标准,TVS二极管必须达到可以处理最小8kV(接触)和15kV(空气)的ESD冲击,有的半导体生产厂商在自己的产品上使用了更高的抗冲击标准。对于某些有特殊要求的便携设备应用,设计者可以按需要挑选器件。
  
  2. 最大反向漏电流ID和额定反向关断电压VWM。VWM这是二极管在正常状态时可承受的电压,此电压应大于或等于被保护电路的正常工作电压,否则二极管会不断截止回路电压;但它又需要尽量与被保护回路的正常工作电压接近,这样才不会在TVS工作以前使整个回路面对过压威胁。当这个额定反向关断电压VWM加于TVS的两极间时它处于反向关断状态,流过它的电流应小于或等于其最大反向漏电流ID。


TVS二极管
  
  3. 最大箝位电压VC和最大峰值脉冲电流IPP。当持续时间为20mS的脉冲峰值电流IPP流过TVS时,在其两端出现的最大峰值电压为VC。VC、IPP反映了TVS的浪涌抑制能力。VC与VBR之比称为箝位因子,一般在1.2~1.4之间。VC是二极管在截止状态提供的电压,也就是在ESD冲击状态时通过TVS的电压,它不能大于被保护回路的可承受极限电压,否则器件面临被损伤的危险。
  
  4. Pppm额定脉冲功率,这是基于最大截止电压和此时的峰值脉冲电流。对于手持设备,一般来说500W的TVS就足够了。最大峰值脉冲功耗PM是TVS能承受的最大峰值脉冲功耗值。在给定的最大箝位电压下,功耗PM越大,其浪涌电流的承受能力越大。在给定的功耗PM下,箝位电压VC越低,其浪涌电流的承受能力越大。另外,峰值脉冲功耗还与脉冲波形、持续时间和环境温度有关。而且,TVS所能承受的瞬态脉冲是不重复的,器件规定的脉冲重复频率(持续时间与间歇时间之比)为0.01%。如果电路内出现重复性脉冲,应考虑脉冲功率的累积,有可能损坏TVS。
  
  5. 电容量C。电容量C是由TVS雪崩结截面决定的,是在特定的1MHz频率下测得的。C的大小与TVS的电流承受能力成正比,C太大将使信号衰减。因此,C是数据接口电路选用TVS的重要参数。电容对于数据/信号频率越高的回路,二极管的电容对电路的干扰越大,形成噪声或衰减信号强度,因此需要根据回路的特性来决定所选器件的电容范围。高频回路一般选择电容应尽量小(如LCTVS、低电容TVS,电容不大于3pF),而对电容要求不高的回路电容选择可高于40pF。

TVS二极管

ESD应用

  1.底部连接器的应用
  
  底部连接器设计广泛应用在移动消费类产品上,目前市场上应用产品主要为移动电话、PDA、DSC(数码相机)以及MP3等便携产品。
  
  由于是直流回路,可选用高电容器件。此端口可能会受到高能量的冲击,可以选用集成了TVS和过流保护功能的器件。
  
  如图1所示,是便携产品的底部连接器保护电路的示意图,其中的数据线保护IC为NZQA5V6XV5T1、NZQA6V2XV5T1、NZQA6V8XV5T1、NZQA8V2XV5T1、NZQA5V6AXV5T1、NZQA6V8AXV5T1、MSQA6V1W5T2、SMF05T1和NSQA6V8AW5T2。
  
  以上产品都带4个单相独立线路ESD保护,其中MSQA系列、NSQA系列和SMF05的封装形式是SC-88A,NZQA系列的封装形式是SOT-553。其中NZQA5V6XV5是5.6V单向式TVS保护器件;NZQA6V2XV5是6.2V单向式TVS保护器件;NZQA6V8XV5是6.8V单向式TVS保护器件;NZQA6V8AXV5是6.8V单向式、低电容TVS保护器件;NUP4102XV6是14V双向式、低电容TVS。这些SOT5xx封装的TVS器件均针对260℃回焊温度处理工艺生产,符合100%无铅和静电放电保护的要求,比传统的SC88封装减少电路板空间达36%,降低厚度40%,适合用于对电路板空间要求严格的便携设备,如手机、数码相机、MP3播放器。

TVS二极管
  
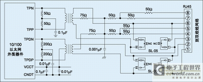
  2 RJ-45(10/100M以太网网络)
  
  RJ-45接口广泛应用在网络连接的接口设备上,典型的应用就是10/100M以太网网络。
  
  如图2所示,RJ-45数据线保护主要应用了安森美公司的低电容瞬态电压抑制二极管--SL05,工作电压是5V。实际上该公司有一系列的SLXX产品,产品从SL05到SL24,工作电压覆盖5V、12V、15V、24V。符合IEC 61000-4-2(ESD)15kV(空气)8kV(接触)/IEC 61000-4-4(EFT)40A(5/50ns)/IEC 61000-4-5(Lightning)12A(8/20us)标准,除了用在LAN/WAN设备上,还适合用于高速数据线保护,移动电话和USB端口的保护。
  
  3. 视频线路的保护
  
  目前视频常见的输出端口设计有D-SUB(如图3)、DVI(28线)、SCART(19线)和D-TERMINAL(主要日系产品在用)。视频数据线具有高数据传输率,数据传输率高达480Mbps,有的视频数据传输率达到1G以上,因而要选择低电容LCTVS,它通常是将一个低电容二极管与TVS二极管串联,以降低整个线路的电容(可低于3pF),达到高速率回路的要求。ONSEMI半导体公司的SRDA05-4具有良好的低电容特性,能够提供4路ESD保护,而它的后继产品SRDA05-6能够提供多达6路ESD保护。SRDA05-X系列产品适用于所有高速通讯线路的保护。
  
  4. SIM卡数据线路保护
  
  SIM卡数据线路保护一直是各个公司的产品重点,而且专门为此类端口设计的集ESD(TVS)/EMI/RFI防护于一个芯片的器件,充分体现了片式器件的无限集成方案。
  
  在针对不同用途选择器件时,要避免使器件工作在其设计参数极限附近,还应根据被保护回路的特征及可能承受ESD冲击的特征选用反应速度足够快、敏感度足够高的器件,这对于有效发挥保护器件的作用十分关键,另外集成了其它功能的器件也应当首先考虑。
  
  众多半导体厂商提供了多种不同的TVS二极管封装形式,尤其是像SOT23和SC-70,以及与芯片同等大小的倒装芯片之类的微型封装,在板上只占约4.8mm2的位置,却可以同时保护多个线路。最近的许多新产品更是适应便携设备高集成度、小型化要求,将EMI/RFI/ESD保护集成在一个器件中,不但可以有效缩小空间,还大大减少了成本,降低了器件采购成本和加工成本,对于同时需要这几种保护功能的端口来说,可谓设计者的首选(图4)。

TVS二极管 <

5. USB保护
  
  一般USB的ESD保护分上行(图5)和下行(图6)两种情况。针对USB 1.1的ESD保护下行主要采用了NUF2101,上行ESD保护采用STF202或者NUF2221W1T2。这些产品即能满足USB线路终端的ESD保护,还具有良好的滤波功能。
  
  6. 音频/扬声器数据线路保护
  
  在音频数据线路保护方面(图6),由于音频回路的信号速率比较低,对器件电容的要求不太高,100pF左右都是可以接受的。有的手机设计中将耳机和麦克风合在一起,有的则是分立线路。前一种情况可以选择单路TVS,而后一种情况如果两个回路是邻近的,则可以选用多路TVS阵列,只用一个器件就能完成两个回路的保护。

TVS二极管
  
  7. 按键/开关
  
  对于按键和开关回路,这些回路的数据率很低,对器件的电容没有特殊要求,用普通的TVS阵列都可以胜任。
  
  本文总结
  
  以上的产品主要是针对数据线路的ESD保护。在表1中所列器件中有四款是专为为USB、以太网、防火墙和其他高速数据应用设计的滤波器。这些器件符合USB的所有要求,包括电磁干扰滤波和上行/下行端口的线路终端。这些新型集成元件均能替代目前需采用12个元件的分立元件解决方案。八款新型器件提供静电放电(ESD)保护,具有业界最低电容。这些新型保护器件均通过了15千伏接触放电测试,测试标准高于IEC61000的8千伏ESD标准。这些器件具有1.5皮法电容典型值,确保了数据线速度以及数据完整性。

  此外,对于便携式设备来说,各类集成电路的复杂性和精密度的提高使它们对ESD也更加敏感,以往的通用回路设计也不再适合。合理的PCB布局最重要的是要在使用TVS二极管保护ESD损害的同时避免自感。ESD设计很可能会在回路中引起寄生自感,会对回路有强大的电压冲击,导致超出IC的承受极限而造成损坏。负载产生的自感电压与电源变化强度成正比,ESD冲击的瞬变特征易于诱发高强自感。减小寄生自感的基本原则是尽可能缩短分流回路,必须考虑到包括接地回路、TVS和被保护线路之间的回路,以及由接口到TVS的通路等所有因素。所以,TVS器件应与接口尽量接近,与被保护线路尽量接近,这样才会减少自感耦合到其它邻近线路上的机会。
  
  在电路板设计中还应注意以下几点:尽量避免在保护线路附近走比较关键的信号线,尽量将接口安排在同一个边上;采用高集成度器件,二极管阵列不但可以大大节约线路板上的空间,而且减少了由于回路复杂可能诱发的寄生性线路自感的影响;避免被保护回路和未实施保护的回路并联,将接口信号线路和接地线路直接接到保护器件上,然后再进入回路的其它部分,将复位、中断、控制信号远离输入/输出口,远离PCB的边缘;各类信号线及其馈线所形成的回路所环绕面积要尽量小,必要时可考虑改变信号线或接地线的位置;在可能的地方都加入接地点。


打开APP阅读更多精彩内容
声明:本文内容及配图由入驻作者撰写或者入驻合作网站授权转载。文章观点仅代表作者本人,不代表电子发烧友网立场。文章及其配图仅供工程师学习之用,如有内容侵权或者其他违规问题,请联系本站处理。 举报投诉
评论(0)
发评论
xzgang89 2012-08-15
0 回复 举报
谢谢 收起回复

全部0条评论

快来发表一下你的评论吧 !

×
20
完善资料,
赚取积分