随着能源需求的日益紧张,科技的日趋智能化,高效高可靠的安全保护,已成为人们生产生活必然趋势。中科昊芯顺应时代需求,推出适用于高精度工业自动化运动控制的新版HXS320F28034PNT数字信号处理器DSP,芯片COMP模块以模拟量阈值比较,输出TZ错误联防信号,与EPWM模块联合使用,构成DC数字比较、CBC周期限流,与单次OST过流跳闸保护,更加有效助力于工程师实现安全高效的三重高可靠性保护,广泛应用于电动车、电动汽车、轨道交通、全电飞机、新能源发电、机器人等工业自动化高精度控制领域。
自平头哥半导体有限公司的剑池集成开发环境(简称“CDK”)支持HX2000系列芯片调试以来,本期推出专题讲解芯片电机过流跳闸保护,共分为三期讲解。本期主要讲解EPWM_TZ错误联防,DC数字比较与比较器超阈值检测将在后续两期内容中逐步介绍。
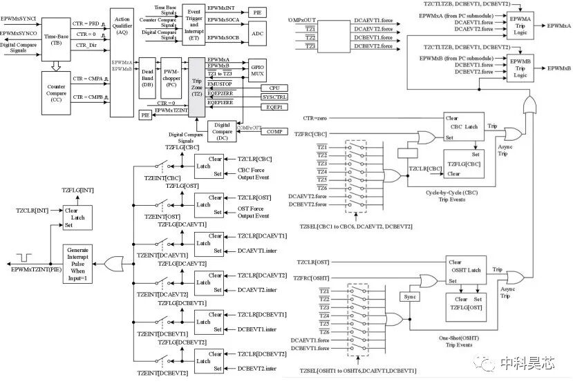
HX2000系列EPWM_TZ工作原理如下,由周期CBC限流与超越阈值OST单次跳闸,二重保护事件输出,触发EPWMxA/B动作,关断过流输出的MOSFET桥臂,实现限流与跳闸保护,原理如下:
通过TZSEL寄存器OSHTx或CBCx,选择单次或周期故障(低电平触发)输入引脚为。TZEINT使能打开相应TZINT中断,由输入单次或周期故障,触发产生EPWMx_TZINT中断:置位TZFLG相应标志位,触发EPWMxA/B按TZCTL[TZA/TZB]所配置高、置低与高阻动作。单次OST或CBC故障消除后,均可手动写入TZCLR相应标志位,清除中断标志,便于下次中断触发。但OST故障消除后不可自动恢复,CBC故障消除后,可在TBCTR=0时自动清除中断标志,使EPWM波形恢复,以实现周期限流。详细介绍请见下图B站视频链接:
由此设计EPWM_TZ实例:某时刻驱动板电流:(1)过流输出周期CBC错误联防,输入(GPIO16),触发EPWM2A置高、EPWM2B置低;(2)超越阈值输出单次OST错误联防,输入(GPIO17),触发EPWM1A置高、EPWM1B置低,硬件连接如下:
基于以上分析,在CDK上开发EPWM_TZ输出,代码包括:EPWM与TZ GPIO、初始化、OST及CBC错误联防配置、TZ触发EPWM动作的中断服务程序,主程序调用执行。

CDK上开发EPWM_TZ输出程序,其编译结果为:
编译通过后,就可以开始调试了,CBC错误联防事件的调试结果如下:
CBC触发前与故障消除后的EPWM波形如图左,触发后的EPWM波形如图右:
OST错误联防事件的调试结果如下:
OST触发前后的EPWM波形如下:
来源:中科昊芯
全部0条评论
快来发表一下你的评论吧 !