随着电子设备尺寸的缩小,它们内部的电路也必须这样做。这种产品小型化的趋势在所有行业中都很明显,并为负责在空间受限的设计中安装解决方案的工程师带来了新的设计挑战。
为了满足对紧凑型电子设备日益严格的尺寸要求,集成电路(IC)设计人员将外部元件引入其器件内部,以最大限度地减少外部元件数量。在构建任何电子设备所需的各种电路中,DC-DC转换器的尺寸缩小与无处不在(一切都需要电源)一样具有挑战性,因为电源设计人员经常面临这样一个现实,即缩小解决方案尺寸通常会对性能产生负面影响。
例如,节省大量PCB空间的一种方法是使用单片DC-DC转换器,该转换器在IC封装中集成了精心挑选的电源开关器件,从而将所需的外部元件减少到几个无源器件。在许多情况下,与外部电源开关控制器设计相比,由此产生的紧凑设计带来了不希望的结果,即在更小的空间内增加功率损耗,从而产生更高的温升。选择合适的单片DC-DC转换器对于设计紧凑高效的电源系统至关重要,以避免产生有问题的热量水平。
2 MHz、单芯片、4开关降压-升压DC-DC转换器和LED驱动器
LT3942是ADI公司最通用的单片式降压-升压型稳压器IC之一。这款升压/降压转换器满足了在不牺牲性能的情况下创建灵活紧凑的DC-DC转换器解决方案的挑战。LT3942将四个40 V/2 A电源开关、两个栅极驱动器自举二极管及其所有控制和驱动器电路集成到一个小型4 mm×5 mm QFN封装中。由于能够在高达2 MHz的开关频率下工作,因此外部元件尺寸保持在最低限度,从而节省了PCB空间,并为任何DC-DC转换器提供了高带宽操作。
LT3942 采用与 LT8390A / LT8391A 系列降压-升压型控制器 IC 相同的峰值电流模式控制方案,并表现出 2 开关升压 (升压)、4 开关降压-升压 (升压 / 降压) 和 2 开关降压 (降压) 工作模式之间的无缝转换。转换器观察并比较其输入和输出电压,以确定正确的工作模式。作为光伏的比例在:光伏外改变并强制转换器转换为模式,LT3942 在智能地在开关对之间切换控制的同时保持稳压。
除了调节各种PV的输出电压在:光伏外结合组合,LT3942 还可配置为调节输入或输出电流,以用于恒定电流调节应用。来自ISMON引脚的电流监控反馈提供与测量电流成比例的缓冲电压输出,允许连接的电路检查测量的电流水平。这种调节电流或电压的能力使得 LT3942 非常适合用作 LED 驱动器、紧凑型电池充电器、微型太阳能电池板供电型转换器或通用稳压器。
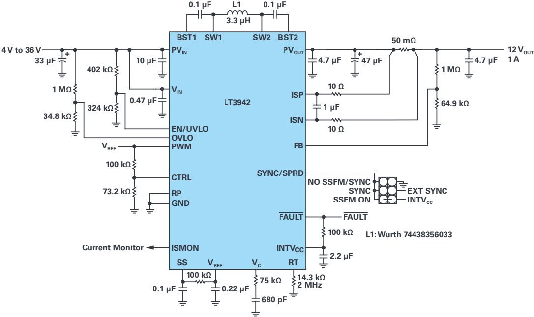
14 V、1 A LED 驱动器
图1示出了一款基于LT3942的紧凑型LED驱动器的完整评估电路。该解决方案能够为串联连接的四个(高达 14 V)白光 LED 串提供 1 A 电流。最大功率输出输入电压范围为7 V至36 V,电流降低至4 V,非常适合非稳压汽车输入电源。该解决方案中的LT3942以2 MHz开关频率工作,支持使用相对较小的电感器和电容器。结果是,整个LED驱动器解决方案适合15 mm×15 mm的PCB基底面,所有元件都放置在电路板的一侧,包括IC。

图1.这款基于 LT3942 的演示电路 (DC2404A) 展示了一款高性能、紧凑型 DC-DC 稳压器解决方案,专门用于本例中驱动 LED。
该解决方案还具有高带宽操作,允许快速调整输出电流。在降压操作时,LT3942 使用外部 PWM 源以 100 Hz 的无闪烁频率对 LED 进行调光,从而实现高达 5000:1 的调光比。如果一个外部 PWM 电源不可用,则还可以利用其内部 PWM 调光功能对 LT3942 进行调光。内部调光提供高达 128:1 的调光,无需任何外部 PWM 信号源,只需一个电阻器即可设置调光频率,并需要一个直流电压来控制输出电流的占空比。与大多数线性™ LED 驱动器一样,LT3942 还具有模拟调光功能,方法是在 CTRL 引脚上施加一个直流电压以实现高达 20:1 的模拟调光。模拟和PWM调光可以结合使用,以实现比单独使用任何一种方法更高的有效调光比。
扩频频率调制可降低 EMI 峰值
为了帮助创建一个低噪声 DC-DC 转换器系统,LT3942 包括一种可选的扩频频率调制 (SSFM) 功能。使能时,SSFM 扫描由 RT 电阻设定的值之间的开关频率,以及高达 25% 的额外开关频率。这种扫荡作用可分散在宽频谱频率上切换引起的辐射,而不是将这些辐射集中到窄带中,从而总体上降低EMI峰值。当与输入和输出EMI滤波器结合使用时,SSFM可以帮助降低宽频率范围内的EMI,从而更容易设计符合辐射标准的系统。
12 V、1 A 稳压器
LT3942 不限于驱动 LED。它是一款功能强大的紧凑型稳压器,非常适合解决从宽范围、非稳压电源产生稳定输出的问题。图4所示的12 V、1 A稳压器设计与图2所示的14 W LED驱动器解决方案类似,只是进行了一些小的修改。与LED驱动器应用一样,稳压器可以在宽输入电压范围内保持输出调节,提供低至7 V的全输出功率,并在降低输出功率的情况下保持低至4 V的运行。

图2.DC2404A 利用 LT3942 创建紧凑型 14 W LED 驱动器应用,能够在宽输入范围内提供稳定的输出电流。

图3.LT3942 的高带宽操作有助于为具有宽动态亮度范围的 LED 照明应用实现高比率 PWM 调光。移除 EMI 滤波器后,DC2404A 在 120 Hz 时可实现高达 4000:1 的调光,在 100 Hz 时可实现高达 5000:1 的调光。
图4中的效率曲线显示,即使在2 MHz开关频率下工作时,LT3942 12 V稳压器也拥有接近95%的令人印象深刻的峰值效率,其大部分输入电压范围的效率为85%及以上。即使以总输出功率的十分之一为其输出供电,也能保持超过 80% 的效率,这表明其在轻负载条件下能够高效运行。


(a). 输入电压效率扫描。

(b). 负载电流效率扫描。
图4.LT3942配置为12 W稳压器,在宽输入范围内表现出出色的线路和负载效率特性。
LT3942 的电流检测和控制功能面向 LED 调光控制,但它在需要电压调节和电流控制的其他情况下表现良好。当在输出端配置检测电阻器时,LT3942 可轻松配置为充当一个紧凑的恒定电流、恒定电压电池充电器。对于具有严格输入电流限制的应用,例如由小型电池、电容器组或光伏电池供电的电路,检测电阻可以移动到稳压器的输入侧,从而为系统提供输入电流限制以及监控。LT3942 可从 CC 模式无缝转换至 CV 模式 (反之亦然),从而确保始终调节输入和 / 或输出。
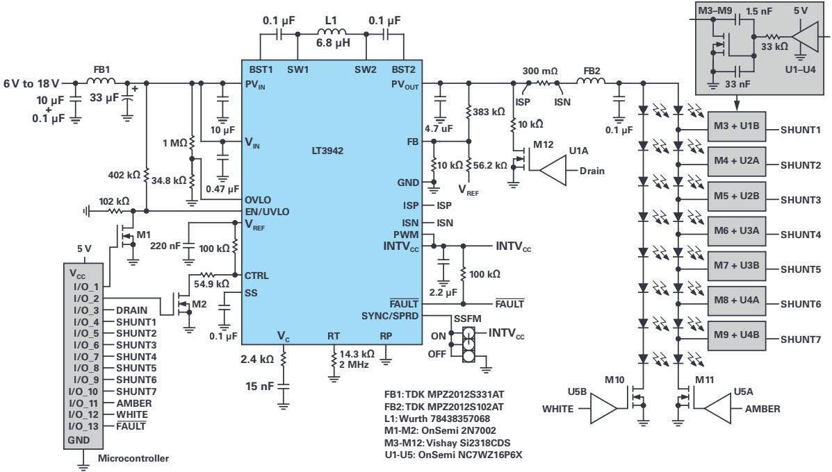
汽车顺序转向信号灯和装饰照明
在较新的豪华和高性能汽车上常见的动画顺序转向信号灯正在迅速普及,取代了传统的闪光灯式指示灯。顺序转向信号的早期实现使用多个降压转换器或线性稳压器为转向信号簇中的LED供电,导致解决方案复杂、效率相对低下且过大,极大地限制了可能的照明设计领域。将所需功率IC的数量减少到一个高效的器件是扩大照明设计师选择范围的明显方法。
单个转换器解决方案要求器件能够在各种 LED 组合(因此,照明设计中出现串电压)之间保持输出调节:从每个 LED 亮起,到单个 LED 亮起,再到介于两者之间的所有其他组合。当动画灯通过连接的LED的配置时,输入电压可以高于、低于或等于输出电压。这种类型的应用需要一个升压/降压转换器,该转换器可以智能地选择并在工作模式之间无缝转换,同时保持输出调节。LT3942 的降压-升压型拓扑和高带宽操作使其能够轻松导航这些变化而不会产生毛刺。
图5所示的顺序转向信号设计使用LT3942从汽车电池以330 mA电流为8个LED供电,并选择为琥珀色LED串供电(用于转向信号操作)或白色灯串(用于日间行车灯或前照灯/尾灯设计中使用的其他装饰照明)。


图5.在顺序转向信号应用中,LED 一次一个亮起,迫使 DC-DC 转换器快速调整以适应新的光伏在:光伏外组合。这对于 LT3942 来说没有问题,它在顺序匝数模式期间从升压操作无缝转换到降压-升压操作,从而确保在各种模式上调节 LED 电流。
微控制器充当用户输入的转向信号和照明系统之间的接口。这使照明设计师(或最终用户,如果需要)可以完全控制执行 LED 动画顺序开启所需的所有时间和信号,并控制在任何给定时间为哪种颜色的 LED 串供电。
在此设计中,在顺序导通模式期间,转向信号灯 LED 一次一个地引入串以产生转向信号。当 LED 由微控制器添加到灯串中时,LT3942 保持对输出电流的调节以实现一致的光亮度。在所有 LED 均亮起后,LT3942 停止开关操作,输出电压被耗尽,以将转换器设置为下一个顺序导通周期。当不使用转向信号时,微控制器重新连接微调照明LED串并继续等待转向信号用户输入,将两种照明功能组合到单个LED驱动器解决方案中。
总结
电子设备继续迫使工程师寻求更小的集成设备,以满足日益有限的空间要求。LT®3942 单片式降压-升压型转换器和 LED 驱动器通过集成许多节省空间的功能而不影响性能,解决了空间受限的电气设计问题。其单芯片设计和 2 MHz 开关频率操作缩小了解决方案尺寸,使其能够挤入狭窄的 PCB 设计中。它具有高度的灵活性,能够同时用作恒流和恒压稳压器,使其适合各种应用。
对于需要低噪声电源以满足严格 EMI 要求的设计,LT3942 的 SSFM 功能有助于降低传导和辐射发射,其方便的 IC 封装引出脚配置可实现紧凑的开关热回路。这些特性加上宽输入范围,简化了设计人员在面对紧凑电源要求时的工作。
审核编辑:郭婷
全部0条评论
快来发表一下你的评论吧 !