作者:Zhijun (George) Qian and William Xiong
电动汽车、大型电池存储堆栈、家庭自动化、工业和电信电源都需要将高电压转换为±12 V,其中需要双极性电源轨为放大器、传感器、数据转换器和工业过程控制器供电。所有这些系统面临的一个挑战是创建一个紧凑、高效的双极性稳压器,该稳压器的工作温度范围为–40°C至+125°C,这在汽车和其他高环境温度应用中尤其重要。
线性稳压器广为人知,通常是双极性电源的首选,但不适用于前面提到的高输入电压、低输出电压应用,这主要是由于线性稳压器在高降压比下散热。此外,双极性解决方案至少需要两个集成电路(IC):一个正输出线性稳压器和一个负转换器。更好的解决方案是使用单个开关稳压器,该稳压器以较高的输入产生两个输出,具有良好的效率和调节性,同时适合狭小的空间并降低成本。
本文介绍两个优雅的电路,它们均使用单个高压LT8315转换器,可在30 V至400 V宽输入电压范围内产生±12 V输出。一个电路是隔离式反激式拓扑;另一种基于非隔离降压拓扑。LT8315本身是一款高压单片式转换器,集成了630 V/300 mA MOSFET、控制电路和高压启动电路,采用耐热性能增强型20引脚TSSOP封装。
隔离式双极性反激式稳压器,不带光耦合器
反激式转换器广泛用于多输出应用,以提供电流隔离、提高安全性并增强抗噪性。输出可以是正输出或负输出,具体取决于输出的哪一侧接地。传统上,输出电压调节是使用光耦合器将信息从次级侧基准电压源电路传输到初级侧来实现的。问题在于,由于传播延迟、老化和增益变化等原因,光耦合器增加了显著的复杂性并降低了可靠性。通常,连接到IC反馈引脚的一个输出主导调节环路,而其他输出则通过变压器绕组松散控制,导致这些输出的调节不良。
LT8315 不需要光耦合器,并从电源变压器上的三级绕组对反射的隔离输出电压进行采样。此外,当次级电流几乎为零时,会检测输出电压,以实现出色的负载调节。在双输出设计中,这种独特的检测方案允许对每个输出进行严密调节——两个输出都可以主导调节。因此,可以轻松实现典型的±5%负载调整率。
图1所示的LT8315解决方案在准谐振边界导通模式下工作。初级 MOSFET 具有最小的导通损耗,因为当开关节点振铃到其谷值时,MOSFET 导通。次级侧没有二极管反向恢复损耗。3 kV增强型绝缘变压器是跨越隔离栅的唯一组件,可提高系统可靠性并满足严格的高压电源隔离要求。图2显示了不同输入电压下的满载效率曲线。当输入为70 V且负载电流均为50 mA时,该反激式转换器可实现85.3%的峰值效率。
图1显示了具有30 V至400 V宽输入范围的反激式转换器的完整原理图。它输出±12 V,并在5 mA至50 mA的负载电流范围内保持严格的调节。该反激式转换器的峰值效率为85.3%,如图2所示。

图1.完整的±12 V/50 mA隔离反激式转换器,适用于30 V至400 V的宽输入范围。

图2.图1中反激式转换器的满载效率与输入电压的关系
具有两个电感器的非隔离式双极性降压稳压器
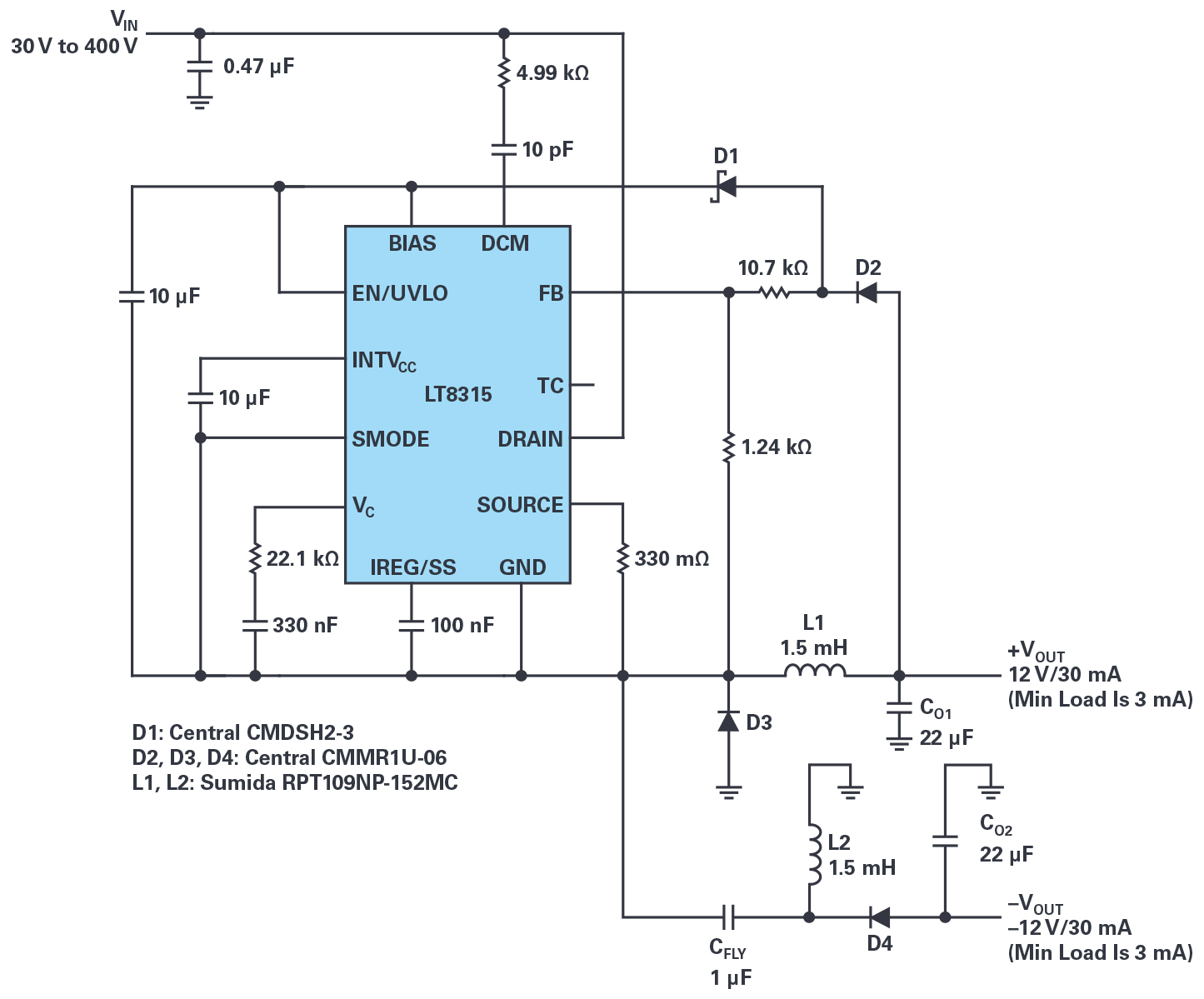
LT8315 的高电压输入能力可通过使用现成的电感器应用于非隔离式解决方案。具有双电感的降压稳压器仅需几个元件,如图3所示。该转换器接受30 V至400 V的极宽输入范围,并产生±12 V/30 mA输出。该电路在满载时,采用30 V输入的两个输出的效率可高达87%。

图3.采用单LT8315 IC的非隔离式双电感降压转换器原理图:30 V至400 V输入至±12 V输出,每个输出30 mA。
在这种拓扑中,LT8315 的 GND 焊盘有意不接地,并作为公共开关节点连接,用于驱动两个输出。对于PCB布局,LT8315的GND焊盘尺寸应限制在裸露焊盘区域内,以减少对其他组件的电磁干扰,因为GND走线是这种拓扑中相对嘈杂的开关节点。二极管D2和FB引脚上的两个1%电阻构成调节正输出电压的反馈路径。D2 对于防止 FB 引脚在 MOSFET 导通时放电是必要的。电阻分压器不需要考虑D2的正向压降,因为D2和D3的正向电压相等并抵消;因此,反馈网络跟踪并密切调节正输出电压。
负电源轨包括低压耦合电容C飞、第二个电感L2、一个箝位二极管D4和负输出电容CO2.根据C电路回路的电感伏秒平衡O1-L1-C飞-L2,L1和L2两端的平均电压为零,所以耦合电容C飞的电压等于正输出电压。C飞在 MOSFET 导通期间对 L2 充电,而 D4 在 MOSFET 关断期间为 L2 放电提供路径。负输出电压根据C的电压间接调节飞保持恒定并等于正输出电压。如图4的调节曲线所示,当正负载满载30 mA时,负电源在各种输入电压下3 mA至30 mA的负载范围内保持±5%的调节。

图4.图3中双电感降压转换器在不同输入电压下的负12 V负载调节曲线。
结论
本文介绍两种双极性转换器解决方案,适用于30 V至400 V宽输入范围:一种是隔离式,另一种是非隔离式。LT8315 由于其高压集成 MOSFET、无光耦合器反馈环路和内部高压启动电路,两者均采用。其他特性包括低纹波突发模式操作、软启动、可编程电流限制、欠压锁定、温度补偿和低静态电流。LT8315 的高集成度简化了适用于各种应用的高压输入和双极性输出电路的设计。
审核编辑:郭婷
全部0条评论
快来发表一下你的评论吧 !