LTC®4124是一款高性能100 mA无线锂离子电池充电器接收器,为空间受限的应用提供微型整体解决方案,只需很少的外部组件。LTC4124 与 LTC4125 — 一款具有最佳电源搜索和异物检测功能的无线电源发送器配对,以创建一个安全高效的无线充电环境。
高度集成的无线充电器接收器
无线充电在小型便携式和可穿戴设备中越来越受欢迎。这并不奇怪。没有裸露的连接器和端口,设备更加强大,最终用户体验也大大简化。为了克服这些器件(例如助听器)带来的典型空间限制,LTC4124 集成了一个无线电源管理器 — 将来自无线谐振电路的交流电压转换为一个稳定的 DC 电压。然后将该直流电压馈入功能齐全的线性电池充电器,以提供健康的电池充电周期。这种高集成度导致一个非常小、功能齐全的无线充电装置,只需要增加一个接收器谐振箱和电池本身。
高效无线电源管理器
如图 2 所示,当 LTC4124 接收的能量多于电池充电所需的能量时,IC 中的无线电源管理器将保持 IC 的输入电压 V抄送,通过将接收器谐振槽分流到地面来降低。通过这种方式,线性充电器非常高效,因为它的输入始终保持在电池电压 V 上方巴特.当调车电路接合时,谐振电路接收的功率也较小,因为谐振频率与发射器频率失谐。

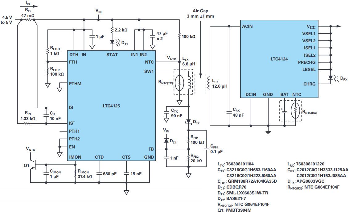
图1.完整的 6 mm 无线电池充电器解决方案。

图2.交流输入整流和直流轨电压调节。
利用 LTC4125 发射器完成无线充电设计
图 3 所示的 LTC4125 是一款高性能自谐振器™具有完整保护功能的无线发射器,适用于无线充电应用。LTC4125 中的最佳功率搜索功能根据接收器负载要求来调整发射功率。LTC4125 还包括多种异物检测方法,以防止其他物体从发送器接收不需要的功率。

图3.100 mA LTC4124充电器接收器与LTC4125自谐振发射器配对,可实现最佳电源搜索操作。
当与 LTC4124 配对时,LTC4125 全桥谐振驱动器可转换为半桥驱动器,以利用更精细的分辨率搜索步骤,从而使低功率接收器能够接收刚好足够的功率来为电池充电。当电池接近完全充电时,LTC4124 进入恒定电压模式,从而减小了稳定的充电电流。LTC4125 自动降低其功率输送水平,以匹配接收器的较低功率需求。这有助于降低整个充电周期的功耗,从而使 LTC4124 充电器和电池保持冷却。
图4显示了接收器电路在全功率和限流恒压模式下的温度。两种条件下的温度在室温下均低于40°C。

图4.热性能比较:(a) 4.1 V 输出时充电电流为 100 mA,(b) 4.2 V 输出时充电电流为 10 mA。
当充电器接收器远离发送器时,LTC4125 无法找到一个有源负载,并将其功率降低至待机模式,如图 5 所示。图 6 显示了将异物放在发射器上时会发生什么情况 — LTC4125 检测到一个高谐振频率并进入待机模式。

图5.LTC4125 操作,未检测到接收器。

图6.LTC4125 可检测异物。
结论
LTC4124 集成了一个无线电源管理器和一个全功能锂离子电池充电器,以简化空间受限型应用中的无线充电器接收器设计。LTC4125 可用作 LTC4124 接收器的半桥发射器,以完善一个受到良好保护的高效无线充电解决方案。
审核编辑:郭婷
全部0条评论
快来发表一下你的评论吧 !