许多模拟电路需要一种时钟信号或在一定时间后执行任务的可能性。有各种解决方案可用于此类应用。对于简单的定时任务,可以使用标准的555电路。使用555电路和适当的外部元件,可以执行许多不同的任务。
然而,流行的 555 计时器的一个缺点是计时器设置不准确。555 定时器通过为外部电容器充电并检测电压阈值来工作。该电路非常容易创建,但其精度在很大程度上取决于其电容器的实际值。
晶体振荡器非常适合需要更高精度的应用。它们的准确性可能很高,但它们在另一个领域显示出弱点:可靠性。任何参与维修电气设备的人都知道,故障通常是由大型、主要是电解电容器引起的。晶体振荡器是第二大最常见的故障原因。
测量时间长度或生成时钟信号的第三种方法是使用简单的小型微控制器。在这里,也有大量具有不同优化的组件可供选择。然而,它们需要编程,它们的处理需要更深入的理解,并且由于其数字设计,它们必须在关键应用中仔细检查 - 例如,如果微控制器卡住,系统中会发生什么。
除了用于时钟生成的这三个基本构建块之外,还有其他鲜为人知的替代方案。ADI公司的TimerBlox模块就是这样一种选择。它们是基于硅的定时模块,与微控制器不同,它们在操作中是完全模拟的,可以通过电阻器进行调整。因此,软件编程不是必需的,功能非常可靠。图 1 显示了不同 TimerBlox 模块及其各自基本功能的概述。使用这些基本构建块可以生成无数其他功能。

图1.TimerBlox电路用于生成不同的定时功能。
与广泛使用的 555 定时器电路相比,TimerBlox 电路不依赖于外部电容器的充电。所有设置均由电阻器完成,因此功能更加精确。可实现 1% 至 2% 的精度。晶体振荡器的精度甚至更高,约为100倍,但这会带来这种解决方案带来的缺点。
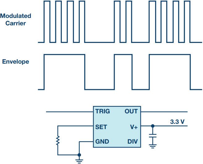
定时块的应用非常多样化。ADI公司已经发布了许多示例电路。图2所示为包络检测器。几个快速脉冲组合在一起形成更长的脉冲。LTC6993-2 的外部组件对于此应用而言是极少的。电路中的电容只是支撑电源电压的备用电容,对定时模块的精度没有影响。

图2.包络检波器,采用LTC6993 TimerBlox集成电路。
其他有趣的应用包括电源多个开关稳压器的相移同步,或向具有同步输入的开关稳压器IC添加扩频调制。另一个典型应用是提供定义的延迟,即定时器的功能,用于特定电路段的接通延迟。
有许多不同的技术解决方案可用于生成时钟信号和执行各种基于时间的任务。它们中的每一个都有优点和缺点。TimerBlox 模块等硅振荡器的特点是易于操作、由于使用可变电阻而不是电容器而具有高精度,并且具有出色的可靠性。
审核编辑:郭婷
全部0条评论
快来发表一下你的评论吧 !