数据采集 (DAQ) 系统在许多行业中都有应用,例如研究、分析、设计验证、制造和测试。从本质上讲,这些系统与各种传感器接口,这给前端带来了挑战。必须考虑不同的传感器灵敏度,例如,系统可能需要与最大输出为10 mV、灵敏度为亚微伏的负载传感器接口,同时还要与预调节为10 V输出的传感器接口。对于单增益,系统需要具有非常高的分辨率来检测两个输入。即便如此,在最低输入端也会牺牲信噪比(SNR)。
在这些应用中,可编程增益仪表放大器(PGIA)是前端的良好解决方案,可以适应各种传感器接口的灵敏度,同时优化SNR。集成PGIA可用于实现良好的直流和交流规范。本文讨论了各种集成PGIA以及使用它们的优势。还将讨论限制,以及在尝试满足特定要求时构建离散PGIA的指南。
综合PGIA认证
ADI在其产品组合中提供多种集成PGIA。集成PGIA具有更短的设计时间和更小的尺寸。数字可调增益通过内部精密电阻阵列实现。可以对这些电阻阵列进行片内调整,以优化增益、CMRR和失调,从而获得良好的整体直流性能。设计技术也可用于紧凑的IC布局,以最大限度地减少寄生效应,并提供出色的匹配,从而获得良好的交流性能。由于这些优点,如果有满足设计要求的集成PGIA,则始终建议选择集成PGIA。表1列出了可用的集成PGIA以及一些关键规格。
| AD825x | AD8231 | LTC6915 | |
| 增益设置 | 1, 2, 5, 10 (AD8250) 1、2、4、8 (AD8251) 1、10、100、1000 (AD8253) | 1 至 128,步长为 6 dB | 1 至 4096,步长为 6 dB |
| 共模抑制比 (G = 1) | 80分贝 | 80分贝 | 125分贝 |
| 增益漂移 | 10 页/°C | 10 页/°C | |
| 静态电流 | 4.5毫安 | 4毫安 | 2毫安 |
| 带宽 | 10兆赫 | 2.7兆赫 | 200千赫 |
| 稳定时间 | 0.78 微秒 | 4 微秒 | |
| 失调电压 (G=1) | 1.05毫伏 | 45 μV | 10 μV> |
| 失调电压漂移 | 6.2 μV/°C | 50 nV/°C | 50 nV/°C |
| 输入偏置电流 | 50 nA | 500 pA | 10 nA |
| 噪声 (G=1) | 45 nV/√赫兹 | 66 nV/√赫兹 | 2.5 μV 峰峰值(0.1 Hz 至 10 Hz) |
| 增益非线性 | 6 页/分钟 | 3 页/分钟 | 15 页/分钟 |
| 轨到轨输入 | 否 (–Vs+1) 至 (+Vs–1.5) | 是(超出供电轨0.2 V) | 是的 |
PGIA的选择取决于应用。AD825x具有快速建立时间和高压摆率,因此在多路复用系统中非常有用。AD8231和LTC6915采用零漂移架构,非常适合需要在很宽温度范围内实现精密性能的系统。
还有许多 组 块 解决 方案 集成 了 多 路 复 用 器、 PGIA 和 ADC, 以 形成 一个 完整 的 DAQ 解决 方案。例如ADAS3022、ADAS3023和AD7124-8。
| ADAS3022 | ADAS3023 | AD7124-8 | |
| 描述 | 16 位、1 MSPS、8 通道 DAQ 系统 | 16 位、8 通道 同步 采样 DAQ 系统 | 8通道、低噪声、低功耗、24位Σ-Δ型ADC,带PGA和基准电压源 |
| 增益设置 | 0.16, 0.2, 0.4, 0.8, 1.6, 3.2, 6.4 | 0.2, 0.4, 0.8, 1.6 | 1 至 128,步长为 6 dB |
| 共模抑制比 (G=1) | 90分贝 | 95分贝 | 85分贝 |
| 增益漂移 | 0.1 ppm/°C | 1 页/°C | 2 页/°C |
|
功率(最大增益)转换速率(最大通道) |
12 毫安 125 千步 |
10.5毫安 125 千秒 |
1.2 毫安 19.2 kSPS (全功率) |
这些解决方案的选择主要取决于输入信号源的规格。AD7124-8专为需要极高精度的较慢应用而设计,例如温度和压力测量。ADAS3022和ADAS3023适用于带宽相对较高的应用,例如过程控制或电力线监控。但是,与AD7124-8相比,它们确实消耗更多的功耗。
实现离散PGIA
某些系统可能需要满足上述集成设备无法实现的一个或两个规格。通常,以下要求要求用户使用分立元件构建自己的PGIA:
在需要更高带宽的多路复用系统中具有非常高的扫描速率
超低功耗
系统中的自定义增益或衰减
低输入偏置电流,适用于高阻抗传感器
极低噪声
设计分立PGIA时常用的方法之一是使用具有所需输入特性的仪表放大器,例如AD8421的低噪声,并配合多路复用器切换增益电阻以改变增益。

图1.AD8421,带多路复用器,用于切换增益。
在这种配置中,多路复用器的导通电阻实际上与增益电阻串联。当该导通电阻相对于漏极处存在的电压发生变化时,就会出现问题。图2取自ADG1208数据手册,展示了这种关系。

图2.ADG1208的导通电阻与漏极电压的关系
导通电阻和增益电阻的串联组合导致增益非线性。这意味着增益将随着共模电压的变化而变化,这是不希望的。例如,AD8421需要1.1 kΩ的增益电阻,增益为10。对于ADG1208,导通电阻随源极或漏极电压变化±15 V而变化多达40 Ω。这导致增益非线性度约为3%。对于较大的增益,该误差将变得更加明显,导通电阻甚至可能开始与增益电阻相当。
或者,可以使用具有低导通电阻的多路复用器来最小化这种影响,但这是以更高的输入电容为代价的。表3通过对ADG1208和ADG1408的比较对此进行了说明。
| ADG1208 | ADG1408 | |
| 导通电阻(典型值) | 120 Ω | 4 Ω |
| 漏极和源极电容(典型值) | 7 pF | 135 pF |
开关的输入电容导致图1中的配置中的另一个问题,因为RG任何给定的三引脚运算放大器仪表放大器上的引脚对电容非常敏感。开关的电容可能导致该电路出现峰值或不稳定。更大的问题是R上的电容不平衡G引脚可降低交流共模抑制比(CMRR),而CMRR是仪表放大器的关键规格。图3中的仿真曲线显示了AD8421增益引脚上不同多路复用器如何降低CMRR性能。该图清楚地表明,随着电容的增加,CMRR的退化程度更高。

图3.使用不同开关模拟 CMRR。
为了缓解交流CMRR的退化,最好的解决方案是确保G引脚看到相同的阻抗。这可以通过平衡电阻并将开关元件放在两个电阻之间来实现,如图4所示。在这种情况下,由于开关两端固有的电容不平衡,多路复用器无法工作。此外,由于多路复用器的漏极短接在一起,因此在R的一侧只能使用单个电阻G引脚,这仍然会导致不平衡。

图4.使用平衡配置的离散PGIA。
在这种情况下,建议使用四通道SPST开关,例如ADG5412F。除了开关可以灵活地使用平衡电阻之外,漏极和拉极的电容也是平衡的,从而减少了CMRR的降级。图5显示了在AD8421增益引脚上使用多路复用器时交流CMRR与使用四通道SPST开关时的交流CMRR比较。

图5.使用单刀单刀双掷开关的 CMRR 仿真与多路复用器配置。
ADG5412F还具有低导通电阻,在漏极或源极电压范围内非常平坦,如图6所示。规定在漏极或源极电压范围内最大变化为1.1 Ω。回到最初的例子,AD8421的增益为10,增益电阻为1.1 kΩ,开关仅引入0.1%的增益非线性度。不过,仍然存在漂移的成分,在更高的增益下会更加明显。

图6.ADG5412F在共模电压范围内的导通电阻
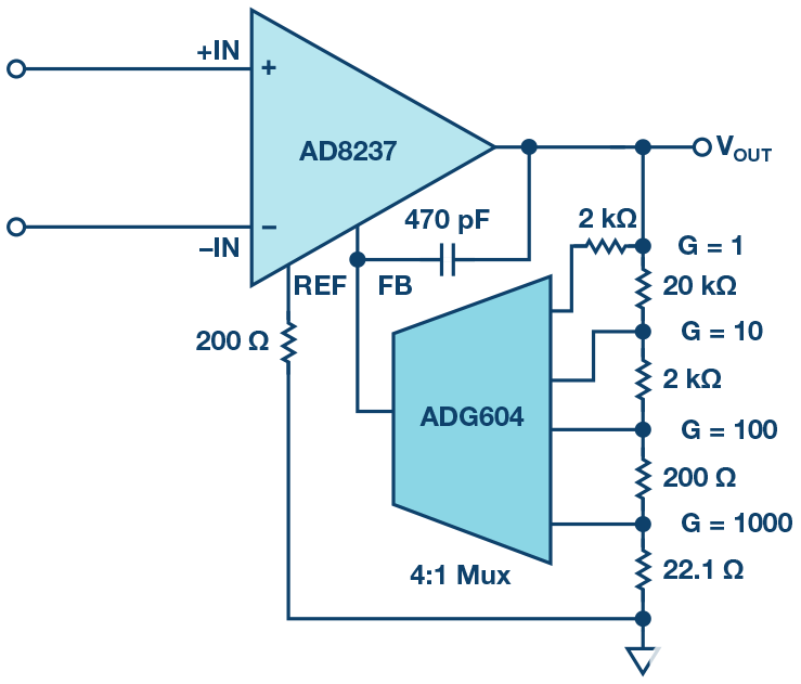
为了消除开关的寄生电阻效应,可以使用具有不同架构的仪表放大器来实现任意增益。AD8420和AD8237采用间接电流反馈(ICF)架构,是要求低功耗和低带宽的应用的理想选择。在这种配置中,开关放置在高阻抗检测路径中,因此增益不受开关导通电阻变化的影响。

图7.分立式PGIA使用具有间接电流反馈的仪表放大器。
对于这些放大器,增益由外部电阻的比率设置,其设置方式与同相放大器相同。这为用户提供了更大的灵活性,因为可以根据设计要求选择增益设置电阻。标准薄膜或金属膜电阻器的温度系数可低至 15 ppm/°C。 这比使用单个外部电阻设置增益的标准仪表放大器具有更好的增益漂移,其中片内电阻和外部电阻之间的不匹配通常会将增益漂移限制在50 ppm/°C左右。 为了获得最佳的增益误差和漂移性能,可以使用电阻网络进行容差和温度系数跟踪。不过,这确实是以成本为代价的,因此除非需要,否则分立电阻器是首选。
另一种解决方案也是灵活性最大的解决方案是三运放仪表放大器架构,采用分立元件,如图8所示,带有多路复用器以切换增益电阻。与仪表放大器相比,可供选择的运算放大器种类要多得多,因此设计人员有更多的选择,这使他们能够围绕特定的设计要求进行设计。过滤等特殊功能也可以内置到第一阶段。第二级中的差动放大器完善了这种架构。

图8.离散PGIA。
输入放大器的选择直接取决于DAQ要求。例如,低功耗设计需要使用低静态电流的放大器,而希望在输入端看到高阻抗传感器的系统可能会使用具有极低偏置电流的放大器来最小化误差。应使用双通道放大器,以便更好地跟踪整个温度。
可以注意到,当使用图8中的配置时,开关的导通电阻也与放大器的高阻抗输入串联,因此不会影响增益。回顾导通电阻和开关输入电容之间的权衡,由于消除了对导通电阻的限制,因此可以选择低输入电容开关,例如ADG1209。通过这种方式,避免了不稳定和交流CMRR退化。
与以前的设计一样,电阻将决定增益精度和漂移。可以选择具有正确容差和漂移的分立电阻器,以满足应用的设计要求。同样,通过电阻网络可以实现更好的精度,以实现更好的容差和温度跟踪,但代价是成本。
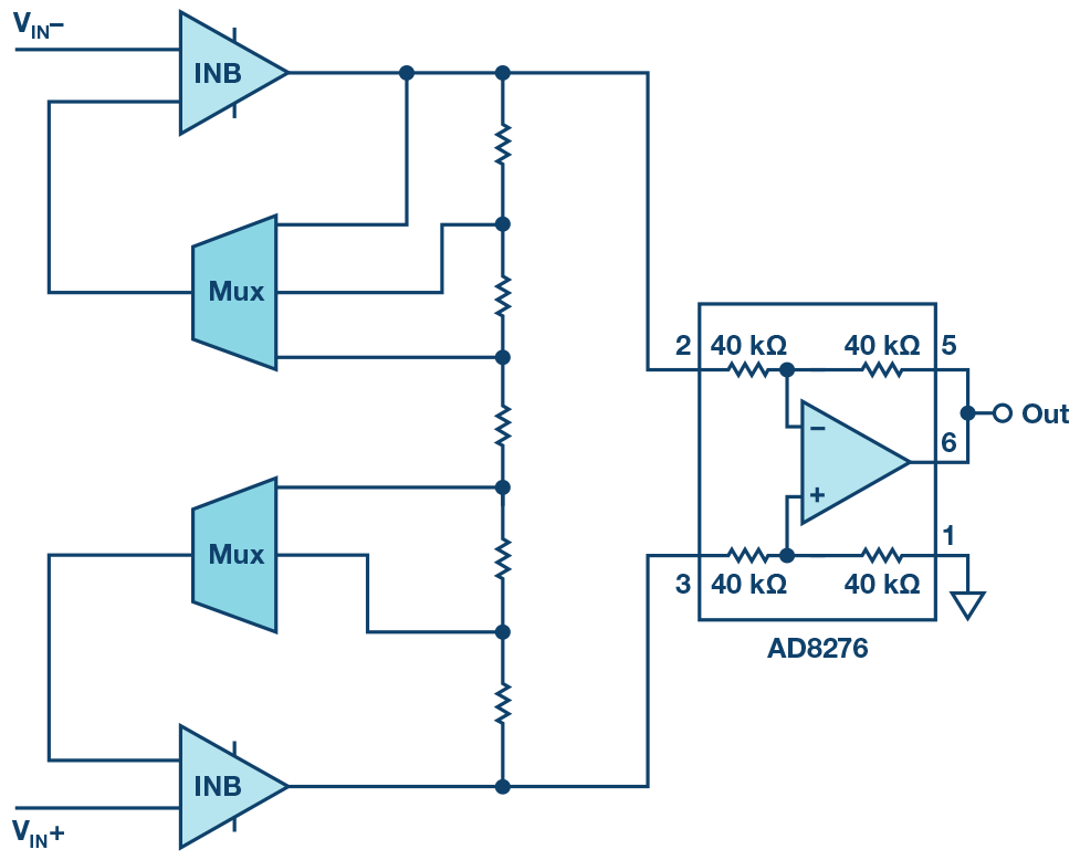
三个运算放大器仪表放大器的第二级负责抑制共模电压。建议在此阶段使用集成电阻网络的差动放大器,以确保最佳CMRR。对于单端输出和相对低带宽的应用,AD8276是一个不错的选择。如果需要差分输出和更高带宽,可以使用AD8476。第二级的另一种选择是将 LT5400 用作标准放大器周围的增益设置电阻器。虽然这可能会占用更多的电路板空间,但这再次为您提供了更大的放大器选择灵活性,从而能够围绕特定的设计要求进行更多设计。
应该注意的是,在离散PGIA的布局中需要小心。电路板布局中的任何不平衡都会导致CMRR随频率下降。
下表总结了每种方法的优缺点:
| 方法 | 优势 | 弱点 |
| 综合PGIA认证 |
最少的设计工作量 针对良好的交流和直流性能进行了优化 保证 CMRR 性能 需要更小的电路板空间 单组分解决方案 |
选择有限 |
| 平衡配置(带开关的仪表放大器) | 与分立式 3 运算放大器仪表放大器相比,设计工作量最小 |
如果设计不当,容易出现不稳定 与分立式 3 运算放大器仪表放大器相比,仪表放大器的选择更少 开关的导通电阻会导致增益误差和漂移 |
| 带多路复用器的间接电流反馈 |
与分立式 3 运算放大器仪表放大器相比,设计工作量最小 易于配置 开关的导通电阻不会造成增益误差和漂移 |
有限的输入范围 灵活性较低,可用的 ICF 仪表放大器数量较少 |
| 分立式3运算放大器仪表放大器 |
最灵活,因为与仪表放大器相比,运算放大器的选择更多 高度可配置 — 可包含滤波、差分输出等。 开关的导通电阻不会造成增益误差和漂移 |
需要更多组件 更多电路板空间 实现关键规格所需的设计工作量要高得多 |
分立式PGIA设计示例
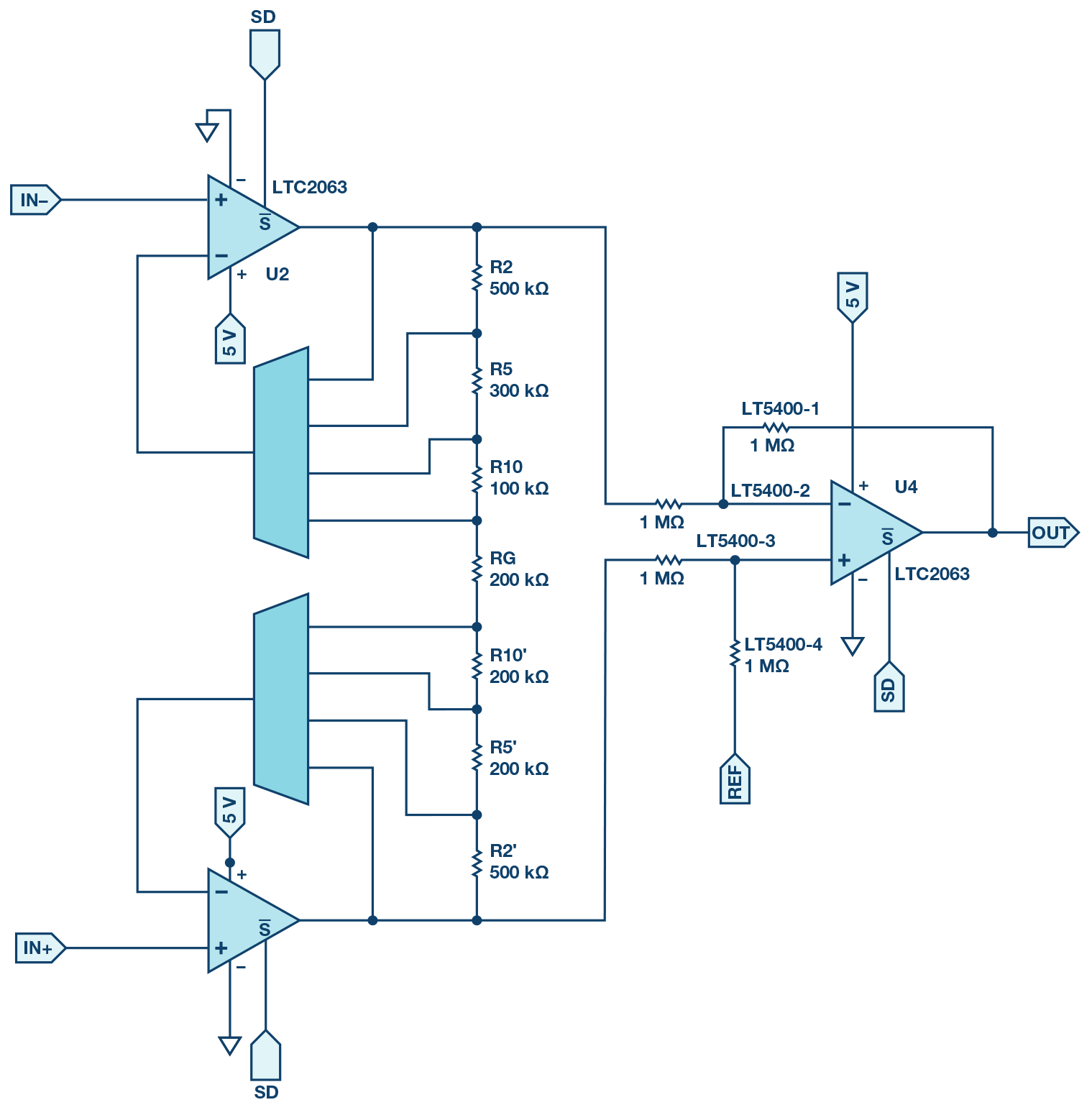
图9给出了为特定设计规范构建的分立PGIA示例。在这种设计中,PGIA应该以非常低的功耗构建。对于输入缓冲器,选择 LTC2063 是因为其电源电流仅为 2 μA(最大值)。对于开关元件,选择ADG659是因为其电源电流(最大值为1 μA)和低输入电容。
在选择电路中的无源元件时也需要小心——这些元件的选择也需要满足低功耗要求。不适当选择无源器件将导致更大的电流消耗,从而抵消使用低功耗元件的影响。在这种情况下,增益电阻需要足够大,以免消耗过多电流。所选电阻值设置为提供1、2、5和10的增益,如图9所示。

图9.低功耗PGIA设计。
对于第二级差动放大器,LTC2063与LT5400四通道匹配电阻网络(1 MΩ选项)配合使用。这确保了消耗的电流最小,并且由于电阻的精确匹配而保持CMRR。
该电路采用5 V电源供电,并采用不同的共模电压、差分输入电压和增益进行评估。在基准电压源和输入保持在中间电源的最佳条件下,电路仅消耗4.8 μA电流。
由于流过增益电阻的电流由|给出,因此在变化的差分输入下,预计电流会增加一些V外– V裁判|/(2 兆安||1 兆安)。下面的图10显示了不同增益下的电流消耗。获取有关输出的数据以考虑收益。

图 10.电源电流超过输出电压。
当对输入施加不同的共模电压时,预计电流也会进一步增加。施加的电压将导致电流流过第二级的电阻器,从而导致额外的电流消耗。这是由|给出的V厘米– V裁判|/1 MΩ。LT5400选择1 MΩ电阻是专门为将这种情况降至最低。下面的图11显示了共模电压对不同增益下消耗的电流的影响:

图 11.电源电流超过共模电压。
电路的静态电流也在关断模式下测量。当所有元件关断时,电路仅消耗180 nA电流。即使共模电压、基准电压源和差分输入等变量发生变化,只要它们都保持在电源范围内,也不会改变。所有组件都有断电选项,以防需要节省额外的电源,并且用户想要进行电源循环。在便携式电池供电应用中,该电路将非常有用,否则集成PGIA将无法实现关键规格。
结论
可编程增益仪表放大器是数据采集领域的关键元件,即使在传感器灵敏度变化的情况下也能实现良好的SNR性能。使用集成PGIA可以缩短前端的设计时间并改善整体直流和交流性能。如果有符合要求的集成PGIA,则通常应在设计中首选集成PGIA。但是,当系统要求要求规格是可用的集成选项无法达到的时,可以设计一个分立的PGIA。通过遵循正确的设计建议,即使采用分立方法也可以实现最佳设计,并且可以评估各种实现以确定特定应用中的最佳配置。
全部0条评论
快来发表一下你的评论吧 !