随着成本的上升和客户对更小、更远距离产品的需求,弹药系统正迅速变得像其他工程领域一样受到成本限制。为了在飞行中有效地驱动和控制这些弹药,小型控制致动系统(CAS)进行小的精确调整,以放置鳍片并调节身体上的气流。传统上,这些系统是气动的或通过带齿轮箱的有刷直流电机驱动,但包括无刷直流电机 (BLDC) 在内的电机驱动器的现代进步使更小、更轻、更便宜和更高效的 CAS 设计成为可能。然而,这是以增加驱动 BLDC 三个阶段的系统复杂性为代价的。
增加的复杂性来自许多来源。首先,传统的有刷直流电机只需要一个H桥,而BLDC需要三对独立的MOSFET来驱动相位。这增加了少量成本,并且需要在PCB上增加土地面积。驱动这些 MOSFET 时,必须注意避免电流直通,如果顶部和底部同时使能,电流可能会破坏 MOSFET。必须特别注意在脉冲宽度调制(PWM)的顶部和底部驱动线之间插入的死区时间。
从软件的角度来看,常规有刷电机可以使用简单的PID回路进行控制,而BLDC则需要更先进的回路和换向策略 - 通常测量绕组电流,相电压,转子角度和速度。
无刷直流电机的建设
BLDC 是定子上的电磁铁集合,在可移动转子上连接永磁体。电机可以是内转子(线圈内部的磁铁)或外转子(线圈外部的磁铁)。图 1 显示了 BLDC 内转子和外转子。在这两种情况下,导线的三相(U,V,W或A,B,C)缠绕在定子中的齿上。这些绕组按顺序通电以吸引和排斥永磁体(红色/蓝色)。

图1.内转者与外转者。
标准微处理器或DSP不具有直接充分激励线圈的电流驱动强度,因此通常使用由MOSFET(每相两个)组成的功率逆变器级将PWM驱动器从控制接口转换为电机所需的高压驱动器。
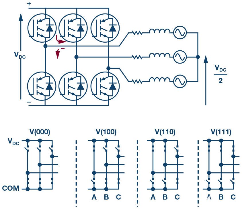
通常,三相逆变器使用六个N沟道MOSFET(参见图2的顶部),其产生图2底部所示的开关状态。有几种开关状态未显示:001、010、011 和 101。1 表示前三个 MOSFET 中的一个已启用。这些状态映射到状态空间表示形式,如图 3 中的六个扇区所示。通过打开和关闭开关,施加到绕组的电压最高可达 2/3 × V直流.该策略的自然延伸是将PWM应用于每对MOSFET。通过改变PWM波形的占空比,绕组中产生的电压可以根据PWM发生系统的分辨率产生宽范围的电压。

图2.三相逆变器和开关状态。

图3.在状态空间中切换表示并拆分为扇区 I 到扇区 VI。
如果没有PWM,一个非常自然的换向策略是简单地为串联的每对绕组通电(即块换向或六步换向)。对于这种策略,将一个或两个相位拉高,而其余绕组被驱动为低电平。通过按顺序激励相位,转子上的磁铁被拉到每个相位,转子开始旋转。为了确定要激励的相位,三个霍尔效应传感器通常安装在定子上,相距 60 度。霍尔效应传感器检测每个转子磁体并生成 3 位数字序列,用于确定下一个换向区域。虽然此策略适用于低成本电机控制系统,但该策略在低速时会受到转矩脉动的影响。此外,如果电机用于定位/伺服应用,这种转矩脉动会产生噪声并引入位置误差。1
正弦换向的工作原理是将定子电流与 BLDC 中的定子磁通对齐。BLDC 根据通过绕组的梯形电流移动。这些电流中的每一个都应该是120°的异相。永磁同步电机 (PMSM) 类似于 BLDC,但需要正弦电流来驱动。如何驱动永磁同步电机的框图如图4所示。通过使用速度传感器或使用基于位置轴传感器和电机参数的估计来实现简单的速度控制。正弦驱动在低速时效果特别好,但在高速时会崩溃,因为所需正弦波的电频率也必须随着速度的增加而增加。在更高的速度下,电机需要更高的扭矩,这会给相电流带来滞后。2为了在更高的速度下正确控制,通常必须引入相位提前,以保持扭矩和磁通矢量正确对齐。

图4.永磁同步电机的正弦驱动。
为了克服这个问题,可以实现一种称为磁场定向控制(FOC)的更先进的控制方案。与其他换向策略一样,FOC可以实现无传感器,根据绕组产生的反电动势估计位置和速度,也可以使用位置和电流传感器进行传感器。FOC的基础是控制进入电机绕组的扭矩和磁通矢量。这些矢量的产生来自电机所需的速度输入。
利用电机的电气和机械常数(转动惯量、摩擦系数、定子绕组的电感和电阻以及反电动势常数),图 5 中的 PI 回路将所需速度转换为直流量。为了控制电机的电气循环,必须将这些量转换为转子的参考系(图6)以产生Vα和 Vβ使用公园变换。FOC 的下一步是转换 Vα和 Vβ将PWM值发送到PWM逆变器单元。通常,正弦调制方案(SPWM)或空间矢量调制方案(SVPWM或SVM)用于此过程。

图5.FOC 框图。

图6.FOC中控制参数的转换。
如前所述,通过控制功率逆变器内MOSFET的开关,可以创建空间矢量表示,如图3所示。相邻单元矢量之间的空间被编码以产生 1 到 6 之间的扇区,以对应于换向电循环的六个开关扇区。图3中扇区1的特写如图7所示。电压矢量V裁判由电压矢量 V 组成α和 Vβ,角度 θ 是 V 的反切线d除以 Vq.3图 7 显示 V裁判可以使用两个相邻的单位向量(V1和 V2),并在每种状态下花费特定的时间(对应于占空比)。该占空比可以通过使用类似于从矢量数学推导出的方程来计算(见图8)。

图7.状态空间的扇区 1。
U、V、W 矢量方程计算

图8.参考向量的扇区时间。
从图7中的公式中,PWM时间可以通过使用归一化时间1.0(等于完整的100%占空比)并减去Tn和 TN+1.扇区可以通过其他计算来确定,如图 9 所示。

图9.部门确定。
一旦计算出占空比并发送到控制器的PWM模块,就可以实现使用FOC的开环控制。现在必须集成反馈以实现闭环控制。如图4所示,三个绕组的电流使用逆克拉克变换和逆公园变换进行测量和变换。为了测量这些电流,可以使用几种不同的策略:与每个相位绕组一致的分流检测、底部三个 MOSFET 和接地之间的单个低端分流、每个 MOSFET 下方的相位分流到地,或每个顶部 MOSFET 和 V 之间的高压侧分流直流.如果设计成本受限,则使用两个与绕组对齐的分流器的方法可以提供良好的测量,因为这提供了一种直接测量两个绕组电流的直接方法。第三个电流可以使用基尔霍夫电流定律和 0 之和来计算。另一个好处是,可以随时测量电流,而不仅仅是在使能底部或顶部MOSFET时测量。测量这些电流后,应使用分流系统可测量的最大电流将其归一化为[–1,+1]的范围。
对于位置和速度检测,可以使用编码器(相对或绝对)、霍尔效应传感器、旋转变压器或磁性角度传感器。但是,根据传感器的分辨率,可能需要对位置和速度进行额外的估计方案。无论采用何种技术,都必须将测量的角度转换为电角度,以使换向与实际转子位置同步并启用转子变换。角速度也必须知道,但这通常保存在机械域中以匹配所需的输入速度。
在已知转子的实际位置和速度的情况下,可以执行反向/反向停车和克拉克变换,以将相电流从静止定子参考系转换为d,q参考系中的旋转参考系。产生的电流和速度误差项的PI环路产生误差向量,然后反馈到正向Park和Clarke变换中,控制过程可以重复。
那么这个过程应该以多快的速度重复呢?答案因电机特性而异。PWM频率通常选择在听觉范围(15 kHz至30 kHz)之外,这样电机就不会发出共振。然后,在PWM中断服务例程中实现FOC和所需的控制环路,以便PWM的新值可用于下一个PWM周期。这给FOC例程带来了严格的时序限制,因为维护PWM中断所花费的任何时间都不会花费在维护控制处理器的其他方面(例如基于PC的程序的串行接口)上。PWM 频率为 30 kHz 时,每个 PWM ISR 仅为 33.3 μs。所以每一微秒都很重要!必须注意尽量减少正弦、余弦和其他浮点计算的计算开销。通常,最好将FOC例程保持在可用PWM ISR时间的50%以下,以便处理器可以为UART等其他外设提供服务,以执行不太重要的任务,例如更改所需速度或设置新位置。
选定的组件
鉴于实施FOC已经很复杂,仔细选择器件有助于最大限度地减少额外的系统集成挑战。ADI公司为电机控制信号链提供多种器件。这些器件包括栅极驱动器、绝对角度和霍尔效应传感器、电流传感器和隔离产品。
电机控制信号链组件的简单框图如图10所示。在高水平上,BLDC轴的位置和速度由ADA4571 AMR角度传感器和AD22151磁场传感器检测。相位绕组电流使用串联分流电阻测量,AD8418电流检测放大器消除PWM共模电压。LTC®2345-18 8× 18 位 ADC 将来自传感器的 6 个模拟电压转换为微控制器的数字领域。微控制器使用这些信号来计算PWM占空比,并将其发送到硬件定时器。LT®1158 MOSFET 驱动器充当功率逆变器的 6 个 MOSFET 的栅极驱动器。

图 10.电机控制信号链框图
LT®1158 是一款集成式半桥 N 沟道 MOSFET 驱动器。虽然电源范围为5 V至30 V dc,但输入PWM波形逻辑可以接受TTL或CMOS电平。此外,单个PWM输入被转换为高电平和低电平MOSFET驱动信号,同时芯片自动插入一个自适应死区时间。这意味着PWM频率可以动态变化,并且自动插入死区时间,以保护MOSFET免受电流击穿的影响,而无需更改PWM定时器代码或寄存器。

图 11.LT1158 双通道 N 沟道 MOSFET 驱动器。
ADA4571集成各向异性磁阻(AMR)传感器能够测量180°旋转至0.5°以内。该传感器采用2.7 V至5 V单电源供电,启用温度补偿时功耗仅为7 mA。该传感器的输出是两个模拟正弦波(V罪/ 5因为) 以 2.5 V(5 V 电源)为中心。一次电压V的电压罪和 V因为数字化后,可以通过简单的公式将其转换为角度:


图 12.ADA4571 AMR 传感器。
为了测量360°绝对旋转,ADA4571可以与线性输出磁场(霍尔效应)传感器(如AD22151)结合使用。AD22151采用5 V单电源供电,输出与垂直于封装的磁场成线性比例的电压。正常工作期间,该器件最大功耗为10 mA,可以检测具有不同增益量的双极性或单极性磁场。该传感器的优点是模拟输出电压,可以很容易地添加到已经测量模拟量的系统中,例如电流传感器输出或额外的模拟角度传感器。通过将AD22151垂直于ADA4571放置,可以在软件中将输出融合在一起,从而检测轴安装径射磁体的360°运动。
与角度传感器一样,传感器 FOC 还需要精确测量通过 BLDC 的相电流。AD8418是一款双向零漂移电流检测放大器,非常适合该任务。这款外部分流放大器在整个温度范围内以20 V/V的增益工作,共模抑制范围为–2 V至+70 V。该放大器还检测通过分流器的双向电流,这在测量 BLDC 的相电流时特别有用。该器件设计为在电源电压 V 下工作S介于 2.7 V 和 5 V 之间,模拟输出电压以 V 为中心S/2.如果选择5 V电源,则输出以2.5 V为中心,与ADA4571一样。

图 13.AD8418电流传感器
使用模拟输出传感器时,必须将结果转换为数字域。虽然存在多个 ADC,但由于具有 8 个同步采样通道,LTC2345 特别适用于电机控制。采样同步到转换线上的单个上升沿。然后,相电流和绝对角度传感器输出可以在中心对齐的PWM期间同步到同一时刻。5 V单电源供电简化了电源设计,同时功耗仍低于20 mA。一个单独的数字逻辑输出电压允许 LTC2345 连接至较低电压的微控制器、处理器或 FPGA。由于模拟输入范围的灵活性,位置和电流传感器的2.5 V失调可以通过使用(IN–)模拟输入通道在硬件中自动消除。根据所需的采样吞吐量,可以使用 SDO 输出以不同的时钟速率从 LTC2345 时钟输出数据。

图 14.LTC2345 框图。
结论
随着 BLDC 在控制致动系统中的日益普及,需要更先进的算法、传感器和驱动电路。正弦和 FOC 是两种换向策略,可提供对 BLDC 的精确控制。这两种策略都需要精确测量 BLDC 的转子角度,如果没有合适的组件,这可能很困难。但是,ADA4571和AD22151简化了这种测量。LT1158 通过减少 PWM 线路和消除死区时间计算,简化了 BLDC 三相的 PWM 驱动线路。AD8418 简化了绕组电流,LTC2345 可轻松数字化并同步多个模拟传感器输出。这些器件仅占ADI公司电机控制应用产品组合的一小部分。
审核编辑:郭婷
全部0条评论
快来发表一下你的评论吧 !