红色、绿色和蓝色 (RGB) LED 可用于 建筑和舞台照明系统创建 明亮投射的颜色 - 有时使用白色 LED 添加到 RGB 混合中以扩展色调的颜色范围, 饱和度和亮度。无论 颜色分量的数量,每个分量的亮度 必须精确控制组件颜色才能实现 可预测的颜色,或补偿颜色差异 在发光二极管中。可用颜色的数量取决于 关于每个可分辨亮度级别的数量 组件颜色。一些系统提供更低的分辨率 到 1/256(8 位)的全亮度。更高的分辨率是 可能并产生更多的颜色(图2)和控制。

图2.我2C 控制的 LT3964 RGBW LED 驱动器可为舞台或建筑照明装置中使用的高功率 LED 实现前所未有的色彩控制。驱动程序解决方案通常提供 8 位颜色分辨率。基于 LT3964 的解决方案可实现 13 位色彩分辨率 — 使用本文所述的直观降压驱动器设置轻松实现。
最准确的控制方法 宽 LED 亮度范围采用 PWM 调光控制。LED 驱动器具有 内部PWM调光时钟和数字 寄存器(用于设置调光比)为 RGBW 系统的最佳选择。为 大型和复杂的系统 - 那些 具有许多不同的组件 RGBW LED — 串行通信总线 启用这些寄存器的即时设置 在数字增强型 LED 驱动器中。
图 3 显示了两种驱动方式和 变暗的 RGBW 指示灯。第一种,矩阵LED 调光器解决方案,直到最近, 数字控制高功率的最佳方式 RGBW LED 阵列与。第二个,一个 “直驱”解决方案,是一种更准确, 高效、低纹波的解决方案 四个独立的数字增强型 LED 驱动程序,每种颜色(R、G、B 和 W)一个。

图3.为大型 RGBW LED 阵列供电和控制颜色(元件调光)的两种方法:(a) 使用 LT3965 的矩阵调光器与 (b) LT3964 直接驱动解决方案。LT®3964 非矩阵解决方案具有改进的颜色控制、解决方案效率和更低的纹波。
在这样的系统中,每个单独的LED的LED电流或PWM调光或 灯串由其自己的 LED 驱动器驱动,并且 控制信号如图2所示。在 矩阵调光器解决方案,单个 LED 调光器控制 PWM 电流高达 到八个指示灯。增加的要求 该系统是高压线和 低输出电容降压LED驱动器至 驱动指示灯串。高压 铁路可能需要额外的提升 稳压器和 LED 电流(来自 低输出上限降压)可能具有高纹波。
大量照明系统 的 RGBW LED 需要大量 驱动程序数和同步 向这些驱动程序发送的控制信号。 最高性能的方法是 直接控制每个组件 LED 配备自己的高性能 LED 司机。在这种方法中,PWM调光 以及每个直流电流和电压, 每个,LED都可以控制 最少的纹波和最大的 可 预见性。这种类型的系统很容易 使用 LT3964 双降压型实现 通过串行总线控制的 LED 驱动器。
双降压 LED 驱动器,带 I2C 调光控制
LT3964 双通道降压型 LED 驱动器 我2C 控制和报告是理想的 用于驱动多个 LED 或 具有高电流和高带宽的 LED 串 — 通过串行通信。 降压稳压器本质上是 高带宽,并具有两个36V, 2MHz,同步和高频 采用单封装的降压 LED 驱动器, 带集成 2A 开关,使 驱动多个大电流通道 使用 LT3964 时相对容易使用 LED。
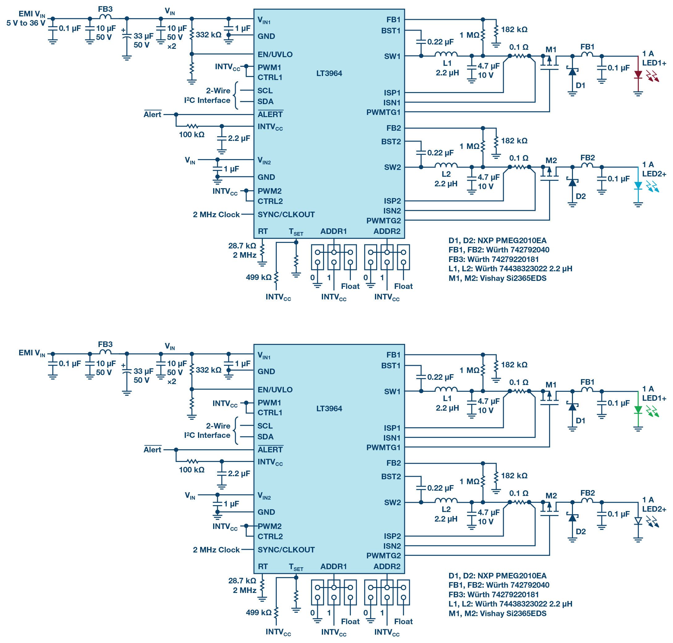
这 我2C 串行通信能力 简化模拟和 PWM 调光 用于两个独立的大电流 LED 每个 LT3964 支持的通道,具有 多达 8 个不同的 LT3964 地址 单 I2C总线。例如,2MHz 双通道 1A 降压 LED 驱动器示例电路 图4中的高效率和 非常小的尺寸。它可以改变为电源 每个通道高达 30V 的 LED,来自 34–36V 输入(如数据手册所示),具有 效率大于90%。

图4.2 MHz双通道1 A(或更多)降压LED驱动器演示电路DC2424A具有高效率和紧凑的布局。如数据手册所示,可以将其更改为从34 V至36 V输入为每通道高达30 V的LED供电,效率超过90%。
13 位 RGBW 颜色控制
两个 LT3964 驱动器足以 驱动单个或一串 RGBW 1A(或更高)的 LED,如 图5.虽然 RGBW 颜色是 通常使用 1:256、8 位控制 分辨率,LT3964 可以实现 高达 1:8192、13 位、PWM 调光 对于每个通道,结合 1:10 模拟调光 — 全部由 I 控制2C.

图5.两个LT3964驱动器可以一起使用,以超过1 A的电流驱动单个或一串RGBW LED。每种 RGBW 分量颜色都受调光分辨率(通常为 1/256 或 8 位分辨率)的限制。基于 LT3964 的解决方案可提供更高的分辨率,可实现高达 1/8192 或每个通道的 13 位 PWM 调光,并结合 1/10 模拟调光 — 全部由 I 控制2C.
这种直接驱动方法允许 组件 RGBW LED 在 亮度和电压 — 每个通道 完全独立。在此示例中, 单个 Cree RGBW LED 由四个 LT3964 通道,每个通道具有 1A 输出。 通过一些数字寄存器更改, 亮度和颜色控制扩展为 远至 1:8192 PWM 调光和 1/10 模拟调光可以为每个红色、绿色、蓝色和白色 LED 提供。这 唯一真正的颜色限制是 LED 他们自己。事实上,拥有这么多 对颜色混合的控制允许 如果需要,可以对 LED 进行颜色校正。
易于同步,适用于大型阵列和低纹波操作
集成同步电源 开关和 2MHz 开关频率 导致解决方案尺寸非常小,具有 小型电感器和陶瓷输出电容器 对于每个 LED 通道。《克利库特》 LT3964 的 SYNC 引脚允许两个 IC 进行同步,防止不必要的节拍 频率,并保持统一的定时 通过串行通信进行PWM调光。 这消除了对 两个IC均采用外部时钟 时钟源,简化解决方案。
图6显示了低纹波输出 此 4 通道、2 IC 解决方案的电流 与上面提到的更高纹波矩阵LED调光器解决方案形成鲜明对比。 显然,非矩阵,直接驱动 LT3964 解决方案提供更清洁的 LED 电流波形比矩阵调光器 具有较高纹波含量的解决方案 由于输出电容小。

图6.与纹波矩阵较高的 LED 调光器解决方案相比,4 通道、双通道双降压 LED 驱动器解决方案具有低纹波电流。LT3964 的 LED 电流波形比调光器解决方案更清晰。
灵活、直观的降压方案
LT3964 具有足够的灵活性,可以支持 需要四种以上颜色的系统 组件。RGB(W) 的色域 LED 如图 7 所示。当更宽 需要颜色范围,两个额外的 LED 元素,如琥珀色、更多绿色或 甚至可以添加青色 LED。要开车 附加组件颜色,简单 将另一个 LT3964 连接到同一 I2C总线。

图7.可见色域包括 RGB 色域中不可用的颜色。当需要扩展范围时,只需将一个LT3964连接到同一I上,即可添加两个额外的LED元件,例如琥珀色、额外的绿色甚至青色LED。2C总线。
并非所有 RGBW 混色 LED 系统 使用单片 RGBW LED 芯片。在 一些系统,单独的红色字符串, 绿色和蓝色 LED 内置于 更大、更亮的灯具。指示灯串 可以驱动不同的电压 通过每个 LT3964 降压通道,作为 只要 LED 灯串电压保持不变 低于输入电压。向上的字符串 至 30V 的 LED,1A 或更大电流 由单个 LT3964 通道驱动。
我2C 串行通信
有两个控制选项 利用 LT3964 实现模拟和 PWM 调光 指示灯驱动器。一种选择是直接开车 带外部电压的调光引脚 不使用串行总线。在非 I 中2C 模式,CTRL1 和 CTRL2 引脚为 由可调直流电压驱动,用于 LED 和 PWM1 和 PWM2 引脚由 占空比对应的脉冲信号 到 LED 的 PWM 调光亮度。在这种方法中,LED的 PWM 频率同步到 PWM 引脚输入和 LED 亮度 与 LED 电流占空比匹配 PWM 引脚输入脉冲。在较大的系统中, 生成 PWM 和 模拟调光输入信号,适用于大信号 通道数可能很复杂。
第二个,可能更有效 方法正在使用串行通信 巴士,如我2C 控制每个 LED 通道或字符串。简单的 2 线 I2C总线用于控制的功能 来自单个的八个不同的从设备 主设备,如小型微控制器。 以高达 400kHz,I2C总线主站只需要 生成三个字节以更新每个字节 LT3964 从站上的 9 个寄存器 设备。有四个PWM寄存器,两个 模拟调光寄存器,状态使能 用于设置故障的寄存器,状态寄存器 用于读取错误和配置 注册一些全局函数。I 的三个字节2C 写入命令 包括地址、子地址和 数据字。图 8 演示了 不同的我2C 使用的书写和阅读单词 在 LT3964 串行通信中。

图8.The LT3964 I2C 串行通信使用标准 I2C 书写和阅读单词。
LT3964 具有 13 位 (1:8192) PWM 使用 I 的调光能力2C. 脉宽调制 调光占空比和频率 通过写入两个PWM进行设置 每个通道的调光寄存器为 如图 9 所示。图 10 显示 得到的 ILED 波形。这很容易 最多可更新 16 个不同的频道 (每个频道和八个地址 总计)与快速系列的 I2C 写道。

图9.LT3964 具有 13 位 (1:8192) PWM 调光能力,具有 I2C. PWM调光占空比和频率通过写入每个通道的两个PWM调光寄存器来设置。此处,通道 2 设置为 1:8192 调光,而通道 1 设置为 128:256 模拟调光。

图 10.我发光二极管波形显示 1:8192 调光。
除了PWM调光控制, 每个通道具有一个 8 位模拟 调光寄存器,可更新 使用单个写入命令。模拟 调光,如果调用,通常只使用大约 1/10 调光。更多 通常,PWM调光专门用于 对于 RGBW 颜色混合 - 这就足够了 实现准确且可重复的颜色 无需添加模拟调光即可创建。 然而,在需要 扩展控制,直流 LED 电流调节 是一个有用的工具,可以在盒子里。
其他 I2C 寄存器包括故障保护 设置和阅读。The LT3964 可以通过其报告每个通道的故障 警报引脚和我2C 状态寄存器。这 仅当状态 寄存器单独启用,并且 出现故障。开放式指示灯,短 LED、过流和过压 两个通道的反馈故障都可以 启用、报告和读取(图 9)。 也可以禁用和忽略它们。 故障保护可能是一个关键部分 任何串行通信系统。
2MHz 演示电路和 QuikEval
很容易生产原型和 评估具有I2C. ADI公司创建了一个演示 电路,包括图形 用于测试串行的用户界面 (GUI) 通信。该系统使用 奎克埃瓦尔™通过Linduino One演示连接到PC时的程序 电路 (DC2026C) 通过 USB 实现。快速入门 连接和评估指南 包括 LT3964 演示电路 DC2424A 在演示手册中 电路。简而言之,当连接到 USB 时 通过DC2026C (Linduino)LT3964 演示电路串行通信可以 一次评估一个命令。®
图 9、11 和 12 显示了易于使用的 LT3964演示电路的GUI页面。上 每个页面,都可以设置寄存器元素, 然后通过 I 更新2C 串行总线。这 模拟和PWM调光寄存器可以 针对每个频道以及 状态启用位,全局配置 寄存器,并且状态启用位。为 每个我2通过总线发送的 C 命令, 界面显示地址、子地址、 和生成的数据位。寄存器 也可以通过 GUI 读取命令读回。如果在 测试时,GUI 显示警报信号 在左上角(图 13)和步骤可以 被采取来检查性质 故障并通过 状态和状态启用寄存器。

图 11.LT3964 DC2424A 演示电路可通过 QuikEval 采用一个自由 GUI 进行控制。在每个页面上,可以设置寄存器元素,然后 I2按下按钮即可通过USB和Linduino DC2026C演示电路发送C写或读命令。可以为任何地址设置IC地址位,并且GUI可以同时与多个LT3964 IC通信。

图 12.我2C 寄存器包括故障保护设置和读取。LT3964 可通过其报警引脚和 I 报告每个通道的故障2C 状态寄存器。仅当状态寄存器单独启用且发生故障时,才会报告故障。可以启用、报告和读取两个通道的开路 LED、短路 LED、过流和过压反馈故障。也可以禁用和忽略它们。

图 13.可以连接两个现成的 DC2424A 演示电路,并用于驱动 RGBW LED 或带状电缆的 LED 串,用于 I2使用 GUI 和 Linduino 的 C 控件。
在单个 RGBW 系统中,有两个 需要单独的 IC 地址(用于四个 LED 组件)在 I 上2C总线。默认情况下, GUI 将所有命令发送到默认值 地址“1100”,但可以更改。 地址显示在右上角 每个页面,可以通过单击进行更改 在数字上。因此调光和 多达八个地址的状态寄存器 可以控制和读取 使用图形用户界面。此外,数字 GUI的单词页面允许用户 输入任意三个地址,子地址 和数据字手动发送 作为我2C 命令。用户可以查阅数据表或其他页面 用于生成读取和写入的 GUI 命令,以串行形式显示 屏幕底部的数据记录。
图 13 显示了绑扎的难易程度 以及两个现成的DC2424A演示 带状电缆的电路,用于I2C 控制 使用 GUI 和 Linduino。The SDA 和 SCL 2 线 I2C 行共享在 总线和警报信号连接 连同林杜伊诺带状电缆。 每个 LT3964 的 ALERT 引脚是一个 集电极下拉开路,使主控 可以检测何时存在故障 在任何 IC 上。发生这种情况时,GUI 在 左上角。一旦系统故障 由主微控制器检测到, 遵循警报响应协议 检测和/或清除故障。
故障检测和协议
LT3964 具有广泛的故障保护功能。 它平稳地处理打开和 指示灯串短暂故障。它可以 还可以处理过流故障 输出,不一定短 电路。当这些故障发生时, LT3964 的警报故障标志断言。 当在同一总线上共享时,警报 当系统中的任何 LT3964 时,总线线被拉低 (置位) 经历失败。我2C 通信 可用于定位IC 先有故障,再诊断 故障本身。故障类型 可以断言可以设置警报标志 在状态启用寄存器中。一个 故障,如短路 LED 或 LED 过流 可以在此处启用或禁用。
在警报断言之后,广播 READ 命令用于轮询从站 用于找出哪个 IC 正在发出警报。 在多个警报的情况下,IC 较低的地址首先发送其地址。 下一步是读取状态寄存器 的错误地址。这应该 提供足够的信息来诊断 故障并清除故障标志。如果故障 标志保持断言,另一个广播读取命令可以检查后续 错误的地址。当故障 地址和状态寄存器具有 已读取,故障状态位可以是 通过向 地址错误。如果故障不明确, 可以报告需要服务, 或者可以通过转动来忽略故障 关闭启用故障的状态位。
结论
LT3964 双通道降压型 LED 驱动器 我2可以使用 C 串行通信 在计算机控制的照明系统中 具有大量高功率 指示灯和指示灯通道。两个 LT3964 是 足以驱动单个 RGBW LED— 或 RGBW LED 串 — 在 1A 时 准确和精确的调光产生 可预测的可重复颜色内容。
使用现成的易于评估 DC2424A 演示电路和免费的 QuikEval 基于 PC 的软件。LT3964 的共享 我2C 2线串行通信总线可以 用于控制多达八个地址 和 16 个切换通道。其广泛的输入 电压范围和紧凑,但功能强大, 集成同步降压 开关可用于高达 30V 的 LED 在每个通道上。开关频率 高达 2MHz 的能力可实现紧凑 设计和小型电感器,重要 当驱动器电路重复时 在整个大型系统中, 具有众多 LED 和频道。
审核编辑:郭婷
全部0条评论
快来发表一下你的评论吧 !