为了支持不断增长的无线数据需求,现代基站无线电 旨在支持多个E-UTRA频段,以及 载波聚合技术。这些多频段无线电采用 下一代GSPS射频ADC和DAC,可实现频率捷变, 直接射频信号合成和采样技术。处理 射频无线频谱的稀疏性质,复杂的DSP 用于有效地处理数据位到 RF 并再次返回。 描述了多频段的直接RF发射器示例 应用,考虑 DSP 配置和功耗与带宽的关系 折衷。
简介 — 10 年、10 × 频段、100× 数据速率
自智能手机革命开始以来已经有10年了,当时苹果在2007年发布了第一代iPhone。10 年和两代无线标准之后,很多事情都发生了变化。也许不像消费者智能手机(称为用户设备(UE))的头条新闻那样迷人,无线接入网络(RAN)的基础设施基站(eNodeB)已经经历了自己的转型,以实现我们现在连接世界的数据洪流。蜂窝频段增加了10×,而数据转换器采样率增加了100×。这会给我们带来什么?®

图1.非连续频谱的载波聚集突出了稀疏频谱问题。红色显示许可的频段。绿色显示带间间距。
多频段无线电和频谱的有效利用
从 2G GSM 到 4G LTE,蜂窝频段的数量激增了 10×,从 4 个增加到 40 多个。随着LTE网络的出现,基站供应商发现自己的无线电变体成倍增加。LTE-advanced通过在混合中添加载波聚合来提高对多频段无线电的要求,从而将同一频段内的非连续频谱或更重要的是不同频段中的非连续频谱作为单个流在基带调制解调器中聚合。
但是,RF频谱很稀疏。图1显示了几个载波聚合波段组合,突出了稀疏频谱问题。绿色表示带间间距,红色表示感兴趣的波段。信息论规定系统不会浪费功率转换不需要的频谱。需要具有在模拟域和数字域之间转换稀疏频谱的有效方法的多频段无线电。
基站发射机向直接射频的演进
为了促进4G LTE网络增加的数据消耗,广域基站在无线电架构上经历了演变。带有混频器和单通道数据转换器的超外差、窄带、中频采样无线电已被基于I/Q的架构所取代,这些架构使带宽翻倍,例如复中频(CIF)和零中频(ZIF)。ZIF 和 CIF 收发器需要具有双通道和四通道数据转换器的模拟 I/Q 调制器/解调器。然而,这些带宽更宽的CIF/ZIF收发器也存在必须纠正的LO泄漏和正交误差镜像。

图2.无线无线电架构已经发展到可以适应不断增长的带宽需求,反过来,通过SDR技术变得更加频率敏捷。
幸运的是,数据转换器采样率在过去10年中也增加了30×至100×从2007年的100 MSPS增加到2017年的10 GSPS+。采样率的提高带来了具有非常宽带宽的GSPS射频转换器,使频率捷变软件定义无线电最终成为现实。

图3.直接射频发射器。AD9172等RF DAC包括精密的DSP模块,带有并行数字上变频通道器,可实现高效的多频段传输。
也许,sub-6 GHz无线电BTS架构的圣杯长期以来一直是直接RF采样和合成。直接RF架构消除了对模拟频率转换器件的需求,例如混频器、I/Q调制器和I/Q解调器,这些器件本身就是许多不需要的杂散信号的来源。相反,数据转换器直接与RF频率接口,任何混频都可以通过集成的数字上/下变频器(DUC/DDC)以数字方式完成。
多频段效率增益以ADI公司RF转换器中包含的复杂DSP的形式提供,允许仅对所需频段进行数字通道化,同时提供完整的RF带宽。使用并行 DUC 或 DDC,它们结合了插值/抽取上/下采样器、半带滤波器和数控振荡器 (NCO),可以在模拟域和数字域之间转换之前对目标频段进行数字构建/解构。
并行数字上/下变频器架构允许您对所需频谱的多个频段进行通道化(图1中以红色显示),而不会浪费宝贵的周期来转换未使用的带间频谱(如图1中的绿色所示)。高效的多频段通道化可降低数据转换器所需的采样速率,以及通过JESD204B数据总线传输所需的串行通道数。降低系统采样速率可降低基带处理器的成本、功耗和热管理要求,从而节省整个基站系统的资本支出和运营支出。在高度优化的CMOS ASIC工艺中实现通道化DSP比在通用FPGA结构中实现更节能,即使FPGA的几何尺寸更小。
带DPD接收器的直接RF发射器:示例
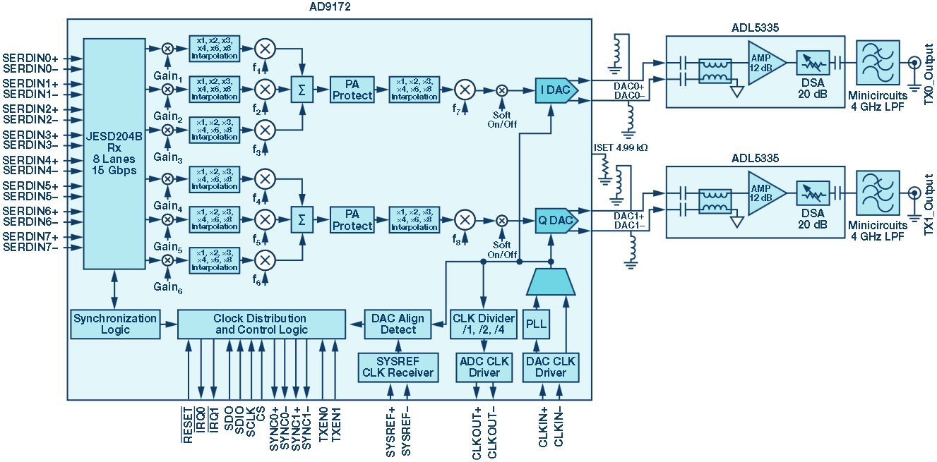
RF DAC已成功取代这些下一代多频段BTS无线电中的IF DAC。图3显示了一个采用AD9172的直接RF发射器示例,AD9172是一款16位、12 GSPS RF DAC,支持具有三个并行DUC的三频段通道化,允许在1200 MHz带宽上灵活放置子载波。在RF DAC之后,ADL5335 Tx VGA提供12 dB增益和31.5 dB衰减范围,最高可达4 GHz。然后,该DRF发射器的输出可以根据eNodeB的输出功率要求驱动所选的功率放大器。
考虑图 4 中所示的频段 3 和频段 7 场景。可以采用两种不同的方法将数据流直接转换为RF。第一种方法(宽带方法)将在不进行通道化的情况下合成频段,需要1228.8 MHz的数据速率。 该带宽的80%产生983.04 MHz的DPD(数字预失真)合成带宽,足以传输两个频段及其740 MHz的带间间隔。这种方法的优点是用于DPD系统,它不仅允许每个载波的带内IMD预失真,还允许所需频段之间的其他不需要的非线性发射。

图4.双频段方案:频段 3(1805 MHz 至 1880 MHz)和频段 7(2620 MHz 至 2690 MHz)。
第二种方法是合成这些频段的信道化版本。由于每个频段分别只有60 MHz和70 MHz,并且由于运营商将仅拥有该带宽子集的许可证,因此无需传输所有内容并因此产生高数据速率。相反,让我们使用更合适、更低的 153.6 MHz 数据速率,其中 80% 导致 DPD 带宽为 122.88 MHz。如果运营商在每个频段拥有 20 MHz 的许可证,则仍然有足够的 DPD 带宽供 5千-分别对每个波段的带内IMD进行阶次校正。通过上述宽带方法,此模式可在DAC中节省高达250 mW的功耗,在基带处理器中节省更多的功耗/散热,并减少串行通道数,从而实现更小、更低成本的FPGA/ASIC实现。

图5.频段3和频段7 LTE使用AD9172 RF DAC通过直接RF发射器传输。
DPD的观测接收器也已发展到DRF(直接RF)架构。AD9208 14位、3 GSPS RF ADC还支持通过并行DDC进行多频段通道化。RF DAC和RF ADC在发射器DPD子系统中的组合具有许多优点,包括共享转换器时钟、相关相位噪声消除和系统的整体简化。其中一种简化是AD9172 RF DAC及其集成PLL能够从低频参考信号生成高达12 GHz的时钟,无需在无线电板周围布线高频时钟。此外,RF DAC可以为反馈ADC输出其时钟的相位相干分频版本。此类系统功能通过创建优化的多频段发射器芯片组,真正增强了 BTS DPD 系统。

图6.用于数字预失真的直接RF观测接收器。AD9208等宽带RF ADC可以在5 GHz带宽上高效数字化多个频段。
总结
智能手机革命十年后,蜂窝业务完全与数据吞吐量有关。单频段无线电已无法满足消费者的容量需求。为了提高数据吞吐量,必须通过多个频段的载波聚合来提供更多的频谱带宽。RF数据转换器可以访问整个sub-6 GHz蜂窝频谱,并针对各种频段组合快速重新配置,使软件定义无线电成为现实。这些频率捷变直接射频架构可降低成本、尺寸、重量和功耗。这一事实使RF DAC发射器和RF ADC DPD接收器成为sub-6 GHz多频段基站的首选架构。
审核编辑:郭婷
全部0条评论
快来发表一下你的评论吧 !