随着互联网和通信基础设施的急剧增长,数字控制技术在电信、网络和计算机的电力系统中越来越受欢迎,因为它们可以提供有吸引力的优势,包括灵活性、减少元件数量、先进的控制算法、系统通信、对外部噪声的低敏感性和参数变化。数字电源广泛应用于高端服务器、存储、电信砖模块等。对于这些应用,通常需要隔离。
数字电源中隔离的挑战在于以快速、精度和紧凑的尺寸跨越隔离栅发送数字或模拟信号。1然而,传统的光耦合器解决方案具有低带宽和电流传输比(CTR),这会导致温度随温度变化很大,并随时间问题而退化。变压器解决方案还存在体积尺寸、磁饱和问题等。这些问题限制了光耦合器或变压器在一些高可靠性、紧凑尺寸和长寿命应用中的使用。本文讨论数字隔离技术,以解决ADI公司i耦合器产品在数字电源设计中的这些问题。
为什么需要隔离
在设计电源时,遵守安全标准对于保护操作员和其他人员免受电击和危险能量的影响至关重要。隔离是满足安全标准的重要方法。隔离要求规定了不同级别的输入和输出电压 - 稳态和瞬态 - 由世界各地的许多机构提供,如欧洲的VDE和IEC以及美国的UL。例如,UL60950中引入了五类绝缘:
功能性绝缘:仅对设备正常运行所必需的绝缘。
基本绝缘:绝缘层提供基本的防触电保护。
补充绝缘:除基本绝缘外,还应用了独立绝缘,以降低基本绝缘发生故障时的触电风险。
双重绝缘:包括基本绝缘和补充绝缘的绝缘。
加强绝缘:提供一定程度的防触电保护的单绝缘系统,在本标准规定的条件下相当于双重绝缘。
初级侧控制和次级侧控制比较
根据控制器的位置,隔离电源控制方法分为两种:一次侧控制和二次侧控制。表1显示了初级侧控制和次级侧控制之间的功能比较。UVP 和 OVP 分别代表下表中的欠压保护和过压保护。
| 功能 | 初级侧控制 | 二次侧控制 |
| 开 | 需要直接或简单的直流稳压电源为控制器供电 | 需要辅助隔离电源为控制器供电 |
| 栅极驱动 | 初级侧开关的栅极驱动器不需要隔离;同步整流栅极驱动器需要隔离 | 同步整流器的栅极驱动器不需要隔离;初级侧开关的栅极驱动器需要隔离 |
| 输入输出脉冲/过压保护 | 不需要隔离 | 需要隔离 |
| 输出脉冲/过压保护 | 需要隔离 | 不需要隔离 |
| 控制回路 | 需要隔离控制环路来调节输出电压 | 不需要隔离控制回路 |
| 系统通信 | 需要隔离 | 不需要隔离 |
| 远程开/关 | 不需要隔离 | 需要隔离 |
二次侧控制
ADP1051是ADI公司的先进数字电源控制器,内置PMBus™接口,面向中间总线转换器等高功率密度和高效率应用。2ADP1051基于灵活的状态机架构,提供许多吸引人的特性,如反向电流保护、预偏置启动、恒流模式、可调输出电压压摆率、自适应死区时间控制和片内伏秒平衡,与模拟解决方案相比,减少了大量外部元件。通常,ADP1051更常用作副边控制,因为它很容易与系统通信。因此,同步整流器的PWM信号和V等信号外传感不需要跨越隔离边界即可与系统通信。但是,在这种情况下,需要辅助电源在启动阶段从初级侧向次级侧控制器ADP1051提供初始电源。此外,来自ADP1051的PWM信号需要跨越隔离边界。本文讨论了三种方法,即栅极驱动变压器、数字隔离器和隔离式栅极驱动器。
栅极驱动变压器
图1显示了采用栅极驱动变压器解决方案的数字电源框图。在这种方法中,次级控制器ADP1051向ADP3654发送PWM信号,ADP3654是一款双通道、4 A MOSFET驱动器。然后,ADP3654驱动栅极驱动变压器。栅极驱动变压器的作用是将驱动信号从次级侧传输到初级侧,并驱动初级侧MOSFET。辅助隔离电源在启动阶段为ADP1051供电。

图1.栅极驱动变压器,由ADP3654解决方案驱动。
栅极驱动变压器解决方案的优点包括时间延迟小和成本低。但是,ADP3654需要更仔细地设计栅极驱动变压器,因为变压器需要在导通一段时间后复位,否则会饱和。在半桥拓扑的栅极驱动变压器设计方面,通常采用双端变压器,如图2所示。

图2.双端栅极驱动变压器。
图2显示了由ADP3654驱动的栅极驱动变压器电路。The ADP3654s V办公电和 V实况转播输出通过隔直电容C连接到栅极驱动变压器直流.考虑到所有工作条件下所需的最大伏秒,为半桥选择最大 50% 占空比。一旦选择了磁芯,初级绕组的数量NP可以使用公式1计算:

其中 VDD是初级绕组两端的电压,fs是开关频率,∆B是半个开关周期内的峰峰值磁通密度变化,A是e是磁芯的等效横截面积。当 V办公电驱动高电平和 V实况转播驱动器低电平,Q1 打开,Q2 关闭。当 V实况转播驱动高电平和 V办公电驱动器低电平,Q2 打开,Q1 关闭。请注意,该栅极驱动变压器适用于对称半桥,但不适用于非对称半桥或其他有源钳位拓扑。
数字隔离器
图3所示为实现数字隔离器解决方案的数字电源框图。双通道数字隔离器ADuM3210用作数字隔离,将PWM信号从次级侧控制器ADP1051传输到初级侧半桥驱动器。

图3.数字隔离器解决方案。
与复杂的栅极驱动变压器设计相比,数字隔离器解决方案更小、更可靠、更易于使用。占空比没有限制,该解决方案不存在饱和问题。由于可节省超过50%的PCB空间,因此该解决方案可以实现高功率密度设计。
隔离式栅极驱动器
为了进一步简化设计、集成电气隔离和强大的栅极驱动能力,ADuM7223、4 A隔离式半桥栅极驱动器可以提供独立的隔离式高端和低端输出。隔离式栅极驱动器解决方案如图4所示。

图4.隔离式栅极驱动器解决方案。
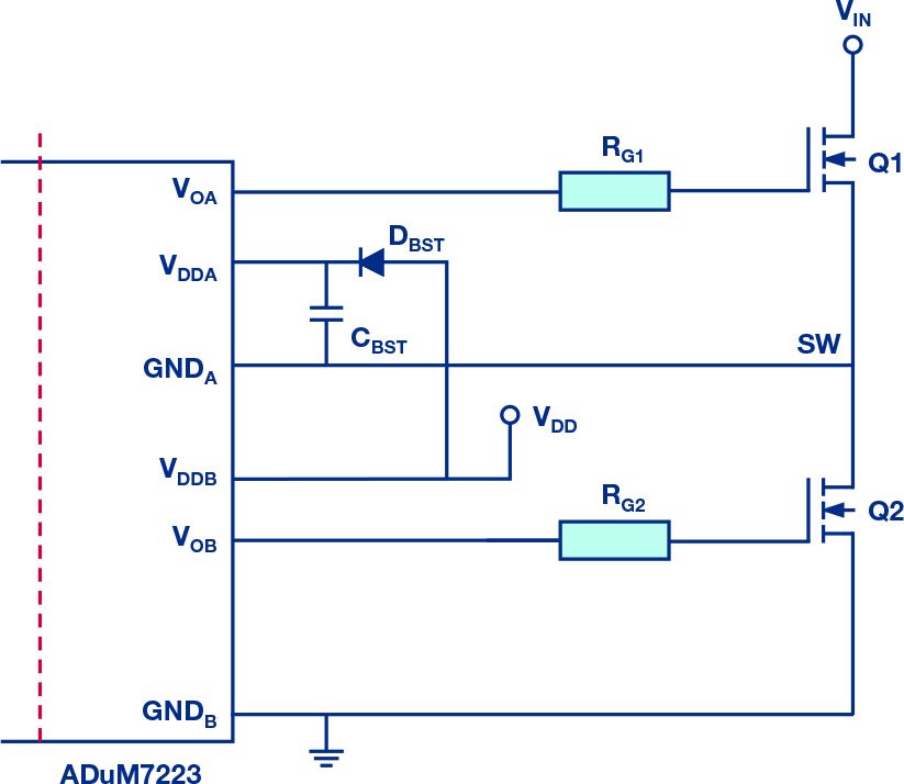
在图5中,隔离式栅极驱动器ADuM7223配置为自举栅极驱动器,以驱动半桥。D英国夏令时是一个外部自举二极管和 C英国夏令时是一个外部自举电容器。在低侧MOSFET Q2导通的每个周期内,VDD通过自举二极管对自举电容充电。为了最大限度地降低功耗、低正向压降和快速反向恢复时间,需要超快二极管。

图5.配置为自举栅极驱动器的隔离栅极驱动器。
初级侧控制
由于初级侧控制不需要辅助隔离电源,并且具有简单的控制架构,因此在一些低成本应用中,使用初级侧控制更为普遍。根据隔离控制路径,讨论了三种方法:线性光耦合器、带标准放大器的通用光耦合器和隔离放大器。
线性光耦合器
隔离数字电源中的输出电压通常需要快速准确的隔离反馈。光耦合器通常用于将模拟信号从次级侧发送到初级侧,但光耦合器的CTR随温度变化范围很宽,并且随时间而降低。图 6 显示了 TCET1100 的归一化 CTR 与环境温度特性的关系。从这个数字来看,从–25°C到+ 75°C,CTR的变化将超过30%。

图6.归一化点击率与 TECT1100 的温度的关系。
使用直接在反馈环路中使用通用光耦合器来传输输出电压很难保证输出电压精度。通用光耦合器与误差放大器一起使用,以传输补偿信号而不是输出电压。ADP1051已经在芯片内部实现了数字环路补偿,因此不再需要补偿信号。解决这个问题的一种方法是使用线性光耦合器解决方案线性传输输出电压,如图7所示。线性光耦合器的成本很高,这意味着用户必须支付溢价。

图7.线性光耦合器解决方案。
带标准放大器的通用光耦合器
另一个电路可以使用通用光耦合器和标准放大器来实现初级侧控制,如图8所示。在这种情况下,可以实现高输出电压精度,而不会因温度变化而受到光耦合器宽CTR范围的影响。测量结果表明,输出电压变化在±1%范围内,CTR范围为100%至200%。

图8.带放大器解决方案的光耦合器。
点击率的公式为

当CTR随温度变化时,放大器的输出将补偿变化,以保持输出电压的高精度。请注意,放大器的稳定工作点和摆幅范围应设计良好,以满足CTR随温度要求的变化,以防放大器的输出饱和。
隔离放大器
第三种方法是隔离放大器,如ADuM3190,如图9所示。ADuM3190是一款隔离式放大器,与光耦合器相比,它具有高带宽和高精度,非常适合带初级侧控制器的线性反馈电源。与常用的光耦合器和并联稳压器解决方案相比,这提高了瞬态响应、功率密度和稳定性。通过适当的设计,ADuM3190可以实现±1%的输出电压精度。

图9.隔离放大器解决方案。
结论
由于当今电信、网络和计算机等电力系统对安全性、高可靠性、高功率密度和智能管理的要求越来越高,隔离技术将发挥越来越重要的作用。与传统的光耦合器和变压器解决方案相比,ADI公司的i耦合器ADuM3210、ADuM7223和ADuM3190采用数字电源控制器ADP1051,可提供高可靠性、高带宽和高功率密度的解决方案。
审核编辑:郭婷
全部0条评论
快来发表一下你的评论吧 !