作者:Kevin Scott and Sam Nork
在汽车和运输市场中,大型电池组提供高输出功率,而不会产生与汽油动力内燃机相关的有害排放物(即一氧化碳和碳氢化合物)。理想情况下,堆栈中的每个电池对系统的贡献相同。但是,当涉及到电池时,并非所有电池都是平等的。即使是具有相同物理尺寸和形状的相同化学成分的电池也可能具有不同的总容量、不同的内阻、不同的自放电率等。此外,它们的老化方式可能不同,在电池寿命方程中添加另一个变量。
电池组的性能受到电池组中最低容量电池的限制;一旦最弱的单元耗尽,整个堆栈就会有效地耗尽。堆栈中每个单独电池单元的运行状况根据其充电状态 (SoC) 测量值确定,该测量值测量其剩余电量与其电池容量的比率。SoC 使用电池测量值(如电压、集成充电和放电电流以及温度)来确定电池中的剩余电量。精密单芯片和多芯片电池管理系统 (BMS) 将电池监控(包括 SoC 测量)与被动或主动电池平衡相结合,以提高电池组性能。这些测量结果为:
健康的电池充电状态与电池容量无关
最小化电池间电荷状态失配
将电池老化的影响降至最低(老化导致容量损失)
被动和主动电池平衡为电池组提供了不同的优势,ADI公司的电池管理产品组合中为这两种方法提供了解决方案。让我们首先研究被动平衡。
被动平衡允许所有电池看起来具有相同的容量
最初,电池组可能具有相当匹配的电池。但随着时间的推移,由于充电/放电循环、高温和一般老化,电池匹配会降低。弱电池的充电和放电速度比更强或更高容量的电池快,因此它成为系统运行时间的限制因素。被动平衡使堆栈看起来像每个单元都具有与最弱单元相同的容量。它使用相对较低的电流,在充电周期中从高SoC电池中消耗少量能量,以便所有电池充电至最大SoC。这是通过使用与每个电池单元并联的开关和泄放电阻来实现的。

图1.带泄放电阻的无源电池平衡器。
高 SoC 电池被放出(功率在电阻中耗散),以便可以继续充电,直到所有电池都充满电。
被动平衡允许所有电池具有相同的SoC,但它不会改善电池供电系统的运行时间。它提供了一种相当低成本的电池平衡方法,但由于放电电阻,它在此过程中浪费了能量。被动平衡还可以纠正电池与电池之间自放电电流的长期不匹配。
带被动平衡的多节电池监控器
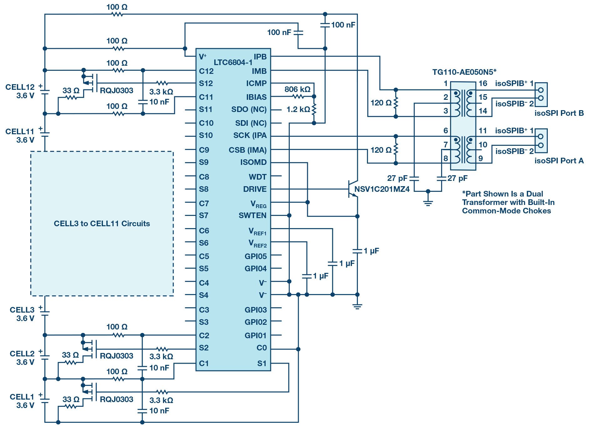
ADI公司拥有一系列多节电池监控器,包括无源电池平衡。这些器件采用可堆叠架构,可监控数百个电池。每个器件可测量多达 12 个串联的电池单元,总测量误差小于 1.2 mV。每节电池0 V至5 V的测量范围使其适用于大多数电池化学成分。LTC6804如图2所示。

图2.LTC6804 应用电路,具有外部无源平衡功能。
LTC6804 具有内部被动平衡功能(图 3),如果需要,还可配置外部 MOSFET (图 4)。它还具有可选的可编程被动平衡放电定时器,为用户提供了更大的系统配置灵活性。

图3.带内部放电开关的被动平衡。

图4.带外部放电开关的被动平衡。
对于希望最大限度地延长系统运行时间并提高充电效率的客户,主动平衡是最佳选择。通过主动电池平衡,能量不会浪费,而是在充电和放电时重新分配到电池组中的其他电池。放电时,较弱的电池由较强的电池补充,从而延长电池达到完全耗尽状态的时间。
审核编辑:郭婷
全部0条评论
快来发表一下你的评论吧 !