设计多个电源的挑战随着每个额外的电源轨而增加。设计人员必须考虑协调电源排序和时序、生成上电复位、监控故障和适当响应以保护系统的动态环境。经验丰富的设计师认识到,灵活性是成功驾驭项目从原型到生产的过程潮起潮落的关键。理想的解决方案可最大限度地减少开发过程中的硬件和软件更改次数。
理想的多电源设计工具是自始至终驻留在设计中的单个IC,在产品的整个生命周期中无需更改布线。它自主监控多个电源轨并对其进行排序,与其他IC配合,无缝监控系统中的许多电源稳压器,并提供故障和复位管理。设计人员可以使用功能强大的基于 PC 的软件在连接到 I 时实时配置、可视化和调试系统行为2C总线。
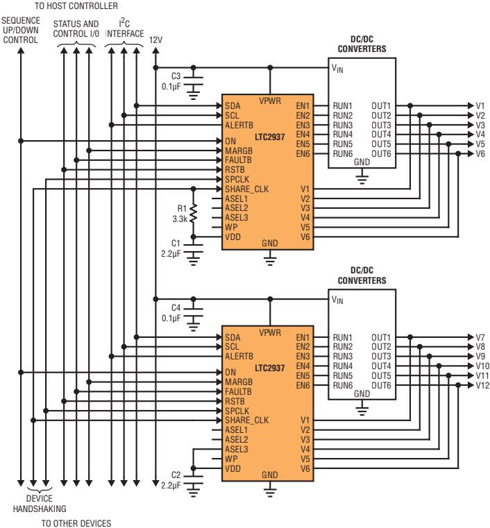
LTC2937 符合这一要求。它是一款带EEPROM的6通道电压排序器和高精度监控器。六个通道中的每一个都有两个专用比较器,可精确监控过压和欠压条件,范围在±0.75%以内。比较器门限可在 0.2V 至 6V 范围内单独编程,分辨率为 8 位。比较器速度很快,去毛刺传播延迟为10μs。每个时序控制器通道都有一个使能输出,可以控制外部稳压器或调整FET的栅极。监控器电压和时序控制器时序的所有方面均可单独配置,包括上序和下序、时序参数和故障响应。内置的EEPROM使该器件完全自主,并能够在正确的状态下上电以控制系统。此外,多个 LTC2937 可以协同工作,以自主地对系统中多达 300 个电源进行排序,所有这些电源均采用一条单线通信总线。

图1.LTC2937 排序 6 个电源。
| LTC2933 | LTC2936 | LTC2937 | |
| 音序器 | 不 | 不 | 是的 |
| 比较器输出 | 不 | 是的 | 不 |
| 阈值范围 | 1V 至 13.9V (1×) 0.2V 至 5.8V (5×) | 0.2V 至 5.8V (6×) | 0.2V 至 6V (6×) |
| 阈值精度 | ±1% | ±1% | ±0.75% |
| 电源 | 3.4V 至 13.9V | 3.13V 至 13.9V | 2.9V 至 16.5V |
| 封装(毫米×毫米) | 5×4 DFN-16, SSOP-16 | 4×5 QFN-24, SSOP-24 | 5×6 QFN-28 |
电源故障可通过 LTC2937 的自主故障响应行为和调试寄存器实现可控、可视和管理。LTC2937 可自动检测故障情况,并能够以协调方式关断系统。它可以保持关闭状态,或者在发生故障后尝试对电源重新排序。在具有微控制器和 I 的系统中2C/SMBus、LTC2937 提供了有关故障类型和原因以及系统状态的详细信息。微控制器可以决定如何响应,或允许 LTC2937 自行响应。
电源控制的三步曲
电源周期有三个工作步骤:顺序启动、监视和顺序关闭。图2显示了典型系统的这些阶段。在上序排序期间,每个电源必须等待轮到其,然后在指定的时间内上电到正确的电压。在监控阶段,每个电源必须保持在指定的过压和欠压限值内。在降序排序期间,每个电源必须等待轮到其顺序(通常与上排序顺序不同),然后在配置的时间限制内断电。在任何时候,都可能出现问题,导致系统故障。设计挑战在于创建一个系统,其中所有这些步骤和所有变量都易于配置,但要仔细控制。

图2.电源排序波形。
当ON输入转换到活动时,序列启动开始。LTC2937 通过其上序进行推进,依次使能每个电源,并进行监视以确保电源电压在配置时间之前上升到配置的门限以上。任何未能满足其指定时序的电源都会触发排序故障。
LTC2937 的一个独特优势是其时序位置时钟。每个通道被分配到一个序列位置 (1–1023),并在 LTC2937 计入序列中的给定数字时接收其使能信号。序列位置为 1 的通道始终在序列位置为 2 的通道之前启用。如果系统规格发生变化,要求这两个通道以不同的顺序排序,则可以交换序列位置,为序列位置1的第二个通道供电,为位置2的第一个通道供电。多个 LTC2937 可以共享序列位置信息,因此所有 LTC2937 芯片的序列位置 N 同时发生,并且由不同芯片控制的通道可以参与同一序列 (参见图 3)。

图3.多个 LTC2937 之间的典型连接。
当最后一个通道上序并超过其欠压阈值时,监控阶段开始。在监视期间,LTC2937 使用其高准确度比较器针对过压和欠压门限连续监视每个输入端的电压。它忽略输入端的微小毛刺,仅在电压超过阈值时触发,并且有足够的幅度,持续时间足够长。当 LTC2937 检测到故障时,它会根据其配置的主管故障响应立即做出响应。在典型情况下,它同时关闭所有电源,向系统置位RESETB,然后尝试根据正常的启动顺序重新排序。这可以防止电源在系统的某些部分未通电时为系统的某些部分供电,或在故障发生后执行不协调的恢复。系统中的多个LTC2937可以共享故障状态,并相互响应故障,从而在故障恢复期间保持合作通道之间的完全一致性。LTC2937 提供了多种可编程故障响应行为,以满足许多不同的系统配置。
当ON输入转换为低电平时,序列关闭阶段开始。时序位置时钟再次开始计数以降低电源,但所有时序关闭参数都与时序上调参数无关。通道可以任意顺序进行时序降序,多个 LTC2937 芯片协调所有受控电源的排序。在降序期间,每个电源必须在其配置的时间限制内降至其放电门限以下,否则将触发时序故障。LTC2937 能够利用一个可选的电流源下拉电源,以主动解除慢速移动电源。
序列位置时钟强制执行基于事件的序列顺序,每个事件等待前面的事件,然后才能继续。LTC2937 还允许基于时间的排序,并能够参与在预定时间点启用电源轨的系统。可重新配置寄存器在基于时间或基于事件的模式下工作。
LTpowerPlay 让一切变得简单
LTC2937 广泛的寄存器集功能强大,但掌握它非常简单。LTpowerPlay图形用户界面(GUI)在一个方便的界面中显示所有状态和调试寄存器信息。GUI 可与 I 上的任何凌力尔特电源系统管理 IC (包括 LTC2937) 通信®2C/SMBus.配置一个或多个 LTC2937 非常简单,只需点击几下鼠标即可。

图4.LTpowerPlay图形用户界面(GUI)在一个方便的界面中显示所有状态和调试寄存器信息。配置一个或多个 LTC2937 非常简单,只需点击几下鼠标即可。LTpowerPlay将设置保存在PC上,并可将它们写入LTC2937 EEPROM。
LTpowerPlay将设置保存在PC上,并可将它们写入LTC2937 EEPROM。GUI 还显示系统故障的所有调试信息。LTpowerPlay可以显示任何电源何时过压或欠压,或者电源是否具有故障时序。发生故障后,GUI 允许完全控制重新启动系统。在设计的每个阶段(启动、配置、调试和操作),LTpowerPlay都是了解系统性能不可或缺的窗口。
结论
LTC2937 简化了电源系统的排序和监控。对于一个完整的系统,它只需要很少的电路板空间。它灵活且可重新配置,但通过其EEPROM存储器实现自主性。它可以单独运行,也可以与大型系统中的其他芯片协同运行,无缝协调多达 300 个电源的操作。
审核编辑:郭婷
全部0条评论
快来发表一下你的评论吧 !