作者:Joshua Caldwell and Hua (Walker) Bai
快速发展的 LED 照明应用正在取代近 所有传统的照明形式。随着这种转变 加速,LED驱动器的功率要求增加, 更高的电流使其维护更具挑战性 在不牺牲效率的情况下实现电流检测精度。发光二极管 驱动程序在管理当前交付时必须执行此操作 高速下多个独立的LED负载,并且能够 连接具有精确均流功能的并联驱动器。
一些高功率LED具有独特的机械和电气考虑因素,其中阳极与导热后盖板电连接。在采用降压稳压器配置的传统LED驱动器中,通过冷却机箱来实现热管理,阳极与后盖的连接带来了机械电气设计挑战。后盖板必须对散热器具有良好的导热性,但如果后盖板处的电压与机箱不同,则后盖板也必须与其电气隔离。由于LED制造商很难改变工艺或封装,LED驱动器本身必须满足这一设计挑战。
一种选择是使用 4 开关正降压-升压 LED 驱动器,但额外的开关MOSFET增加了系统 复杂性和成本。一种反相降压-升压拓扑 仅使用一组开关功率MOSFET,并允许 阳极散热器以电气和机械方式直接连接到机箱接地, 无需电气隔离器 在散热器上,并简化 系统的机械设计。
为满足高性能要求,LT3744 可配置为同步 降压或反相降压-升压 控制器可连续驱动 LED 负载 电流超过20A。供应 LT3744 的输入专为处理 3.3V至36V。作为降压转换器, 它可以调节 0V 以上的 LED 电流 到电源电压。作为反转 降压-升压型转换器 (LT3744) 能够 精确调节 LED 电流 输出电压范围为0V至−20V。
全范围模拟电流调节 准确度为 3%,即使在 1/20 刻度下, 它比±30%好。LT3744 具有 三个独立的模拟和数字 带三个补偿的控制输入 和栅极驱动输出,范围广 的指示灯配置。通过分离 来自 LED 的电感电流检测 电流检测,可配置 LT3744 作为降压或反相降压-升压。 为了便于系统设计,所有输入 信号以电路板接地为参考 (SGND,信号接地),消除了 需要复杂的离散电平转换器。
在反相降压-升压配置中, 总 LED 正向电压 可高于输入电源 电压,允许高压 LED 由低压驱动的串 用品。当 PCB 功率密度调用时 用于传播组件功率 耗散时,LT3744 可轻松 与其他 LT3744 并联以驱动 LED 负载中的高脉冲或直流电流。
高精度电流检测
LT3744 具有高准确度 电流调节误差放大器,其中 实现精确的模拟调光 至总电流控制的 1/20 范围。这在应用中至关重要 其中总数字PWM调光 范围有限,或者在以下应用中 需要非常高的调光范围。 例如,使用 100Hz PWM 调光频率和 1MHz 开关 频率,LT3744 能够 1250:1 PWM 调光,可以是 结合 20:1 模拟调光 将总调光范围扩展到 25,000:1。
图 1 显示了生产一致性 LT3744 相对于失调电压 在整个温度范围内,在本例中为 380 典型值 当模拟控制输入为 在 0V 时。误差偏移量低 放大器,控制回路能够 1/20 时的典型精度为 ±10% 刻度模拟调光。分布情况 LED 两端的调节电压 带控制器的电流检测引脚 输入等于1.5V如图2所示。 全范围的精度优于 ±3%,相当于 ±1.8mV 60mV满量程调节电压。

图1.LT3744 中的 LED 电流调节放大器具有一个 ±300μV 的典型失调(采用 V按= 0V。

图2.在全电流下,LED电流调节环路的典型精度为±1.7%,V按= 1.5V。
无闪烁性能
LED 中最重要的指标之一 驱动程序性能正在恢复 PWM 调光期间的 LED 电流。 最终产品的质量很高 取决于驱动程序的行为 在 PWM 导通信号的上升沿。 LT3744 采用专有的 PWM、 补偿和时钟同步 提供无闪烁性能的技术 — 甚至 将 LED 驱动至 20A 时。
图 3 显示了 5 分钟捕获的 采用 12V 电源的 LED 电流恢复 为红色 LED 提供 20A 电流。切换 频率为550kHz,电感 为1μH,PWM调光频率 为 100Hz,导通时间为 10μsec (1000:1 PWM 调光)。约30,000 显示调光周期,没有 开关波形抖动 — 每 恢复切换周期相同。

图3.LT3744 具有无闪烁 LED 调光功能。
三种不同调节电流之间的高速调光
在投影系统中,减少 光源的开启时间缩短 时序约束。随着减少 时序约束,图像刷新率 可以增加,允许更高的分辨率 图像和彩虹的减少 来自快速移动的白色物体的效果。 LT3744 能够转换 不同输出电流之间 状态小于三个开关周期。
LT3744 具有三个稳压功能 当前状态,允许颜色混合 系统设计师雕刻颜色 每个指示灯的温度。混色 提供高色彩准确性,校正 不准确的 LED 颜色,并消除 生产系统的变化。而 LT3743 具有低电流和高电流状态, LT3744 具有三种电流状态,因此 所有三种 RGB LED 颜色都可以混合使用 彼此在自己的光输出下 独立校正其他颜色。
图4显示了一个24V输入/20A输出, 具有三种不同稳压的单个 LED 驱动器 电流—由模拟值确定 CTRL 和数字上的电压 PWM 引脚的状态。请注意,由于 RS仅用于峰值电感电流 和绝对过流保护,它不需要高精度 电阻器—可降低系统成本。

图4.LT3744 能够驱动具有三种不同电流水平的单个 LED。
三种不同之间的PWM调光 当前状态如图所示 5和6。在图5中,PWM信号 按顺序打开和关闭。 PWM3 具有最高优先级和 PWM1 最低。这允许 快速、单输入信号转换至 改变输出电流。如图所示 在图 6 中,可以有任何任意 PWM 输入信号之间的间隔。

图5.LT3744 可在不到三个开关周期内在三种稳压电流状态中的任何一种之间转换和关断。

图6.可以随时打开不同的当前状态 - 每个状态之间有或没有时间。
适用于袖珍或智能手机投影仪的完整 RGB LED 解决方案
在微型“口袋”或智能手机内 投影系统,整体解决方案空间 成本是最重要的。在这些应用中, 印刷电路板空间极其有限, 驱动程序解决方案的总卷 (包括组件高度)必须 最小 化。仅使用一个 LED 驱动器 对于所有三个 LED,大幅减少 空间 - 允许使用更大的电池 或更高功率的 LED,以改善 电池寿命和预计流明。
LT3744 结合了开关输出 带浮栅的电容器技术 用于创建完整 RGB 解决方案的驱动程序 来自单个 LED 驱动器。The LT3744 为PWM使用独特的栅极驱动器 输出引脚。驱动器的负电源轨 漂浮在 V 上FNEG引脚,允许它 下拉所有开关的闸门 关闭到负电压。这 确保开关与 输出电容在任何情况下均不导通 条件。该驱动器允许高达 15V 任何 LED 串之间的区别。
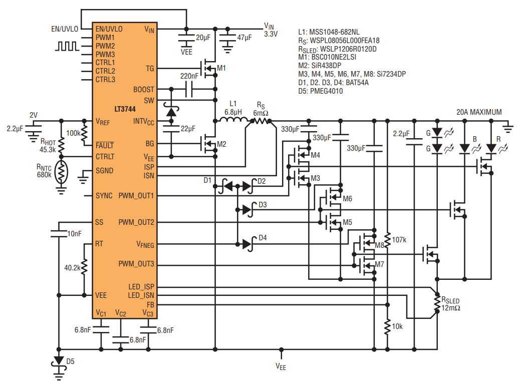
每个 LED 可以依次亮起, 两者之间有时间延迟,或者PWM数字输入的任何模式输入。 此外,与三个独立 模拟控制输入,每个LED可以 在不同的调节电流下工作。 当 LT3744 配置为 反相降压-升压,单个锂离子 电池仅使用一个控制器即可驱动三个独立的 LED 串。 图7所示为3.3V/5A反相 三色降压-升压 LED 驱动器设计 专门用于RGB袖珍投影仪。

图7.LT3744 能够利用单节锂离子电池驱动袖珍或智能手机投影仪中的所有三种颜色分量 (R、G 和 B)。
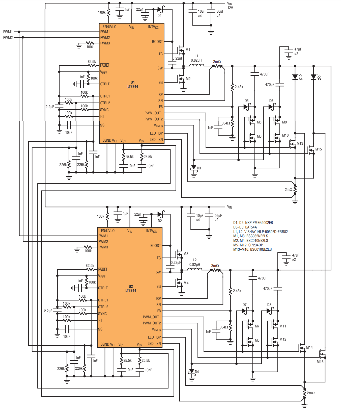
采用两个并联 LT3744 LED 驱动器的 324W 2 LED 驱动器
任何高位的重要限制因素 电源/大电流控制器设计为 PCB 中的功率密度。印刷电路板功率 密度限制在大约 50W⁄cm2防止温升过大 在电源路径组件中。 在极端情况下,当 LED 负载 需要比单个驱动器更大的功率 可以支持(同时保持 功率密度限制),多个转换器 可以并联以分散负载。
高效的大电流LED驱动控制器, 使用现代功率MOSFET, 可以提供大约 200W(在解决方案 尺寸约4厘米2) 并限制所有 电源路径组件温度为 在80ºC以下。对于高于 200W,LT3744 可与 其他 LT3744 用于限制任何特定组件中的温升。所有补偿 输出应并联,允许 每个稳压器之间的均流。
| LT3741 | LT3743 | LT3744 | LT3763 | LT3791 | |
| V在范围 | 6V–36V | 6V–36V | 3.3V–36V | 6V–60V | 4.7V–60V |
| 发光二极管输出范围 | 0V–34V | 0V–34V | −20V–36V | 0V–55V | 0V–52V |
| 拓扑学 | 麚 | 麚 | 降压和反相降压-升压 | 麚 | 降压-升压 |
| LED 电流调节精度 | ±6% | ±6% | ±3% | ±6% | ±6% |
| 1⁄10 刻度 LED 电流精度 | ±60% | ±60% | ±17% | ±60% | ±35% |
| 满量程 LED 电流检测 | 50mV | 50mV | 60mV | 50mV | 100mV |
| 用于 LED 的通用阳极连接 | ✓ | ||||
| 指示灯故障指示 | ✓ | ✓ | ✓ | ||
| 低边 LED PWM 栅极驱动器 | 0 | 2 | 3 | 1 | 1 |
| 单个 LED 电流状态 | 1 | 2 | 3 | 1 | 1 |
图8所示为一个324W转换器,使用 两个线性 DC2339A 演示板 并联连接。每个并行 此设计中的控制器可产生 27A— 在 6V 时总共 54A。通过捆绑 相应的补偿输出 两个控制器一起在 齐心协力提供平稳、行为良好的 启动和精确的直流调节。

图8.一个 57A/324W 2 LED 驱动器。
图 9 显示了 LED 电流启动 每个板的行为。请注意, 每个板提供的调节电流 在整个启动过程中是相同的 序列。在直流稳压中,没有 PWM调光,图10显示出色 两者之间的电流共享 应用板(波形为 直接在彼此之上)。图11 显示温度升高高于 100% 占空比时的电路板环境 循环温度约为55ºC,组分L1是 电感,Q1 和 Q3 是开关 功率场效应管,R5为电感电流 检测电阻,R32为LED电流 检测电阻器,U1 是 LT3744。

图9.启动期间的 LED 均流。

图 10.满载时的直流 LED 均流 — 两个并联驱动器之间的差异很小。

图 11.100% 占空比的平行板温度为 LED 提供 324W 的功率。
在此应用中,两个独立的 LED 串可以全电平调暗 PWM 54A.PWM 调光时,图 12 显示LED电流完全 在两个驱动程序之间共享。在此 测试,LED中电流的上升时间 从0A到54A为6.6μs。电气 从每个驱动程序的输出进行连接 对LED必须仔细平衡 避免在任一路径中增加电感— 这减少了有效上升时间。

图 12.LT3744 在 PWM 调光期间在并联驱动器之间具有出色的 LED 均流功能。
图 13 显示了温度 每个演示板的上升幅度为 50% PWM 调光 LED 电流为 54A。为了最小化每个 演示板为LED,并联LED 驱动板直接安装在 彼此重叠。更优化的布局 将同时安装两个驱动程序 单板,具有驱动器布局 相互镜像,反映在他们的身上 与 LED 的相互连接。每当 设计传导路径从 LED驱动器要大电流LED,小心 应注意总数 电感。由于电感是一个函数 电线长度,电线越长, 当前恢复时间越长 LED — 无论驾驶员的速度有多快。

图 13.50% PWM 调光时的并行电路板温度为 LED 提供 54A 脉冲。
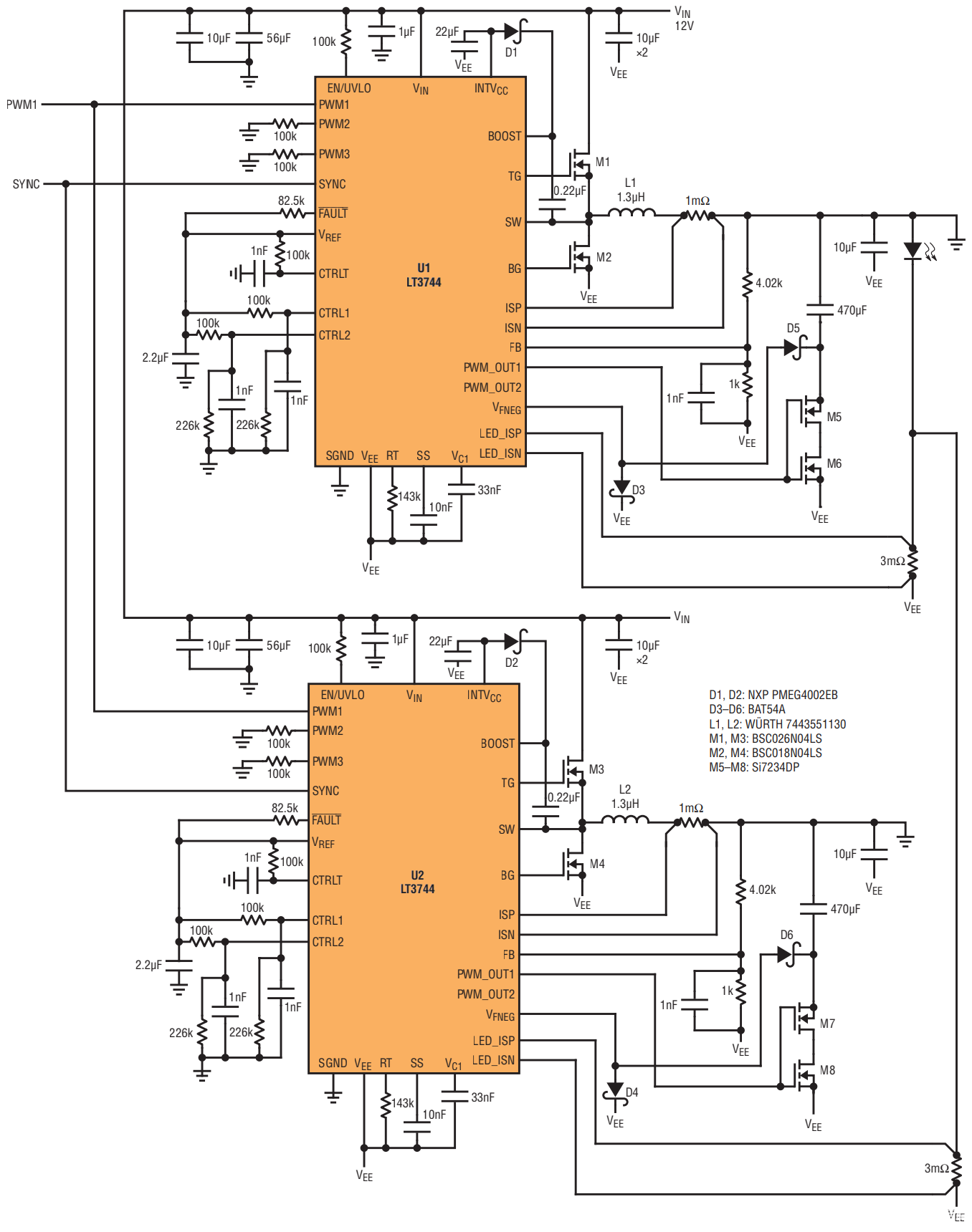
反相降压-升压型、120W LED 驱动器,具两个并联 LT3744S
反相降压-升压应用具有 与同相相同的热问题 转换器,带有附加设计 电感电流增加的挑战。 对于低输入电压和高 LED 电压, 电感器中的平均电流 可能非常高。例如,如果 输入为3.3V,输出为1绿色 LED—正向电压为 6V 20A时—峰值电感电流为70A。 设计中使用的电感应 饱和电流至少为 20% 更高 - 在本例中,大于 80A。
由于该电流在开关中流动 场效应管,场效应管的额定值必须为 大于 80A。通过放置两个 LT3744 反相降压-升压型转换器 并联时,峰值开关电流为 减半,降低要求 的电源路径组件。
在反相降压-升压拓扑中, 电感电流输送到负载 仅在同步 FET 导通期间 时间。如果两个并联转换器 被允许自由奔跑 频率,有明显的节拍 LED 电流中的明显频率 轻微开关产生的纹波 频率差异。为了避免这种情况,每个 转换器使用相同的 RT电阻值, 但它们是使用外部同步的 时钟。在图 14 中的应用程序中, 转换器设计为在 非同步频率:300kHz— 具有 350kHz 同步时钟。

图 14.此并联反相应用可为机箱连接的共阳极 LED 提供 120W 功率。
图 15 显示了组件温度 向 LED 提供 30A 电流时上升 并联反相降压-升压应用。

图 15.平行反相板温度为 LED 提供 120W。
结论
具有包括大电流在内的功能 调节精度,浮动PWM门 驱动器和电平转换输入信号, LT3744 可配置为驱动 LED 在广泛的应用中。这 LT3744 能够用作 RGB 投影系统中的单个驱动器, 大幅减少整体解决方案空间— 使产生高流明成为可能 来自智能手机的视频投影。
通过使用三个电流调节 状态,LT3744 给出系统 设计师自由雕刻LED颜色, 制作更忠实的视频图像。由 直接调节LED电流 对所有输入信号进行电平转换,LT3744 具有产生负数的能力 电压,允许低压电池 驱动多 LED 的操作系统 具有简单 2 开关解决方案的字符串。 LT3744 可轻松并联 与其他 LT3744 配合使用,以高效提供 极高的电流流向 LED,而 保持当前精度和共享 即使在PWM调光时。并联 LT3744 降低了电路板温度,降低了 支持电感电流和扩展 LED 功率可达数百瓦。
审核编辑:郭婷
全部0条评论
快来发表一下你的评论吧 !