精密测量正在扩展到需要越来越高功率效率的应用领域。随着物联网的出现,对具有精确测量功能的无线传感器节点、电池供电的可穿戴健身/医疗设备以及使用隔离电源、4 mA 至 20 mA 环路供电或电池供电现场仪表的工业信号链的需求日益增加。在这些情况下,更高的电源效率意味着更长的电池寿命和更少的维护以及简化的电源设计。
通常,精密测量系统使用低压差稳压器(LDO)作为其电源方案的一部分,为精密ADC产生低噪声电源轨。然而,LDO在供电方面可能非常低效,而且大部分功率通常在LDO中损失,以热量的形式消散。本文讨论一种为精密逐次逼近寄存器(SAR)ADC实现更高效率电源解决方案的方法。这是通过在迟滞模式下使用超低功耗开关稳压器并分析性能权衡来实现的,包括智能控制开关稳压器与SAR转换同步以提高噪声性能的方法。
固定频率或脉宽调制 (PWM) 开关稳压器提供了一种非常有效(通常为 >90%)的方法,可在中高负载电流(数百 mA 至多个 A)下在测量系统中生成电压轨。然而,这种效率是以开关纹波为代价的,开关纹波通常处于数百kHz至几MHz的固定频率。如图1所示,典型精密SAR ADC的电源抑制比(PSRR)在高达~100 kHz的低频下非常好,除此之外,PSRR会迅速下降。

图1.SAR ADC模拟电源抑制与频率的关系
为 V 供电的典型负载电流DD精密SAR ADC的线路在几mA范围内,如果ADC以较低的吞吐量运行,则为μA,因此使用固定频率开关直接为ADC供电而不是LDO没有效率优势。
然而,高效率、超低功耗降压型开关稳压器可以在迟滞模式下工作,静态电流非常低。
在迟滞模式下,稳压器通过调节恒定峰值电感电流,用PWM脉冲对略高于其标称输出电压的输出电压进行充电。当输出电压增加直到输出检测信号超过迟滞上限阈值时,稳压器进入待机模式。在待机模式下,高端和低端MOSFET以及大多数电路被禁用,以允许低静态电流和高效率性能,如图2所示。在待机模式下,输出电容向负载提供能量,输出电压降低,直到降至迟滞比较器下限以下。稳压器唤醒并产生PWM脉冲以再次为输出充电。

图2.PWM(顶部)和迟滞模式(底部)—效率与负载电流的关系。
在迟滞情况下,开关纹波频率是负载电流和LC网络的函数,对于几mA的负载,则在kHz范围内。在几kHz时,精密ADC的PSRR非常好,可以很好地抑制/衰减ADC数字输出端的开关纹波。
以图3所示采用AD7980 ADC的电路为例;其VDD全吞吐量(1 MSPS)下的电流消耗典型值为1.5 mA,并随着吞吐量的降低而线性扩展。如图4所示,开关频率纹波为4.5 kHz,峰峰值为50 mV,采用5 V电源轨,采用2.5 V稳压输出。该纹波在ADC数字输出端被ADC的PSRR额定值衰减。在ADC FFT输出中,它在4.5 kHz时显示为−120 dBFS幅度的杂散。对于ADC上的5 V输入范围,这相当于


图3.AD7980和ADP5300应用电路

图4.ADP5300迟滞开关纹波(交流耦合),为AD7980供电时,ADC FFT输出中的纹波音为1 MSPS吞吐量。
对于16位转换器来说,ADC输出中显示的纹波水平极低;5 μV峰峰值对应于16位时的0.07 LSB。该电平的纹波隐藏在ADC本底噪声中,需要大量的平均才能发现它,在许多应用中都看不到。该输出纹波对应于 PSRR

该测量结果类似于图1所示的AD7980 PSRR,在4.5 kHz时为~77 dB。
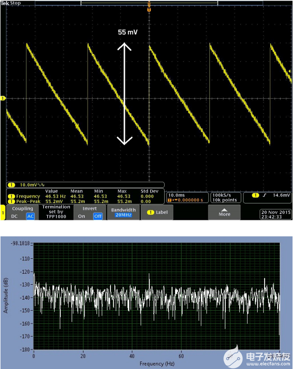
如果ADC吞吐量降至10 kSPS,则ADC的电流消耗线性下降至15 μA(系数为~100),相应地,ADP5300的开关频率纹波将降至46.5 Hz(系数为~100),峰峰值幅度为55 mV,如图5所示。纹波再次出现在46 Hz的ADC FFT输出中,幅度为−120 dB(峰峰值为5 μV),因为PSRR在此频率下相似。有证据表明,在93 Hz处的二次谐波下降为−125 dB。

图5.ADP5300迟滞开关纹波(交流耦合),为AD7980供电时,ADC FFT输出中的纹波音为10 kSPS吞吐量。
图6显示了从5 V电源轨调节2.5 V输出时,ADP5300的效率与LDO的效率在ADC吞吐速率范围内是如何叠加的。如您所料,开关稳压器在提供功率方面的效率远高于LDO,在1 MSPS时为90%和50%(对于5 V输入),并且在较低的ADC吞吐速率/较低电流消耗下保持得更好,在5 kSPS之前保持在80%以上。

图6.ADP5300和LDO的效率与ADC吞吐速率的关系
当使用LDO的ADC吞吐量为1 MSPS时,5 V电源轨消耗的电流为1.5 mA或7.5 mW。使用ADP5300时,5 V电源轨消耗的电流为828 μA或4.1 mW。ADC电源消耗的功耗降低了3.4 mW或45%。
AD7980在1 MSPS下的性能,采用ADP5300作为VDD电源如图7所示,具有10 kHz近满量程输入信号(−0.5 dB)。该ADC仍符合数据手册中的SNR (91.5 dB)和THD (−103 dB)规格。但是,ADP5300在4.5 kHz处的开关纹波在输入信号顶部被调制,在10 kHz – 4.5 kHz (5.5 kHz)和10 kHz + 4.5 kHz (14.5 kHz)时显示为杂散。这些杂散仍处于非常低的水平(−116 dBFS),远低于基波信号二次谐波引入的THD(20 kHz时−103.8 dBFS)。这些伪像只是16位LSB的一小部分,因此在许多应用中,ADP5300稳压器的节能是完全可以接受的。

图7.采用ADP5300作为V的AD7980的性能DD供应。在基波信号(10 kHz ±4.5 KHz)周围可以看到开关纹波调制引起的边带。
ADP5300开关稳压器具有停止开关功能,可完全消除ADC FFT输出中出现的这些开关纹波伪像。ADP5300上的STOP引脚可防止SW引脚在STOP保持高电平时切换。这可用于防止在ADC的噪声敏感转换过程中发生任何开关。为了实现这一点,CNV信号和STOP信号连接在一起(见图3),来自处理器的CNV信号在ADC的转换时间内定时保持高电平。对于AD7980,最大值为710 ns,转换在CNV上升沿启动。结果如图 8 所示。在这种情况下,纹波频率变化更大,因为只有特定的时间SW节点可以打开和调节。另请注意,从STOP信号变为低电平的SW导通时间可能为数百ns。在图8中,SW引脚在STOP下降沿后导通~850 ns。这意味着我们不能在1 MSPS ADC吞吐量下使用STOP功能作为VDD电源将脱离调节并崩溃,因为SW引脚没有足够的时间升高并调节。相反,STOP 函数适用于 500 kSPS 及以下的吞吐量。

图8.ADP5300开关纹波(黄色),具有500 kSPS吞吐量时的STOP功能,CNV/STOP信号(蓝色)和ADP5300的SW引脚(粉红色)。
如图9所示,通过使用STOP信号,ADC本底噪声完全消除了开关纹波杂散。当施加10 kHz的输入信号时,除了正常的谐波外,基波周围没有调制或伪影。但是,当SW引脚被禁用(STOP高电平)时,由于SW引脚上的振铃,使用STOP功能会降低效率。ADC吞吐速率为500 kHz的ADP5300的效率降至~75%。这仍然远高于LDO可能的效率(<50%),并且提供了在处理器/微控制器控制下的应用中如果对STOP功能使用单独的控制线,则可以在功耗/性能之间进行权衡。

图9.采用ADP7980作为V的AD5300的性能DD具有定时到转换周期的停止功能的电源。
ADP5300等开关稳压器解决方案的成本和PCB面积可与LDO相媲美。BOM的主要补充是片式电感器,2.2 μH电感可以小至0603尺寸,LDO解决方案已经需要输入和输出电容。这使其成为在功耗敏感型应用中使用LDO的有吸引力的替代方案,而不会显著影响精度性能。
采用5 V电源轨为AD7980等精密ADC供电时,与LDO相比,ADP5300等高效、超低功耗开关稳压器可节省45%的功耗。这在物联网应用中具有许多优势,可延长无线传感器节点或可穿戴健身设备、功耗敏感型隔离工业系统以及 4 mA 至 20 mA 环路供电系统的电池寿命。
审核编辑:郭婷
全部0条评论
快来发表一下你的评论吧 !