LT8330 单片式 DC/DC 转换器可在扁平 6 引脚 ThinSOT 中实现升压、SEPIC 或反相拓扑™或 8 引脚 (3mm ×2mm) DFN 封装。它满足了对小型、高效电源解决方案的需求,具有 3V 至 40V 输入范围、内部 1A、60V 开关和 6μA 静态电流。它可以轻松满足众多工业和汽车应用的要求。
节省空间的全新单片式转换器系列
LT8330 是全新单片式升压 / SEPIC/反相转换器系列中的首款产品,该系列利用新的设计技术和新的工艺技术来实现低输出纹波突发模式操作、坚固耐用的电源开关和具有低交流损耗的快速开关时间。电源开关的最小导通和关断时间低,可在 2MHz 高开关频率下实现宽占空比范围,从而降低了所需磁性元件和电容器的成本和尺寸。
| 部分 | V在 | 我Q | f西 南部 | 电源开关 | 包 |
| LT8330 | 3V–40V | 6μA | 2.0兆赫 | 1A/60V 数字转换器 | 薄 SOT–6 3 毫米 × 2 毫米 DFN |
| LT1615/17 | 1.1V–15V | 20μA | 恒定关断时间 | 0.3A/36V 核磁辐射 | 薄索–5 |
| LT1613/11 | 1.1V–10V | 3毫安 | 1.4兆赫 | 0.55A/36V 核磁辐射 | 薄索–5 |
|
LT1930 / 31 LT1930A/31A |
2.6V–16V | 5.5毫安 |
1.2兆赫 2.2兆赫 |
1A/36V 核磁辐射 | 薄索–5 |
|
LT3467 LT3467A |
2.6V–16V | 1.2毫安 |
1.3兆赫 2.1兆赫 |
1.1A/40V 核磁辐射 | 薄 SOT–6 3 毫米 × 2 毫米 DFN |
| LT1935 | 2.6V–16V | 3毫安 | 1.2兆赫 | 2A/40V 核磁辐射 | 薄索–5 |
易于使用
整体转换器设计得到简化,并且通过使用内部补偿将器件数量降至最低。正或负输出电压可通过从输出端到单个FBX引脚的电阻分压器轻松设置。集成的频率折返和软启动允许输出电容器在启动期间逐渐充电至其最终值,同时限制电感峰值电流。可以使用一个精确的 EN/UVLO 引脚门限为输入电源设置欠压闭锁。
引脚兼容性
LT8330 的引脚与 LT3467 / 67A 相兼容,适用于那些需要较高输入电压或较高开关电压的应用 (LT3467/67A SS 引脚变为 INTV抄送图钉)。
升压转换器
对于要求输出电压大于输入的应用,3V 至 40V 输入能力和内部 60V/1A 电源开关使 LT8330 成为许多升压型转换器应用的有吸引力的选择。
在此所示的某些应用中,转换器在非连续导通模式(DCM)下工作,以实现非常高的升压比。当配置为连续导通模式 (CCM) 时,LT8330 能够提供更高的输出功率。
12V 输入至 48V 输出升压
图1中的转换器采用12V输入电源供电,以90%的峰值效率产生48V、高达6.5W的功率。

图1.12V 至 48V 升压转换器和效率
8V–16V 输入至 24V 输出升压
图2所示为一个24V升压转换器,由8V至16V输入供电。它能够以94%的效率提供高达10.8W的功率。

图2.8V–16V 至 24V 升压转换器和效率
3V–6V 至 48V 升压
图 3 示出了配置为在非连续导通模式 (DCM) 下工作的 LT8330,以实现 16:1 的升压比。这款 48V 升压转换器在 14mA 负载时可保持 75% 的效率 (对于 6V 输入电压)。

图3.3V–6V 至 48V 升压转换器和效率
SEPIC转换器
汽车和工业应用通常采用高于和低于所需输出电压的输入电压工作。对于需要DC/DC转换器同时升压和降压其输入的应用,通常选择SEPIC拓扑。SEPIC拓扑对于需要输出断开连接的应用也很有用。此功能可确保关断期间没有输出电压,并且由于从输出到输入之间没有直流路径,因此还可以容忍输出短路故障。LT8330 的高 60V 开关额定值和电源开关的低最小导通和关断时间即使在 LT8330 的 2MHz 高开关频率下也提供了宽输入电压范围。
8V–30V 输入至 24V 输出 SEPIC
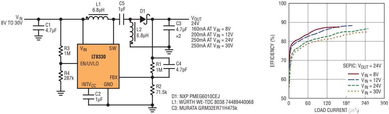
图4所示电路显示了一个具有宽输入范围的24V SEPIC转换器,可提供高达6W的功率,效率高达86.6%。

图4.8V–30V 至 24V SEPIC 转换器和效率
4V–36V 输入至 12V 输出 SEPIC
图5显示了另一种具有宽输入范围的解决方案,其工作输入电压可低至4V,同时以高达85%的效率提供2W的功率。对于高于24V的输入电压,图5中的电路可提供高达3.4W的功率。

图5.4V–36V 至 12V SEPIC 转换器和效率
库克转换器
负电源通常用于当今的电子产品。然而,许多应用只有一个正输入电压来工作。当配置为 Cuk 反相拓扑时,LT8330 能够从一个高于或低于负输出电压幅度的正输入电压进行调节。
与SEPIC拓扑一样,LT8330的高60V开关额定值和电源开关的低最小导通和关断时间即使在LT8330的高2MHz开关频率下也能提供宽输入电压范围。
8V–30V输入至−24V输出库克转换器
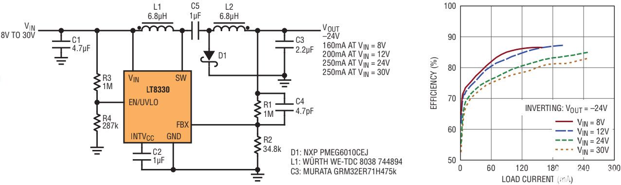
图 6 示出了使用 Cuk 拓扑调节负输出电压的 LT8330。该电路可提供高达6W的功率,并保持高达87%的效率。

图6.8V–30V至−24V Cuk转换器和效率
4V–36V至−12V Cuk转换器
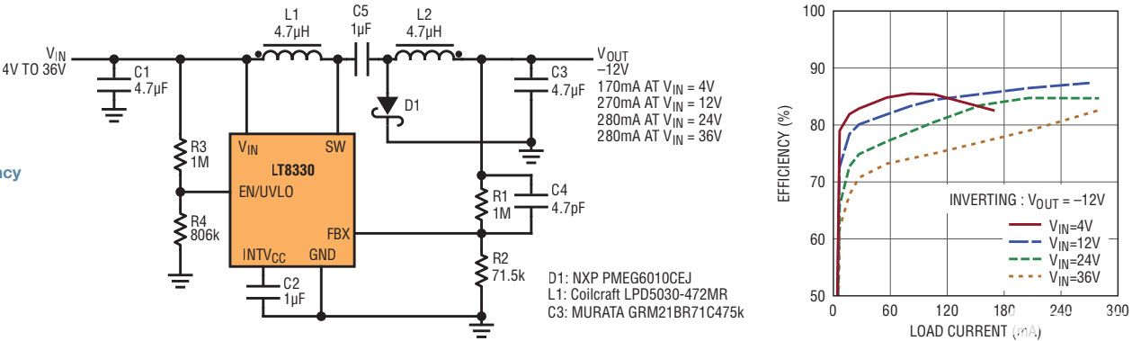
−12V输出CUK转换器如图7所示。该电路具有宽输入范围和高效率工作——在高达 3.4W 时,可实现 86% 的峰值效率。

图7.4V–36V至−12V Cuk转换器和效率
8V–40V 至 ±15V
图8所示为双路输出、+15V/−15V转换器。该电路具有宽输入范围和高效率工作——在高达 4.8W 的功率下,它达到了 87% 的峰值效率。

图8.8V–40V 至 ±15V 转换器和效率
结论
LT8330 非常适合需要在紧凑空间内提供高效电源解决方案的应用。LT8330 的 3V 至 40V 输入电压范围和 60V/1A 坚固型电源开关可实现多种升压 / SEPIC/反相转换器解决方案。其低输出纹波突发模式能力允许在轻负载下保持效率。电源开关的最小导通和关断时间较短,允许在 2MHz 频率下工作,从而减小采用纤巧、扁平 6 引脚 ThinSOT 或 8 引脚 (3mm × 2mm) DFN 的紧凑型电源解决方案的组件尺寸。
审核编辑:郭婷
全部0条评论
快来发表一下你的评论吧 !