LTC3886 可接受高达 60V 的输入并产生两个 0.5V 至 13.8V 的电压 输出 — 使 IT 能够轻松插入工业服务器 和汽车环境作为中间或负载点 (POL)供应。具有同样令人印象深刻的输入 / 输出范围的其他控制器无法与 LTC3886 的数字管理相媲美 能力。它的 I2基于 C 的 PMBus 兼容串行接口允许 电源设计人员配置、监控、控制和扩展 通过基于 PC 的图形化 LTpowerPlay 实现功能,然后存储 LTC3886 的板载 EEPROM 中的最佳生产设置。 无需更改电路板,因为功能和优化 设置(包括补偿)可以通过软件更改。
这款 2 通道多相 DC/DC 同步降压型器件 开关稳压控制器采用恒定频率, 电流模式架构,具有精确的输入和输出 电流检测和可编程环路补偿, 采用 52 引脚 (7mm × 8mm) QFN 封装。 精确的电压和电流检测,可调补偿 和专用 PGOOD 引脚使 LTC3886 非常适合 需要多功能电源系统的工业应用 设计、控制、监控、编程和精度。
灵活的功能集
图 1 示出了 LTC3886 的通用原理图。这 100kHz 至 750kHz PWM 开关频率范围,以及 低 RDS(ON)集成 N 沟道 MOSFET 栅极驱动器 支持大量外部组件并启用 电源能力和系统成本优化。LTC3886 能够轻松容纳 各种工业、医疗和 负载点应用,由于 灵活的可编程功能集,可 解决手头的特定应用。

图1.LTC3886 具有通用性和灵活性。它具有广泛的输入和输出范围,并且可以通过PMBus高度定制。还可以通过数字总线获得准确的遥测。所有功能均可通过LTpowerPlay进行控制。

图2.LTpowerPlay。
适应性通过 可编程性
以下参数 LTC3886 是可配置的,并且 可存放在板载 EEPROM 中 通过 I2C/SMBus 接口:
输出电压、过压、 欠压和过流限制
输入开/关电压、输入过压 和输入过流警告
数字软启动/停止、排序、 边距
控制回路补偿
PWM开关频率和相位
故障响应和故障传播通过 故障引脚
设备地址
开关频率、器件相位 输出电压也是可编程的 使用外部配置 电阻。此外,所有 128 种可能 地址可通过电阻选择。
电源良好、排序和 可编程故障响应
每个专用的 PGOOD 引脚 通道简化了基于事件的启用 跨多个 LTC3886 和 其他电源系统管理IC。这 LTC3886 还支持基于时间的排序。 等待TON_DELAY金额后 运行引脚变高后的时间, 打开 PMBus 命令,或 V在引脚电压上升到预编程以上 电压,输出使能。
| μ模块稳压器 | 控制器 | ||||||||
| LTM4675 | LTM4676A | LTM4677 | LTC3880 | LTC3882 | LTC3883 | LTC3884 | LTC3886 | LTC3887 | |
| V外范围 (V) | 0.5–5.5 | 0.5–5.5 | 0.5–5.5 |
0.5–4.0, 通道0 0.5–5.4, 通道1 |
0.5–5.3 | 0.5–5.4 | 0.5–5.4 | 0.5–13.2 | 0.5–5.5 |
| V在范围 (V) | 4.5–17 | 4.5–17 | 4.5–17 | 4.5–24 | 3.0–38 | 4.5–24 | 4.5–38 | 4.5–60 | 4.5–24 |
| V外准确度 (%) | 0.5 | 0.5 | 0.5 | 0.5 | 0.5 | 0.5 | 0.5 | 0.5 | 0.5 |
| 输入电流检测 | 校准 | 校准 | 校准 | 推断 | ✓ | ✓ | ✓ | 推断 | |
| 我外最大 (A) | 双 9 或单 18 | 双 13 或单 26 | 双 18 或单 36 | 30/相1 | 40/相1 | 30/相1 | 30/相1 | 30/相1 | 30/相1 |
| 直流电阻传感 | 那 | 那 | 那 | 低 | 超 | 低 | 非常低 | 低 | 低 |
| 数字可调环路补偿 | ✓ | ✓ | |||||||
| 1控制器最大 I外取决于外部组件 | |||||||||
基于时间的断电排序为 以类似的方式处理。确保适当的 基于时间的排序,只需连接所有 SHARE_CLK引脚连接在一起 一起所有电源的 RUN 引脚 系统管理 IC。The LTC3886 故障引脚可配置为指示 各种故障,包括 OV、UV、OC、 OT、定时故障和峰值电流故障。 此外,还可以拉动故障引脚 外部电源低,表示故障 在系统的其他部分。这 LTC3886 的故障响应是可配置的 并允许以下选项:
忽视
立即关闭 — 闭锁
立即关机 - 按时间间隔无限期重试 在MFR_RETRY_DELAY中指定
故障记录和遥测
LTC3886 支持故障记录、 存储遥测和故障状态 持续更新的 RAM 中的数据 缓冲区。故障事件发生后, 缓冲区从内存复制到EEPROM 并成为持久的故障日志, 可以在以后读回 以确定导致故障的原因。
电视抄送引脚最大值 效率
艾克斯电视抄送提供引脚以最小化 应用断电和支持 电压范围为 5V 至 14V。它使设计成为可能 具有最佳的电路效率和 最小的芯片温度,并能够 LTC3886 可高效为其自身供电 输出电压偏置功率。
准确度和精密度
现代应用需要供应 电压调节和监控 严格的公差。这些要求 满足高速模拟控制 环路和集成 16 位 ADC 和 12 位数字转换器。输出电压精度 的 LTC3886 保证在 ±0.5% 在整个工作温度下。在 另外,输出电压过压 和欠压比较器有 在整个温度范围内误差小于 ±2%。 LTC3886 的调节和监控 精度降低系统总成本 具有较少的输出电容,而 仍然满足严格的输入电压 下游IC的要求。
独特的高压侧60V输入电流 检测放大器测量输入电流 在整个温度范围内误差小于 ±1.2%。 保证输出电流 在整个温度范围内精确到 ±1.5%。这 内部芯片温度测量 的 LTC3886 保证准确 至0.25°C,外部温度 遥测的误差小于 ±1°C。
扩张
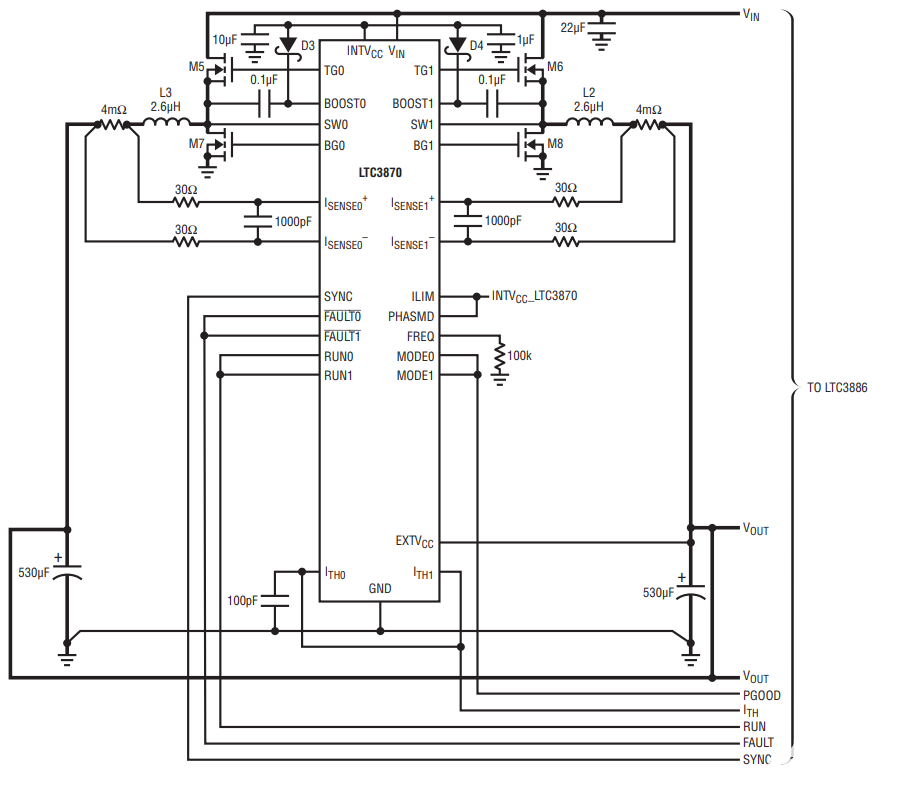
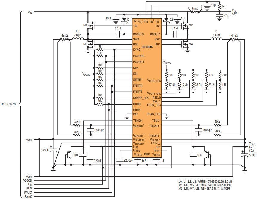
最先进的电源管理 系统需要增加功率和 控制,但必须适应减少 电路板空间。并联多相电源轨 是大功率的最佳解决方案 要求,因为它们使高 功率密度和高效可扩展性。 LTC3886 支持准确的 最多六个多相均流 多个 LTC3886 之间的相位。这 允许系统设计人员增加功耗 根据需要进行阶段。此外,双相LTC3870多相扩展器IC 与 LTC3886 无缝配接至 在较低的位置创建 6 相多相电源轨 价格点。图3所示为4相解决方案。图 4 显示了动态 阶段之间的电流共享。®

图3.高效率 425kHz 4 相、48V 输入至 5V 输出、50A 降压型转换器采用 LTC3870 相位扩展器和 LTC3886。

图4.图3所示4相电路的动态均流;加载步骤(a)上升和(b)下降。
LTC3870 不需要额外的 I2C 地址,它支持所有可编程功能以及故障保护。当使用多个 LTC3886 / LTC3870 配置一个多相电源轨时,用户只需共享连接至该电源轨的所有通道的 SYNC、ITH、SHARE_CLK、故障n、PGOODn 和 ALERT 引脚。所有通道的相对相位应设置为等间距。这种相位交错产生最低的峰值输入电流和最低的输出电压纹波,并降低了输入和输出电容的要求。

系统架构师通常会对电源系统进行分段以满足功能和电路板空间要求:LTC3886 / LTC3870 多相电源轨通过分解电源和控制组件来简化分段,从而允许它们轻松放置在可用空间中。碎片化还会将电源系统的热量分散到PCB上,从而简化整体热提取并减少热区。
级数
图 2 显示了来自 LTpowerPlay,一个强大的基于Windows的 软件开发工具 图形用户界面 (GUI) 完全 支持 LTC3886。LTpowerPlay 在连接到时增强评估 演示板和直接应用于应用 硬件。LTpowerPlay提供 无与伦比的开发,诊断 和调试功能。遥测、系统 故障状态和 PMBus 命令值 都可以通过 图形用户界面。LTC3886 和其他电源 系统管理IC可以独一无二 使用LTpowerPlay轻松配置。
可调补偿
LTC3886 提供了可编程环路 补偿以确保环路稳定性 并优化瞬态响应 控制器,无需任何外部 组件更改。日子一去不复返了 煞费苦心的焊接和解焊 要实现的组件众多 理想的补偿。点击几下 使用LTpowerPlay的鼠标,以及 LTC3886 能够具有最佳补偿。 控制环路可快速微调 无痛,无论最后一分钟如何 组件替换或变体。 这使设计人员能够挤压 系统性能最大化 通过去除不必要的输出电容 同时节省电路板空间和成本。
编程循环的过程 薪酬总结如下 图 5、6 和 7。误差放大器 gm(图 5) 可通过以下方式进行编程 1.0毫米霍到5.73毫米霍使用位[7:5] 的MFR_PWM_COMP命令, 和补偿电阻R千, LTC3886 内部是可编程的 从 0kΩ 到 62kΩ,使用 bits[4:0] 的 MFR_PWM_COMP命令。只有两个 外部补偿电容器,C千和 C四氢大麻酚,在设计中是必需的 和 C 之间的典型比率千和 C四氢大麻酚设置为典型值 10。

图5.可编程环路补偿。

图6.误差放大器 gm调整。

图7.R千调整。
通过调整gm和 R千只有, LTC3886 提供了一种可编程型 二、补偿网络优化 宽输出范围的环路 电容器和补偿元件 公差。调整 gm的错误 放大器按比例改变 补偿环路的增益 整个频率范围,无需移动 极点和零点位置,如图所示 在图 6 中。调整 R千电阻器 更改极点和零点位置,如 如图 7 所示。一旦电压 LTC3886 的电流范围为 确定,对输出的更改 电压或电流限制不影响 环路增益。当输出电压 通过任一变化的电压进行修改 命令,或通过边距,瞬态 电路的响应保持不变。
准确的遥测 优化系统效率 带中间总线
LTC3886 具有一个宽输入电压 范围为 4.5V 至 60V,输出 电压范围为0.5V至13.8V。这 使得 LTC3886 成为绝佳的选择 用于有效调节高压 输入电源电压低至 A 中间总线电压。中间体 总线电压为下游供电 负载点转换器 (POL)。
用作中间总线时 为下游电源供电的变频器 系统管理 POL,LTC3886 使用户能够优化中间体 总线电压可实现最高效率。 由于电压和电流遥测 由 LTC3886 和电源提供 系统管理IC是如此精确, 可以实时生成准确的系统效率测量值。这 反过来,可以创建一个 优化程序,其中微控制器 确定最佳中间体 适用于各种条件的总线电压。
为了演示这一点,一个 9V 至 13V LTC3886 使用输出中间电源 为配置的 LTM4676 8 相演示电路的输入供电 作为负载点转换器,作为 如图 8 所示。凌力尔特技术 林杜伊诺一号演示板 (www.analog.com/en/technical-articles/meet-linduino) 测量和计算总效率 通过读取准确的系统 电压和电流遥测来自 LTC3886 和 LTM4676 通过 PMBus。 Linduino应用程序测量了 多个中间系统的总效率 总线电压和修改 中间总线电压最低 输入功率,实现最高系统 效率,无需用户干预。®

图8.LTC3886 设置为一个中间总线来驱动一个电源管理 IC POL 转换器。Linduino One 演示电路使用 LTC3886 中间电源和 POL IC 的遥测数据,通过在负载电流变化时调节中间总线电压来优化系统效率。
LTC3886 的效率与 中间总线电压如 图9.系统总效率与 中间总线电压显示在 图 10.曲线表示载荷点 电流为 10A、20A、40A、80A 和 100A,峰值效率偏移 负载电流的相应值。更高的负载 电流需要更高的中间值 总线电压以峰值效率运行。 将中间总线电压设置为 过高的固定电压会降低 系统的总效率低 负载电流。与使用 标准固定 12V 中间总线 电压,优化中间体 采用 LTC3886 的总线电压改善了 负载电流10A时效率提高6.2%, 20A时为3.5%,40A时为1%。这种技术 实现效率优化 超过系统的全部工作负载。

图9.LTC3886 效率与输出的关系。

图 10.系统效率。
总结
LTC3886 扩展了凌力尔特的产品组合 电力系统管理控制器数量 进入高压领域。一个广泛的 输出电压范围:0.5V至13.8V, 以及精确的电压和电流 感应、可调补偿和 专用 PGOOD 引脚,提供 LTC3886 用户最大的设计灵活性和 性能。LTC3886 非常适合 有需求的工业应用 多功能电源系统设计、控制、 监控、编程和准确性。
全部0条评论
快来发表一下你的评论吧 !