LED 将设计灵活性与实用、坚固的电路相结合,使汽车设计师能够生产出引人注目的前照灯设计,同时具有超长的使用寿命和性能。汽车设计师越来越多地在照明中加入LED,因为它们可以以独特的醒目设计排列,有助于区分新车型和旧车型,或高端车型和经济型。
毫无疑问,汽车LED照明已经到来,但它还没有充分发挥其潜力。未来的型号将配备更多的LED灯,包括新的形状和颜色,以及对单个LED的更多控制。简单的LED串将让位于LED矩阵,这些LED矩阵可以通过计算机控制单独调光,从而实现无限的实时模式控制和动画。未来已经到来:凌力尔特的 LT3965 矩阵 LED 驱动器使汽车照明设计迈出下一步变得容易。
我2使用单个 IC 实现 8 个电源开关的 C 控制
基本的 LED 大灯设计可在均匀的 LED 电流下运行,从而具有均匀的亮度。但这留下了LED的大部分潜力。矩阵大灯利用 LED 的固有功能,能够控制 LED 灯串内单个 LED 的亮度。
从理论上讲,通过计算机控制的电源开关对矩阵中的单个LED进行寻址并不困难,允许打开或关闭单个LED,或PWM调光,以创建独特的模式和功能。每个 LED(或 LED 段)都需要自己的转换器或自己的并联电源开关。可以使用包含串行通信功能的传统驱动器/转换器IC构建矩阵驱动器,但是一旦LED矩阵需要两个或三个以上的开关,设计分立元件解决方案就变得具有挑战性,涉及超过LED矩阵尺寸的元件矩阵。
The LT3965 I2C 8 开关矩阵 LED 调光器可轻松控制大型或小型 LED 矩阵(最多 512 个 LED)。图 1 示出了 LT3965 在凌力尔特演示电路 DC2218 上的工作情况。

图1.LT3965 LED 矩阵调光器演示电路 DC2218 作为林杜伊诺运行™屏蔽 (DC2026)。该演示电路运行前照灯、转向灯、尾灯和装饰模式,可通过USB电缆通过凌力尔特的图形用户界面进行评估。

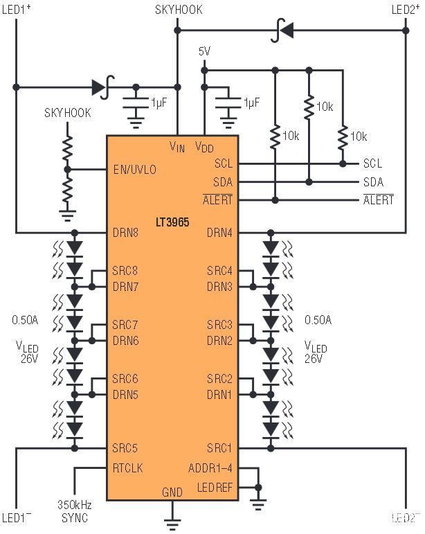
图2.LT3965 60V 8 开关 LED 矩阵调光器框图揭示了用于亮度控制的 8 个电源 NMOS 寻线开关、故障标志和 I2C 串行通信接口。
其高度集成的设计(图 2)最大限度地减少了元件数量。LT3965 的可单独寻址通道可用于以多种方式控制 LED 矩阵,包括:
每个 LT3965 能够在一串 LED 内控制 8 个调光通道 — 8 个 LED 或 8 个簇。
八个通道可以控制两个RGBW LED模块上的单个红,绿,蓝和白光,以调节亮度或改变仪表板或装饰照明的颜色。
多个 LT3965 可在单个通信总线上单独寻址,以将大型阵列中的字符串相乘。
LT3965 能够控制每个通道的多个 LED,或者可以组合通道以在较高电流下有效地控制单个 LED。
当与合适的恒流 LED 驱动器结合使用时,矩阵调光器 LED 驱动器允许在前照灯、日间行车灯、制动灯和尾灯、侧弯灯、仪表板显示屏和其他装饰照明中对各个 LED 进行计算机控制。LT3965 的内置自动故障检测功能可在发生故障时保护单个 LED,并向微控制器报告故障。
60V LT3965 包括 8 个集成式 330mΩ 电源开关,可连接至一个或多个 LED。电源开关通过关闭或PWM调光特定通道上的LED来充当分流设备。这些开关可创建 8 个独立控制的亮度通道(高达 256:1 的调光比)和 LED 灯串的 8 个防故障段。
当所有八个电源开关同时接通 (所有 LED 熄灭)时,LT3965 能够处理一个 500mA 的串电流。这些开关可以并联连接,并通过四个LED通道以1A电流运行,如本文后面所示。无论LED数量或电流如何,LED串都必须由设计合理的转换器驱动,该转换器具有足够的带宽来处理矩阵调光器的快速瞬变。本文包含一些参考设计。
LT3797 升压然后双降压模式利用两个 LT3965 驱动两个串、16 个 LED/500mA
LT3965 的 8 个并联电源开关以 500mA 电流控制 8 个 LED 通道的亮度。8-LED 矩阵调光器系统的灯串电压可以在 0V 到 26V 之间,具体取决于在给定时间打开或关闭的 LED 数量。用于驱动这些LED的推荐转换器拓扑是具有高带宽且输出电容很少或没有输出电容的30V降压型转换器。这种降压拓扑要求将9V–16V汽车输入“预升压”至30V电源轨,降压型稳压器可从该电源轨工作。
三路输出 LT3797 LED 控制器可方便地用作单 IC 解决方案,以实现“预升压”和降压功能 — 可在一个通道上配置为升压稳压器,然后在另外两个通道上配置为降压型 LED 驱动器。两个降压型LED驱动器中的每一个都可以驱动一串矩阵调光的LED。这种拓扑结构具有许多优点,最值得注意的是,无论LED串电压是高于还是低于电池电压,电路都能继续以最佳方式工作。
图3显示了图1所示演示板的原理图,这是一款升压后双降压模式LT3797和LT3965矩阵调光大灯系统,具有16个LED,电流为500mA。每个 LED 都可以单独控制打开、关闭或 PWM 调低至 1/256 亮度。LT3797 的 350kHz 开关频率在 AM 频带之外 (有利于 EMI),而 LT3965 由此产生的 170Hz PWM 调光频率 (由相同的 350kHz 时钟产生)高于可见光范围。在系统正确同步的情况下,LT3797 和 LT3965 矩阵大灯将无闪烁运行。

图3.LT3965 矩阵 LED 调光器系统,具有 LT3797 升压然后双降压模式 LED 驱动器和两个 LT3965 矩阵调光器,后者可利用汽车电池以 500mA 电流驱动 16 个 LED。我2C 串行通信控制单个 LED 的亮度,并检查 LED 和通道故障。
LT®3797 降压型模式转换器专为极快瞬变而优化,具有很少或没有输出电容器和适当的补偿控制环路。这些 >30kHz 带宽转换器可承受快速 LED 瞬变,因为 LED 会打开和关闭,PWM 会随意调光。放置在LED检测电阻上的滤波电容取代了控制系统中的一个极点,当输出电容减小或移除时,该极点会丢失,以实现矩阵调光器的快速瞬态性能。
来自开关节点的充电泵用于为 LT3965 V 供电在引脚比 LED 电压高 7V 以上,使顶部通道 NMOS 在驱动时得到充分增强。低 R+DS(ON)LT3965 中的 NMOS 开关即使在所有 8 个并联开关均导通时也能实现高功率操作而不会使 IC 变热,从而关闭整个 LED 串。在这种情况下,LT3797 LED 驱动器可以承受所有 8 个并联开关产生的虚拟输出短路,而不会出现任何问题,并准备通过下一个接通的 LED 快速调节 500mA。
演示电路DC2218(图1)采用图3所示系统,操作带有I的矩阵大灯2C微控制器通过DC2026,林杜伊诺™一个演示电路。DC2218 作为大型 Linduino 屏蔽运行,具有高达 400kHz 的串行代码,可生成不同的前照灯模式,并与凌力尔特的图形用户界面接口(图 4)。

图4.基于 PC 的接口允许设计人员对由 LT3965 驱动的 LED 进行访问控制和监视。
在图 4 所示的 GUI 中,可以使用全通道模式和单通道模式命令以及故障检查读写命令检查 LED 亮度和故障保护功能,以检查 LED 开路和短路。该演示电路系统可以检查无闪烁操作、故障保护和瞬态操作。DC2218可以直接插入12V DC电源,可以由运行GUI的个人计算机控制,也可以通过简单的USB连接重新编程。
采用并行通道
的 1A 矩阵 LED 驱动器 LT3965 可用于驱动 1A LED 通道的矩阵。很容易并联 LT3965 的电源开关,以便两个电源开关分离 1A 的 LED 电流,每个 LT3965 控制四个 1A 通道。使用并联电源开关获得更高电流的一种方法是,每个反相并联开关仅在PWM周期的50%内运行。通过单个NMOS电源开关交替运行1A的一半时间,有效加热大约等于一直通过相同的NMOS运行500mA。
图 5 示出了采用 8 个 LED 的 1A 矩阵大灯系统,这些 LED 由两个 LT3965 和另一个升压然后双降压模式 LT3797 驱动。当进行 PWM 调光时,LT3797 对 8 个开关采用独特的 1/8 周期相位,如图 6 所示。在此 1A 矩阵系统中,LT3797 通道以并联对方式组合,因此配对通道是反相的,彼此成 180°;专门配对通道 8 和 4、7 和 3、6 和 2 以及 5 和 1。并行通道交替分流,有效地将PWM频率加倍,具有分散分流电流和热量的优点。为此,任何单个并联电源开关的最大占空比为 50%,因为两个在 50% 的时间内打开的反相开关(每个在 50% 的时间内分流一个 LED)会在 100% 的时间内关闭 LED。

图5.1A 矩阵 LED 驱动器结合了反相并联通道,适用于高功率 LED 前照灯系统中的更高电流应用。

图6.8 个 LT3965 电源开关的 1/8 PWM 无闪烁相位可限制 PWM 调光亮度控制期间的瞬变。
每个 LT3965 控制由两个 1A 降压模式 LT3797 通道 (来自 LT3797 升压型 20V 通道)驱动的 4 个 1A LED 的亮度。这种高功率、稳健的系统可以扩展为具有更多 LT3965 的更多 LED 或具有更多并联通道的更高电流 LED 供电。每个通道可以以 1A 电流驱动两个 LED,并提高这种灵活的前照灯系统的功率。
每个通道多个 LED
LT3965 可支持每通道 1 至 4 个 LED。虽然单独控制每个LED以实现故障保护或高分辨率模式可能是有利的,但并不总是必要的。每个通道使用多个 LED 可减少系统中矩阵调光器的数量,并足以完成某些设计所需的模式或调光。前照灯、信号灯和尾灯部分最多可以有四个亮度相同的 LED。应急 LED 灯可以有一组三个和四个 LED,它们以相同的模式闪烁和波动。
图7中的电路演示了一个每通道两个LED的系统——它的LED数量与图3中的电路相同,但仅使用一个LT3965矩阵调光器,而不是两个。

图7.灵活的 LT3965 能够在独立的 LED 串上驱动 LED 通道,并能够驱动每个通道 1 到 4 个 LED。(完整的驱动器电路与图3类似,但只有一个LT3956,如下所示。
当一个我2C 命令指示 LT3965 接通、关断或调暗一个通道,这会影响由该通道的并联电源开关控制的两个 LED。为了保持在 LT3965 的电压限制范围内,仍需要将 500mA 的 16 个 LED 分成两个串联 LED 串,如图 2 所示。可以使用图2中的相同LT3797电路,但只有一个LT3965控制两个串的亮度。这演示了 LT3965 内部的每个 NMOS 并联电源开关如何独立于其他开关进行配置,从而实现了多种矩阵设计。
全通道模式和单通道模式 I2具有无闪烁PWM和淡入淡出的C命令
我2LT3965 的 C 指令集包括 1 字、2 字和 3 字命令。这些命令通过串行数据线(SDA)与主生成时钟线(SCL)一起以高达400kHz的速度发送。主微控制器发送全通道模式 (ACM) 或单通道模式 (SCM) 写入命令,以控制 LED 通道和 LT3965 地址的亮度、淡入淡出、开路门限和短路门限。
广播模式 (BCM)、ACM 和 SCM 读取命令要求 LT3965 报告其寄存器的内容,包括用于故障诊断的开路和短寄存器。LT3965 在出现新故障时置位一个 ALERT 标志。微型器件可以通过确定哪个 LT3965 报告故障以及故障的类型和通道来响应故障。在多个 LT3965 IC 报告故障的情况下,LT3965 可以对故障报告进行排序,以防止重叠错误。这使得警报响应系统可靠且确凿。LT3965 数据手册中给出了寄存器和命令集的完整列表。
ACM 写入命令只需两个 I 即可立即打开或关闭单个 LT3965 地址的所有 8 个通道2C 字 - 通道同时转换打开或关闭。打开或关闭大量 LED 会给 DC/DC 转换器带来显著的电流电压负载阶跃。本文介绍的转换器可以优雅地处理这些瞬变,只需很少或没有输出电容和高带宽。
如图 8 所示,转换大量 LED 的 ACM 写入不会在其他通道的 LED 电流上产生可见的闪烁或明显的瞬变。围绕 LT3797 构建的高带宽降压模式转换器是实现如此小且受控瞬变的原因。

图8.本文所示的LED矩阵驱动器设计具有极小甚至没有跨通道瞬态效应的特点。例如,转换一半的通道(此处为同时打开两个通道和关闭两个通道)对其他四个未触及的通道几乎没有瞬态影响。非转换通道保持无闪烁。
单通道模式写入产生相对较小且快速的单 LED 瞬变。SCM 写入用于一次仅将一个通道的亮度设置为开、关或带或不带淡入淡出的 PWM 调光。1/256 和 255/256 之间的 PWM 调光值通过 3 字写入进行通信,而 ON 和 OFF 可以通过较短的 2 字命令进行通信。单个 SCM 写入命令上的一个淡入淡出位使 LT3965 能够在两个 PWM 调光电平之间移动,并具有内部确定的对数淡入淡出,并且无需额外的 I2C 流量。每个通道的开路和短路阈值可以通过SCM写入命令设置在1到4个LED之间。
每个通道的 LED 短路和开路故障保护
短路和开路保护是矩阵调光器的固有优势。每个通道的 NMOS 电源开关可以在 1 到 4 个串联 LED 之间分流。传统的LED串具有防止整个灯串开路或短路的保护,只有一些IC具有输出诊断标志来指示这些故障条件。相比之下,LT3965 可防止各个通道短路和开路,从而在记录和报告故障情况的同时保持操作通道活动并运行。
当字符串内发生故障时,LT3965 会检测到该故障并置位其 ALERT 标志,从而向微控制器指示存在需要解决的问题。如果故障是开路,则 LT3965 会自动接通其相应的 NMOS 电源开关,旁路故障 LED,直到进行全面诊断或消除故障。
LT3965 维护每个通道的开路和短路故障寄存器,并在 I 期间将数据返回到微控制器2C 错误读取命令。该命令集包括保持状态寄存器不变的读取和清除故障寄存器的读取,允许用户可编程故障诊断。寄存器可以在允许写入的各种模式下读取,SCM,ACM,BCM:
单通道模式 (SCM) 读取返回单个通道的开路和短寄存器位。SCM 读取还检查该通道的开路和短路阈值寄存器、模式控制以及 8 位 PWM 调光值。
所有通道模式 (ACM) 读取返回给定地址的所有通道的开路和短寄存器位,而不清除位,以及所有八个通道的 ACM ON 和 OFF 位。
在具有许多 LT3965 矩阵调光器共享同一总线的更复杂的系统中,广播模式 (BCM) 首先读取请求,如果有的话,LT3965 地址已置位故障标志。
ACM 和 SCM 读取可用于检查和清除故障,并读取所有寄存器以实现稳健的 I2C 通信系统。
在同一总线上多达 16 个可寻址 LT3965S
每个 LT3965 具有 4 个用户可选地址位,从而实现 16 个唯一的总线地址。每个 ACM 和 SCM I2C 命令被发送到共享通信总线,但仅由寻址的 LT3965 执行操作。BCM 命令后跟总线上的所有 IC。4 位地址架构允许单个微控制器和单个 I2C 2 线通信总线,支持多达 8 个× 16 = 128 个可单独控制的通道。对于 LT3965,对于除最雄心勃勃的照明显示器之外的所有照明显示器,汽车前照灯、尾灯和装饰灯中的所有单个 LED 均可由单个 I 控制2C 通信总线和单个微控制器。鉴于每个通道最多可以连接到四个LED,一个相对易于实现的系统可以支持多达512个LED的矩阵调光。
结论
LT®3965 矩阵 LED 调光器控制单个 LED 灯串上的 8 个 LED 亮度通道,使照明设计人员能够无限制地访问复杂而引人注目的汽车照明设计。我2C 通信接口允许微处理器控制串中单个 LED 的亮度。I 中的故障保护2C 接口确保 LED 照明系统的稳健性。矩阵调光器的通道是通用的:每个通道可以控制多个LED;通道可以组合以支持更高电流的 LED;或者,在同一通信总线上使用多达 16 个矩阵调光器 IC 生产高 LED 数系统。在设计汽车前灯、尾灯、前灯、侧灯、仪表板灯和装饰灯方面迈出下一步——未来就是现在。
审核编辑:郭婷
全部0条评论
快来发表一下你的评论吧 !