作者:Derrick Hartmann 和 Michal Brychta
HART(高速可寻址远程传感器)协议允许通过传统的模拟 4 mA 至 20 mA 电流环路进行双向 1.2 kHz/2.2 kHz FSK(频移键控)调制数字通信。这允许对传感器/执行器进行询问,并在设备安装、监控和维护期间提供显着优势。HART为使用便携式辅助设备询问传感器/执行器的维护人员提供了好处,但要充分发挥HART带来的所有好处,传感器/执行器必须连接到具有HART支持的电流输入或输出的控制系统。本文将重点介绍支持HART的电流输入,以及在已经空间受限的4 mA至20 mA输入设计中添加HART功能的相关挑战。
首先,让我们关注HART FSK发送电路。图1显示了HART FSK发射电路的传统方法,在讨论该电路之后,我们将展示改进的电路设计,从而节省空间和成本。

图1.传统的HART FSK发射电路。
在图 1 中,R意义将4 mA至20 mA信号转换为1 V至5 V信号,由ADC读取。HART FSK 发射电路交流电通过 C1 将 ±500 mV HART FSK 信号耦合到 4 mA 至 20 mA 环路。这些信号是正弦或梯形波形。在HART调制解调器的输出端需要一个具有足够驱动强度的良好缓冲器,因为R意义代表低阻抗,电流环路布线上也可能有相当大的电容。当HART不传输时,缓冲器输出会向环路提供低阻抗,这可能会损害4 mA至20 mA信号。因此,开关(SW1)与缓冲器输出串联使用,以便在不传输时提供高阻抗。
SW1开路时,4 mA至20 mA环路可在1 V至5 V之间摆动。由于这种变化是交流耦合到SW1的,因此开关的输入电压可能高达±4 V。因此,开关需要±5 V或更高的双极性电源,或者可以使用光电开关。三态缓冲器是另一种选择,但同样,该缓冲器需要双极性电源。另一种选择是使用变压器隔离。考虑到HART信号频率,将需要音频变压器,这可能体积庞大,并且占用大量电路板面积。
图2显示了改进的HART FSK发射电路设计,该设计在减少空间和成本方面具有优势。在本电路中,AD5700 HART调制解调器具有足够的驱动强度,无需外部缓冲器即可将±500 mV FSK信号直接驱动到电流环路上。

图2.改进了HART FSK发射电路。
调制解调器不传输时,AD5700的FSK输出偏置至0.75 V,阻抗为70 kΩ。R2和R3提供更强的0.75 V偏置,交流阻抗为R2和R3 = 1.7 kΩ。由该1.7 kΩ和C1组成的高通滤波器可确保最差情况下的4 mA至20 mA输入信号,该信号在200 Ω R范围内为25 Hz时为±16 mA意义,仅导致HART调制解调器FSK输出被驱动至0 V至1.5 V之间。这意味着整个输入可以采用低至1.62 V的单极性电源供电,其中1.62 V是HART调制解调器的最小电源。
另一个考虑因素是输入阻抗,应大于230 Ω。为了确保足够大的输入阻抗,250 Ω输入电阻被分成50 Ω和200 Ω。交流输入阻抗为 R1 + (R意义||R2 ||R3) ≈ 230 Ω。如果需要,可以通过增加0.75偏置电阻R2和R3的值来增加该阻抗。FSK发射路径中额外的50 Ω将在一定程度上衰减FSK信号,但电压仍将满足HART规范的要求。
当电流环路摆动时,会有一些电流流过C1、R2和R3。必须确保这不会显著影响4 mA至20 mA模拟信号。将 0.1% 视为可接受的误差贡献<等于 7 个时间常数 (τ)。所以 7τ = 7 × R × C = 7 × (R2 ||R3) × C1 = 30 毫秒。4 mA至20 mA模拟信号限制为25 Hz,相当于40 ms周期。由于这比7个时间常数长,这意味着额外的电流测量误差将始终<0.1%。
这种改进的电路(如图2所示)消除了对缓冲器和开关的需求,也消除了对双极性电源的需求。与传统的HART FSK发射电路相比,这三个因素为系统节省了大量空间和成本。
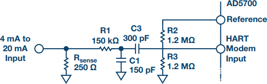
HART FSK输入的电路如图3所示。这提供了一个带通滤波器来抑制低频模拟信号,并提供对高频干扰源的抗扰度。所示滤波器专为AD5700量身定制,因不同的HART调制解调器而异。该带通滤波器的一个特点是R1提供的150 kΩ输入阻抗,可提供固有的高水平瞬态事件保护。

图3.哈特FSK输入。
用于4 mA至20 mA电流测量的电路如图4所示。200 Ω精度 R意义电阻将4 mA至20 mA信号转换为0.8 V至4 V信号,由ADC转换。接下来是双极点低通滤波器R2、C1、R3、C2,以抑制HART FSK信号。然后将该信号馈送到ADC进行转换。

图4.电流测量电路。
本文中描述的电路已经过构建和测试,可用作具有HART兼容性的PLC/DCS四通道电压和电流输入的参考电路—CN0364。本文中描述的电路在该板上完全实现,另外一个原因是该板还支持在四个输入通道之间多路复用HART。为了测试相关通道,FSK发射开关可以保持开路或闭合状态,当保持开路时,电路将与图2中的电路相同。此参考设计的文档可在 www.analog.com/CN0364 免费获得,硬件也可购买。
本文概述了如何为启用HART的模拟输入实现硬件。它还展示了使用AD5700 HART调制解调器改进的HART FSK发送电路。这种改进的电路无需任何外部缓冲器或开关,从而节省了电路板空间和成本。它还消除了对双极性电源的需求,从而节省了空间、成本和电源复杂性。
审核编辑:郭婷
全部0条评论
快来发表一下你的评论吧 !