适用于仪器仪表、工业和医疗保健领域的许多应用 工业、系统设计人员开发的各种数据采集卡 用于连接各种传感器类型:光学、温度、压力、 磁性、振动和声学,仅举几例。输出信号来自 这些传感器通常是单端或差分传感器。在此类应用中, 模拟前端接受单端或差分信号, 执行增益或衰减、抗混叠滤波和电平转换 要求,然后在满量程电平驱动ADC的输入。双 单端至差分和全差分信号链配置 需要额外的电路来电平转换输入信号。然而完全 差分信号链提供更高的噪声抑制和两倍的信号 摆动以增加功率和更复杂的信号为代价 链。模拟前端有时使用可选仪器 ADC驱动器级前的放大器或JFET放大器,用于高阻抗 传感器接口。根据应用要求,系统 设计人员将各种传感器的输出多路复用到一个 单个数据采集通道或使用同步采样进行数字化 来自单个传感器的信号,以提高采样率 每个通道。他们被迫寻找保持平衡的创新方法 在最佳性能、热功耗和增加 电路密度挑战。典型的高级传感器到比特数据采集 信号链如图1所示。

图1.典型的传感器到比特数据采集信号链。
两种常用方法是单端至差分转换和 差分到差分转换。
本文提出一种低功耗精密数据采集系统 全差分和单端输入信号配置解决方案, 重点介绍其关键设计注意事项,并演示如何 为空间受限的应用实现最佳性能。这 此处介绍的低功耗信号链采用低噪声全差分放大器ADA4940-1、差分输入18位PulSAR ADC7982、 ADR435精密基准电压源,还可缓解模拟信号 通过消除对额外驱动器级的需求进行调节并节省成本 电路板空间。®
全差分18位数据采集 信号链
逐次逼近寄存器 (SAR) ADC 用于无数 具有高精度性能、低延迟和 功耗相对降低。全差分输入单极性 SAR ADC 提供更高的分辨率和更好的交流和直流性能 其中大多数要求输入共模为 V裁判/2,以最大化信号摆幅和差分反相 信号(彼此异相 180°)在其每个输入端。这 可能涉及输入信号的电平转换。精密、低功耗、 需要18位、1 MSPS AD7982差分输入单极性PulSAR ADC 差分ADC驱动器可实现最佳性能。该 ADC 提供 与 SPI、QSPI 等兼容的多功能串行数字接口 数字主机。该接口可配置为简单的 3 线模式 用于最低的 I/O 计数,或允许选择 菊花链回读和忙音指示。4线模式还允许 来自 CNV(转换输入)的独立回读时序,使 使用多个转换器同时采样。
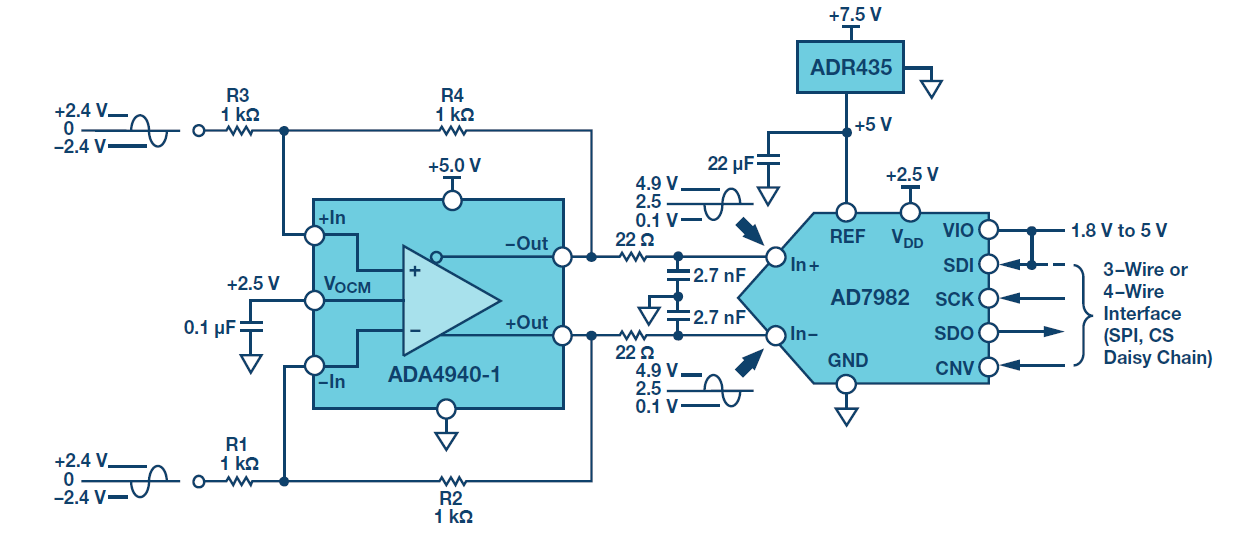
采用ADI公司专有的SiGe互补材料制造 双极性工艺,低功耗、低噪声、全差分放大器, ADA4940-1,最适合驱动16位和18位ADC,最小 性能下降。如图2所示,它驱动差速器 AD7982、18位、1 MSPS ADC和ADR435的输入,低噪声, 精密5 V基准电压源用于为ADC所需的5 V供电。这 ADR435提供足够的输出电流,无需 在REF引脚上使用22 μF去耦电容的基准电压缓冲器 AD7982。图2所示的所有IC均采用小尺寸封装, 包括 3 毫米× 3 毫米 LFCSP、4 毫米× 4 毫米 LFCSP 和 3 毫米× 5 毫米 MSOP,有助于减少电路板空间。

图2.低功耗、全差分、18位、1 MSPS数据采集信号链(原理示意图:未显示所有连接和去耦)。
放置一个单极点、2.7 MHz、RC(22 Ω,2.7 nF)低通滤波器 在ADC驱动器输出和ADC输入之间,以帮助限制噪声 在ADC输入端,并减少来自 SAR ADC的容性DAC输入。但是,过多的带宽限制可能会 影响建立时间并增加失真。因此,它非常重要 以找到此滤波器的最佳 RC 值。C0G 或 NP0 型电容器 推荐用于具有高Q值、低温的RC滤波器 系数,并在变化电压下保持稳定的电气特性。一个 应选择合理的串联电阻值以保持放大器 稳定并限制其输出电流。
低失真、高性能信号源 Audio Precision SYS-2702 用于以下所有测试用例,以实现最佳性能。在这种情况下,来自信号源的9.6 V p-p差分输出馈入ADC驱动器输入,以使用5 V基准电压源获得ADC的满量程动态范围性能。输出共模电压为2.5 V时,每个ADA4940-1输出摆幅在0.1 V至4.9 V之间,相位相反,为ADC输入提供1和9.6 V p-p差分增益。请注意,每个ADA4940-1输入需要200 mV接地裕量,5 V电源需要1.2 V裕量。每个ADA4940-1输出还需要100 mV的地桥裕量和裕量,以及5 V电源供电。®
当用作ADC驱动器时,ADA4940-1允许用户进行必要的信号调理,包括电平转换以及衰减或放大信号,以获得更大的动态范围,使用四个电阻,因此无需额外的驱动器级。反馈电阻(R2 = R4)与增益电阻(R1 = R3)的比值设定增益,其中R1 = R2 = R3 = R4 = 1 kΩ。
对于平衡差分输入信号,有效输入阻抗为2×增益电阻(R1或R3)= 2 kΩ,对于非平衡(单端)输入信号,有效阻抗约为1.33 kΩ,使用公式

如果需要,可以使用与输入并联的端接电阻。
ADA4940-1内部共模反馈环路强制共模输出电压等于施加至V的电压OCM输入并提供出色的输出平衡。差分输出电压取决于 VOCM当两个反馈因子β1和β2不相等时,输出幅度或相位的任何不平衡都会在输出中产生不需要的共模分量,并在差分输出中产生冗余噪声和失调。因此,在这种情况下,输入源阻抗和R1(R3)的组合必须为1 kΩ(即β1 = β2),以避免每个输出信号的共模电压不匹配,并防止来自ADA4940-1的共模噪声增加。
噪声分析
当信号穿过印刷电路板(PCB)和长电缆的走线时,系统噪声会积聚在信号中,差分输入ADC抑制任何表现为共模电压的信号噪声。差分信号增加了ADC的动态范围,并提供更好的谐波失真性能。
这款18位、1 MSPS数据采集系统的预期信噪比(SNR)理论上可以通过取每个噪声源(ADA4940-1、ADR435和AD7982)的和方根(RSS)来计算。
ADA4940-1在100 kHz时提供典型值为3.9 nV/√Hz的低噪声性能,如图3所示。

图3.ADA4940-1输入电压噪声频谱密度与频率的关系
计算差分放大器的噪声增益对于找到其等效输出噪声贡献非常重要。
差分放大器的噪声增益为:

是两个反馈因素。
应考虑以下差分放大器噪声源:
由于ADA4940-1的输入电压噪声为3.9 nV/√Hz,因此其差分输出噪声为7.8 nV/√Hz。
ADA4940-1共模输入电压噪声(eOCM) 是 数据手册中的83 nV/√Hz,因此其输出噪声为– eOCM× (β1 – β2) × NG= 0。
R1、R2、R3和R4电阻的噪声可以根据给定带宽下的约翰逊-奈奎斯特噪声方程计算。eRn(雷恩)= √(4KBTR),其中 kB是玻尔兹曼常数 (1.38065 × 10 – 23 J/K),T 是以开尔文为单位的电阻绝对温度,R 是以欧姆 (Ω) 为单位的电阻值。来自反馈电阻的噪声为eR2= eR4= 4.07 nV/√Hz。
来自 R1 的噪音将是eR1× (1 – β1) × NG = 4.07 nV/√Hz 和 R3 为eR3× (1 – β2) × NG = 4.07 nV/√Hz。
数据手册中的ADA4940-1电流噪声为0.81 pA/√Hz。
反相输入电压噪声:
iIN– × R1||R2 × NG = 0.81 nV/√Hz
同相输入电压噪声:
iIN+ × R3||R4 × NG = 0.81 nV/√Hz
因此,ADA4940的等效输出噪声贡献为:

ADC输入端(RC滤波器后)的总积分噪声为

AD7982的均方根噪声可通过其5 V基准电压源的典型信噪比(SNR)98 dB计算得出。

使用这些数字,ADC驱动器和ADC的总噪声贡献为

请注意,在这种情况下,ADR435基准电压源的噪声贡献被忽略,因为它可以忽略不计。
因此,数据采集系统的理论信噪比可以估算如下。

AD7982在1 kHz输入信号下实现典型值为96.67 dB的SNR和–111.03 dB的THD,如图4所示。在这种情况下,测得的SNR为96.67 dB,非常接近上述96.95 dB的理论估计SNR。数据手册中规定的98 dB目标SNR的实际损耗归因于ADA4940差分放大器电路的等效输出噪声贡献。AD7982的典型INL和DNL性能如图5所示。

图4.FFT 图,f在= 1 kHz, FS= 1 MSPS(ADA4940-1配置为全差分驱动器)。

图5.采样频率为 1 MSPS 的 INL 和 DNL 图(最小/最大 INL = +1.6/–1.1 LSB 和 DNL = ±0.5 LSB)。
单端转差分18位数据采集信号链
在许多应用中,单端转差分配置最常用于差分ADC,因为来自许多传感器的输出信号通常是单端的,在某些情况下,传感器之后的级是仪表或JFET放大器。在这种情况下,这些信号需要使用额外的电路进行单端至差分转换,以便将信号馈送到下游的差分输入ADC,并利用ADC的满量程范围。单端至差分转换可以使用分立放大器解决方案以多种方式实现,每种方法都有自己的优点和缺点。但是,这是以额外的电路板空间和增加成本为代价的。所提出的低功耗解决方案采用全差分ADC驱动器,可在单端至差分转换配置中提供最佳性能,ADC驱动器的集成输出共模控制也减轻了信号电平转换的痛苦,无需额外的信号调理级。同一电路还可以接受来自信号源的±4.8 V单端输入信号,以产生9.6 V p-p的全差分输出信号,并驱动ADC输入,以最大限度地提高动态范围性能,如图6所示。AD7982在1 kHz输入信号下实现典型值为95.89 dB的SNR和–110.14 dB的THD,如图7所示。

图6.低功耗、单端至差分、18位、1 MSPS数据采集信号链(原理示意图:未显示所有连接和去耦)。

图7.FFT 图,f在= 1 kHz, FS= 1 MSPS(ADA4940-1配置为单端至差分驱动器)。
功耗
许多数据采集系统需要低功耗和更小的电路板尺寸,以满足空间受限的应用。AD7982采用单V电源供电DD电源电压为2.5 V,采用5 V基准电压源和3 V V电源时在1 MSPS时的功耗仅为6.1 mW 左右IO供应。如图8所示,其功耗也与吞吐速率成线性关系,使ADC非常适合高采样速率和低采样速率,甚至低至几Hz。此功能可为电池供电的便携式仪器提供极低的功耗。ADC的基准电压可以独立于电源电压(VDD),这决定了ADC的输入满量程范围。在这种情况下,AD7982的5 V基准电压从外部施加在精密带隙基准电压源ADR435的REF引脚上,该基准电压源采用7.5 V板载电源供电,典型功耗为4.65 mW。

图8.AD7982功耗与吞吐量的关系
ADA4940-1采用5 V单电源供电,典型功耗为6.25 mW。其输出摆幅为0.1 V至9 V,共模电压为2.5 V,并可容纳ADC的满量程输入。其轨到轨输出可驱动至每个电源轨的0.1 V以内,音频范围内的交流性能下降最小。
所提出的数据采集系统(包括ADC驱动器、ADC和基准电压源)的总功耗典型值约为17 mW。
评估设置
使用音频精度SYS-2702信号源、ADA49xx-1 EVAL-BRDZ、EVAL-AD7982SDZ PulSAR AD7982评估板和EVAL-SDP-CB1Z系统演示平台连接的简化测试设置如图9所示。配备USB端口的Windows 7PC用于运行AD7982 PulSAR评估软件进行上述所有测试。

图9.评估设置功能框图。
在为给定应用选择用于驱动SAR ADC的ADC驱动器时,仔细检查噪声、带宽、建立时间、输入和输出裕量/裕量以及功率要求非常重要。本文针对单端和全差分输入信号配置提出的18位数据采集信号链实现了优化的性能,总功耗仅为17 mW左右,并通过消除额外的模拟信号调理级来节省电路板空间以提高通道密度。采用ADA4940-1的替代低功耗精密信号链非常适合驱动16位、1 MSPS/500 kSPS差分PulSAR ADC AD7915/AD7916,它们是AD7982的直接替代产品,可为空间受限的应用实现优化性能。
审核编辑:郭婷
全部0条评论
快来发表一下你的评论吧 !