作者:Vladimir Ostrerov and Chris Umminger
使用多个小电源通常比使用单个大电源更经济、更可靠。例如,可以使用单独的电池来提高可靠性。在多电源系统中,平均分担负载非常重要;否则,一个电源可能会尝试承载整个负载。本文介绍如何通过级联LTC4370电路轻松对3个或4个电源进行负载平衡。
LTC4370 控制器可在两个电源之间实现均流,输出电压之间略有差,如图 1 所示。为了完美平衡两侧的电流,控制器调节电压较高的一侧的N沟道MOSFET的栅源电压。这会在 MOSFET 的 R 两端产生压降DS(ON)加上电流检测电阻。

图1.LTC®4370 电流平衡控制器可在两个电源之间实现平衡负载均分,即使它们的电压输出不同也是如此。
LTC4370 能够补偿两个电源轨之间高达 0.5V 的电压差。如果两个电源的电压差略小于 0.5V,则 LTC4370 可以调节其输出以匹配较低值的轨 (通过在 RANGE 引脚上添加一个适当的电阻器来设置)。
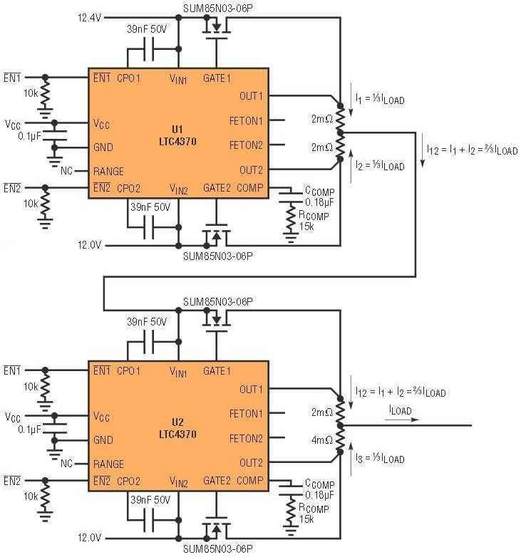
利用两个级联 LTC4370 在三个电源之间平衡负载
图2所示为一个提供10A电流的3输入、12V系统。请注意,一个 LTC4370 (U1) 在电源 V1 和 V2 之间执行相等的均流,而第二个 LTC4370 (U2) 在 U1 的输出电流和第三个电源 V3 的电流之间实现了 2:1 的关系。因此,每个电源平均贡献总负载电流的三分之一。负载处的输出电压小于电源电压 V1、V2 和 V3 中的最小值。由于级联有两个阶段,如果V1和V2之间的差异已经达到0.5V限制,则V3和V1或V2之间的差异可能高达1V。

图2.两个 LTC4370 可以级联以实现三个电源的均流。
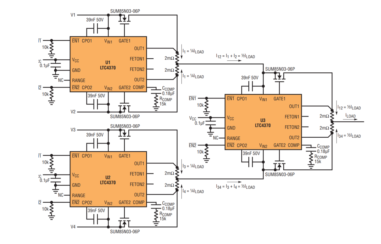
平衡四个电源之间的负载
级联三个 LTC4370 控制器 (图 2) 允许四个电源共享负载。在第一级,U1 和 U2 在一对电源之间均等分配,其中 U1 的输出电流为 I12= I1+ 我2,U2的输出电流为I34= I3+ 我4.第三个 LTC4370,即第二级,使12= I34.因此,每个电源贡献总负载电流的四分之一。如上所述,这两个级允许四个电源电压之间可能存在高达1V的差异。

图3.通过在两级级联中使用三个 LTC4370,四个电源能够各自支持相等的负载份额。
局限性
影响完美均流的主要误差源是:
LTC4370 误差放大器输入失调,±2mV (最大值)
检测电阻容差,1%电阻的最差情况总体为2%。
误差放大器输入失调导致的均分误差随着检测电压的增加而减小,但功耗增加。对于具有两个电源的简单LTC4370电路,该误差表示为电源均流的不平衡:

使用上述最坏情况的错误,错误是:

对于图2所示电路,理想负载均分意味着负载分布到1/3I负荷和 2/3I负荷,通过每个电源的最大和最小电流表达式更容易估计最坏情况不平衡:

结论
通过将一个 LTC4370 的共享输出与另一个 LTC4370 级联,可以有效地控制三个或更多电源,从而为负载提供相等的电流。当误差与检测电阻容差量级相同时,压降最小。
审核编辑:‘郭婷’
全部0条评论
快来发表一下你的评论吧 !