有时系统需要一点隔离电源,但设计隔离电源绝非易事。隔离电源的性质使其变得复杂而敏感,导致熬夜和长周末花在设计和调试上。LTM8047 和 LTM8048 μModule 转换器消除了设计隔离式电源的麻烦,将一个反激式稳压器置于一个紧凑的 9mm × 11.25mm × 4.92mm BGA RoHS 兼容封装中。控制器、电源开关和整流元件以及变压器和隔离反馈电路均集成在一起。两款器件均采用 3.1V 至 32V 输入工作,可产生超过 1W 的隔离电源。LTM8048 与 LTM8047 相同,但增加了一个集成的 300mA 线性后置稳压器。
使用 LTM8047 和 LTM8048 进行设计非常简单。图 1 示出了一款基于 LTM8047 的完整隔离式电源,只需增加一个用于输入、输出和偏置的电容器,以及一个用于设置输出电压的电阻器。LTM8048 只需要一个额外的组件:一个用于设置 LDO 输出电压的电阻器,如图 2 所示。

图1.LTM8047 仅需四个额外的组件即可实现一个接受一个 3.1V–29V 输入的隔离式 5V 电源。

图2.LTM8048 是增加了一个 LDO 后置稳压器的 LTM8047。
与大多数反激式转换器一样,输出电压可以高于或低于输入,以适应各种工作条件。而且,与反激式转换器的性质一样,LTM8047 和 LTM8048 能够提供的电流量取决于输入电压。图 3 示出了典型 LTM8047 在 2.5V、3.3V 和 5V 输出时的负载能力。LTM8048 具有相同的负载能力。

图3.LTM8047 和 LTM8048 的最大负载能力取决于输入电压。
集成在 LTM8048 中的线性后置稳压器是一款高性能 300mA 器件,在室温、满负载条件下具有低于 450mV 的低压差。如图4所示,后置稳压器的输出噪声和纹波小于1mV。这些测量是使用150MHz HP-461A差分放大器进行的。

图4.LTM8048 后置稳压器的输出噪声小于 1mV。
LTM8047 和 LTM8048 均集成了一个额定隔离为 725VDC 的变压器。每个隔离式μModule转换器都经过工厂测试,具有100%的可靠性,725V沿一个方向施加一秒钟,然后反向电压施加一秒钟。
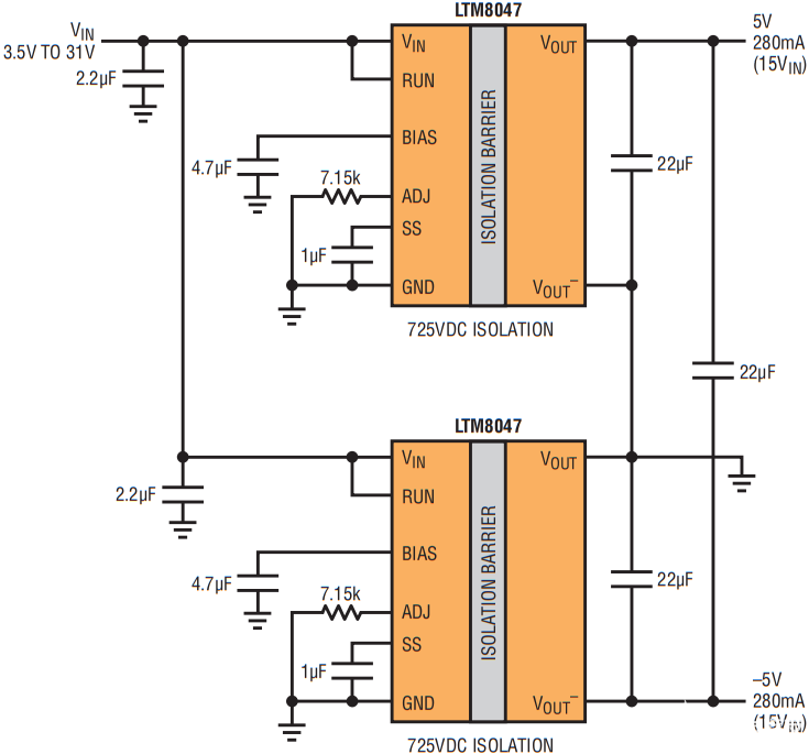
为了灵活起见,初级和次级之间没有连接电路,因此如果系统需要安全电容器或其他元件,则可以添加它们。这种灵活性允许对输出进行各种配置。例如,如图5所示,两个LTM8047可以组合在一起,以提供独立稳压的正输出和负输出。

图5.使用两个 LTM8047 转换器从一个 3.5V–31V 输入产生 ±5V。
结论
LTM8047 和 LTM8048 是两个反激式 μModule 转换器,可用于采用一个小型、易于使用的 9mm × 11.25mm × 4.92mm BGA 封装产生超过 1W 的隔离功率。LTM8048 与 LTM8047 几乎完全相同,但具有一个集成的高性能后置稳压器。
审核编辑:郭婷
全部0条评论
快来发表一下你的评论吧 !