不乏IC可以帮助设计人员构建开关DC/DC开关电源。选择范围从需要多个外部组件的多功能控制器到完全集成的单片解决方案,这些解决方案受益于低外部元件数量,以最大限度地减小整体解决方案尺寸。LT8582 双通道转换器在一个完整的单片式双通道解决方案中提供了控制器 IC 的多功能性。
LT8582 集成了两个完整的独立转换器,包括高功率 3A、42V 电源开关。它可以工作在高达 2.5MHz 的频率下,并采用纤巧的 7mm × 4mm DFN 封装,适合最小的空间。它包括多种特性,使设计人员能够优化转换器,例如软启动、单引脚反馈、单电阻频率设置、主/从电源开关、单独的最大命令和故障电流限制、用于输出或输入断开的外部 PFET 控制、FAULT 保护、用于电源排序的 PG 引脚以及用于异相同步和管芯温度监控的 CLKOUT 信号。
灵活性和简单性
LT8582 的每个通道均可在升压、SEPIC、反相或反激式拓扑中独立配置。图 1 显示了可用于商业或工业应用的一些常见组合,例如本地电源、LCD/电子墨水显示器和发动机控制单元 (ECU)。

图1.常见的双电源拓扑组合。
LT8582 坚固耐用,性能稳定。即使具有所有高级功能,它也易于使用 - 设计人员可以选择应用功能以适应各种应用。其 2.5V 至 22V 的宽输入工作电压以及每个通道上的 3A、42V 开关增加了芯片的多功能性。
高开关频率
LT8582 的恒定频率振荡器可利用一个电阻器在 200kHz 至 2.5MHz 范围内进行编程,该振荡器采用频率折返以在转换器启动期间更好地控制电感器电流。这种宽频率范围允许放置开关噪声,从而避免敏感频率。虽然较低的开关频率可提供更高的效率,但较高的开关频率有助于减小无源元件的尺寸。通过将时钟信号连接到 SYNC 引脚,开关频率可以同步到一个外部时钟。将 SYNC 引脚接地使能内部振荡器。
CLKOUT 引脚、同步和温度监控
LT8582 具有两个 CLKOUT 信号,每个通道一个。通道 1 的 CLKOUT 具有固定的 50% 占空比,与电源开关异相 180°。这可用于将通道2的反相同步到通道1,从而降低转换器的整体输入电流纹波。通道 2 的 CLKOUT 信号具有随管芯温度变化的占空比(每 10°C 3%),并且与电源开关同相。这可用于监控芯片温度。
故障保护和栅极引脚
LT8582 具有用于检测开关过流 V 的内部电路在过压和芯片过温 (> ~165°C)。芯片的 GATE 引脚是一个下拉电流源,可在故障期间控制外部 PFET。外部PFET可以断开输入或输出,如图2所示。

图2.控制外部PFET进行输入断开(左)和输出断开(右)。
当检测到故障时,LT8582 停止开关,GATE 引脚变为高阻抗。然后外部 R 关闭外部 PFET门电阻器。R型门必须选择电阻器,以便有足够的V一般事务人员可用于PFET在正常操作下完全增强为三极管。当故障消除时,LT8582进入一个超时周期,允许组件在重新启动序列开始之前冷却。
如图3所示,使用两个外部PFET和GATE引脚可以实现反向输入电压保护和输出短路保护。启动时,通道的电源电压通过M2的体二极管提供,而M1保持电源路径断开。当栅极引脚被下拉时,两个PFET都导通。如果输入电压反转,通道和电源路径通过M2与输入电源断开。如果输出短路,则电源路径通过M1与输入电源断开。GATE 引脚在不使用时可以保持浮动状态。

图3.反向电池和输出短路保护。
GATE引脚的另一个用途是限制转换器启动电流。在启动期间,GATE引脚电流随SS引脚电压线性增加,当SS电压超过500mV时,最大电流为~1mA。这允许外部PFET缓慢导通并逐渐提高输出电压。结合频率折返和软启动,此功能使转换器启动非常平稳,即使在热插拔事件中也是如此。
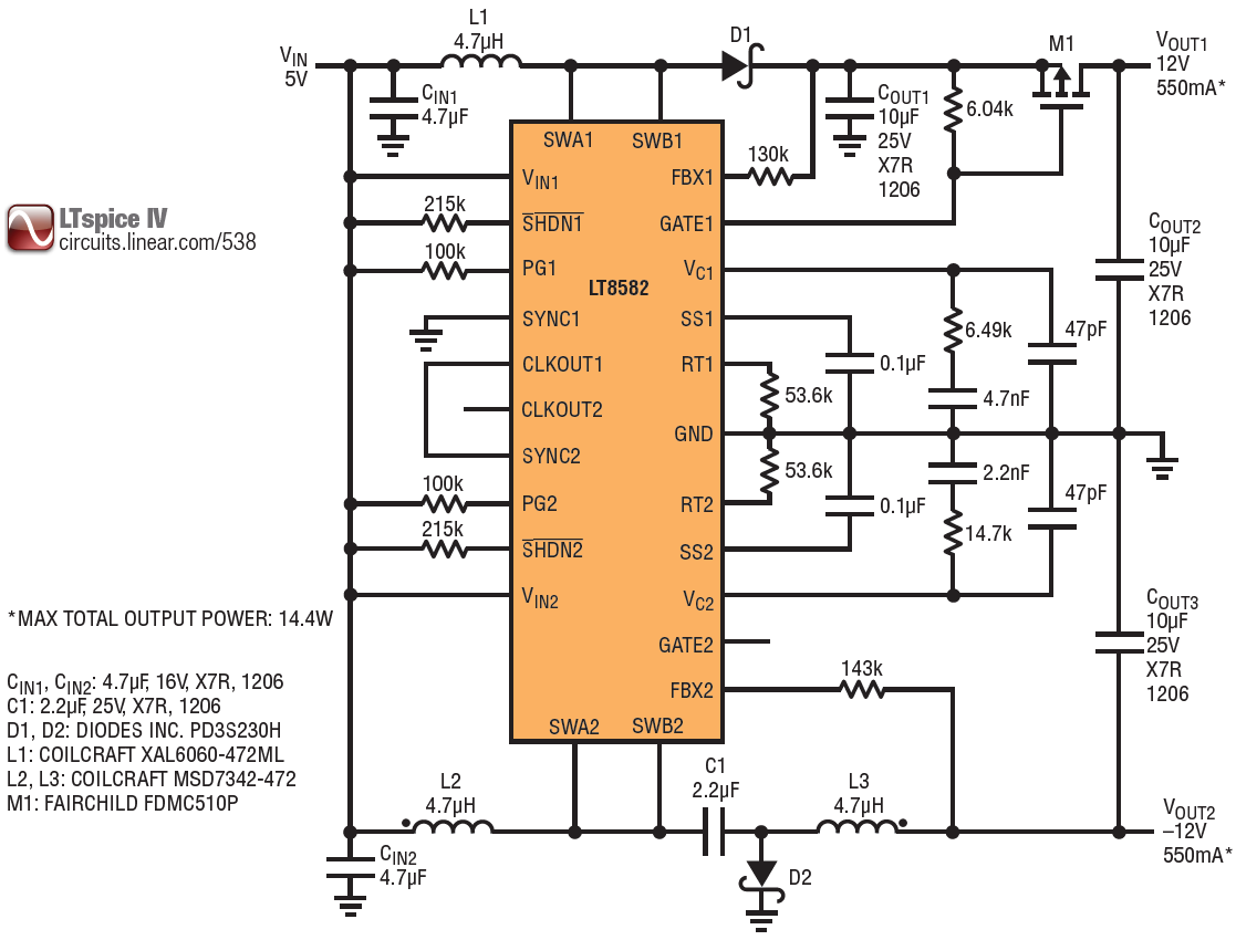
图4说明了GATE引脚如何为升压转换器提供短路保护。该电路利用芯片的通道1作为升压转换器,将通道2用作双电感、负相转换器,从5V输入电源产生±12V输出。

图4.一个1.5MHz +5V至±12V双通道转换器,采用一个LT8582。
升压拓扑的一个常见弱点是,它通过电感和二极管从输入到输出具有直接直流路径。输出短路会导致通过转换器的电流不受控制地增加,如果在此期间切换,可能会损坏直流路径和电源开关中的一个或多个组件。LT8582 通过在器件检测到过流情况时断开直流路径来解决此问题。
对于双电感反相和SEPIC拓扑,由于电源路径中的串联电容器,输入和输出之间没有直接直流路径,因此不需要外部PFET。
图4中的电路工作在1.5MHz的高开关频率。如果出现散热问题,使用更大的接地层和更好的气流有助于消除额外的热量。
主/从电源开关
LT8582 的每个通道都包含一个主开关和一个从开关,其额定电流分别为 1.7A 和 1.3A。开关按相位驱动,内部电流比较器仅感测通过主开关的电流。通常,这些开关连接在一起;分离后,它们可用于构建高压电荷泵,如图5所示。电荷泵电路产生的输出电压高于IC可以承受的电压。

图5.高压VFD和灯丝偏置电源。
电荷泵电路的第一级基于升压拓扑,使用通道的主开关。通道的从开关用于驱动其他电荷泵级,使升压级的输出电压成倍增加。这种配置的好处是主开关不受容性电流尖峰的影响,从而使 LT8582 能够明显地检测电感电流。此外,电荷泵二极管不需要通常用于限制容性电流尖峰的串联电阻。
高输出电压可用于低电流负载,如真空荧光显示器 (VFD)。在这种情况下,LT8582的第二个通道可以配置为SEPIC转换器,以偏置VFD的灯丝。在这里,通道2的主开关和从开关可以连接在一起以增加输出电流。图6显示了电荷泵电路在不同功率电平下的效率。

图6.电荷泵效率与输出功率的关系。
故障和电压C电流限制
LT8582 具有两个不同的电流限值:VC电流限制,这是可以命令的最大电流,以及FAULT电流限制,这是转换器过电流时的最大电流。FAULT 电流限值在内部设置高于 VC电流限制。当达到FAULT电流限值时,芯片进入故障模式并停止开关。然而,当 VC达到电流限制时,芯片降低开关占空比,降低输出电压。
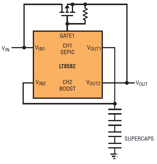
五世C电流限制功能可用于负载电压可能长时间处于低水平的情况,例如为超级电容器充电时。图 7 演示了 V 如何C电流限制和 GATE 引脚可用于利用一个 LT8582 和一个由四个超级电容器组成的组来构建备用电源。

图7.对备用电源中的超级电容器进行充电/放电。
实际电路如图8所示。这里,LT8582的通道1配置为SEPIC转换器,用于在V时为超级电容器组充电在存在。此时,通道1的GATE引脚使能,外部PFET为从输入到输出的负载电流提供路径。一旦输入电源断开,LT8582 的通道 2(配置为升压转换器)则无延迟地向负载提供电压,而外部 PFET 断开输入与输出的连接,从而防止能量回流至 V在.

图8.使用超级电容器的备用电源。
完整的备用电源电路如图8所示。根据所示的组件值,当V时,超级电容器组充电至10V在高于 ~11.4V。一次 V在低于~11.2V,电路保持V外在11V下约90秒,负载电流为500mA。超级电容器充电/放电期间的目标波形如图9所示。

图9.超级电容器充电(左)和放电(右)期间感兴趣的波形。
PG 引脚和基于事件的排序
PG 引脚是一个漏极开路高电平有效引脚,指示输出电压接近稳压。对于大多数应用,这相当于输出电压与目标输出电压相差 8%。SHDN引脚用于使能/禁用通道。将SHDN引脚驱动至地将禁用通道,而将SHDN驱动至1.3V以上使能通道。
图10显示了如何使用这两个引脚按顺序接通电源,这是具有多个电压电平的系统可能需要的。当通道1的输出电压接近调节电压时,通道1的PG引脚释放通道2的SHDN引脚,使能通道2。为了确保通道1的PG引脚在被通道2检测时的状态有效,通道1必须首先激活,即VIN1 UVLO应设置为低于VIN2 UVLO。为了给系统提供全局关机信号,SHDN.SYS信号驱动两个NFET,当信号为高电平时禁用两个通道。

图 10.顺序电源。
完整的电路图和启动波形如图11和12所示。

图 11.排序 12V 和 5V 双路输出。

图 12.V处的启动波形在= 12V。
FB 引脚和单电阻器电压反馈
LT8582 只需要一个反馈引脚即可提供正输出电压和负输出电压。此外,V仅有一个外部电阻外需要以FB来设置输出电压。内部反馈电路自动选择正确的基准电压,分别为1.204V或7mV,用于具有正输出或负输出的拓扑。
这种反馈结构可用于设计简单的跟踪电源,而无需使用跟踪控制器芯片。如图13所示,只需在LT8582的两个反馈引脚之间连接一个额外的电阻即可实现此目的。

图 13.使用一个额外的电阻跟踪电源。
R认知障碍/ 1FB12和 RFB2形成电阻分压器。通过它们的电流越多,跟踪效果越好。因此,通过连接电阻R的电流FB12必须相对高于FB1和FB2电流,因此:

选择 R 后FB12、反馈电阻R认知障碍和 RFB2可以按如下方式计算:


对于图14所示电路,绘制输出电压与负载电流的关系图可得出图15。

图 14.采用一个LT8582的双跟踪电源。

图 15.跟踪输出电压与负载电流(两个输出之间的负载)。
结论
LT®8582 是一款具有两个 3A、42V 电源开关的双通道独立单片式转换器。除了软启动、单引脚反馈和单电阻振荡器等常用特性外,它还包括独特的特性,如主/从电源开关、单独的最大命令和故障电流限制、用于输出或输入断开的外部 PFET 控制、故障保护、用于电源排序的 PG 引脚以及用于异相同步和管芯温度监控的 CLKOUT 信号。这些特性使LT8582能够用于各种应用,从典型的双轨稳压器到超级电容器备份电源。
LT8582 易于使用且稳健耐用。由于其高开关频率和单片结构,它可用于将功率转换器安装到最狭小的空间中。LT8582 采用纤巧型 24 引脚 7mm × 4mm DFN 封装。
审核编辑:郭婷
全部0条评论
快来发表一下你的评论吧 !