本文解释了接地环路是如何发生的,并讨论了如何使用电流隔离来消除接地环路。
长距离传输数据充满了潜在的问题。接地环路可能是一个干扰源,会在传输两端的接地之间产生噪声电压。如果该电压足够大,则可能导致接收器出现数据错误。本文将解释接地环路是如何发生的,并讨论如何使用电流隔离来消除接地环路。本文在 USB 上下文中讨论了接地环路,但其他接口(如 RS-232、RS-485 和 CAN)也容易受到接地环路的影响。虽然本讨论的重点是断开接地环路作为隔离这些接口的动机,但还有其他重要的考虑因素,例如操作员安全和需要隔离的电子设备保护。
接地环路顾名思义,是指系统接地方案中的物理环路,由电路之间的多条接地路径产生。这些接地路径可以充当大型环形天线,导致从环境中拾取噪声,从而在接地系统中感应电流。来自交流电源的 50 Hz/60 Hz 磁场是接地环路拾取噪声的常见来源。类似地,分布式接地系统也可以允许来自一个位置的源的接地电压噪声,导致接地电流在接地回路中流动。由于接地是低阻抗的,因此噪声电流通常很大。数百毫伏的噪声会导致安培电流流过接地环路。
图1显示了通用数据传输路径中接地环路干扰如何发生的示例。设备 #1 驱动设备 #2 接收的单端信号。信号线在任一设备上接地。例如,接地连接可以是同轴电缆的屏蔽层。器件接地之间有第二个低阻抗路径连接,通过其电源的安全接地。这两个接地连接形成一个大环路,从附近干扰源的磁场中拾取噪声电压。这种干扰会降低设备 #2 看到的信号并阻碍传输。

图1.通用数据传输路径中的接地环路干扰。
虽然设计人员应小心避免使用单个接地位置的环路,但某些接口要求其收发器之间接地连接。这种接地连接需要断开,同时保持从发射器到接收器的信息流。换句话说,这两个器件需要电气隔离。
断开接地环路的一种可能方法是使用光耦合器,如图2所示。器件#1驱动光耦合器的LED,该LED激励光电晶体管中的电流。通过电缆的接地连接被移除,这可以防止噪声电流在设备 #1 和设备 #2 之间流动,并且信息以光的形式传输。

图2.
随着接口的性能和复杂性的增加,此方法具有局限性。光学隔离接口可能会变得复杂、昂贵,并且需要大量的电路板空间。光耦合器具有显著的传播延迟,因此仅对低速信号有用。当使用多个光耦合器时,LED和上拉电阻的功耗会变得很大。数字隔离技术可用于断开接地环路,而不会影响接口的性能,并且在简单的应用电路中,元件相对较少。数字隔离器是非光隔离器,它使用CMOS接口IC通过电容或磁耦合(Ott)传输信息。
使用 USB 电缆连接两个交流供电设备可能会导致接地环路中断通过总线的通信。 USB 通信通过单个双向差分对(图 3 中的 D+ 和 D− 信号)进行。主机设备控制总线并与外设通信。数据包的方向性是通过USB协议建立的,而不是通过控制信号建立的。主机设备为外围设备供电和接地。USB电缆中的这种接地连接以及主机和外设的安全接地形成一个接地环路,这可能导致外设的接地电位相对于主机的地电位移动,并导致不可靠的通信(参见AN-375,AN-727)。

图3.
隔离USB端口以消除电缆接地连接本身就很困难,因为没有控制信号来指示数据是向下游(到外围设备)还是上游(到主机)传输。如果不访问控制总线的串行接口引擎(SIE)的内部信号,确定数据方向性的唯一方法是通过总线事务。SIE 的信号可能不可用,因为 SIE 通常集成到处理器中。
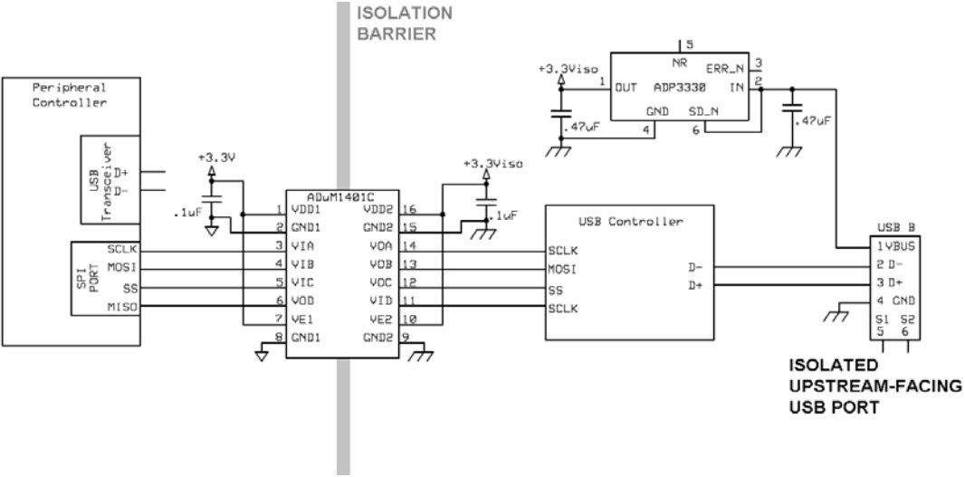
有几种可能的方法可以隔离 USB。例如,通过使用由具有单向信号(如SPI)的串行接口控制的外部SIE,可以避免隔离D+和D−的挑战。SPI是单向的,因此更容易隔离。图 4 说明了此方法。光耦合器的传播延迟会严重限制隔离式SPI的速度,因此使用四通道数字隔离器。外部USB控制器从其缓冲器传输数据,这些缓冲器通过SPI接口填充。尽管外部 SIE 将以外设的最快数据速率传输数据,但总线的有效数据速率受到控制器保持 SIE 缓冲区满载能力的限制。在这种情况下,数字隔离器的传播延迟可能是一个瓶颈。由于外部SIE,这种方法在电路板空间方面成本高昂,并且可能需要修改外设的驱动器。

图4.
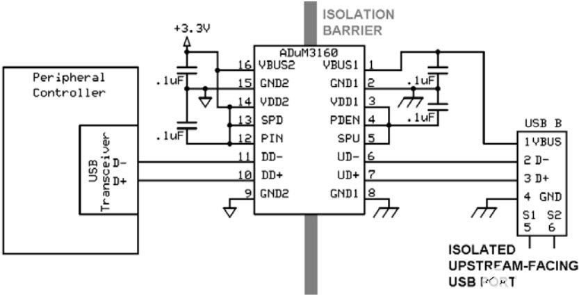
更简单的方法是使用ADuM3160单芯片USB隔离器直接隔离D+和D−线,如图5所示。该数字隔离器无需修改主机或外设的驱动器。其内部逻辑通过 USB 协议确定 D+ 和 D− 的方向性,并相应地激活和停用驱动程序。2.5kV隔离栅通过USB电缆分离接地连接,否则会导致接地环路(坎特雷尔)。

图5.
设计了一个简单的接地环路硬件仿真,以说明有线通信中接地环路的风险以及断开接地环路时电流隔离的有效性。测试设置创建了一个接地环路,通过USB电缆以及USB集线器和外围设备的电源进行连接,这些连接由笔记本电脑控制。此设置使用变压器将从交流电源线获得的60 Hz信号耦合到地线。这类似于电力线的磁场在接地回路中产生噪声,因为它依赖于相同的噪声源。可变串联电阻使通过接地环路的电流可调。观察从集线器接地到外设接地的电压,并增加通过接地环路的电流,直到中断与集线器的通信。由于模拟的接地环路电流,当两个不同的外围设备接地上升到比集线器接地以上1 V rms以上时,它们始终与集线器和笔记本电脑失去通信。使用ADuM3160 USB隔离器隔离集线器的端口,通过USB电缆进行接地连接,并防止变压器耦合电流流动。这有效地恢复了PC与任一外设之间的通信,并说明了如何利用数字隔离来防止接地环路。
总之,接地环路在有线通信中可能存在问题。设备之间的多个接地连接形成一个环路,可以拾取来自附近交流磁场的干扰。此外,如果接地电位存在差异(长距离可能出现这种情况),则会导致接地环路噪声电流。其中任何一个都可能导致数据错误。USB是可能遭受接地环路干扰的接口的一个例子,并且使用分立式数字隔离器不容易隔离。接地环路的硬件仿真提供了一个真实示例,说明接地环路如何影响USB接口,以及USB隔离器ADuM3160如何纠正这种情况。除USB外的其他接口也会遇到接地环路的问题。
审核编辑:郭婷
全部0条评论
快来发表一下你的评论吧 !