I2C 和 SMBus 2 线协议固有的简单性使其成为大型系统中通信重要信息的热门选择。两种标准均采用简单的漏极开路下拉驱动器,具有阻性或电流源上拉。然而,随着系统复杂性的增加,出现了一些实际问题。
大型系统的第一个问题是具有硬连线I2C地址的设备需要地址扩展以防止冲突。其次,噪声会导致毛刺,这些毛刺可能被解释为合法的时钟或数据转换,从而影响数据可靠性。第三,I2C器件可能导致总线保持低电平。最后,时序规格越来越难以满足,时钟频率受到等效总线电容的限制,而等效总线电容随着系统尺寸和复杂性的增加而增加。具有总线缓冲器的 LTC4312 和 LTC4314 引脚可选 2 通道和 4 通道 I2C 多路复用器通过许多强大的功能解决了这些问题 (参见表 1)。由于这两款器件具有相同的特性(除了通道数之外),本文重点介绍 LTC4314。
| 特征 | 好处 |
| 2 引脚和 4 引脚可选下行总线 |
• 总线配置 的最大灵活性 • 用作多路复用器时的地址扩展 |
| 我2C 缓冲液 | • 分解总线电容,允许较大的 I2通过将每个部分的电容保持在 400pF <来构建符合 C 标准的系统 |
| 可选 V伊利诺伊州 |
• 高逻辑低噪声容限,高达 0.33 • V抄送 • 可选 RTA 工作电压范围 |
| 水平翻译 | • 提供 I21.5V、1.8V、2.5V、3.3V 和 5V 总线之间的 C 通信 |
| 上升时间加速器 (RTA) |
• 缩短上升时间 • 允许使用更大的总线上拉电阻以获得更好的噪声容限 • 可选 RTA 上拉电流强度 |
| 从卡住的总线断开连接和恢复 |
• 释放主站恢复上游通信 • 在卡住的总线上产生多达 16 个时钟脉冲和一个停止位,以说服卡住的设备释放高电平 |
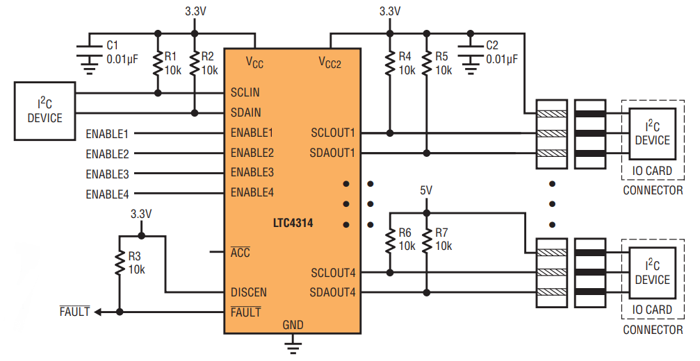
上游 I2C总线(SDAIN,SCLIN)可以是 连接到下游的任意组合 通过 LTC4314 总线的总线 缓冲器和多路复用器开关通过驱动 所需输出的使能引脚 巴士高。具有 相同的地址可以放在不同的地址上 总线并使用使能引脚进行隔离, 从而实现地址扩展。
缓冲器提供电容隔离 在上游总线和 下游总线,允许分区 总线电容。单曲 供应系统,缓冲器调节 总线高达 0.33 • V抄送,提供 逻辑低噪声容限。上升时间加速器 (RTA)的适当强度 可以激活以克服总线电容 限制,减少上升时间和 允许更高的开关频率 即使在重负载下运行。
LTC4314 与 我2C 标准和快速模式,SMBus 和 PMBus 规格。卡住的总线恢复 电路断开上游总线 从下游总线当SDA和 标准及校正实验所尚未同时处于高水平 45ms内最少一次,释放上游 总线以恢复通信。复苏 电路也试图说服 卡住的设备通过生成释放高电平 多达 16 个时钟脉冲和一个停止 启用的下游总线上的位。
最后,卡可以热插拔到 和 LTC4314 的 I2C 输出总线 前提是要热插拔的通道 已被禁用。LTC4314 的 工作电压范围为 V抄送从 2.9V 到 5.5V, VCC2从2.25V到5.5V和总线 电压范围为2.25V至5.5V。The LTC4314 电平转换低至 1.5V 和 1.8V总线在某些条件下,如果 RTA 在低压总线上被禁用。
高带宽缓冲器可提高噪声容限和速度,同时保持低失调
通过离开获得高噪声容限 LTC4314 缓冲接通,直到两个输入 输出总线电压> 0.33 • V最低, 其中 V最低是 V 的较低者抄送和 VCC2电压。这是可能的,因为 高带宽缓冲区不限制 公共汽车的上升率,允许他们 以保持更高的总线电压。
如图1所示,当噪声为400kHz时 方波信号应用于SCLIN, SCLOUT1波形在以下情况下跟踪SCLIN。 SCLIN电压为< 0.33 • V最低和 当 SCLIN 电压释放高电平时 是 > 0.33 • V最低.低偏移使 SCLOUT1波形几乎与 电压 < 0.33 • V 的 SCLIN 波形最低. 输入时不会发生输出毛刺 越过 V伊利诺伊州水平 0.33 • V最低, 如SCLOUT1波形所示。

图1.LTC4314 发射一个噪声的 400kHz I2C信号应用于SCLIN。当 SCLIN 为逻辑低电平时,SCLOUT1 波形跟踪 SCLIN。在逻辑高电平期间,SCLIN上的噪声高于0.33 • V最低不会传播到 SCLOUT。
由于缓冲区在以下情况下断开连接 输入和输出总线电压 > 0.33 • V最低,任何应用于的噪音 一侧的逻辑高状态不是 传播到另一侧只要 总线电压不会低于 0.33 • V最低.如图 1 所示 其中SCLOUT1的逻辑高状态 不受 SCLIN 上的噪音影响。
掌控整体的设计师 I2C 系统可设置 LTC4314 以工作 在高达 1MHz 的频率下,通过调整 总线上的RC负载和使用强力 区域贸易协定(见表2)。LTC4314 的高至低 传播延迟 tPDHL总是 正,大约 100ns。取决于 上游的总线装载条件 和 LTC4314 的下游侧, 从低到高的传播延迟 tPDLH的 LTC4314 可以是正的或负的。 适用于高频运行的系统 (>400kHz) 设计人员应量化 该 TPDLH-吨PDHL在他们的SDA和 标准及校正实验所途径,确保数据建立和 所有巴士的等待时间都是可以接受的。
| 行政协调会 | 我区域贸易协定 | V实时状态(TH) | V伊利诺伊,崛起 |
| 低 | 强 | 0.8V | 0.6V |
| 高阻 | 3毫安 | 0.4 • V最低 | 0.33 • V最低 |
| 高 | 没有 | 不适用 | 0.33 • V最低 |
电平转换和嵌套寻址
图2所示电路说明 电平转换和嵌套寻址 LTC4314 的特性。The LTC4314 可以电平转换输入和输出 总线电压介于 2.25V (1.5V 和 在某些情况下为 1.8V)和 5.5V. 在图 2 中,LTC4314 转换一个 3.3V输入至5V和2.5V输出。只 显示下游总线 1 和 4 为简单起见。每个输出通道都有一个 专用使能引脚选择,允许 师傅独立沟通 具有相同 我2C 地址只提供一个 一次启用下游总线。

图2.LTC4314 在嵌套寻址和电平转换应用中,其中上游 3.3V 总线上的器件与 2.5V 和 5V 下行总线上的器件通信。为简单起见,仅显示总线 1 和 4。
径向连接的电信应用
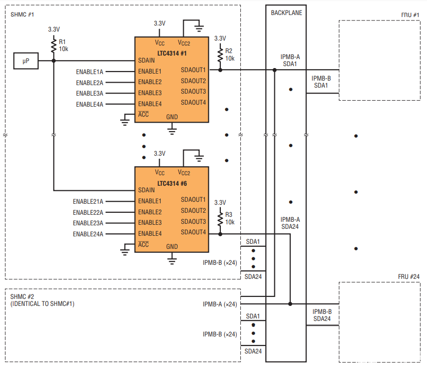
图 3 示出了 LTC4314 用于 径向连接的电信 应用程序,如 ATCA。两个搁板 经理 (SHMC) 用于沟通 与奴隶 I2用于冗余的 C 设备。 每个货架经理可以有 根据需要提供多个 LTC4314,具体取决于 系统中的板数和 所需的径向/星形配置 (6 ×图 3 中的 4)。内部的使能引脚 只有一个货架经理被断言为高 在任何时候。由于 LTC4314 可以 与其他凌力尔特技术级联 总线缓冲器,多达 24 个 FRU,带线性 边缘的技术总线缓冲器 可以插入背板。

图3.LTC4314 采用 6 × 4 排列方式用于径向连接的电信系统。在任何给定时间,只有一个磁盘架管理器的使能引脚为高电平。为简单起见,仅显示了SDA途径。
并联 LTC4314 以实现更多总线的多路复用
可连接多个 LTC4314 并行执行更高阶 多路复用。图 4 显示了 1:8 使用两个 LTC4314 的多路复用器。

图4.并联 LTC4314 器件以实现一个 1:8 多路复用器。
与不兼容的 I2C 设备的互操作性
高缓冲关断电压 LTC4314 可确保与 不合规 I2驱动 C 设备 高 V老> 0.4V.这显示在 图 5 不合规设备的位置 在通道 4 上驱动高 V老= 0.6V。 缓冲器关断电压为1.089V, 产生逻辑低噪声容限 输入和输出均> 0.4V。

图5.LTC4314 在与一个不合规的 I 操作时2驱动 V 的 C 设备老= 0.6V。缓冲器关断电压为 1.089V,从而产生 0.4V >逻辑低噪声容限。
热插拔™应用
I/O 卡可以热插拔到 驻留的 LTC4314 的下游总线 在带电背板上,如图6所示。 插入或拔出 I/O 之前 卡,必须注意禁用 相应的输出通道使 卡不打扰任何I2C 事务 这可能正在进行中。连接 到插入的卡必须仅启用 当所有正在进行的交易在 总线已完成,总线处于空闲状态。

图6.热插拔中的LTC4314™将卡插入或从输出中拔出的应用程序。在插入或拔出卡之前,必须将相应的ENABLE引脚驱动为低电平,并且仅应在其他总线空闲时驱动至高电平。
卡住的总线检测和恢复
偶尔,从属设备会感到困惑 并陷入低位状态。The LTC4314 监控启用的输出总线 检测时钟和数据是否同时存在 在 45ms 中至少高一次。如果 未检测到此情况,LTC4314 断言故障标志低。如果 DISCEN 是 连接高电平,LTC4314 也断开连接 输入和输出侧和生成 使能下游的时钟脉冲 公共汽车试图释放卡住的公共汽车。 数据释放时停止计时 高或 16 个时钟 生成,以先到者为准。之后 最终时钟脉冲,产生一个停止位 重置总线以进行进一步通信。
一个或多个使能引脚上的上升沿, 在所有启用都已降低之后, 需要重新建立连接 在输入和输出之间。行为 这也会清除故障标志。大师 可以等待故障条件 清除(故障释放高),要么打开 它自己或通过16个时钟脉冲 由 LTC4314 发出,在切换之前 LTC4314 的使能引脚,或者它可以 所以在故障发生之前先发制人 已清除以重新建立连接。这 然后,主控可以采取适当的操作 以清除卡住的低电平条件。
图7显示了期间的波形 SDAOUT1 卡在低位并恢复 事件。45ms 超时周期后 经过后,FAULT 标志被断言为低电平,并且 输入端和输出端断开。 这会导致 SDAIN 释放高电平。

图7.SDAOUT1 期间的总线波形卡住为低电平和恢复事件。
时钟脉冲在SCLOUT1上产生。 SDAOUT1 在 16 时钟之前释放高电平 脉冲已经产生。时钟脉冲 停止并生成停止位。 当 ENABLE1 引脚切换时, 在 输入和输出以及驱动的低电平 在 SDAOUT1 上传播到 SDAIN。
如果自动卡住的总线断开 不需要,此功能可以是 通过绑低迪森禁用。在此 在卡住的总线事件中,FAULT 标志被断言为低,但没有停止 发生位或时钟生成,并且 输入端和输出端保持连接。
上升时间加速器
上升时间加速器 (RTA) LTC4314 可配置为 电流源模式(ACC 开路),压摆 有限开关模式(ACC 接地), 或禁用(ACC 高)。在当前 源模式 RTA 源一个常量 3mA电流进入总线。在回转中 受控开关模式,RTA 开启 以受控方式和源出电流 进入公共汽车,使它们以典型的速度上升 速率为 40V/μs。RTA电流和 选择缓冲器关断电压 通过 ACC 设置,如表 2 所示。
对于具有低至中等噪声的大容性总线,将ACC连接为低电平,以满足系统上升时间并最大限度地提高SCL开关频率。将 ACC 连接到低电平可在最大电压范围内提供最强的上拉电流。为了获得更高的抗噪性,请将 ACC 保持开路或将其连接到 0.5 • VCC,将缓冲器 VIL 设置为 0.33 • VMIN,并获得 3mA 的 RTA 电流。3mA RTA 电流足以满足 1μs 标准模式 I2C 上升时间要求(100kHz 操作),适用于高达 690pF 的总线电容和 4mA 的直流总线上拉电流<。如果不需要加速,请将 ACC 绑得很高。要有选择地仅在输出上禁用 RTA,请将 VCC2 接地,然后接地 ACC,或者让 ACC 保持开路。
结论
LTC®4314 和 LTC4312 是引脚可选的 I2C 多路复用器,通过提供电容缓冲、嵌套寻址和电平转换来解决与大型 I2C 总线系统相关的实际设计问题。这些器件保持低失调和高逻辑低噪声容限,最高可达0.33 • VCC。其高带宽缓冲器和集成 RTA 允许在高达 1MHz 的频率下工作,并保证从 0 到 1.2nF 容性负载的稳定性。当总线卡在低电平时,它们还可以断开和恢复总线,并允许 I/O 卡热插拔到和移出实时系统。
审核编辑:郭婷
全部0条评论
快来发表一下你的评论吧 !