汽车、工业和分布式电源通常需要降压转换器降低其稳压不良的输出,以产生低压混合信号系统使用的多个电源轨。这些电源使降压转换器承受各种各样的电源电压瞬变,这突出表明需要坚固高效的降压转换器,以在宽输入电压范围内提供严格稳压的输出。LT®3692A 是一款单片式双通道 3A 降压型转换器,可满足这些系统施加的功率需求。其 3V–36V 宽输入工作范围和高达 60V 的过压瞬态保护使其能够轻松控制不守规矩的汽车或工业电源。灵活的配置选项允许设计人员从一个或两个独立的输入电源为 LT3692A 供电,同时产生两个独立的输出,或者并联这些输出以创建一个高电流电源。
真正的双切换台
LT3692A 在一个双通道单片式开关转换器中同时提供了高性能、高功率、不折不扣的特性和高电压操作。图 1 所示的 LT3692A 的两个降压通道是完全独立的。通道可以具有不同的输入电压、输出电压、电流限制、电源良好输出、软启动、欠压锁定,甚至不同的同步开关频率。独立的可编程欠压锁定允许 3V 至 36V 的可定制工作范围,同时可承受高达 60V 的输入瞬变。

图1.紧凑的双输出转换器可从 6V–36V 输入产生 5V/2A 和 3.3V/2A 输出。
LT3692A 还能够承受低电压条件,这要归功于一种增强型压差方案,无论开关频率如何,该方案都能保持大于 95% 的最大占空比。两个独立的可编程输出电流限值最大限度地减小了元件尺寸并提供过载保护,而独立的软启动消除了启动期间的输入电流浪涌。与通道无关的内部热关断电路允许一个开关稳压器在另一个通道上出现短暂过载的情况下继续工作,从而提供额外的过载保护。
可编程电源良好引脚与一个芯片结温度输出引脚相结合,大大简化了电源排序和监视 LT3692A 电源的任务。可调或同步固定频率操作范围为 250kHz 至 2.25MHz,一个同步时钟输出允许将多个稳压器同步至 LT3692A。独特的时钟分频功能允许通道1以比主时钟频率慢1倍、2倍、4倍或8倍的同步频率工作,从而优化解决方案尺寸、效率和系统成本。宽功能集和独立通道操作相结合,简化了复杂的电源设计。
欠压和过压锁定
开关稳压器对电源呈负阻抗,如果电源电压下降且稳压器吸收的电流越来越大,则可能导致锁存故障。可编程欠压锁定(UVLO)提供了一种避免此问题的简单方法,可在输入电压过低而无法支持满载操作时防止降压转换器吸收电流。另一方面,过压锁定(OVLO)会阻止转换器在所需范围以上工作。默认欠压和过压闭锁在内部分别设定为2.8V和36V,但可以设置为任意值。
参考图 2,如果 SHDN1 低于 1.3V 或 V,则 LT3692A 进入停机模式合1电压降至 2.8V 以下,可保护电池供电系统免受过度放电的影响。所有内部稳压器均由通道1控制,如果通道1进入关断状态,则有效关断整个IC。具有足够的 V在电压,如果 SHDN1 超过 1.3V,则允许通道 1 工作。由R1/R2或R3/R4组合组成的单分压器控制UVLO电平。

图2.框图示出了 LT3692A 的欠压和过压闭锁功能。
图 3 中的电路示出了如何在一个通道上将 LT3692A 配置为可编程 UV/OVLO,同时在另一个通道上利用默认的 UV/OVLO 保护。

图3.具有默认和可编程UV/OVLO的双转换器。
关断 UV/OVLO 或过热情况导致内部上电复位锁存器使能,从而对软启动和 V 放电C引脚电容器。该锁存器将保持设定状态,直到停机条件终止,然后 LT3692A 启动一个完整的启动序列。图 4 中的软启动电压波形显示了图 3 中计算出的 UV/OVLO 限值如何在欠压和过压电源瞬变期间保护 LT3692A。

图4.UVLO/OVLO期间的软启动电压。
可编程电源良好和启动排序
LT3692A 可通过 CMPI 引脚访问电源良好 (PG) 比较器的正输入。每个负比较器输入固定在0.72V,以允许输入连接到反馈引脚(806mV基准),以获得标准的90%电源良好信号。其他输入(向下分配)可能来自内部结温引脚(TJ) 表示过热指示或输入电压指示输入电源良好。比较器输出可以连接到其中一个软启动引脚以禁用通道,DIV引脚用于改变频率,ILIM引脚以降低电流,或任何外部器件以传输信息。这些比较器用途广泛,可实现定制的紧凑型解决方案。
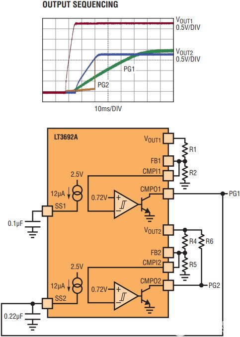
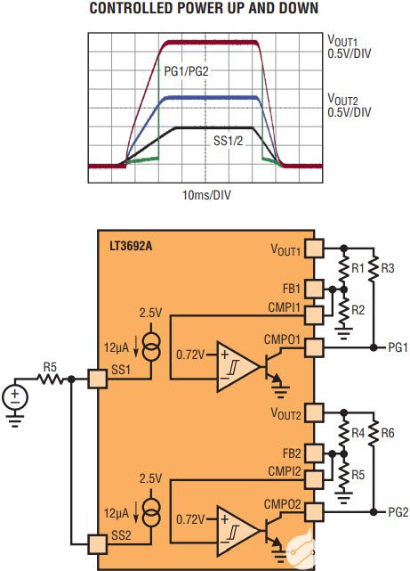
启动排序和控制在现代电子产品中至关重要。通道之间的复杂输出跟踪和排序可利用 LT3692A 的 SS 和 PG 引脚来实现。图5显示了各种输出启动波形及其相关原理图。





图5.软启动引脚配置。
SS 引脚还可兼作独立的通道关断引脚。将任一通道的软启动引脚拉至115mV以下,将禁用该通道的开关。
开关频率编程
对 LT3692A 开关频率进行编程再简单不过了。RT/SYNC 引脚精确地提供 12μA 电流,因此只有一个电阻 (R设置) 需要设置引脚电压,从而设置开关频率,如下所示:R设置(kΩ) = 1.86E–6• f西 南部2+ 0.0281 • F西 南部– 1.76 开关频率 (f西 南部) 以 kHz 为单位,表示频率介于 150kHz 和 2.25MHz 之间。

图6.开关频率与RT/SYNC电阻的关系
为避免启动问题,LT3692A 将最小开关频率限制为一个 110kHz 的典型值。该特性加上与频率编程电阻并联的小电容器,在启动期间增加了用户可编程的频率折返功能。
消除时钟
更多的电源轨意味着更多的转换器。如果这些转换器中的任何一个以不同的频率工作,则除了开关基波和谐波频率外,干扰拍频还会产生辐射和传导EMI。例如,一个开关频率为1.015MHz的转换器和一个开关频率为1.005MHz的转换器组合在一起,频率为10kHz,就在音频频段。
拍频很容易干扰任何具有相似频率的信号路径。传统上,解决方案涉及通过外部振荡器同步转换器。LT3692A 在 CLOCKOUT 引脚上输出一个 0 至 2.5V 方波,该方波与其自由运行的内部振荡器或 RT/SYNC 引脚上的信号相匹配。由于 LT3692A 可用作振荡器源,因此无需一个外部振荡器,从而降低了成本和解决方案占板面积。图 7 中的电路示出了 CLOCKOUT 信号如何同步两个工作在 1MHz 的 LT3692A 转换器。通过连接 V 产生单个高电流 3.3V/10A 输出轨外、FB、SS 和 VC两个 LT3692A 之间的引脚。此外,有限的同步信到开关延迟允许四个通道与每个通道之间的90°相移同步(如图8所示),从而降低输出电压纹波和大容量输入和输出电容。

图7.3.3V、10A 4相转换器,具有UVLO、电源良好、120°C结温标志和最小输入电流纹波。

图8.4 相转换器开关波形。
LT3692A 同步
LT3692A RT/SYNC 输入提供了一种独特的同步功能 — 输入同步信号的占空比控制两个通道之间的开关相位差。通道1的上升开关边沿与信号的上升沿同步;通道2的上升开关边沿与信号的下降沿同步。通过改变同步占空比,LT3692A 双通道开关能够以反相方式工作,在某些情况下可实现非重叠操作,从而有效地减小了输入电流纹波和所需的输入电容。
例如,图9所示的输入纹波电压对于典型的反相双通道14.4V至8.5V和14.4V至3.3V稳压器的峰值为472mV。图 10 示出了通过采用一个 71% 占空比同步信号驱动 LT3692A 以在通道之间产生一个 256° 相移,输入纹波电压降至 160mV。

图9.双通道 14.4V/8.5V、14.4V/3.3V,通道间具有标准的 180° 相移。

图 10.双通道 14.4V/8.5V、14.4V/3.3V 通道间相移为 256°,可显著降低输入电压纹波。相移由输入同步信号的占空比进行编程。
辍学增强
开关稳压压差性能在输入电压可能接近(有时低于)调节输出电压的系统中至关重要。在低输入电压条件下,转换器应提供尽可能接近调节电压的输出电压,以保持输出运行。理想情况下,在这种情况下,开关稳压器将以100%占空比运行,只需将输入传递到输出,但这是不可能的,因为最小开关关断时间限制了开关占空比。
由于最小开关关断时间是固定值,因此只需降低开关频率即可提高最大开关占空比,但较低的开关频率需要更大的滤波器元件来实现低输出电压纹波。LT3692A 通过在多个开关周期内保持单片式高端开关导通来规避压差限制,仅在需要对升压电容器进行再充电时才终止延长的开关周期。这种独特的压差开关技术使 LT3692A 能够实现高达 95% 的最大占空比 -- 而与开关频率无关。图11中的图表比较了LT3692A与200kHz和2MHz时类似的降压转换器的压差性能。两个转换器在200kHz时表现出相似的压差性能;然而,在 2MHz 时,LT3692A 在一个低得多的输入电压下将输出调节至 5V。

图 11.在高开关频率下,LT3692A 压差增强功能改善了压差性能优于一个标准降压型稳压器。
永远不要跳过脉搏
高频开关允许更小的元件,但这也意味着更短的脉冲宽度。降压转换器具有固有的最小导通时间,可禁止在高频下实现高降压比。当输入电压上升过高时,转换器跳过脉冲。虽然使用许多降压转换器固有的内置脉冲跳跃听起来很有吸引力,但输出电压纹波会受到严重影响,如图12所示。

图 12.许多稳压器在无法支持输入电压升得过高时出现的大降压比时会进入脉冲跳跃模式。脉冲跳跃解决方案是自动且简单的,但它会显著增加输出噪声。
通过降低开关频率可以避免脉冲跳跃,但在双通道转换器中,一个通道的开关频率可能高于另一个通道。例如,考虑输入电压范围为7V至36V、输出电压为5V和1.8V的双通道降压转换器。在输入电压范围的高端,避免5V通道上的脉冲跳跃所需的开关频率几乎是1.8V通道要求的开关频率的三倍。通过以较低频率运行双通道转换器(选择以避免在1.8V通道上跳跃),5V通道所需的电感和电容值是较高频率运行的三倍。
LT3692A 通过增加一个将时钟分频 1、2、4 或 8 的 DIV 引脚来避免这种困境,从而使通道 1 得以在一个较低的同步频率下运行。图13显示了低电压和高压通道分别以250kHz和1MHz运行的应用。图14显示了开关波形。如果通道 1 (V外= 1.8V) 以 1MHz 运行,恒定输出电压纹波的最大输入电压仅为 15V,但在 250kHz 时,用于恒定输出纹波的最大电压超过了 LT3692A 的 38V 过压限值。表1显示了各种开关频率下恒定输出电压纹波的最大输入电压。

图 13.LT3692 可通过降低其低电压通道的工作频率来避免脉冲跳跃,同时将较高电压通道保持在较高频率。通过在更高的开关频率下运行更高电压的通道,仍然可以为该通道使用一个小的电感器和输出电容。在这里,通过将DIV引脚设置为1.2V,通道2 (5V)的运行速度比通道1 (1.8V)快四倍。

图 14.一个 5V 和 1.8V 双通道多频转换器可避免整个输入范围内每个通道的脉冲跳跃模式,同时最大限度地减小每个通道上的元件尺寸。
| 频率(千赫) | RT/同步 (kΩ) | V在(最大)(五) |
| 250 | 5.90 | 38 |
| 500 | 13.0 | 30 |
| 1000 | 28.0 | 15 |
| 1500 | 44.2 | 10 |
| 2250 | 69.8 | 6 |
独立电源输入
独立的输入电源引脚 (V合1/V合2) 允许 LT3692A 的两个通道以级联方式运作,一个降压的输出为另一个降压的输入供电。级联配置允许在高频下实现高输入/输出比,同时创建两个电源轨。例如,图15中的转换器在整个输入电压范围内设计为3.3V/2.5A/550kHz和1.2V/1A/2.2MHz。

图 15.一个3.3V和1.2V双通道2级转换器。
在同一芯片上级联两个转换器的好处有很多:
开关频率已与反相开关同步,以减少纹波
定制启动选项随时可用
轻松避免脉冲跳跃模式
整体解决方案比多IC解决方案占用的空间要小得多。
一种尺寸并不适合所有人
即使开关稳压器(例如 LT3692A)能够安全地承受过载情况,所有外部组件(例如电感器和二极管)的尺寸也必须能够承受稳态过载情况。如果从降压输出汲取的最大负载为1A,但降压转换器的内部电流限值设置为4A,则所有外部元件的额定负载必须为最大4A,以确保安全功能。通过根据故障条件而不是典型工作条件调整外部组件的尺寸,整体解决方案往往尺寸过大且不必要地昂贵。
LT3692A 通过提供一个独立的电流限制引脚 (ILIM) 解决了这一问题。如果一个或两个通道不需要全输出电流能力,则用户可选的电流限制允许使用更小、更便宜的元件。每个通道的电流限值可通过 ILIM 引脚电压在 2A 至 4.8A 范围内设置。一个精确的 12μA 内部电流源允许利用单个外部电阻器或 ILIM 引脚上的电压来设置电流限值。ILIM 引脚也可以接地,从而将最大输出电流限制为 2A。该特性允许用户在启动期间实现电流折返,只需将一个小值电容与限流编程电阻并联即可。12μA 内部电流源将可选的 ILIM 电容从 0V 充电至最终稳态值,允许电流限值从 2A 平稳上升至 4.8A。
通过使用 ILIM 功能,电路板空间显著减少,如图 16 所示。通过采用 ILIM 引脚功能,以及以独立的开关频率级联操作通道,图 15 所示电路的电源组件将电路板空间减少了 3 倍,突显了 ILIM 引脚的实用性。


图 16.比较了采用 LT3692A 的双输出 3.3V/2.5A 和 1.2V/1A 转换器的两种设计。较小版本的电路利用较大电路所不具备的特性,包括限流输出、级联通道以及以不同的开关频率运行两个通道,从而节省电路板空间。
过载条件
如果负载超过最大输出电流,输出电压将降至正常调节点以下。输出电压下降激活VC引脚箝位并对SS电容放电,从而降低SS电压。LT3692A 将反馈电压调节至 SS 引脚或内部 806mV 基准上的最低电压。结果,输出被调节到最大输出电流可以支持的最高电压。一旦过载条件消除,输出将从临时电压电平软启动到正常调节点。
图17显示了图15中1.2V通道在0.2Ω负载下的输出电压和电感电流。由于 ILIM 引脚电压在 0V 至 1.5V 范围内变化,输出电压在 0.32V 至 0.96V 之间调节,从而将电流限制在 1.6A 至 4.8A 之间。

图 17.使用 ILIM 电压进行限流编程。
来自这里的瓦特和来自那里的瓦特
曾经想从轨道上获取电力,但只需要多几瓦?最后一刻电源需求的增加让您陷入困境?现在,您可以从两个不同的电源获取功率,每个电源都有可编程限制。独立的V在ILIM引脚允许将图18中的两个独立输入电源设置为不同的电流限值。随着党卫军,VC和 V外引脚连接在一起,两个输入服务于单个输出轨。从每个电源轨获取的功率如图19所示。该解决方案在轨电压和可用功率利用率方面提供了灵活性,可以轻松解决功率共享问题。

图 18.双输入单路3.3V输出转换器。

图 19.从两个电源获取功率,实现单输出。
始终了解您的结温
The LT3692A TJ引脚输出与内部结温成比例的电压。结温为25°C时,TJ引脚输出 250mV,斜率为 10mV/°C。 在没有外部电路帮助的情况下,TJ引脚输出的有效温度范围为20°C至150°C,最大负载为100μA。扩展 T 的工作温度范围J输出低于 20°C,从 T 连接一个电阻J引脚连接至负电源,如图20所示。负电源轨电压和TJ引脚电阻可以使用以下公式计算:


其中温度最低是有效 T 的最低温度J引脚输出是必需的。V内格= 稳压负电压电源。

图 20.扩展 T 的电路J运营区域。
例如


图21中的简单电荷泵电路使用CLOCKOUT引脚输出产生负电压,无需外部稳压电源。表面贴装电容器和双封装肖特基二极管最大限度地减小了实现负电压电源所需的电路板面积。

图 21.从时钟输出生成的负轨。
结论
LT3692A 将两个完整的稳压器 (包括双通道单片式 3.8A 开关)压缩到一个 38 引脚裸露焊盘 TSSOP 或一个 5mm × 5mm 32 引脚裸露焊盘 QFN 封装中。两个通道独立工作,因此可以用一个器件生产两个高性能降压转换器,从而最大限度地减小电路尺寸并简化复杂的设计。独立的软启动、电流限制、电源良好和 UV/OVLO 功能使设计人员能够满足独特的功率共享、解决方案领域和启动时序要求。凭借宽工作范围和丰富的功能集,LT3692A 可轻松解决各种汽车、工业和分布式电源挑战。
审核编辑:郭婷
全部0条评论
快来发表一下你的评论吧 !