高功率密度已成为DC/DC转换器的主要要求,因为它们必须跟上电子设备不断增长的功能密度。同样,功耗是当今功能丰富、紧密封装的设备的主要关注点,推动了对高效解决方案的需求,以最大限度地降低温升。对于输入电压源可能高于或低于调节输出电压的应用,找到高效的紧凑型解决方案可能是一个挑战,尤其是在高功率水平下。传统的设计方法,例如使用双电感SEPIC转换器,效率相对较低,解决方案尺寸相对较大。
LTC®3113 单电感器降压-升压型转换器提供了一种紧凑、高效率的替代方案。内部低电阻开关允许转换器在纤巧的 4mm × 5mm 封装中支持令人印象深刻的 3A 负载电流。LTC3113 提供了一个 1.8V 至 5.5V 的扩展输入和输出工作电压范围,峰值效率达到 96%。内部 PWM 控制器专为低噪声性能而设计,可在降压和升压模式之间实现无缝转换。这些功能的组合使得 LTC3113 能够轻松满足具有挑战性的高密度电源要求。
图 1 示出了一款基于 LTC3113 的 11mm × 14mm × 2.5mm 的解决方案,该解决方案可从锂离子电池提供高达 12W 的输出功率。这意味着功率密度为 31mW/mm3(511瓦/英寸3).完整的SEPIC设计需要两倍的PCB面积,导致功率密度减半,效率显著降低,从而使热设计复杂化。

图1.典型应用占用 154mm2.
LTC3113 提供了多种选项来优化特定应用的性能,包括能够在 300kHz 至 2MHz 范围内调节工作频率、内部软起动、用户可选的突发模式操作以在轻负载电流条件下提高效率,以及一系列故障保护功能,包括短路保护和热停机功能。LTC3113 提供 4mm × 5mm DFN 和 20 引脚耐热性能增强型 TSSOP 封装。®
GSM应用
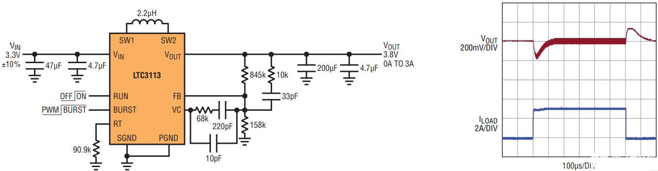
许多GSM应用需要在DC/DC输出电源轨上使用昂贵的超级电容器,以支持功率放大器在传输突发期间施加在输出上的临时重负载。在许多情况下,LTC3113 的高输出电流能力足以支持发射电流,而无需增设超级电容器。图2显示了RF功率放大器的这种电路和相关的典型负载瞬变,该放大器在3.8V输出端使用标准、廉价的100μF陶瓷电容。

图2.脉冲负载或便携式RF功率放大器电源和典型输出响应。
示波器照片显示了施加持续580μs的3A负载脉冲时3.8V输出的响应。对于这种极端情况,输出电压仅下冲150mV (4.5%),并迅速恢复。负载被移除时的输出电压过冲也显示出类似的响应。对于该外部负载脉冲,通过调整补偿来优化瞬态响应,以最大程度地减少负载阶跃的影响。
噪声性能
包括RF传输在内的许多应用对开关转换器产生的噪声都很敏感。LTC3113 采用一种低噪声开关架构来减少不必要的次谐波频率,这些频率发生在工作频率以下,并可能干扰其他敏感电路。这些次谐波通常发生在 V在和 V外大致相等。在此区域工作的降压-升压转换器通常会产生脉冲宽度和频率抖动,这是所有四个开关在单个开关周期内改变状态的结果。LTC3113 最大限度地减小了抖动或次谐波频率的幅度,以满足噪声敏感型 RF 应用的要求。
图 3 显示了 LTC3113 与一款没有 LTC3113 低噪声架构的竞争性降压-升压型转换器的最差情况频谱比较。最坏情况是通过在输出上放置固定的1A负载并缓慢增加或减少输入电压,直到观察到转换器频谱中最大的谐波含量来实现的。LTC3113 在其 2MHz 的开关频率下表现出预期的单个大幅度音调。相比之下,竞争的降压-升压在整个频率范围内表现出几个高幅度次谐波和谐波音,表明存在明显的脉宽抖动和潜在的噪声干扰问题。另请注意,在整个频率范围内,LTC3113 的总本底噪声比竞争产品低 10dB 至 20dB。

图3.LTC3113 与典型竞争产品器件的频谱比较。
单个锂离子电池至3.3V、10W转换器
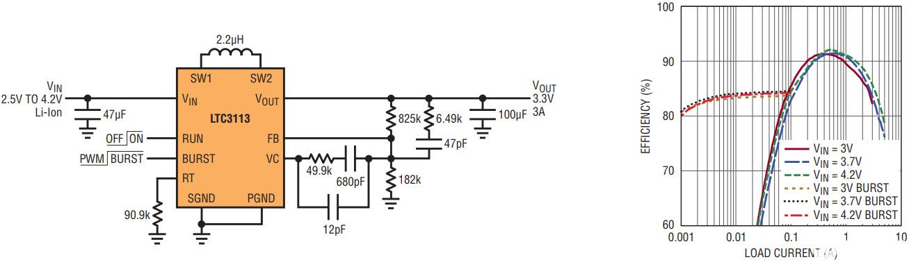
除了为RF功率放大器产生偏置电压外,从输入源(如锂离子电池)产生3.3V电源轨是降压-升压转换器的另一个常见应用。LTC3113 可在锂离子电池的可用范围内提供高达 10W (3.3V/3A) 的输出功率。图4所示为用于产生3.3V的典型应用原理图。图中还显示了该应用在负载电流范围内不同电池电压的相关效率曲线。效率峰值为92%,效率高于80%,在60mA至3A负载范围内实现。 突发模式操作采用可变频率开关算法,可在较轻负载下保持高效转换。

图4.锂离子电池至 3.3V 电源和效率。
将 BURST 引脚设置为一个大于 1.2V 的电压允许 LTC3113 在轻负载条件下进入突发模式操作,以最大限度地提高效率。对于噪声敏感型应用,通过将BURST引脚上的电压保持在0.3V以下,可以强制转换器进入固定频率操作。
备用电源系统
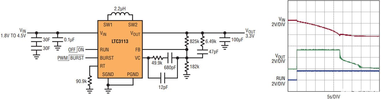
图 5 示出了一款超级电容器供电的后备电源系统,其中 LTC3113 用于在一个恒定的 1.5A 负载条件下提供一个稳定的 3.3V 输出。在该应用中,两个系列30F超级电容器在正常工作期间充电至4.5V,以便在主电源丢失时提供所需的备用能量。

图5.超级电容器供电电源和典型输出响应,负载为 1.5A。
示波器照片显示,当仅由两个串联 30F 电容器供电时,LTC3113 可将输出调节 22.5 秒。在这段时间内,电容器从初始 4.5V 放电至略低于 1.8V 的电压 — 仅由于 LTC3113 的低输入电压能力,才有可能在此输入范围内进行输出调节。在此示例中,输入提供的能量为:

输出调节至 3.3V,恒定负载为 1.5A,持续 22.5 秒,输出能量为:

这表明大约87%的可用输入能量被转换为输出功率。该应用的解决方案尺寸约为11mm×14mm,不包括超级电容器的面积。
结论
LTC®3113 单片式降压-升压型转换器在功率密度、低噪声操作和宽负载电流范围内的高效率方面开辟了新的天地。LTC®3113 是电池供电型产品、后备电源系统和 RF 或其他噪声敏感型应用的理想解决方案。
审核编辑:郭婷
全部0条评论
快来发表一下你的评论吧 !