作者:Bill Kolasa, Harry Holt, and Matthew Duff
二十多年来,CareFusion Nicolet一直是脑电图诊断系统领域的先驱发展。EEG(脑电图)监测用于睡眠研究、脑图谱和 ICU 患者大脑活动的神经学分析。随着脑研究和脑电图诊断的不断突破,脑电监测设备有望在传统临床环境之外的新环境中运行。这些新环境带来了新的设计挑战 — 本文解决了其中的一些挑战。
Harry(ADI公司的运算放大器应用工程师):最近,Bill、Matt和我就EEG前端设计第一阶段——仪表放大器(仪表放大器)——的权衡进行了一些讨论。我们认为与其他设计师分享可能会很有用。
Matt(ADI公司的仪表放大器应用工程师):没错。Bill 查看了我们产品组合中的许多仪表放大器,但最终还是创建了自己的仪表放大器。这在性能驱动的应用程序中非常不寻常,因此我们希望涵盖思考过程。比尔,你能概述一下你的设计目标吗?
Bill Kolasa(CareFusion首席电气工程师):我们目前有一个基于仪表放大器的设计,对我们来说表现良好,但我们希望优化某些性能特征,同时降低功耗。
正如许多EEG和ECG设备的设计人员所知,电极中半电池电位的差异会产生测量系统必须能够承受的大直流偏移。我们目前的系统设计用于处理高达±900 mV的偏移。为了应对现场看到的不同电极类型和环境条件,我们希望将公差提高到±1300 mV。

图1.脑电图信号链。
同时,我们正在考虑电池供电的设计,因此我们需要大幅降低所有组件(包括仪表放大器)的功耗。我们目前的功耗为每通道28 mW,我们希望将其降低到10 mW或更低。我们可以选择允许增加噪音以获得这种功率降低。
马 特:我们在心电图和脑电图客户身上看到了很多这种权衡。对于ECG和EEG前端设计,噪声、失调处理能力和功耗之间存在固有的权衡。
由于减法级的噪声,大多数仪表放大器具有较大的噪声分量。在高增益应用中,这并不重要,因为无论增益如何,该噪声在输出端都保持不变。因此,当噪声与输入端相关时,它非常小。
不幸的是,在EEG和ECG应用中,增益受到电极大偏移的限制。如果要使用大增益来获得良好的噪声性能,失调迫使您使用大电源来处理较大的失调。
法案:这确实是我们之前使用AD8221仪表放大器的设计所做的。输出噪声为75 nV/√Hz,输入噪声为8 nV/√Hz。为了降低以输入端为参考时大输出噪声的贡献,我们将AD8221的增益设置为14.8(有关噪声计算细节,请参见公式1和公式2)。增益还将我们的共模抑制提高了23 dB,因为共模增益是单位增益(参见公式3)。但是,为了利用该增益处理900 mV电极偏移,我们必须使用±15.5 V dc的电源轨(参见公式4)。我们的EEG放大器由64个通道组成,对于电池供电的应用来说,功耗变得太高。
我一直在等待ADI公司推出具有低输出噪声的仪表放大器。这是什么时候发生的?
马 特:放大器的输出噪声主要由六个电阻驱动。(图 2 中的 R1 到 R6)我们可以降低这些电阻值,但这有几个缺点:1)仪表放大器现在必须向这些电阻驱动更多的电流。为了在这些更高的驱动条件下保持良好的线性度,我们必须构建更强大的放大器,消耗更多的电流。这对您来说是一个双重打击:您必须通过小值电阻器提供额外的电流,并为更强大的放大器提供更多电流。

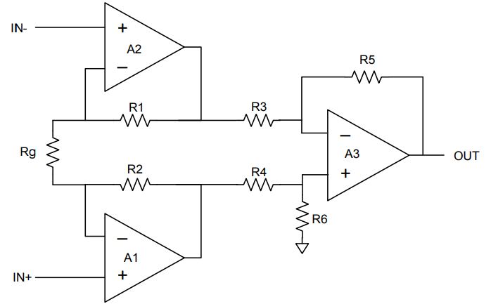
图2.教科书仪表放大器配置。
法案:对于我的功耗问题来说,这听起来不是好消息。
马 特:您的Rg增益设置电阻会变小。这对于噪声来说是一件好事,但如果您期望过压条件差很大,那就不是那么好了。它使放大器的输入对高增益下的大差分电压的鲁棒性降低。我们可以添加电路来解决这个问题,但这个电路会增加输入噪声。
法案:这对我们来说可能不是问题,因为我们的电极输入端已经有保护电路。
马 特:随着减法器电路中的电阻变小,基准引脚的输入阻抗也会变小。这意味着,如果要使用缓冲器驱动该引脚(这在您的应用类型中很常见),驱动放大器必须在目标频率范围内具有非常低的输出阻抗。否则,您可以降低系统的 CMRR 与频率的关系。较低的输出阻抗与频率的关系需要更高功率的驱动放大器。
法案:是的,在我们的新设计中,我们正在驱动该引脚,因此这将是一个问题。我们花了一些时间寻找一种缓冲器,其CMRR性能与仅将引脚接地相似。
回到最初的问题,我们让AD8221的电源电流为0.9 mA,工作电压为±15.5 V。我们希望通过减少仪表放大器的电流消耗和减少电源轨来降低功耗。我们开始寻找仍能满足我们其他性能要求的低功耗器件。
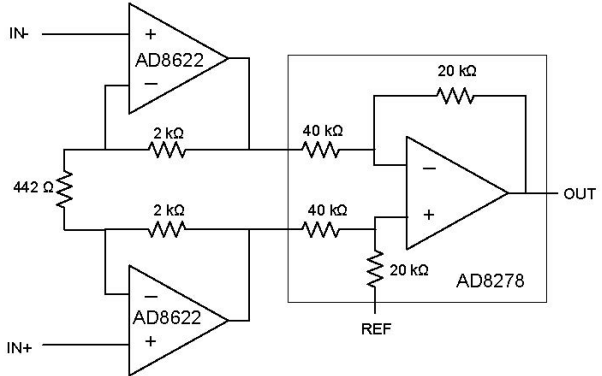
我们研究的一个仪表放大器是AD8235/AD8236。它具有非常低的功率和小尺寸,但噪声太大,最大5 V电源轨无法满足我们的直流失调规格。
马 特:这些是基于CMOS的仪表放大器,功耗为40 μA。 在功率胜过性能的ECG监测应用中非常受欢迎,但对于诊断脑电图来说还不够好,而CareFusion就是这样做的。
法案:我们考虑的另一部分是AD627。它还消耗非常小的功率,并允许宽电源轨。我们过去曾测试过噪声,因此知道它在功耗方面具有良好的性能。然而,它采用SOIC封装,如今尺寸很大,不能很好地减小电路板尺寸。
马 特:是的,也许我们应该为此做点什么...
法案:然后,您就有了具有300 μA至500 μA电源电流和宽电源范围的多种器件,例如AD8226和AD8227。然而,所有这些器件的输入偏置电流至少为20 nA,超过了本设计低于5nA的指定要求。
马 特:对于AD8226和AD8227等器件,我们希望能够一直测量到负电源。我们使用了更简单的输入级来做到这一点,并且必须牺牲一些输入偏置电流才能实现目标。在AD8221上,我们同时使用输入偏置电流补偿和超β晶体管,将偏置电流降至几百pA(典型值)。这让我们的很多客户都很高兴,但代价是我们放弃了输入的一些空间。
比尔,是什么驱动了您的偏置电流规格?我以为脑电电极的源阻抗约为10 kΩ?对于AD8226,最大输入偏置电流为27 nA,为270 μV,与电极的大失调相比,这算不了什么。您能告诉我们是什么驱动了您的偏置电流规格吗?
法案:5 nA规格确实来自我们的一些放大器,这些放大器必须处理更高的电极阻抗。但是,该放大器的EEG显示带宽要求低至直流。我们关注的是尽量减少由于电极阻抗变化而导致的基线漂移效应。
在我们发现ADI或您的竞争对手的仪表放大器都不能满足我们的所有要求后,我们决定考虑构建自己的仪表放大器。我们知道,对于>100 dB CMRR,在减法器级中使用匹配电阻非常重要。我们过去曾尝试过匹配的电阻网络,但发现这些网络很昂贵。我们似乎也从未完全获得预期的CMRR性能,这可能是由于电路板寄生电容。我们发现AD8278差动放大器具有我们想要的性能和功耗。
哈利:四电阻差动放大器比最初看起来更复杂。对于完美的运算放大器,CMRR受到电阻匹配的限制。(图 2 中的 R3-R6)。差动放大器的近似值(参见参考文献1)为:

哪里一个d是差动放大器的增益,t是电阻的容差。因此,对于增益为1%和1%的电阻,CMRR = 50 V/V,或约34 dB,对于0.1%的电阻,CMRR = 500 V/V,或约54 dB。
法案:我在你的一本手册中遇到了类似的解释。(见参考文献2)
哈利:上述公式适用于低频。CMRR在更高的频率下可能会进一步降低。例如,如果由于PCB布局或内部芯片布局,两个运算放大器输入端的输入电容差为400至500飞法,并且电阻为10 kΩ,则10 kHz时的交流CMRR将降低6 dB至7 dB。如果系统中有一个20 kHz(或更高)的开关稳压器,这可能很重要。
即使有完美的电阻和平衡电容,CMRR最终也会受到运算放大器的限制。
我看到差分放大器的两个主要性能类别。首先,典型的高端电流检测应用要求在电流范围的高端精度为3%至5%。具有合理失调和大约1%电阻的低成本运算放大器可以满足您的目标。请记住,一些低成本运算放大器的CMRR可能小于50 dB。这一点经常被忽视。其次,更精确的应用,通常作为分立仪表放大器的第二级,在0.1%至1%范围内,CMRR大于70 dB至80 dB。这可以通过一个好的运算放大器、四个具有低TC的匹配电阻(最好是比率匹配TC)和仔细的印刷电路板布局来实现。考虑到总成本和电路板空间,单芯片差动运算放大器看起来非常有吸引力。我明白为什么比尔选择AD8278;我们为他做了艰苦的工作。
法案:ADI公司提供一系列增益为1/2、1或2的差动放大器。我们比较了AD8271和AD8278,选择AD8278是为了降低功耗。我们将其配置为增益为1/2。这使我们能够增加输入缓冲器的增益,降低电源轨(我们确定为±7.5V dc),并满足噪声和直流失调容差规格。我们认为,将尽可能多的增益移动到输入缓冲器可提供最低的噪声。(参见公式5至公式11,了解新设计的噪声、CMRR和失调容差。
马 特:AD8278的增益可配置为1/2或增益2。通常,我们认为需要将放大器置于尽可能高的增益,以获得最佳噪声性能。但是,由于AD8278是本设计中的第二级,因此将其置于较低的增益中实际上有助于提高设计的噪声性能。这使得比尔在第一阶段应用了更多的收益。低噪声设计的基本规则是在第一阶段获得尽可能多的增益,这里的情况确实如此。
预先应用更多增益也有助于仪表放大器的CMRR。正如我们从之前关于电阻容差与CMRR的讨论中得出的那样,将差动放大器增益从1/2更改为2应该会给我们额外的6 dB CMRR。这也符合AD8278数据手册。但是,如果我们预先使用额外的4×增益,它将使差分增益增加4×同时保持共模增益不变。换句话说,通过预先增益,我们获得了额外的12 dBCMRR,而我们在差动放大器中施加增益可以获得6 dB。请注意,只有当第一级运算放大器具有良好的CMRR时,此技巧才有效,因此使用高质量的运算放大器非常重要。
将G = 1/2用于差动放大器级是Bill优化其分立设计与我们的集成仪表放大器相比的一种方式。通常,对于集成的In Amps,我们必须将差动放大器保持在G = 1或更高,因为较低的差动放大器增益限制了仪表放大器处理宽共模电压摆幅的能力。
法案:经过广泛搜索,我们选择了AD8622作为输入缓冲运算放大器。这款运算放大器具有我们想要的所有规格:小封装尺寸、低功耗、低输入偏置电流、0.1–10 Hz低噪声和宽电源轨。我们认为重要的另一个特征是统一获得稳定性。虽然我们的缓冲器以10的增益运行,但在仪表放大器配置中,共模信号的增益为1,从而导致潜在的稳定性问题。(见参考文献3)
哈利:对于前端运算放大器,有几十种选择,也许有数百种,因此获得精确的失调电压、偏置电流、电源电流、偏置电流等可以优化设计。当我们设计仪表放大器时,我们必须做出一些广泛的权衡,所以对于最后百分之十的性能,值得付出艰苦的努力。AD8622是我们精密放大器系列的最新成员,是电压噪声、低1/f转折、电源电流、增益带宽、失调电压、失调电压漂移等的完美组合。
我想赞扬比尔对系统进行分区的方式。有时我们看到四边形的三个部分用于仪表放大器。这是一个很容易落入的陷阱。第一级的要求在Vos、TCVos、增益、带宽、CMRR等方面与差动放大器级完全不同。同样,对于最后百分之十的性能,第一阶段的双和第二阶段的单倍是很有意义的。为了在运算放大器中获得低电压噪声,我们在第二级中会消耗大量不需要的电流。如果第二级驱动重负载,则需要比第一级运算放大器多得多的驱动。四通道的另一个缺点是:您可能会从输出运算放大器获得第一级运算放大器的热反馈。更详细的讨论见参考文献 4 和参考文献 5。
法案:出于电路板空间原因,我们的首选是使用集成仪表放大器。然而,提供精密差动放大器确实使我们能够微调仪表放大器,而无需昂贵且占用电路板空间的电阻网络。我们能够显著降低功耗,同时仍保持重要的性能特征,如噪声、CMRR和直流输入容差。

图3.简化的护理融合仪表放大器。
哈利:谢谢,比尔。Matt和我很喜欢与您合作进行最先进的设计。
附录:比尔方程
计算AD8221在0.1 Hz至100 Hz带宽下的预期峰峰值噪声,显示增益效应(忽略电流噪声,因为电极阻抗低)。

加入1/f噪声(使用数据手册中的增益= 10):

AD8221BR的预期最小CMRR计算显示增益增加。
(使用增益 = 数据手册中的 1 个数字):

电极偏移容差AD8221的计算:

用于新的仪表放大器设计(由于低阻抗而忽略电流噪声)。
AD8622缓冲器的噪声:

加入 1/f 噪声 =

1/2 Rg 与 Rf 并联时的噪声:

来自AD8278的噪声:

添加 1/f:

对所有来源求和:

新仪表放大器设计的预期最小CMRR:

新设计的电极偏移容差(直流电源连接到一个输入,第二个输入接地)。

全部0条评论
快来发表一下你的评论吧 !