随着应用设计人员利用LED的独特特性,对LED驱动器的要求变得越来越苛刻。凌力尔特提供完整的 LED 驱动器产品组合,其性能水平可满足最具挑战性的设计要求。这些LED驱动器特别擅长的一个领域是其PWM调光能力的性能和灵活性。LED 可以快速打开和关闭 - 只需纳秒即可点亮或熄灭光源。PWM调光利用这一特性实现了几个数量级的调光,同时在整个动态光强度范围内保持恒定的输出光谱。
当考虑到频率高于20kHz的PWM调光时,可用的LED驱动器的广泛范围会缩小很多。为什么是20kHz?尽管大多数LED灯设计人员担心在PWM频率低于约100Hz时会出现可察觉的闪烁,但在某些应用中,人眼并不是限制因素;它是人耳。人耳感知高达约20kHz的振动,这在某些应用中可能成为确定PWM频率的重要因素。多功能 LT3755 和 LT3756 是 LED 控制器精英组的成员,可在 50kHz 时支持 1:20 的非常高的 PWM 调光比。这些控制器支持各种拓扑,包括各种功率水平下的降压模式、升压和降压-升压。
高性能 PWM 调光
PWM调光方法很简单;LED在每个PWM周期内由严格调节的电流驱动,间隔固定。在关断阶段,LED中的电流为零。在导通阶段,电流被仔细调节。重要的是,“导通”电流是一致的,因为LED的输出光谱是正向电流的函数。PWM信号的占空比对应于调光值。
虽然这个概念很简单,但设计一个能够在高PWM频率下实现这一点的控制器绝非易事。脉冲电流的上升和下降时间应该很快,小于100ns。从任意输入电压产生合适的PWM电流脉冲可能是一个挑战。这通常需要一个高带宽 DC/DC 转换器来调节电流,在 LED 两端安装一个存储/滤波电容器来在 PWM 开/关转换期间提供电流,以及一个断开开关来确保电流波形具有尖锐的导通和关断边沿。
从闭环稳定性的角度来看,迟滞转换器虽然使用简单,但存在问题。LED电流上升和下降时间缓慢是使用大值电感器平滑通过LED电流的结果之一,因为没有输出电容。由于LED中的平均电流与电感中的纹波电流有关,而纹波电流又对输入电压瞬变敏感,因此LED光输出随输入电源而变化。在大多数情况下,此方法无法提供可接受的PWM性能。
什么决定了PWM性能?PWM间隔或频率由应用决定,有几个注意事项需要牢记。首先,如果PWM频率大于120Hz,人眼通常不会感知闪烁,因此间隔的下限通常为8ms。
可实现的调光比是驱动器电路提供的电流脉冲的最小导通和关断时间的函数。因此,8μs 的最小脉冲可在 1000Hz 时产生 1:120 的调光能力。20kHz的可听要求是因为陶瓷电容器可以将可听见的物理振动引入印刷电路板,而这些电容由于其低ESR、坚固性和长期可靠性而在高带宽转换器电路中无处不在。陶瓷电容器会随着施加电压的变化而物理改变尺寸(以及值),PWM瞬变期间的快速电压瞬变会导致尺寸的快速变化,从而将振动耦合到电路板中。如果您曾经注意到包含这些电路之一的手持设备旁边有烦人的嗡嗡声或嗡嗡声,那么您已经观察到了这种效果。
使用与LED串联的隔离开关大大降低了电压瞬变,从而降低了输出电容的嗡嗡声。虽然良好的设计技术可以极大地降低较低PWM频率的可闻噪声,但只要PWM频率低于20kHz,就不能保证消除可听发射。许多应用设计人员不想修改声学,而是更喜欢安静运行的电路,以完成合理的PWM调光工作。LT®3755 和 LT3756 电流模式开关控制器可配置为几种不同的转换器电路,以提供一个高带宽、良好调节的输出电流,该电流能够以短至 1μs 的间隔进行脉冲。
非连续导通模式是最大化PWM性能的秘诀
开/关时间短的关键是开关稳压器在非连续导通模式 (DCM) 下工作。在这种模式下,电感电流在每个开关周期开始时始终从零开始,峰值电感电流由负载决定,并通过开关占空比进行调整。相比之下,连续导通模式(CCM)保持相对恒定的开关占空比,并调整平均电感电流以满足负载需求。
DCM 在高性能 PWM 调光方面非常出色,因为它可在单个开关周期内向输出提供所需的能量。这允许控制器绕过 3-4 个开关周期的典型最小 PWM 周期,以达到稳定状态,这是 CCM 的常见要求。DCM 中的操作对开关组件提出了更高的要求,因为开关组件在给定负载下会看到更高的峰值电流。因此,控制器比单片转换器更易于使用,因为其最大开关电流可以根据应用需求进行编程,而无需更改应用的功能。
与 CCM 相比,在 DCM 中工作确实是有代价的:效率、输入电源范围和模拟调光范围都会有所降低。最大与最小输入电源范围的比值略小于最小PWM脉冲宽度与最小开关导通时间之比。同样,如果输入电源是固定的,则最大模拟调光比与最小PWM脉冲与最小开关导通时间之比相同。然而,这种技术的好处是,与连续导通模式相比,最小PWM周期短四到五倍。如果应用需要高PWM调光比,DCM模式提供了实现这一目标的可靠途径。此处所示的三个采用LT3755构建的应用电路演示了这种技术。
图1所示为一个9W升压转换器,该转换器采用26V至350V电源调节8V的LED电流,稳定电流为18mA。如果电源固定在 12V,则稳压器以恒定开关频率工作,用于由 CTRL 引脚在 125mA 和 1A (2.4W 至 27W) 之间设置的 LED 电流。最小导通时间为 1μs,最小导通时间为 2μs。图50中的开关波形显示了在27%占空比、1V/12A负载和1V电源下的工作。请注意LED电流信号的快速上升和下降时间,即使在7A时也是如此。在最大负载下,GATE引脚为1V,持续近3μs(与最小脉冲宽度相同),电感电流在每个GATE脉冲开始之前达到零,这是DCM工作的特征。图12显示了90V输入时的效率与LED电流的关系,峰值略高于<>%。

图1.这款 10W 升压 LED 驱动器通过在 50kHz 频率下实现 1:20 PWM 调光,远离音频频段。较低的PWM频率会导致陶瓷电容器振动时发出可闻的嗡嗡声。

图2.图 1 中升压 LED 驱动器的 DCM 操作。

图3.图1中升压LED驱动器的效率大于90%。
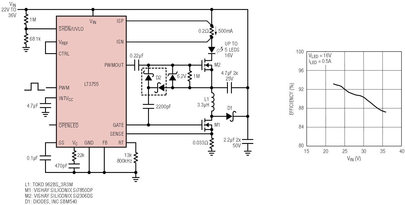
图4所示为降压模式转换器,该转换器采用16V至500V电源调节22V LED串,电流为36mA。该电路具有一个外部电荷泵和电平转换,用于驱动LED断路NMOS的栅极。这种电平转换提供的上升和下降时间比驱动PMOS的熟悉电阻电平转换要快得多,并且消耗的电流要少得多。图5中的示波器曲线显示了几个占空比下的PWM调光——很明显,输出LED电流没有明显的变化,因为脉冲宽度在最小导通时间和最小关断时间之间平滑调整。该8W电路的效率超过90%。

图4.8W 降压模式 LED 驱动器,在 50kHz 频率下具有 1:20 PWM 调光和 90% 的效率

图5.图4中降压模式驱动器的三种PWM调光设置。即使在 33kHz 下,LED 电流在最小占空比到最大占空比之间也没有明显变化。
图6所示为SEPIC转换器,该转换器采用1V至20V电源驱动12A、36V LED串。除了提供升压和降压能力外,该电路还非常方便,因为它提供输入-输出隔离,并内置输出短路至GND保护。该电路的效率超过87%。与其他电路一样,最小PWM导通和关断时间为1μs。图7显示了输出短路故障期间的波形。当开关电流斜坡上升到设定限值 10A 时,输入电流保持受控状态,然后跳过接下来的几个周期,同时 LED 电阻器检测到的电流斜坡下降到 1.5A。这种电路操作的故障模式可以无限期地持续下去,而不会损坏组件。

图6.20W SEPIC LED 驱动器,具有 50:1 PWM 调光(20kHz)和输出故障保护。

图7.图6所示的SEPIC转换器在GND输出故障期间保持控制。
结论
LT3755 和 LT3756 为一个产生窄至 1μs 的 PWM 脉冲宽度的 LED 控制器提供了无与伦比的性能,从而在高于可听范围的频率下实现了 50:1 的 PWM 调光。其他特性包括 LED 开路保护、LED 开路状态指示灯以及通过模拟输入对 LED 电流进行编程。
审核编辑:郭婷
全部0条评论
快来发表一下你的评论吧 !