大规模多输入多输出(M-MIMO)无线电在4G LTE蜂窝基站的后期部署中普及,特别是在密集的城市地区,小型蜂窝有效地填补了蜂窝覆盖空白,同时提高了数据速度服务。这种架构的成功清楚地证明了它的价值。它有望成为新兴5G网络无线电的首选架构,因为所需的频谱效率和传输可靠性特性是该架构固有的。使5G成为现实的挑战在于,设计人员必须大幅增加在多个频段中运行的同步收发器通道的数量,同时将所有必要的硬件压缩到与上一代设备一样大或更小的外形尺寸中。
这样做的含义是:
更多的信道意味着基站内和周围的射频功率更集中,因此信道之间没有相互干扰的隔离问题加剧了。
接收器前端组件必须具有改进的动态范围性能,以便在存在高功率信号时保持鲁棒性。
解决方案大小很重要。
热管理必须通过增加电子设备和发射器的功率来解决。
在寻求更高的数据速率以支持各种无线服务和不同的传输方案的过程中,系统设计人员面临着更高的电路复杂性,但必须满足类似的尺寸、功耗和成本预算。在基站塔中添加更多收发器通道可产生更高的吞吐量,但以更高的RF功率水平利用每个通道对于将系统复杂性和成本保持在可接受的水平同样重要。对于更高的RF功率,硬件设计人员在RF前端设计中没有太多选择,而是依赖于需要高偏置功率和复杂外围电路的传统解决方案,这使得实现设计目标更加困难。
ADI公司推出的一款集成式高功率开关,内置低噪声放大器(LNA),采用多芯片模块,用于时分双工(TDD)系统。ADRF5545A/ADRF5547/ADRF5549系列涵盖1.8 GHz至5.3 GHz的蜂窝频段,专为M-MIMO天线接口而设计。该新系列器件在硅工艺中集成了高功率开关,在砷化镓工艺中集成了高性能低噪声放大器,可提供高射频功率处理能力以及高集成度,没有任何妥协,这意味着它是两全其美的。
双通道架构
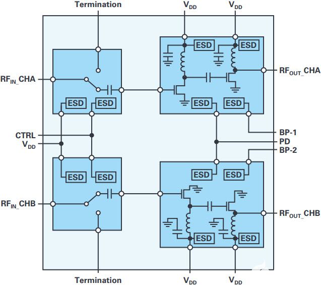
用于M-MIMO RF前端设计的ADRF5545A/ADRF5547/ADRF5549应用框图如图1所示。该器件具有包含高功率开关的通道,后跟两级LNA。在收发器的接收模式操作期间,开关将输入信号路由到LNA输入。在发射模式下,输入被路由到50 Ω端接,以确保与天线接口正确匹配,并将LNA与天线的任何反射功率隔离开来。集成的双通道架构使设计人员能够轻松扩展其MIMO,以超过传统设备的8×8(8个发射器×8个接收器)配置的限制,达到16×16、32×32、64×64甚至更高。

图1.M-MIMO 射频前端框图
宽工作带宽
每个器件的ADRF5545A/ADRF5547/ADRF5549增益特性及其各自的频率覆盖范围如图2所示。器件针对常用蜂窝频段进行了优化,并与同一设计中使用的其他调谐元件(如功率放大器和滤波器)对齐。

图2.ADRF5545A/ADRF5547/ADRF5549增益特性
大功率保护开关
该器件集成了采用硅工艺设计的高功率开关,无需任何外部元件即可产生偏置。该开关采用5 V单电源供电,电流消耗仅为10 mA,可直接与标准数字微控制器接口,无需任何负电压或电平转换器。与使用基于PIN二极管的开关相比,硅开关可为用户节省约80%的偏置功耗和90%的电路板面积。
该开关在连续运行时可处理 10 W 平均 RF 信号和 9 dB 峰均比 (PAR),并且在故障条件下可承受两倍额定功率。ADRF5545A/ADRF5547/ADRF5549是市场上首款具有10 W功率处理能力的产品,非常适合高功率M-MIMO设计。如果可以从每个天线元件传输更多功率,则可以减少发射通道的数量,以便从基站获得相同的RF功率。ADRF5545A/ADRF5547/ADRF5549架构如图3所示,两个通道的高功率开关由同一器件引脚供电和控制。LNA的电源和控制信号是分开的。

图3.ADRF5545A/ADRF5547/ADRF5549电路架构
低噪声系数
两级LNA采用GaAs工艺设计,由5 V单电源供电,不需要任何外部偏置三通电感。增益在整个频率范围内具有平坦特性,在高增益和低增益模式下分别可编程为32 dB和16 dB。该器件还具有低功耗模式以节省偏置功耗,LNA可在发射操作期间断电。该器件的噪声系数为 1.45 dB,包括开关的插入损耗,非常适合高功率和低功耗 M-MIMO 系统。图4显示了ADRF5545A/ADRF5547/ADRF5549在指定频段内的噪声系数性能。

图4.ADRF5545A/ADRF5547/ADRF5549噪声系数
紧凑的尺寸,最少的外部元件集
除了电源引脚上的初级去耦电容和RF信号引脚上的隔直电容外,该器件不需要任何调谐或匹配元件。RF输入和输出匹配50 Ω。LNA在设计中集成了匹配电感和偏置电感。这减少了电感器等昂贵元件的物料清单,但也简化了相邻收发器之间通道间串扰的硬件设计。该器件采用 6 mm ×6 mm 表面贴装封装,带有散热增强型底部焊盘。该器件的额定工作温度范围为 –40°C 至 +105°C。 所有三个部件都组装在相同的封装中,并具有相同的引脚排列。它们可以在同一电路板上互换使用.该器件如图5所示安装在其评估板上。ADI公司可直接或通过其分销商提供评估板。

图5.ADRF5545A/ADRF5547/ADRF5549评估板。
审核编辑:郭婷
全部0条评论
快来发表一下你的评论吧 !