Wenwei Li
LTC4126是带有1.2 V无电感DC-DC转换器的全功能7.5 mA 无线锂离子(Li-Ion)电池充电器,设计用于助听器、无线耳机和其他需要无线充电的空间受限可穿戴产品。LTC4126 可与基于 LTC6990的ZVS 单晶体管发射器组合使用,获得完整的无线充电解决方案。
高效无线输入功率控制器
可穿戴设备越来越倾向于使用无线电池充电,无需使用电缆或外露连接器,因此改善了用户体验。LTC4126充电器、DC-DC转换器具有一个无线功率控制器,使其能够从发射线圈产生的交流磁场无线接收功率(如LTC6990解决方案)。无线功率控制器将接收器端谐振电路的交流电压整流成VCC引脚的直流电压。此 直流电压馈入线性充电器,线性充电器再调节对电池的充电。
如果LTC4126接收的能量超出所需能量,无线功率控制器通过将接收器谐振电路分流接地来调节线性充电器的输入VCC。这样,线性充电器将高效运行,因为其输入正好保持在电池电压VBAT之上。接合分流电路时,谐振电路也会接收较少的功率,因为谐振频率与发射器频率失调。

图1. 交流输入整流和直流轨电压调节。
全功能线性电池充电器
LTC4126中的集成式恒流(CC)/恒压(CV)线性锂离子电池充电器可通过一组完整的保护功能确保充电周期正常运行,包括安全计时器的自动充电和自动终止、不良电池检测和超出温度范围充电暂停功能。LTC4126包括可传递至系统微控制器的充电器状态和电池电压电平信号。
无电感低噪声DC-DC转换器
LTC4126包括一个整体式无电感充电泵DC-DC转换器,通过电池调节系统负载输出。LTC4126的DC-DC转换器可通过其EN引脚开关,从而允许通过微处理器进行控制。EN引脚也可与LTC4126的 PBEN 引脚配合使用,以实现按钮控制——无需额外的去抖电路。
充电泵DC-DC转换器具有三种操作模式,具体取决于电池电压,以提高整体效率。

图2. 最大理论转换器效率和电池电压。
微型PCB板的完整应用电路
由于LTC4126的高度集成式设计,只需几个外部组件即可创建完整的无线充电器接收器解决方案。在直径为6 mm 的应用板上,可将整个设计安装在助听器或耳塞的内部。

图3.具有集成式DC-DC转换器和充电器状态输出的完整6 mm直径无线电池充电器接收器。
单晶体管ZVS谐振无线功率发射器

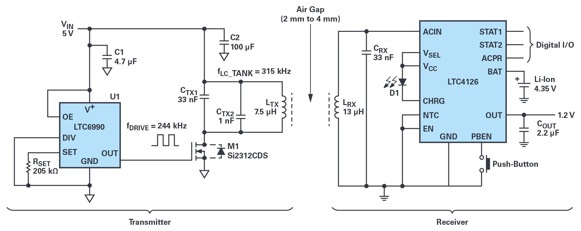
图4. 具有单晶体管ZVS发射器和LTC4126接收器的完整无线充电解决方案。
图4中所示的单晶体管发射器是使用LTC6990作为振荡器来驱动低功率晶体管的简单谐振电路。为实现ZVS操作,发射器谐振回路频率设置为振荡频率的1.29倍。通过这种方式,大幅减少了开关损耗,并提高了整体无线充电效率。此发射器只需几个组件,并可安装在小型外壳中。

图5. ZfTX_TANK = 1.29 × fDRIVE时的ZVS操作。
结论
LTC4126是受到良好保护、高度集成、极其紧凑的无线充电器接收器解决方案,是可穿戴设备的理想选择。将LTC4126(可穿戴设备端)与基于LTC6990(充电站端)的ZVS单晶体管发射器组合在一起,可轻松实现完整的无线充电解决方案。基于这些设备的完整解决方案具有低功耗和低成本。
审核编辑:郭婷
全部0条评论
快来发表一下你的评论吧 !