在4G LTE蜂窝基站后期部署中,普遍采用大规模多路输入、多路输出(MIMO)无线电技术,特别是在密集的城市地区,小型蜂窝有效地填补了蜂窝覆盖的空白,同时提高了数据服务速度。此架构的成功清楚印证了其价值。因为这种架构本身具备所需的频谱效率和传输可靠性,它将成为新兴的5G网络无线电的优选架构。让5G变成现实的挑战在于,设计人员必须大幅增加同时在多个频段运行的收发器通道的数量,同时将所有必要的硬件压缩整合到与前一代设备同样大小或更小的空间中。
这样做意味着:
通道越多,基站内外的射频功率就越高,如此会加剧相互无干扰的通道之间隔离的问题。
为了在高功率信号下保持可靠性,接收器前端组件必须提高动态范围性能。
解决方案的尺寸非常重要。
随着电子设备和发射器功率不断增加,必须解决热管理问题。
为了寻求更高的数据速率来支持各种无线服务和不同的传输方案,系统设计人员面临着电路更复杂,同时必须满足类似的尺寸、功率和成本预算的境况。在基站塔中增加更多收发通道可以获得更高的吞吐量,但在更高的射频功率等级上实现每个通道,与将系统的复杂度和成本保持在可接受的水平一样重要。为了实现更高的射频功率,硬件设计人员在射频前端设计中没有太多选择,而是依赖于需要高偏置功率和复杂外设电路的传统解决方案来实现,这使得实现设计目标时更加困难。
ADRF5545A/ADRF5547/ADRF5549 系列涵盖1.8 GHz至5.3 GHz蜂窝频段,针对M-MIMO天线接口进行了优化设计。该全新系列器件通过硅工艺集成高功率开关以及GaAs工艺集成高性能低噪声放大器,兼具高射频功率处理能力和高集成度,无需牺牲任何一方面——可谓两全其美。
双通道架构
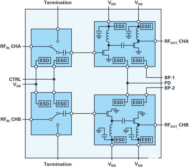
M-MIMO RF前端设计的ADRF5545A/ADRF5547/ADRF5549应用框图如图1所示。该器件通道中集成高功率开关和两级LNA。在收发器以接收模式运行期间,开关将输入信号路由至LNA输入。在发射模式期间,输入路由至50 Ω端电极,以确保与天线接口正确匹配,并将LNA与天线的任何反射功率隔离。集成式双通道架构允许设计人员轻松扩展MIMO,使其超过传统设备8×8(8发射器×8接收器)配置的限制,达到16×16、32×32、64×64,甚至更高。

图1. M-MIMO射频前端框图。
宽工作带宽
ADRF5545A/ADRF5547/ADRF5549的增益特性及其频率覆盖范围如图2所示。各器件针对常用的蜂窝频段进行了优化,并与同一设计中使用的其他调谐组件(例如功率放大器和滤波器)保持一致。

图2. ADRF5545A/ADRF5547/ADRF5549增益特性
高功率保护开关
该器件内含通过硅工艺设计的大功率开关,不需要采用任何外部组件来产生偏置。此开关基于5 V单电源运行,电流消耗仅为10 mA,可以直接与标准数字微控制器连接,无需采用任何负电压或电平转换器。与采用基于PIN二极管开关的实现方案相比,硅开关可以为用户节省约80%的偏置功率和90%的电路板空间。
该开关在连续运行时可处理峰均比(PAR)为9 dB的10 W平均射频信号,在故障情况下可承受两倍额定功率。ADRF5545A/ADRF5547/ADRF5549是市场上首批具备10 W功率处理能力的产 品,因此特别适用于高功率M-MIMO设计。如果每个天线元件可以传输更多的功率,那么就可以减少传输通道的数量,并从基站中获取相同的射频功率。ADRF5545A/ADRF5547/ADRF5549架构如图3所示,从中可以看出,两个通道的大功率开关都由同一器件引脚供电和控制。LNA则有自己的电源和控制信号设计。

图3. ADRF5545A/ADRF5547/ADRF5549电路架构。
低噪声系数
两级LNA通过GaAs工艺进行设计,采用5 V单电源供电,无需采用任何外部偏置电感器。增益在频率范围内具有平坦特性,在高增益模式和低增益模式下可分别编程至32 dB和16 dB。该器件还具有低功耗模式,以节省偏置电源,其中LNA可以在传输操作期间关闭电源。该器件的噪声系数为1.45 dB(包括开关的插 入损耗),非常适合用于高功率和低功率M-MIMO系统。图4显示ADRF5545A/ADRF5547/ADRF5549在指定频段的噪声系数性能。

图4. ADRF5545A/ADRF5547/ADRF5549噪声系数。
小尺寸,外部组件数量最少
除了电源引脚上的初级解耦电容和射频信号引脚上的隔直电容外,该器件不需要任何调谐或匹配元件。射频输入和输出在50Ω匹配。LNA设计中集成了匹配和偏置电感。这减少了昂贵组件(如电感)的材料成本,也简化了相邻收发器之间的通道间串扰的硬件设计。此器件采用6 mm × 6 mm表贴封装,具有散热增强底板。该器件在-40°C到+105°C的额定壳温范围内工作。所有三个芯片都具有相同的封装,采用相同的引脚排列配置。可以在同一电路板上互换使用。图5显示该器件如何安装在其评估板上。评估板可以直接从ADI或通过其分销商获取。

图5. ADRF5545A/ADRF5547/ADRF5549评估板。
审核编辑:郭婷
全部0条评论
快来发表一下你的评论吧 !