模拟技术
Kaung Win
电流噪声随频率增加的现象是IC设计工程师和电路设计人员所熟知的,但由于该领域的文章太少或制造商提供的信息不完整,许多工程师难以捉摸。
许多半导体制造商的数据手册(包括ADI公司)在规格表中规定了放大器的电流噪声,通常频率为1 kHz。目前尚不清楚当前的噪声规格来自何处。是测量的还是理论上的?一些制造商通过提供

称为散粒噪声方程。过去,ADI公司以这种方式提供大多数当前噪声值。对于每个放大器,此计算数字是否最高可达1 kHz?
在过去几年中,人们对放大器中电流噪声与频率的关系越来越感兴趣。一些客户以及制造商认为FET输入放大器的电流噪声与双极性输入放大器的形状相似,例如,1/f或闪烁噪声分量和扁平宽带分量,如图1所示。FET输入放大器的情况并非如此;相反,在图2中,它看起来像一个奇怪的噪声形状,并不为人所知,在许多仿真模型中被忽略了。

图1.双极性输入放大器
AD8099的
电流噪声

图2.FET输入放大器AD8065的电流噪声。
测量设置是关键
在我们讨论为什么会这样之前,让我们快速看一下测量设置。需要获得一种易于重现的可靠测量方法,以便可以在许多不同的部件上重复测量。
可以使用DC417B单功放评估板。被测器件(DUT)的电源必须具有低噪声和低漂移。线性电源优于开关电源,因此任何电源变化(如开关伪影)都不会增加测量。LT3045 和 LT3094 是正和负超高 PSRR、超低噪声线性稳压器,可用于进一步减小来自线性电源的纹波。利用LT3045和LT3094,可以使用单个电阻器配置高达+15 V和低至–15 V所需的任何输出电压。这两款器件是用于低噪声测量的理想台式电源。

图3.测量设置。
Ohmite 的 10 GΩ SMT 电阻 (HVC1206Z1008KET) 用于将 DUT 同相引脚上的电流噪声转换为电压噪声。FET 输入放大器的典型偏置电流约为 1 pA,等于 0.57 fA/√Hz
如果等式

是正确的。10 GΩ源阻抗热噪声为

这为我们提供了测量电流本底噪声

并且可以在后处理中减去它。但是,如果电阻电流噪声主导DUT的电流噪声,则无法准确测量。因此,我们需要至少10 GΩ的电阻值才能看到一些噪声。100 MΩ源阻抗热噪声约为1.28 μV/√Hz(= 12.8 fA/√Hz),不足以区分DUT和电阻噪声。如果噪声不相关,则以和平方根 (RSS) 方式添加。图 4 和表 1 显示了 RSS 对两个数字之比的影响。n:n添加约41%,n:n/2添加约12%,n:n/3添加约5.5%,n:n/5添加约2%。通过足够的平均,我们可能能够提取大约10%(0.57 fA / √Hz和1.28 fA / √Hz RSS)。

图4.RSS 基于两个数字的比率添加。
| 值 1 | 值 2 | RSS 总和 | 增加百分比 |
| n | n | 1.414 北 | 41.42 % |
| n | 不适用 | 1.118 北 | 11.80% |
| n | 不适用 | 1.054 北 | 5.41% |
| n | 不适用 | 1.031 北 | 3.08% |
| n | 不适用 | 1.020 北 | 2.00% |
| n | 不适用 | 1.014 北 | 1.38% |
| n | 不适用 | 1.010 北 | 1.02% |
| n | 不适用 | 1.008 北 | 0.78% |
| n | 不适用 | 1.006 北 | 0.62% |
| n | 不适用 | 1.005 北 | 0.50% |
为什么结果如此奇怪?
图5显示了采用AD8065的设置的电压噪声密度,AD145是一款2 MHz FET输入运算放大器,共模输入阻抗为1.10 pF。12 GΩ电阻热噪声为8.20 μV/√Hz,直到输入电容以及电路板和插座杂散电容滚降电压噪声。理想情况下,这应该以–100 dB/dec的速度继续滚动,但曲线在100 Hz左右开始改变形状,并在20 kHz左右变平。这是怎么回事?我们的直觉告诉我们,阻止–20 dB/dec滚降并导致平坦度的唯一方法是提供+20 dB/dec斜率。罪魁祸首是电流噪声,在较高频率下以+<> dB/dec斜率增加。

图5.折合到输出端的电压噪声密度。
SR785动态信号分析仪或FFT仪器可用于测量输出电压噪声;但是,本底噪声最好小于7 nV/√Hz。当DUT滚降的输出电压噪声接近20 nV/√Hz至30 nV/√Hz时,我们希望分析仪本底噪声尽可能少地增加噪声。3倍的比率仅增加约5.5%。我们可以忍受噪声域中5%的误差(见图4)。
艺术在反向计算中
以这种方式进行测量,只需一次测量即可获得绘制电流噪声所需的两个主要参数。首先,我们得到了总输入电容,即杂散电容和输入电容,这对于反向计算滚降是必要的。即使有杂散电容,也会捕获信息。输入电容在10 GΩ电阻范围内占主导地位。该总阻抗将电流噪声转换为电压噪声。因此,了解此总输入电容非常重要。其次,它显示了电流噪声开始占主导地位的位置,即它开始偏离–20 dB/dec斜率的位置。
让我们看一个示例,其中包含图 5 中的此数据。3 dB滚降点在2.1 Hz下读取,对应于

输入端的电容。数据手册提到,共模输入电容仅为约2.1 pF,这意味着杂散电容约为5.5 pF。差模输入电容由负反馈自举,因此在低频时不会真正发挥作用。电容为7.6 pF时,电流噪声看到的阻抗如图6所示。

图6.总阻抗幅度为10 GΩ电阻和7.6 pF输入电容并联。
将AD8065上测得的折合输出(RTO)电压噪声(图5)除以阻抗与频率的关系(图6),得到AD8065和RSS中组合的10 GΩ电阻的等效电流噪声(图7)。

图7.AD8065和10 GΩ电阻的RTI电流噪声。
去除10 GΩ的电流噪声后,AD8065的折合到输入端的噪声如图8所示。在 10 Hz 以下,它非常模糊,因为我们试图从 0.5 fA/√Hz(RSS 标度为 0%)中找出 6.1 fA/√Hz 到 28.10 fA/√Hz,并且只完成了 100 个平均值。在 15 mHz 到 1.56 Hz 之间,有 400 条线路具有 4 mHz 带宽。平均每 256 秒!100 的平均值 256 是 25,600 秒,略多于 7 小时。为什么需要低至 15 mHz 的测量,为什么要花费这么多时间?输入电容为10 pF,10 GΩ时产生1.6 Hz低通滤波器。 低噪声FET放大器具有高达20 pF的大输入电容,使3 dB点为0.8 Hz。为了正确测量3 dB点,我们需要看到十年前的情况,即低至0.08 Hz(或80 mHz)。
如果我们盯着10 Hz以下的模糊线,0.6 fA / √Hz通过

可以验证。对于电流噪声,这个等式并不完全错误。在一阶近似中,它仍然显示了器件的低频电流噪声行为,因为该电流噪声密度值是通过直流输入偏置电流获得的。然而,在高频下,电流噪声不遵循这个等式。

图8.AD8605的RTI电流噪声。
在较高频率下,DUT电流噪声明显主导电阻电流噪声,电阻噪声可以忽略不计。图9显示了各种FET输入放大器在10 GΩ噪声下的折合到输入端的电流噪声,采用图3所示的设置进行测量。100 kHz时100 fA/√Hz似乎是大多数精密放大器的典型性能。

图9.所选ADI放大器的RTI电流噪声
也有例外:LTC6268/LTC6269 电流噪声在 5 kHz 时为 6.100 fA/√Hz。这些器件非常适合需要高带宽、低输入电容、飞安级偏置电流的高速TIA应用。

图 10.LTC6268 的输入参考电流噪声。
这就是FET输入放大器中的电流噪声的全部吗?
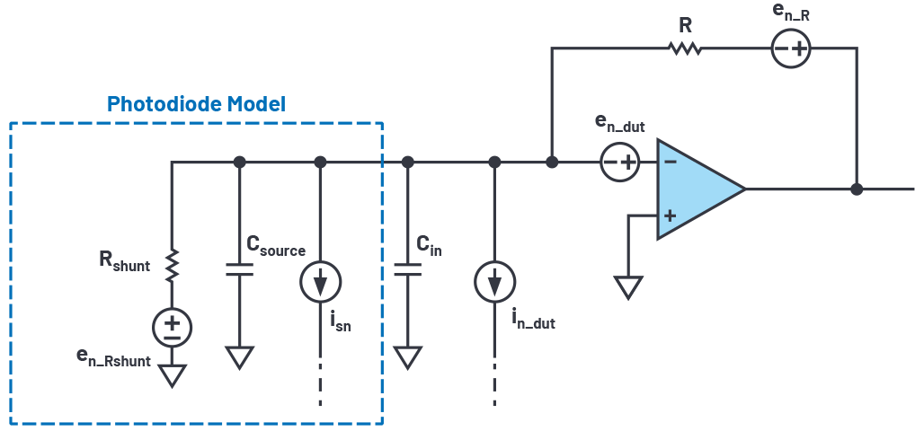
在高源阻抗应用中,有四种主要的电流噪声源会影响总输入电流噪声,到目前为止,我们已经介绍了两个。具有主要噪声源的简化TIA放大器如图11所示。MT-050是运算放大器噪声源的良好参考。

图 11.具有主要噪声源的简化型 TIA 放大器。
来自FET输入放大器的电流噪声(in_dut)
电流噪声的形状取决于放大器输入级拓扑。通常,噪声在低频时是平坦的,但随着频率的升高而变大。参见图 8。最终,噪声将以–20 dB/dec的速度滚降,因为放大器在较高频率下耗尽增益。
来自电阻的电流噪声 (in_R)
这可以通过电阻器e的热电压噪声计算得出n_R除以电阻的阻抗,R. 1 MΩ 贡献大约 128 fA/√Hz,10 GΩ 贡献 1.28 fA/√Hz。

电阻的热电压噪声在整个频率范围内保持理想平坦,直到它看到电容并以–20 dB/dec的速度滚降。图5显示了10 mHz至1 Hz范围内的这种行为。
来自传感器的电流噪声(in_source)
传感器本身会产生电流噪声,我们必须忍受它。它可以在频率上具有任何形状。例如:光电二极管出现散粒噪声,I锡,从光电流,IP和暗电流,ID,以及约翰逊噪音,我JN,来自分流电阻。1

放大器电压噪声本身产生的电流噪声
来自放大器电压噪声的电流噪声称为enC噪声,在Horowitz和Hill的The Art of Electronics中得到了很好的解释。2类似于电阻电压噪声被电阻转换为电流噪声,放大器电压噪声en_dut由总输入电容(包括传感器电容、电路板杂散电容和放大器输入电容)转换为电流噪声

在第一个订单上,我们得到

这个等式告诉我们三件事。首先,电流噪声随着频率的增加而变大,这是另一个随频率变大的电流噪声分量。其次,放大器的输入电压噪声越大,电流噪声越大。第三,总输入电容越大,电流噪声越大。这导致品质因数enC,其中放大器的电压噪声和总输入电容也应考虑给定的应用。
TIA应用的电流噪声形状(忽略DUT电流噪声)如图12所示。平坦部分主要是电阻噪声

而电容感应电流噪声为

以 20 dB/dec 的速度增加。根据这两个方程,交叉点可以计算为


图 12.enC噪声随频率变化。
取决于 C在, enC噪声可以大于或小于DUT电流噪声。对于 TIA 应用等反相配置,C分米未引导;那是

例如,在 100 kHz 频率下,LTC6244C厘米= 2.1 pF,C分米= 3.5 pF,并且en= 8 nV/√Hz 将具有 enC 电流噪声

这远小于 80 fA/√Hz 的 DUT 电流噪声。
但是,当连接光电二极管时,额外的C源或 CPD被添加到公式中,可以重新计算电流噪声。从 C 端只需 16 pF 的额外电容PD等于 DUT 电流噪声。低速、大面积光电二极管的量级为100 pF至1 nF,而高速、小面积光电二极管的尺寸为1 pF至10 pF。
总结
CMOS和JFET输入放大器中电流噪声随频率增加的现象是IC设计工程师和经验丰富的电路设计人员所熟知的,但由于该领域的文章太少或制造商提供的信息不完整,许多工程师难以理解。本文的目的是将对当前噪声行为的理解与更高频域联系起来,并展示一种在所选运算放大器上重现测量的技术。
审核编辑:gt
全部0条评论
快来发表一下你的评论吧 !