如何使用超低噪声电源提高超声系统的图像质量

描述

作者:Bill Schweber

投稿人:DigiKey 北美编辑

超声波技术是医疗诊断和其他应用中广泛使用的无创工具,已经从静态图像进化到动态图像,从黑白呈现变为彩色多普勒图像。这些重大进步主要是由于引入了数字超声技术。虽然这些进步提高了超声成像的有效性和通用性,但同样重要的是,这些系统借助在头端超声探头、用于驱动探头并捕捉返回信号的模拟前端 (AFE) 方面的进步,可提供质量更高的图像。

实现图像质量改善的障碍之一是噪声,因此设计目标是提高系统的信噪比 (SNR)。这可以部分地通过解决系统中各种电源轨引起的噪声问题来实现。请注意,这类噪声并非简单的个体。相反,这类噪声具有不同的特点和属性,决定了其最终如何影响系统性能。

本文将介绍超声成像的基本原理,然后重点介绍影响图像质量的不同因素,其中主要介绍电源噪声。本文将以[Analog Devices]的DC-DC 稳压器为例介绍电源器件,这些器件可以显着改善信噪比和超声系统其他方面的性能。

超声波成像的基本原理

概念很简单:产生一个尖锐的声学脉冲,然后“聆听”脉冲在遇到障碍物或器官之间的各种界面及其各种不同的声学阻抗时的回声反射。通过重复进行这些“脉冲 - 返回”操作,就可以利用反射创建反射面的图像。

对于大多数模式的超声,压电换能器阵列以脉冲形式发送有限数量个周期波(通常为 2 至 4 个)。这些波在每个周期的频率通常在 2.5 - 14 MHz 之间。该阵列通过类似于相控阵射频天线的波束成形技术进行控制,因此对整个超声脉冲进行聚焦并加以引导,从而形成扫描。然后,换能器切换为接收模式,以检测来自人体内部反射波的返回情况。

请注意,发射/接收的时间比率通常约为 1%/99%,脉冲重复频率通常在 1 - 10 kHz 之间。通过对脉冲从发射到接收回声的过程进行计时,并知道超声能量在身体组织中的传播速度,就可以计算出从换能器到将波反射回的器官或界面的距离。经过大量的数字式后处理,回波振幅决定了超声图像中分配给反射部分的像素亮度。

了解系统要求

尽管基本原理在概念上很简单,但完整的高端超声成像系统是一种复杂的设备(图 1)。这种系统的最终性能主要由传感器和模拟前端 (AFE) 决定,而对数字化反射信号进行后处理则允许通过算法来增强这种情况。

毫不奇怪,不同的系统噪声是图像质量和性能的限制因素之一,这类似于考虑数字通信系统中的误码率 (BER) 与信噪比。

换能器图 1:一个完整的超声成像系统是大量模拟、数字、电源和处理功能的复杂组合;AFE 决定了系统的性能界限。(图片来源:Analog Devices)

在压电换能器阵列和有源电子设备之间有一个发射/接收 (T/R) 开关。该开关用于阻止驱动换能器的高压发射信号到达低压接收侧的 AFE,造成后者损坏。在先后经过放大和调节后,接收到的反射信号被传递到 AFE 的模数转换器 (ADC) 进行数字化,然后进行基于软件的图像处理和增强。

超声系统的每一种不同的成像模式对动态范围都有不同的要求,因此对信噪比或噪声的要求也不同:

  • 对于黑白图像模式,需要有 70 dB 的动态范围;本底噪声很重要,因为会影响到在远场能够看到的最小超声回波的最大深度。这就是所谓的穿透力,是黑白模式的关键特征之一。
  • 对于脉冲波多普勒 (PWD) 模式,需要有 130dB 的动态范围。
  • 对于连续波多普勒 (CWD) 模式,需要 160dB 的动态范围。请注意,1/f 噪声对 PWD 和 CWD 模式特别重要,因为这些图像包括 1kHz 以下的低频频谱元素,而相位噪声会影响高于 1kHz 的多普勒频谱。

这些要求很难满足。由于超声换能器的频率通常在 1 MHz 到 15 MHz 之间,因此会受到此范围内任何开关频率噪声的影响。如果在 PWD 和 CWD 频谱内存在互调频率(从 100 Hz 到 200 kHz),多普勒图像中就会出现明显的噪声频谱,这在超声系统中是不可接受的。为了达到最高的系统性能和图像质量(清晰度、动态范围、无图像斑点和其他品质系数),研究导致信号质量受损和信噪比下降的源头便显得非常重要。

第一个显而易见:由于衰减,来自身体深处的组织和器官(如肾脏)的回波要比靠近换能器的器官回波弱得多。因此,反射信号被 AFE“提高了增益”,使其尽可能多地占据 AFE 的输入范围。为此,使用了自动增益控制 (AGC) 功能。这种 AGC 功能类似于无线系统中使用的 AGC。在无线系统中,AGC 会评估无线射频接收信号强度 (RSS),并对其在几十分贝范围内随机的、不可预测的变化进行动态补偿。

然而,超声应用的情况与无线链路不同。相反,路径衰减已知,正如声能在软组织中的传播速度为 1540 m/s,或者说比在空气中的传播速度(约 330 m/s)快五倍,因此衰减率也是已知的。

基于这一知识,AFE 使用可变增益放大器 (VGA)。该 VGA 被用于时间增益补偿 (TGC) 放大器。该 VGA 的增益为线性 dB;其配置方式是:“线性 - 时间”斜坡控制电压会增大“增益 - 时间”,从而在很大程度上补偿衰减。这会最大限度地提高信噪比并发挥 AFE 动态范围的作用。

噪声类型及如何消除

尽管超声系统设计者无法控制体内和病人引起的信号噪声,但必须管控内部系统噪声。所以,了解噪声类型、噪声影响以及如何减少噪声非常重要。主要关注方面包括开关稳压器噪声、由信号链、时钟和电源造成的白噪声、与布局相关的噪声。

  • 开关稳压器噪声:大多数开关稳压器使用一个简单的电阻器来设置开关频率。由于不同的独立稳压器的频率会相互混合并交叉调制,因此该电阻器的标称值公差会不可避免地造成不同的开关频率和谐波。考虑到即使是一个误差为 1% 的严格公差电阻器也会在 400 kHz 的 DC-DC 稳压器中产生 4 kHz 的谐波频率,进而导致谐波更难控制。

一个较好的解决方案是选择具有同步功能的开关稳压器 IC,且同步功能通过该开关稳压器的某个封装引脚上的 SYNC 连接来实现。利用该特点,外部时钟可以将信号分配给各个稳压器,使这些稳压器都以相同的频率和相位进行切换。这样就消除了额定频率和相关谐波产物的混合。

例如,[LT8620]是一款高效率、高速度、同步单片式降压开关稳压器,可接受高达 65 V 的宽输入电压范围,并且静态电流消耗仅 2.5 μA(图 2)。该器件的低纹波“猝发模式”可在非常低的输出电流下保持高能效,并同时将输出纹波维持在 10 mV 峰峰电压以下。使用一个 SYNC 引脚,用户可在 200 kHz 至 2.2 MHz 范围内与外部时钟同步。

换能器图 2:高效的 LT8620 降压型开关稳压器包括一个 SYNC 引脚,因此其时钟可与其他系统时钟同步,从而最大限度地减少时钟互调效应。(图片来源:Analog Devices)

另一种技术是使用开关稳压器。这种开关稳压器采用随机扩频时钟,可将产生的电磁干扰 (EMI) 扩展到更宽的频段,以降低其在任何特定频率下的峰值。对于某些对 SNR 要求不高、更关注满足 EMI 要求的应用来说,虽然这种技术是一种具有吸引力解决方案,但它在更广泛的频谱上产生的合成谐波中引入了不确定性,使得合成频率更难控制。例如,鉴于 EMI,20% 的开关频率扩频导致 400 kHz 电源中的谐波频率在 0 到 80 kHz 之间。因此,虽然这种降低 EMI“尖峰”的方法可能有助于满足相关的监管规定,但对于超声设计的特殊 SNR 需求来说可能会适得其反。

恒频开关稳压器有助于避免这一问题。ADI 的 Silent Switcher 稳压器和 μModule 稳压器系列具有恒频开关功能。同时,这种稳压器通过可选择的扩频技术实现 EMI 性能,以达到出色的瞬态响应性能,而不会引入与扩频相关的不确定性。

Silent Switcher 稳压器系列也不仅限于低功率稳压器。例如,[LTM8053]是一款采用 40 V (最大值)且具有 3.5 A 连续电流、6 A 峰值电流的降压稳压器,包括一个开关控制器、电源开关、一个电感器和所有辅助器件。只需要输入和输出滤波电容器就可完成设计(图 3)。该器件支持 0.97 V 至 15 V 的输出电压、200 kHz 至 3 MHz 开关频率,且这两者均通过单独的电阻器来设定。

换能器图 3:Silent Switcher 产品族的 LTM8053 器件可提供 3.5 A 连续/6 A 峰值电流;采用 3.4 V 至 40 V 输入且具有 0.97 V 至 15 V 的宽输出范围。(图片来源:Analog Devices)

LTM8053 的独特封装有助于在保持较高电流输出的同时确保低 EMI。Silent Switcher µModule 稳压器中的铜柱倒装片封装有助于减少寄生电感,优化尖峰和死区时间,从而能在小封装中实现高密度设计和大电流能力(图 4)。如果需要更大的电流,可将多个 LT8053 器件并联。

换能器图 4:LTM8053(及其他 Silent Switcher 器件)集成了一个铜柱倒装片,可在小封装中实现高密度设计和大电流能力,同时最大限度地减小寄生电感。(图片来源:Analog Devices)

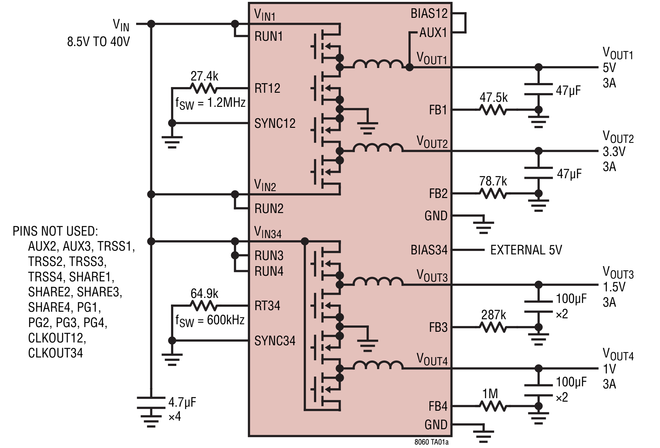
Silent Switcher 产品线技术和拓扑结构并不限于单输出稳压器。[LTM8060] 是一款四通道、40 VSilent Switcher μModule 稳压器,具有一个可配置 3A 输出阵列(图 5)。该器件的工作频率高达 3 MHz,采用紧凑的 (11.9 mm × 16 mm × 3.32 mm) 超模压球栅阵列 (BGA) 封装。

换能器图 5:LTM8060 是一款四通道 μModule 可配置阵列器件,具有 3 A/通道输出,封装紧凑,尺寸仅为 11.9 mm × 16 mm × 3.32 mm。(图片来源:Analog Devices)

这款四通道器件有意思的方面是,其输出能以不同的配置并联,以满足最高可达 12 A 的不同负载电流需求(图 6)。

换能器图 6:LTM8060 的四个 3A 输出可以采用具有不同并联配置的布局,以满足应用的 DC 电源轨要求。(图片来源:Analog Devices)

总之,Silent Switcher 稳压器在噪声、谐波和热性能方面拥有许多优势(图 7)。

| | | 低频噪声 | 开关噪声谐波 | 高散热性能 |
| ---------------- | ------------------------------------------------------- | ----------------------------------------- | -------------------------------------------- |
| 架构 | Silent Switcher 3 器件具有超低噪声基准 | Silent Switcher 技术结合 Cu 柱封装 | Silent Switcher 技术结合封装内散热器 |
| 特性 | 在低 f 噪声方面与 LDO 稳压器性能相当 | 低 EMI,低开关噪声
开关频率快,微小空槽 | 高功率密度
更低的热阻 |
| 在应用中的优势 | 在保持同等图像质量的同时,消除了对 LDO 后稳压器的需求 | 高频率,高效率 | 相同电流水平下,最大限度地减少了性能降级。 |

图 7:所示为 Silent Switcher 产品族稳压器相对于重要设计观点的关键属性。(图片来源:Analog Devices)

  • 白噪声:超声系统中也有许多白噪声源,这将导致背景噪声和图像“斑点”。这种噪音主要来自于信号链、时钟和电源。在敏感模拟元件的电源引脚上添加一个低压差 (LDO) 稳压器即可解决这个问题。

ADI 的下一代 LDO 稳压器(如 [LT3045])具有约 1 μV rms(10 Hz 至 100 kHz)的超低噪声水平,并在 260 mV 典型压差电压下提供高达 500 mA 的输出电流(图 8)。工作静态电流的标称值为 2.3 mA,关断条件下远低于 1 μA。其他低噪声 LDO 可覆盖 200 mA 至 3 A 范围内的电流。

换能器图 8:LT3045 LDO 稳压器因其在 200 mA 至 3 A 的电流范围内具有约 1 μV rms 的超低噪声而备受瞩目。

  • 电路板布局:在大多数 PC 板布局中,来自开关电源的大电流信号迹线与相邻的低电平信号迹线之间存在冲突问题,因为前者的噪声会耦合至后者。这种开关噪声通常是由输入电容、顶侧 MOSFET、底侧 MOSFET 以及由于接线、布线和粘合而产生的寄生电感所产生的“热环”。

标准解决方案是增加一个吸收电路,以减少电磁辐射,但这样会降低效率。Silent Switcher 架构通过使用双向发射创建相反的热环路(称为“分离”)来提高性能,且即使在高开关频率下也能保持高效率,从而将 EMI 降低约 20 dB(图 9)。

换能器图 9:通过建立一个相对立的“热循环”,将电流流动路径分离,Silent Switcher 能将 EMI 大幅降低约 20 dB。(图片来源:Analog Devices)

效率与噪声

看起来,如果在电源噪声与潜在效率之间有一个权衡,那么在超声应用中应该优先考虑对超低噪声的需求。毕竟在“大视野”系统层面上,多出几毫瓦功耗应该不会带来多么大的负担。此外,为什么不增加换能器的脉冲能量以增加脉冲信号强度,从而增加反射信噪比呢?

但是这种权衡还带来另一个复杂的问题:包含换能器、压电元件驱动器、AFE 和其他电子电路的手持式数字探头的自发热。探头的一些电能在压电元件、透镜和背衬材料中耗散,从而导致换能器发热。伴随着换能器头部的声能浪费,这将导致探头发热和温升。

传感器表面的最高允许温度会被限制。IEC 标准 60601-2-37(2007 年修订版)规定,当传感器向空气中发射信号时,其温度限制为 50°C,而当向合适的假人(标准人体模拟器)发射时,该温被度限制为 43°C;后一个限制值意味着皮肤(通常为 33°C)最多可以被加热 10°C。因此,在复杂的传感器中,传感器发热是重要的设计考虑因素。这些温度限制值可能有效地限制了可用的声学输出,但与可用的直流电源无关。

结语

超声波成像是一种使用广泛的、宝超值的无创、无风险医学成像工具。虽然基本原理在概念上简单,但设计一个有效的成像系统则需要大量的复杂电路,以及为其各个子电路供电的多个直流稳压器。这些稳压器和相关电源必须具有高能效,但也必须具有非常低的噪声,因为对反射的声学信号能量有极严苛的信噪比和动态范围要求。如图所示,Analog Devices 的 LDO 和 Silent Switcher IC 可以满足这些要求,而不影响空间、EMI 或其他关键属性。

打开APP阅读更多精彩内容
声明:本文内容及配图由入驻作者撰写或者入驻合作网站授权转载。文章观点仅代表作者本人,不代表电子发烧友网立场。文章及其配图仅供工程师学习之用,如有内容侵权或者其他违规问题,请联系本站处理。 举报投诉

全部0条评论

快来发表一下你的评论吧 !

×
20
完善资料,
赚取积分