汽车电子
1.节气门位置传感器作用、分类与识别
(1)作用
节气门位置传感器,是汽车电子控制系统中最重要的传感器之一,主要用于发动机电子燃油喷射系统和电控自动变速器系统。节气门位置传感器安装在节气门体上节气门轴的一端,探测或监测节气门开度的大小和变化的快慢,并把位置信号转变为电信号后输入电控单元。用于判别发动机的各种工况,从而控制不同的喷油量和点火正时。在装备电子控制自动变速器的汽车上,节气门位置传感器信号是变速器换挡和变矩器锁止时的主要信号。

(2)节气门位置传感器的类型
传统的拉索控制式节气门配备的节气门位置传感器,按总体结构分为触点开关式、滑动电阻式、怠速开关与滑动电阻整合的综合式。新型的智能电子节气门轴门控制系统所用的节气门位置传感器,常见的有双滑动电阻式和线性双霍尔式两种。
目前发动机电控系统主要采用的节气门位置传感器有霍尔元件式和双滑动电阻器式。丰田凯美瑞、卡罗拉等采用了霍尔元件式;日产天籁、通用凯越汽车采用双滑动电阻器式。
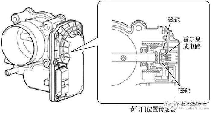
2.霍尔式节气门位置传感器
(1)结构原理与安装位置
2016款丰田凯美瑞混合动力车型(发动机型号6AR-FSE)采用了非接触式双霍尔元件式节气门位置传感器,其结构如下图所示。它主要由霍尔元件和磁铁组成,其中磁铁安装在节气门轴上,并可以绕霍尔元件转动。


霍尔式节气门位置传感器的控制电路及信号输出的特性如上图所示。当节气门开度变化时,磁铁随之转动,从而改变了与霍尔元件之间的相对位置,霍尔集成电路由磁轭环绕。霍尔集成电路将磁通量产生的变化转换为电信号,并以节气门位置信号的形式将其输出至ECM。
节气门位置传感器有两个传感器电路:VTA1和VTA2,各自发射一个信号。VTA1用来检测节气门开度,VTA2用来检测VTA1的故障。传感器信号电压与节气门开度成比例,在0~5V之间变化,并且传送到ECM端子VTA1和VTA2。
节气门关闭时,传感器输出电压降低;节气门打开时,传感器输出电压升高。ECM根据这些信号计算节气门开度,并控制节气门执行器来响应驾驶员输入。这些信号同时也用来计算空燃比修正值、功率提升修正值和燃油切断控制。
(2)电路连接
2016款丰田凯美瑞混合动力版节气门位置传感器电路如下图所示。

节气门位置传感器集成在节气门体总成E16内。E16有6个插脚。插脚1和2为节气门执行电动机控制端口。插脚6和4分别输出节气门位置信号VTA1和VTA2到发动机控制单元端口E81(F)的122#和88#。插脚5是来自发动机控制单元121#提供的VCTA 5V 参考电压;插脚3通过发动机控制单元120# 接地。
(3)检测
① 检查传感器供电:断开节气门体插接器E16,用万用表测量E16/5 和E16/3之间的电压,应为4.5~5.5V。否则,检查ECU电源电路。如果ECU电源电路正常,则更换ECU。
② 检查传感器的信号电压:连接故障诊断仪,接通点火开关,踩动加速踏板,并读取节气门位置传感器数据VTA1和VTA2读数,数值应符合下表。

③ 检查传感器线束及插接器:断开节气门体插接器E16和发动机控制单元ECM插接器E81,按照下表所示检查插接器之间或插接器与车身接地之间的电阻值。电阻值应符合表中所示,如不符合更换或检查线束。

3.滑动电阻式节气门位置传感器
(1)结构
滑动电阻式节气门位置传感器,又称线性输出式节气门位置传感器、可变电阻式节气门位置传感器、电位计式节气门位置传感器。目前双可变电阻式节气门位置传感器正被大量应用到汽车中。
滑动电阻式节气门位置传感器为三线式传感器,其中两个针脚处于电阻的两端,并作为电源端子和搭铁端子由发动机ECU提供5V电压,第三个针脚连接于滑动触点。节气门轴与触点(或称触头)联动,节气门转动时,滑动触点可在电阻上移动,引起滑动触点电位的变化,利用电阻的变化将节气门位置信号转换成电压值,如下图所示。因为这个电压呈线性变化,所以也称为线性输出式节气门位置传感器。根据这个线性电压值,ECU可感知节气门的开度,使ECU进行喷油量修正。

(2)传感器检测
2013款别克凯越车系节气门位置传感器电路如下图所示。发动机控制模块给节气门位置传感器提供5V参考电压电路,并向低参考电压电路提供接地。节气门位置传感器所提供的信号电压随节气门开度的变化而变化。节气门位置传感器信号电压在怠速运行时小于0.5V。节气门位置传感器电压在怠速运行时一般接近0V,但可能高达0.5V。在节气门全开(WOT)时节,气门位置传感器电压应增加到4V以上。

节气门位置传感器检测如下:
① 关闭点火开关,断开节气门体总成上的线束接头。
② 测量节气门位置传感器5V参考端子2#和低压参考端子1#之间的电阻是否在5.0 ~5.3kΩ 间。如果电阻不在规定范围内,则更换节气门体总成。
③ 测量节气门体总成器信号端子3#与低压参考端字1#之间的电阻。在全范围内检测节气门传感器。电阻应在2.5~6.8kΩ间变动,并无任何高峰或低谷。如果电阻不在规定范围内或不稳定,更换节气门体总成。
④ 用5V电压和接地对节气门传感器的适用端端子进行连接,检测信号端子与低压参考端子间的电压。在全范围内检测节气门传感器。电压应在0.6~4.7V间变动,并无任何高峰或低谷。如果电压不在规定范围内或不稳定,更换节气门体总成。
(3)双可变电阻式节气门位置传感器
双可变电阻式节气门位置传感器中两个传感器一般组合安装,当一个传感器发生故障时能及时被识别,增加了系统的可靠性。从两个传感器输出信号的变化关系来看,有反相式、同相式两种。同相式又可分为同斜率线性变化和不同斜率线性变化两种。
BOSCH公司双可变电阻式节气门位置传感器结构及内部电路如下图所示。

节气门轴上的双轨道节气门位置传感器用来监控节气门准确开度,节气门位置传感器(两个电位计)的滑片与节气门同轴。当节气门转动时,电位计滑片同步转动。当加上5V工作电压后,变化的电阻转化为电压输出信号。电位计的输出电压随节气门的位置变化而改变,可使控制单元准确知道节气门的开度。由于两个电位计是反相安装,因此当节气门位置发生变化时,两路信号电压均线性变化,其中一个增加,同时另一个减小。下图是日产车系节气门位置传感器输出特性。

日产天籁车系双可变电阻式传感器电路如下图所示。

发动机控制单元ECM通过72#端子向传感器1#端子提供5V参考电压;传感器4#端子通过电控单元36#端接地。传感器2#端和3#端输出TPS1和TPS2节气门位置信号分别送到发动机控制系统的33# 端、36#端。
双可变电阻式节气门位置传感器的检查(以日产天籁为例)如下:
打开点火开关,将换挡杆换到D挡(A/T)或1挡(M/T),使用万用表电压挡分别检查ECM的端口33(节气门位置传感器1#端的信号)、34(节气门位置传感器2#端的信号)在加速踏板不同状态时与接地之间的电压,检查结果应符合下表规定。如不符合则更换节气门体总成。

4.开关触电式节气门位置传感器
(1)结构原理
开关触点式节气门位置传感器又称为节气门开关。它有两副触点,分别为怠速触点(IDL)和大负荷触点(PSW)。下图中有一个和节气门同轴的凸轮控制活动触点(TL或E),使其随节气门的状态将两开关触点分别开启和闭合。当节气门处于全关闭的位置时,怠速触点IDL与活动触点TL或E相连,ECU根据怠速这一信号判定发动机处于怠速工况,从而按怠速工况的要求控制发动机运行。当节气门打开时,怠速触点打开,ECU根据这一信号进行从怠速到小负荷的过渡工况的发动机运行控制;大负荷触点在节气门由全闭位置到中小开度范围内一直处于断开状态。当节气门打开至一定角度的位置时,大负荷触点与活动触点TL或E相连,向ECU送出发动机处于全负荷运转工况的信号,ECU根据此信号进行全负荷加浓控制。

全部0条评论
快来发表一下你的评论吧 !