电子说
探秘半自动血栓弹力图仪EMC技术
01 国际和国内标准内容
1.1 国际标准
半自动血栓弹力图仪遵循的电磁兼容标准主要有IEC 60601系列标准,其中与医疗器械电磁兼容性相关的是IEC60601-1-2;该标准规定了医用电气设备电磁兼容性的要求和测试方法,包括对设备的发射和抗扰度的限制,旨在确保设备在电磁环境中能正常工作,同时不对周围其他设备产生电磁干扰
欧盟市场,医疗器械需要符合CE认证要求,而IEC60601-1-2是CE认证中电磁兼容部分的重要依据,这就要求半自动血栓弹力图仪在出口欧盟时,必须满足该标准规定的各项指标,如辐射发射、传导发射、静电放电抗扰度、射频电磁场抗扰度等测试要求
1.2 国内标准
国内对于半自动血栓弹力图仪的电磁兼容标准主要参考GB/T 18268.1和GB/T 18268.26等标准
GB/T 18268.1规定了测量、控制和实验室用的电设备电磁兼容性要求的通用部分,涵盖了设备的电磁发射限值和抗扰度要求
GB/T 18268.26则针对体外诊断(IVD)医疗设备,规定了特殊的电磁兼容性要求
国内生产半自动血栓弹力图仪的企业,在产品研发和生产过程中,需要依据这些标准进行电磁兼容性设计和测试;在产品上市前,需通过相关检测机构依据这些标准进行的电磁兼容检测,以确保产品符合国内市场的准入要求
02 电子部份电磁兼容EMC内容
2.1 国际标准的电子部分EMC内容
在国际标准IEC 60601-1-2中,电子部分的电磁兼容内容涉及多个关键方面
2.1.1 发射要求:
严格限制设备产生的电磁干扰,包括射频传导发射和射频辐射发射
比如,规定设备在特定频率范围内的射频传导发射不得超过一定限值,以防止干扰附近的其他电子设备通过电源线等传导路径;对于射频辐射发射,限定设备向周围空间辐射的电磁能量强度,避免对周围无线通信设备、医疗监护设备等造成干扰
2.1.2 抗扰度方面:
要求设备具备良好的抗干扰能力。例:能承受一定强度的静电放电而不出现故障或性能降低,确保医护人员在操作设备时产生的静电不会影响设备正常运行;同时,要能抵御射频电磁场的干扰,当周围存在如手机信号、无线局域网信号等射频电磁场时,设备依然可以稳定工作,保证检测结果的准确性
2.2 国内标准的电子部分EMC内容
国内标准GB/T18268.1和GB/T18268.26在电子部分的电磁兼容内容上,与国际标准有相似之处,同时也结合了国内实际情况做出规定
2.2.1 发射方面:
同样对设备的电磁发射进行严格管控,通过规定具体的限值和测试方法,保证设备在国内复杂的电磁环境中使用时,不会对其他设备产生过度干扰
2.2.2 抗扰度要求上:
强调设备要适应国内常见的电磁干扰源
例:考虑到国内电网环境的特点,对设备的电源端口抗扰度提出要求,使其能在电压波动、谐波等电网干扰情况下正常工作;在对电快速瞬变脉冲群抗扰度方面,要求设备能够承受一定强度和频率的脉冲群干扰,确保设备在遭受此类干扰时不会出现数据丢失、误动作等问题,保障医疗检测过程的可靠性
03 实际应用过程的问题
3.1 痛点问题:电磁干扰导致检测结果不稳定
在医院复杂的电磁环境中,周围存在多种电子设备,如核磁共振设备、高频电刀、无线通信设备等,这些设备产生的电磁干扰可能会影响半自动血栓弹力图仪的正常工作,导致检测结果出现偏差或波动
例如: 当附近的无线通信设备信号强度较大时,可能会耦合到血栓弹力图仪的信号传输线路中,干扰仪器对血液样本检测信号的采集和处理,使得检测得到的凝血参数如R值、K值、α角、MA值等不准确,从而影响医生对患者凝血功能的准确判断
3.2 痛点问题:设备抗干扰能力不足,易受环境影响
01
半自动血栓弹力图仪自身的抗干扰设计可能存在不足,对来自电源、空间电磁场等方面的干扰抵御能力较弱。在不同的使用环境下,如不同医院的病房、手术室,由于电磁环境差异较大,设备可能无法稳定运行
02
在一些老旧医院的手术室中,由于电气设备老化,电源质量较差,存在较多的电压谐波和杂波,血栓弹力图仪接入这样的电源后,可能会受到电源传导干扰,导致仪器内部电路工作异常,影响检测的准确性和重复性
3.3 痛点问题:操作过程中产生的电磁干扰影响设备性能
在操作半自动血栓弹力图仪时,医护人员的一些操作行为,如插拔检测试剂、连接外部设备等,可能会产生瞬间的电磁脉冲,这些干扰如果不能有效抑制,会对设备的正常运行产生影响
案例:某地级医院,当医护人员快速插拔检测试剂瓶时,可能会产生静电放电现象,这种静电放电产生的电磁脉冲可能会窜入设备内部电路,干扰仪器的微处理器工作,导致设备出现死机、数据错误等问题,影响检测工作的顺利进行
04 I/O接口及电路解决方案
4.1 AC电源接口EMC及可靠性设计
AC 电源接口:用于连接外部220V交流输入

| 型号 | 器件类型 | 使用位置 | 作用 | 封装 |
| 2R600L | GDT | 电源接口 | 浪涌,防雷(户外产品,关注续流问题) | 2RXXXL |
| 14D561K/14D511K | MOV | 电源接口 | 浪涌,防雷 | 14D |
| CMZ/CML | EMI 共模抑制器 | 电源接口 | 共模抑制 | SMD |
4.2 12V/24V DC电源接口EMC及可靠性设计
DC 电源接口:用于连接外部 12V/24V DC电源输入, 为内部模块供电(如电机、传感器)

| 型号 | 器件类型 | 使用位置 | 作用 | 封装 |
| 2R090L | GDT | 电源接口 | 浪涌,防雷(户外产品,关注续流问题) | 2RXXXL |
| 20D820K | MOV | 电源接口 | 浪涌,防雷 | 20D |
| CMZ7060A-701T | EMI 共模抑制器 | 电源接口 | 共模抑制 | 7060 |
| SMBJ15CA/SMBJ28CA | TVS | 电源接口 | 浪涌,抛负载 | SMB |
4.3 USB-2.0接口EMC及热插拔可靠性设计
USB-2.0接口: USB 2.0旨在提供更快的数据传输速度和更好的设备兼容性;并且在接口速度上实现了飞跃,将其从最初的最大12 Mbps提升至480 Mbps;这使得USB接口能够满足更多高带宽设备的需求,如高速打印机、扫描仪、外部存储设备和多媒体设备等

| 型号 | 器件类型 | 使用位置 | 作用 | 封装 |
| ESDLC5V0D8B | ESD | USB接口 | 浪涌、静电 | DFN1006 |
| SMF6.5CA | TVS | USB接口 | 浪涌、抛负载 | SOD123FL |
4.4 RS-232 接口EMC及热插拔可靠性设计
RS232 接口: 是常用的串行通信接口之一, RS232适用于短距离设备互联(如打印机、鼠标等),但需通过电平转换芯片(如 MAX232 )适配不同逻辑电平


| 型号 | 器件类型 | 使用位置 | 作用 | 封装 |
| P0220SCL | TSS | RS232接口 | 浪涌、静电 | SMB |
| P3100SCL | TSS | RS232接口 | 雷击、浪涌、静电 | SMB |
| PBZ1608A02Z0T | 磁珠 | RS232接口 | 消除高频干扰 | 1608 |
4.5 RS-485 接口EMC及热插拔可靠性设计
RS485 接口: RS-485 是一种串行通信标准,可以支持多个设备通过同一条串行总线进行通信;且适用于中长距离通信,具有较好的抗干扰能力和数据传输稳定性。


| 型号 | 器件类型 | 使用位置 | 作用 | 封装 |
| P0080SCL | TSS | RS485接口 | 浪涌、静电 | SMB |
| PBZ1608A102Z0T | 磁珠 | RS485接口 | 消除高频干扰 | 1608 |
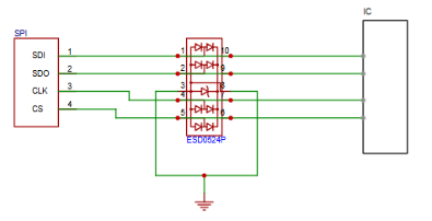
4.6 SPI接口EMC及热插拔可靠性设计
SPI 接口:高速串行通信接口,用于连接存储芯片、显示屏等


| 型号 | 器件类型 | 使用位置 | 作用 | 封装 |
| ESD0524P | ESD | SPI接口 | 浪涌、静电 | DFN2510 |
4.7 以太网接口EMC及热插拔可靠性设计
以太网 接口:
支持有线网络连接;以太网接口为机器提供稳定的网络连接,支持远程控制和数据交互。通过以太网,机器可实时上传工作数据至云端,接受远程指令,实现智能化远程操作;其传输速率可达1000Mbps甚至更高,满足机器在自动化、智能化等领域对高速、稳定数据传输的需求

| 型号 | 器件类型 | 使用位置 | 作用 | 封装 |
| 3R090L | GDT | 以太网接口 | 浪涌 | 3RXXXL |
| ESDLC3V3D3B | ESD | 以太网接口 | 浪涌、静电 | SOD323 |
审核编辑 黄宇
全部0条评论
快来发表一下你的评论吧 !