TRF3761-E Low Noise Integer N PLL Frequency Synthesizer With Integrated VCO

KANA 发表于 2018-08-06 16:38:56

数据: TRF3761-x Integer-N PLL with Integrated VCO 数据表

描述

TRF3761是一系列高性能,高度集成的频率合成器,针对高性能应用进行了优化。 TRF3761包括一个低噪声,压控振荡器(VCO)和一个整数N PLL。

TRF3761集成了1,2或4分频选项,可实现更灵活的输出频率范围。它通过3线串行编程接口(SPI)接口控制。对于功耗敏感的应用,TRF3761可以通过SPI接口断电或通过chip_en引脚2外部断电。

特性

  • 完全集成的VCO
  • 低相位噪声:-137dBc /Hz(600kHz,f VCO
    1.9GHz)
  • 低噪声基底:10MHz偏移时-158dBc /Hz
  • 整数N PLL
  • 输入参考频率范围: 10MHz至104MHz
  • VCO频率除以2-4输出
  • 输出缓冲器使能引脚
  • 可编程充电泵电流
  • 硬件和软件掉电
  • 3线串行接口
  • 单电源:4.5V至5.25V操作

参数 与其它产品相比 RF PLL 与合成器

 
Output Frequency (Min) (MHz)
Output Frequency (Max) (MHz)
Normalized PLL Phase Noise (dBc/Hz)
Current Consumption (mA)
VCC (V)
Integrated VCO
Pin/Package
TRF3761-E TRF3761-A TRF3761-B TRF3761-C TRF3761-F TRF3761-G TRF3761-H TRF3761-J
1805     1493     1595     1660     1850     1920     2028     2140    
1936     1608     1711     1790     1984     2059     2175     2295    
-137     -137     -137     -137     -137     -137     -137     -137    
130     130     130     130     130     130     130     130    
4.5 to 5.25     4.5 to 5.25     4.5 to 5.25     4.5 to 5.25     4.5 to 5.25     4.5 to 5.25     4.5 to 5.25     4.5 to 5.25    
Yes     Yes     Yes     Yes     Yes     Yes     Yes     Yes    
40VQFN     40VQFN     40VQFN     40VQFN     40VQFN     40VQFN     40VQFN     40VQFN    

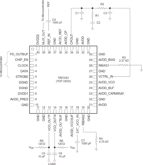
方框图 (1)

技术文档

数据手册(1)

收藏

相关话题
文章来源栏目
+加入圈子

评论(0)

加载更多评论

参与评论

分享到

QQ空间 QQ好友 微博
取消