工业物联网 (IIoT) 应用架构使用大量的联网传感器和执行器来监视和控制工业过程。在工业互联网参考架构中,这些智能连接元素的集合被称为边缘层,典型的边缘层节点位于或接近它所服务的机器。
边缘层节点的设计对设计者提出了一些挑战。除了传感器和执行器,每个节点还包括微控制器和电源电路,以及与网络中的其他节点连接的串行通信链路。由于存在数百个甚至数千个节点,因而实现最低的成本和功耗非常重要。工业环境通常存在着非常严重的电磁干扰,因此提供强大的抗电磁干扰保护也是首要考虑因素。
本文将简要介绍 IO-Link 通信协议及其在工业物联网应用领域的用途。然后,本文将介绍 Maxim Integrated MAX14827A 收发器,以示范如何针对各种工业检测和安全应用来部署经济高效的工业物联网边缘层节点。
IO-Link (IEC 61131-9) 是一种点对点串行通信协议,针对包含传感器、执行器和低功耗微处理器的智能边缘层节点进行了优化。它的基本形式是三线连接,可以切换模拟和数字信号(8 位、12 位和 16 位)。它简明、智能、高效且可配置,并具有提供更多信息和控制的能力,因而得到了广泛的工业支持。
例如,它采用了标准连接器和电缆,而不使用定制连接。使用 IO-Link,开发人员能够识别器件,并在运行中执行自动重新参数化。它的服务协议数据单元 (SPDU) 让用户能够访问详细的传感器和执行器状态,从器件类型和 ID 编号到完整的诊断信息。
在典型的工业安装中,多个 IO-Link 主站可操作执行器,并从传感器收集数据;它们还能够动态地重新配置传感器和执行器(在 IO-Link 术语中统称为“器件”)(图 1)。
可编程逻辑控制器 (PLC) 可能包含多个 IO-Link 主站,每个主站连接到一个或多个器件。PLC 本身是局域网(例如现场总线)上的节点。诸如工业以太网之类的更高速网络,在 PLC 集线器和更高的企业或云级别之间传输数据和命令。

图 1: 在工业物联网应用中使用 IO-Link,从位于边缘的传感器和执行器(称为“器件”),通过包含 IO-Link 主站的 PLC,一直到高速工业以太网骨干。(图片来源: IO-Link)
IO-Link 标准引脚分配根据 M5、M8、M12 的圆形外形尺寸,将数据链路和电源连接组合在单个连接器中: 其中 M12 最为常用。传感器连接器有四个引脚,执行器有五个引脚:IO-Link 主站器件通常有五引脚插座。
该标准定义了两个端口类,即端口 A 和端口 B:引脚 1、3 和 4 在两个端口类中执行相同的功能。在端口 A 中,引脚 2 和 5 未指定具体功能,但制造商通常使用引脚 2 作为附加数字通信通道。在端口 B 中,引脚 2 和 5 为具有较大需求的器件提供额外电源。最长 20 米的非屏蔽式电缆将主站与其器件连接在一起(表 1)。
引脚名称 (A)名称 (B)功能1L+电源连接: 24 VDC 时,200 mA2DI/DQ2L+可选数字 I/O 连接 (A) 或第二电源连接 (B)3L-信号和电源回路4C/QIO-Link 通信线路: 230.4 kBaud,半双工5N.S.2M未指定 (A) 或第二电源回路 (B)表 1: 端口类 A 和 B 的标准 IO-Link 引脚分配。端口 B 使用引脚 2 和 5,为需要更大功率的器件提供更高的(电位隔离)电压。(图片来源: IO-Link)
IO-Link 规范具有后向兼容性,并能够适应旧有设备。主站可以使用标准输入输出 (SIO) 功能来操作这些器件,将 C/Q 串行链路转化为分立式数字 I/O 端口。SIO 还支持 IO-link 传感器与传统输入模块结合使用。主站端 (ILLM) 的 C/Q 线路上内置有负载电流,还支持与具有离散 PNP 型输出(仅驱动高电平)的旧有传感器结合使用。
IO-Link 协议为功能强大的低成本边缘层节点奠定了基础(图 2)。此类低功耗节点在实现 IO-Link 连接时仅使用了三个有源器件:IO-Link 收发器 (MAX14827A)、降压稳压器 (MAX17552)、监控型微控制器。

图 2: IO-Link 节点的简化方框图,其中包含三个有源器件:IO-Link 收发器、降压稳压器、监控型微控制器。(图片来源: Maxim Integrated)
Maxim Integrated 的 MAX14827A 收发器发送和接收 IO-Link 消息,并通过三线 UART 与监控型微控制器交换数据。该器件还带有 SPI 接口,可提供诊断信息。复用 UART/SPI 选项将 SPI 和 UART 接口组合为单组共用引脚(图 3)。

图 3: MAX14827A 将 IO-Link 收发器、功率驱动器和线性稳压器的组合在单个封装中(图片来源: Maxim Integrated)
MAX14827A 有两种运行模式,由 SPI/PIN 上的电压决定。在 PIN 模式下(SPI/PIN 低),SPI 和 UART 都被禁用,可根据需要将 SPI/UART 引脚连接到高电平或低电平,来设置器件配置。在此模式下,有些功能设置为固定值。当 SPI/PIN 连接高电平时,SPI 和 UART 都被使能,用于配置 MAX14827A、监控其运行、以及传输和接收 IO-Link 消息。
除了 IO-Link 接口之外,MAX14827A 还集成了工业物联网传感器节点需要的多种常见功能,例如驱动器和稳压器。这样可以减少元器件数和节点尺寸。这些功能包括:
两个低功耗逻辑电平 LED 驱动器
集成的 3.3 V 和 5 V 线性稳压器,用于低噪声模拟或逻辑电源轨。
如果 DI/DQ 工作不需要,则可使用推挽、PNP 和 NPN 模式的其他数字输入和输出。
MAX14827A 可检测热过载等故障条件,并提供反极性保护和热插电源保护。该器件还可以针对各种条件引发中断,例如 IO-Link 唤醒、超温、驱动器过载、V24 引脚低电压。
IO-Link L+/L- 引脚为节点提供 24 伏特直流电源。MAX17552A 高效率 DC-DC 转换器为其他元器件、传感器和执行器产生 5 伏特的总线电压。它将同步降压拓扑用于集成式功率 MOSFET。
MAX14827A 中的内置 LDO 使用 5 伏特总线电压,为微控制器产生 3.3 伏特的电压。由于 MAX17552 提供了 5 伏特的电压,因此此应用将不使用 MAX14827A 的内置 5 伏特稳压器。
虽然标准 IO-Link L+ 电压为 24 伏特,但 MAX17552A 可根据需要在 4 伏特至 60 伏特的输入电压范围内工作。转换器能够在 0.8 伏特至 0.9 x VIN的可调节输出电压下,产生最高 100 毫安的输出电流。在 -40°C 至 +125°C 的温度范围内,输出电压精度为 ±1.75%。
该器件采用峰值电流模式控制方式,MODE 引脚可在脉宽调制 (PWM) 或脉冲频率调制 (PFM) 控制方案之间选择。PWM 工作可在所有负载条件下实现恒定频率工作方式,这一特点使其适用于对可变开关频率敏感的应用。PFM 模式在轻负载时实现脉冲跨周期调制,以实现高效率。在这种模式下,转换器仅消耗 22 微安的空载电源电流。

图 4: MAX17552A 的开关拓扑高效地将 IO-Link 24 伏特输入转换为节点所需的 5 伏特总线电压。(图片来源: Maxim Integrated)
微控制器对传出的 IO-Link 消息进行格式化,并处理传入的消息。它还接收来自传感器的数据,并通过外置驱动器或 MAX14827A 中的驱动器来控制执行器。
在最小引脚数的配置中,微控制器串口同时支持 UART 和 SPI 功能,管理收发器控制 (SPI) 和 IO-Link 数据通信 (UART)。微控制器的共用 UART 和 SPI 接口引脚为复用引脚,但它们的使用模式各不相同。SPI 用于配置上电时的收发器配置,很少用于重新配置或诊断目的。另一方面,UART 消息可能随时产生。
由于工业物联网节点的功能存在很大差别,微控制器必须拥有灵活的功能集。这些功能可能包括模数转换器 (ADC)、数模转换器 (DAC)、数字 I/O 功能(例如定时器和 PWM 输出),具体取决于应用。
工业物联网的首要设计原则是在合理的位置处理数据,而并非自动将数据向上游发送至更高级别的节点进行操作。这会提高节点级微控制器的标准,因为它需要浮点支持等功能。但是,最大程度降低功耗仍然是头等大事,因此微控制器必须具有电源管理功能,让电源更长时间保持在低功耗模式下,仅在需要时唤醒以处理传感器输入,或者发送和接收消息。
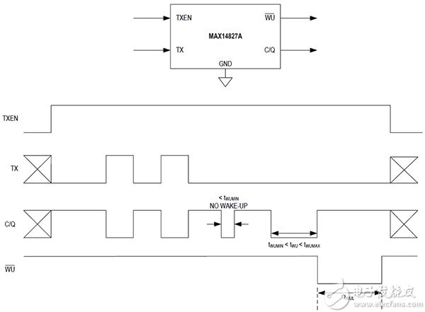
在工作中,器件必须等待以响应来自主站的传输:它无法发起通信。主站通过在 C/Q 线路上实现 80 微秒的低电平脉冲来唤醒器件(图 5)。MAX14827A 检测到 IO-Link 唤醒条件,并通过将引脚驱动至低电平,持续 200 微秒,来通知微控制器。由于 MAX14827A 包括电路,因此明显长于或短于 80 微秒的脉冲将不会导致变化。此外,在 SPI 模式下时,MAX14827A 的 INTERRUPT 寄存器中的 WuInt 位将会置位,而在检测到 IO-Link 唤醒事件时,/ 引脚变得有效。

图 5: 检测到传入的 IO-Link 唤醒时,MAX41827A 通知微控制器。(图片来源: Maxim Integrated)
在未发生 IO-Link 通信期间,微控制器会收集传感器数据、响应故障条件或进入休眠模式以节省功耗。
在为工业物联网设计节点时,请务必牢记一些重要考虑因素。
由于 IO-Link 插座暴露在外界环境下,因此 ESD 保护和瞬态保护不可或缺。在插入或取下连接器时,存在 ESD 电击的风险。
电感负载开关、突发和浪涌会产生高瞬态电压。应保护 V24、C/Q、DI 和 DO 引脚免受过压和欠压瞬变的影响。V24、C/Q、DO 和 DI 上的正电压瞬变必须限定为相对于 GND 的 +70 伏特。负电压瞬变必须限定为相对于 V24 的 -70 伏特。在 C/Q、DO 和 DI 使用保护二极管(图 3)。
如果设计需要满足 IEC 61000-4-5 规范的浪涌额定值,Littelfuse Inc. 的 SMAJ33A 或 Fairchild 的 SMBJ36A TVS 保护器都是不错的选择。为了提供最大程度的保护,STMicroelectronics 推出的 SM6T39A 达到了 IEC 61000-4-2 第 4 级 ESD 规范的 15 千伏空气放电和 8 千伏接触放电要求。
另一方面,IO-Link 规范规定了最低级别的 ESD 保护和突发保护;如果有这种设计要求,则可在小型封装中使用 TVS。
当设计中包含 MAX17552A 等开关功率转换器时,在实现高效率的同时,也会带来一些值得注意的问题。例如,在选择外部元器件时需要特别小心,这一点非常重要。
电感器选择: 挑选 DC 电阻最低且适合所分配空间的低损耗电感器。铁氧体和铁粉是最常用的磁芯材料。铁氧体磁芯具有较低的磁芯损耗,建议用于高效率设计,铁粉磁芯比铁氧体的成本更低,但磁芯损耗更高。
输入电容器选择: 输入电容器可减少从电源提取的峰值电流,并减少输出端由于开关电路导致的纹波和噪声。推荐使用小型陶瓷 X7R 级别输入电容器。对于 MAX17552 的输入电容器,建议达到至少 1 微法拉的电容值,以保持较低的输入电压纹波,并满足最大纹波电流要求。
输出电容器选择: 输出电容器有两种功能。它存储足够的能量,以便在瞬态负载条件下保持输出电压,并稳定稳压器的内部控制回路。X7R 级别陶瓷器件仍然是首选。量身定制输出电容器,以支持应用中的最大输出电流的 50% 的步进负载,使得输出电压偏差小于 3%。
另请注意,由于 DC 偏置电平,陶瓷电容器中使用的介电材料会出现电容损失,请确保适当地进行降额。
典型的工业物联网边缘节点包括用于收集实际传感器数据的噪声敏感型模拟电路,还包括噪声数字和开关电源器件。细致的 PC 板布局对于实现稳定的工作至关重要。
推荐布局指导原则包括保留噪声敏感型模拟元器件,以及偏离噪声源和接地线的布线。将模拟输入与噪声走线隔离开,单独运行模拟和电源接地。
开关电源功率级需要特别注意,因为它将数字开关与高电压和高电流结合在一起。例如,输入陶瓷电容器应该位于尽可能靠近 VIN 和 GND 引脚的位置。所有反馈连接应该是短而直接的,高速开关节点 LX 的布线应该与信号引脚隔离开。
使用评估板可以帮助设计人员基于 IO-Link 和 MAX14827A 开始设计边缘节点。 MAX14827EVKIT 既可作为独立评估板工作,也可与基于 Arduino 的小型 ARM® mbed 板结合使用。评估板包括了 GUI,让用户能够在 PIN 模式和 SPI 模式下进行操作(图 6)。

图 6: MAX14827A 评估套件上电后的 SPI 模式默认配置 GUI 屏幕(图片来源: Maxim Integrated)
工业物联网需要大量的低成本、低功耗的边缘层节点,用于收集数据和控制工业过程。IO-Link 是一种针对工业自动化优化的低成本协议,特别适用于在现场总线网络中连接在一起的大量 PLC。MAX14827A IO-Link 收发器可将稳压器与低功耗微控制器组合在一起,形成适合很多工业物联网应用的紧凑边缘层节点设计。
全部0条评论
快来发表一下你的评论吧 !