
一、Profinet简介
01
起源与定位
PROFINET 是由西门子主导、PROFIBUS 用户组织(PI)推广的工业以太网标准,于 2001 年正式发布,旨在解决传统 PROFIBUS 总线在高速实时通信、跨厂商兼容、IT/OT 融合等方面的局限。PROFINET 耦合器作为 PROFINET 网络的 “桥梁设备”,是实现传统现场总线(如 PROFIBUS)与 PROFINET 以太网融合的核心部件,支撑工业 4.0 中 “分布式控制” 与 “智能互联” 的落地。目前主流耦合器型号(如西门子 IM 154-8、菲尼克斯 FLM PN)的防护需求,均可通过雷卯电子的 ESD/TVS 器件实现合规性适配。
02
分类与应用
PROFINET 耦合器按功能可分为协议转换型(如西门子 IM 154-8,实现 PROFIBUS 与 PROFINET 互转)、集成 IO 型(如菲尼克斯 FLM PN,自带 IO 端子直连传感器)、冗余增强型(如赫斯曼 SPIDER,支持双网口冗余切换)、紧凑型(如魏德米勒 UR20,适配狭小空间)等类型。
核心功能包括协议转换与实时数据透传(确保控制指令周期≤1ms)、网络扩展(级联支持 126 个从站)、诊断监控(通过指示灯或软件定位故障)及为下游低功耗设备分配 24V DC 电源,广泛应用于汽车制造(焊装线机器人通信)、食品饮料(灌装设备联网)、物流仓储(AGV 交互)、能源化工(泵阀控制)等场景,适配传统设备升级与智能工厂混合网络架构。上海雷卯针对不同场景的电磁干扰特性,已形成成熟的防护器件选型库,可快速匹配耦合器的接口防护需求。
二、防护背景与核心标准
1. 工业环境电磁干扰风险
PROFINET 耦合器安装于工业现场(如车间、控制柜、户外机柜),面临多重干扰:
·静电放电(ESD):操作人员接触接口、设备外壳时的人体静电或粉尘 / 干燥环境下的感应静电,可能导致接口芯片(如以太网 PHY、PROFIBUS transceiver)损坏。
·浪涌(Surge):雷击电磁感应(通过电源线/通信线传入)、电机/变频器启停产生的开关浪涌(瞬态电压可达数kV),可能引发通信中断或硬件烧毁。
·上海雷卯 EMC 小哥强调:工业现场的干扰往往是 “ESD + 浪涌” 叠加,需采用 “泄放 + 钳位” 两级防护架构,避免单一器件失效导致防护失效。
2. 核心标准
·静电防护:IEC 61000-4-2(接触放电 / 空气放电),工业设备需满足等级 3(接触 ±6kV / 空气 ±12kV)或等级 4(接触 ±8kV / 空气 ±15kV,高风险场景)。
·浪涌防护:IEC 61000-4-5(1.2/50μs 电压波、8/20μs 电流波),电源接口需满足等级 3(线地 ±4kV),通信接口需满足等级 3(线线 ±2kV)。
·行业附加要求:汽车行业(如 VDA 标准)要求更高冗余,需通过等级4浪涌测试;食品行业因清洁需求(水冲洗),需强化外壳静电防护。
三、上海雷卯针对各接口的防护方案
(一)信号端口防护:精准匹配 PROFINET 信号特性

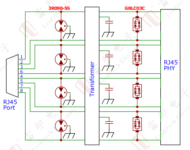
1. 以太网接口RJ45(10/100Mbps)
PROFINET 依赖 TX+/TX-、RX+/RX -差分线,需单独防护且控制寄生电容,雷卯方案满足IEC61000-4-2,等级4,接触放电±30kV,空气放电±30kV。 IEC61000-4-5 10/700μs,40Ω,±6kV,±5次,此方案高温传输不丢包。
·一级泄放:接口侧串联雷卯3R090-5S 气体放电管(GDT),击穿电压 90V±20%、通流容量 10kA(8/20μs),可泄放 90% 浪涌能量,避免大电流冲击后级芯片;
·二级钳位:每对差分线并联雷卯GBLC03C ESD二极管(SOD-323 封装),钳位电压≤20V(适配 TI DP83848、微芯 LAN8742 等 PHY 芯片耐压),单路电容仅0.6pF,无信号畸变;
雷卯EMC小哥补充:差分线防护需严格控制 “器件寄生电容 + PCB 走线电容” 总和,GBLC03C 的低容值特性是保障100Mbps信号完整性关键。

2. RS485 辅助接口(设备配置 / 诊断)
雷卯电子采用P0080SC TSS并联于 A/B 信号线以及信号线与地之间,TSS反应时间为ns级,既可防浪涌,又可防静电,且保证信号完整性.满足IEC61000-4-2,静电等级4,接触放电±8kV,空气放电±15kV; IEC61000-4-5 浪涌10/700μs,±6KV;
雷卯EMC小哥提示:工业车间的 RS485 线缆常与动力线并行敷设,建议在 P0080SC 前端串联限流电阻,进一步降低浪涌电流对TSS保护器件的冲击。

3. USB辅助接口
雷卯采用单颗器件SR05W防护USB2.0接口,节约空间,保证信号完整性,满足IEC61000-4-2,等级4,接触放电±8kV,空气放电±15kV,保证工业客户的各种电气干扰。如对Vbus有过流要求,需搭配PTC实现 “过压 + 过流” 双重保护。
(二)电源端口防护:阻断浪涌侵入核心电路

针对 24V 工业电源(浪涌主要侵入路径),上海雷卯设计“过压 + 过流 + 防倒灌” 三重防护:
·过压防护:电源输入端正负极并联雷卯SMBJ26CA TVS二极管,钳位电压≤42V(24V电源安全阈值),通流容量14.3A(10/1000μs),快速泄放瞬态过电压;
·过流保护:串联雷卯自恢复保险丝(PPTC),过流(如短路)时自动断开,故障排除后恢复,避免电源模块烧毁;
·防反接:采用PMOS((适用于 20A 以上大功率场景,推荐雷卯电子LM5D28P10 型 PMOS)或低压降肖特基二极管(适用于小功率场景,如雷卯电子SK56C,60V/5A)实现极性反接保护;
(三)PCB 设计优化:保障防护效果与信号完整性
1. 分层与阻抗设计
采用 8 层对称叠层(信号层→地平面→信号层→地平面→电源层→地平面→信号层→信号层),确保所有信号层紧邻完整地平面,通过地平面连续性降低电磁耦合路径。
·高速差分线(如以太网、RS485)阻抗控制为 100Ω±5%(基于 FR-4 板材特性仿真验证),线长匹配误差≤25mil,减少信号反射与外部干扰耦合。
2. 防护与滤波器件布局
·防护器件(GDT、TVS)需紧邻接口引脚(距离≤3mm),接地路径采用 0.5mm 过孔阵列(≥4 个)直连地平面,缩短干扰泄放路径,降低寄生电感对浪涌抑制的影响。上海雷卯EMC 小哥建议:过孔阵列需围绕防护器件均匀分布,避免形成 “单点接地瓶颈”;
3. 接地与屏蔽设计
·接口地(RJ45/RS485 外壳)为安全地,通过金属螺丝 + 锯齿垫圈直接接大地(阻抗 < 1Ω);系统信号地与安全地采用 2mm 宽铜箔单点连接,避免地环路引入干扰。
·金属外壳与 PCB 地平面通过导电衬垫 + 金属化过孔实现 360° 电磁密封,100MHz~1GHz 频段屏蔽效能≥60dB,削弱外部电磁骚扰的穿透。
雷卯针对PROFINET常见信号和电源接口防护推荐料号 | |||||
类型 | 品牌 | 型号 | 描述 | 封装 | 应用 |
ESD | Leiditech | SM712 | 7V/12V,双向,45pF | SOT-23 | RS485接口防静电 |
TSS | Leiditech | P0080SC | 6V,100pF | SMB | RS485/RS422浪涌防护 |
TSS | Leiditech | LMP0635SDQ | 6V,100pF | SMB | |
ESD | Leiditech | GBLC03C | 3.3V,双向,0.6pF,20A | SOD-323 | 千兆网络防静电 |
GDT | Leiditech | 3R090-5S | 90V,双向,1.5pF | 3R 5mm | 千兆网络防雷 |
ESD | Leiditech | GBLC24C | 24V,双向,0.6pF | SOD-323 | 24V模拟量端口防静电 |
PTC | Leiditech | SMD1812系列 | 6-60V,0.1-3.5A | SMD1812 | 24V电源过流防护 |
TVS | Leiditech | LM1K24CA | 24V,Vc=35V | SMB | 24V电源雷击浪涌防护,根据测试等级不同,选择的TVS功率不同 |
TVS | Leiditech | SMBJ26CA | 26V,600W,双向 | SMB | |
TVS | Leiditech | SMCJ26CA | 26V,1500W,双向 | SMC | |
| TVS | Leiditech | 3LM26CA | 26V,3000W,双向 | SMC | |
| Schottky | Leiditech | SK56C | 60V 5A | SMC | 24V电源反极性防护 |
| ESD | Leiditech | SR05 | 5V,单向,0.5pF | SOT-143 | USB 2.0接口防静电 |
| ESD | Leiditech | SR05W | 5V,单向,3pF | SOT-143 | |
上海雷卯电子(Leiditech)致力于成为电磁兼容解决方案和元器件供应领导品牌,供应ESD、TVS、TSS、GDT、MOV、MOSFET、Zener、电感等产品。雷卯拥有一支经验丰富的研发团队,能够根据客户需求提供个性化定制服务,为客户提供最优质的解决方案。
全部0条评论
快来发表一下你的评论吧 !