12位1.6/1.0 GSPS ADC12D800/500RF是一种射频采样GSPS的ADC,可以直接采样输入频率,最高可达2.7 GHz及以上。ADC12D800/500RF增强了非常大的TI GSPS ADC的奈奎斯特区,在射频频段噪声和线性表现优异,将其可用范围扩展到7 GHz之外^th^奈奎斯特区
ADC12D800/500RF提供灵活的LVDS接口,支持多个SPI可编程选项,便于板上设计和FPGA/ASIC数据采集。LVDS输出为兼容IEEE 1596.3-1996,并支持可编程共模电压。该产品采用无铅292球热增强BGA封装,覆盖工业级温度范围为-40°C至+85°C。
*附件:adc12d800rf.pdf
特性
- 噪声和线性表现优异,最高可达f。
在 = 2.7 GHz - 可配置为1.6/1.0 GSPS交错式或800/500 MSPS双ADC
- 为高带宽、高采样率应用推出新的DESCLKIQ模式
- 与ADC1xD1x00针脚兼容
- 多芯片同步自动同步功能
- 内部终端缓冲差分模拟输入
- 交错正时自动与手动倾斜调节
- 系统调试输出端的测试模式
- 捕捉外部触发的时间戳功能
- 可编程增益、偏移和
广告调整功能 - 1:1 非多工或 1:2 去多工 LVDS 输出
- 主要规格
- 分辨率 12位
- 交错 1.6/1.0 GSPS ADCIMD
3 (fin = 2.7GHz @ -13dBFS):-63/-61 dBc(类型)IMD 3 (Fin = 2.7GHz @ -16dBFS):-71/-69 dBc(典型) 噪声底:-152.2/-150.5 dBm/Hz(典型) 噪声功率比:50.4/50.7 dB(典型) 功率:2.50/2.02 W(典型) - 双800/500 MSPS ADC,Fin = 498 MHz ENOB:9.5/9.6 Bits(类型) SNR:59.7/59.7 dB(类型) SFDR:71.2/72 dBc(类型) 每通道功率:1.25/1.01 W(类型)
参数

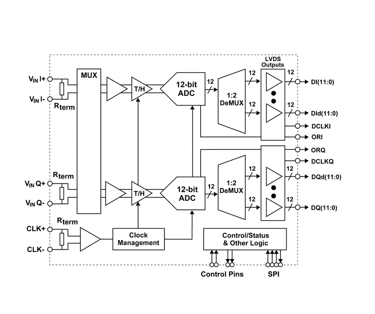
方框图

ADC12D500RF/800RF 是 TI 推出的 12 位高速 RF 采样 ADC,核心优势是高采样率、宽输入带宽和灵活配置,适配射频通信、雷达等高性能场景。
核心产品参数
- 分辨率与采样率 :12 位分辨率,ADC12D800RF 最高 1.6 GSPS(交织模式)/800 MSPS(双通道模式),ADC12D500RF 最高 1.0 GSPS/500 MSPS。
- 带宽与动态性能 :输入带宽最高达 4 GHz(-12 dB),2.7 GHz 输入时 IMD3 低至 - 61 dBc(-13 dBFS),噪声基底密度 - 150.5 dBm/Hz(典型值),SNR 最高 60.4 dBFS,SFDR 最高 74.3 dBc。
- 功耗与封装 :典型功耗 2.02 W(ADC12D500RF)/2.50 W(ADC12D800RF),采用 292 引脚热增强型 BGA 封装,工业级温度范围(-40°C 至 85°C)。
- 输入与输出 :差分模拟输入阻抗 100Ω,支持 AC/DC 耦合;LVDS 输出接口,可配置单 / 双数据速率(SDR/DDR),输出格式支持偏移二进制和二进制补码。
关键功能特性
- 灵活工作模式:支持双沿采样(DES)和非双沿采样(Non-DES),DES 模式可将单通道采样率翻倍,还支持 1:2/1:4 解复用模式降低输出数据率。
- 精准校准功能:内置上电校准、指令校准,支持输入失调、满量程范围独立调节,可读写校准参数以复用配置。
- 多芯片同步:AutoSync 功能支持主从模式同步多片 ADC,DCLK Reset 功能可复位输出时钟实现同步,适配多通道系统。
- 丰富控制接口:支持非扩展控制模式(引脚直接控制)和扩展控制模式(SPI 串口配置 16 个寄存器),可独立配置 I/Q 通道参数。
应用与设计要点
- 典型应用:3G/4G 基站、宽带微波回传、软件定义无线电、雷达 / LIDAR、测试测量设备。
- 驱动与时钟:模拟输入需差分驱动,推荐使用巴伦变压器实现单端 - 差分转换;时钟输入需低抖动,支持 LVDS/LVPECL 等电平,AC 耦合且差分阻抗匹配 100Ω。
- 电源与布局:需分离模拟 / 数字 / 时钟电源平面,每个电源引脚就近放置去耦电容;PCB 需采用完整接地平面,减少时钟与模拟信号串扰。
- 辅助功能:内置温度传感器接口,支持时间戳功能捕获外部触发时序,提供测试模式便于系统调试。