ADS424x 和 ADS422x 系列设备是 ADS42xx 超低功耗双通道、14 位或 12 位模数转换器(ADC)的低速变体。采用创新设计技术实现高动态性能,同时在1.8伏供电下功耗极低。这种拓扑结构使ADS424x/422x非常适合多载波宽带宽通信应用。
*附件:ads4242.pdf
特性
- 超低功率,单一1.8伏电源,CMOS输出:
- 183毫瓦,总功率65 MSPS
- 277毫瓦,总功率125 MSPS
- 332毫瓦总功率,160 MSPS
- 高性能性能:
- 88 dBc SFDR 频率,频率为 170 MHz
- 170 MHz 时的 71.4 dBFS 信噪比
- 串扰:> 90 dB,频率为185 MHz
- 可编程增益最高可达6 dB,用于信噪比/SFDR 权衡
- 直流偏移校正
- 输出接口选项:
- 1.8伏并行CMOS接口
- 双倍数据率(DDR)带可编程摆动的LVDS:
- 支持低输入时钟幅度至200 mV
PP - 包装:VQFN-64(9.00毫米×9.00毫米)
参数

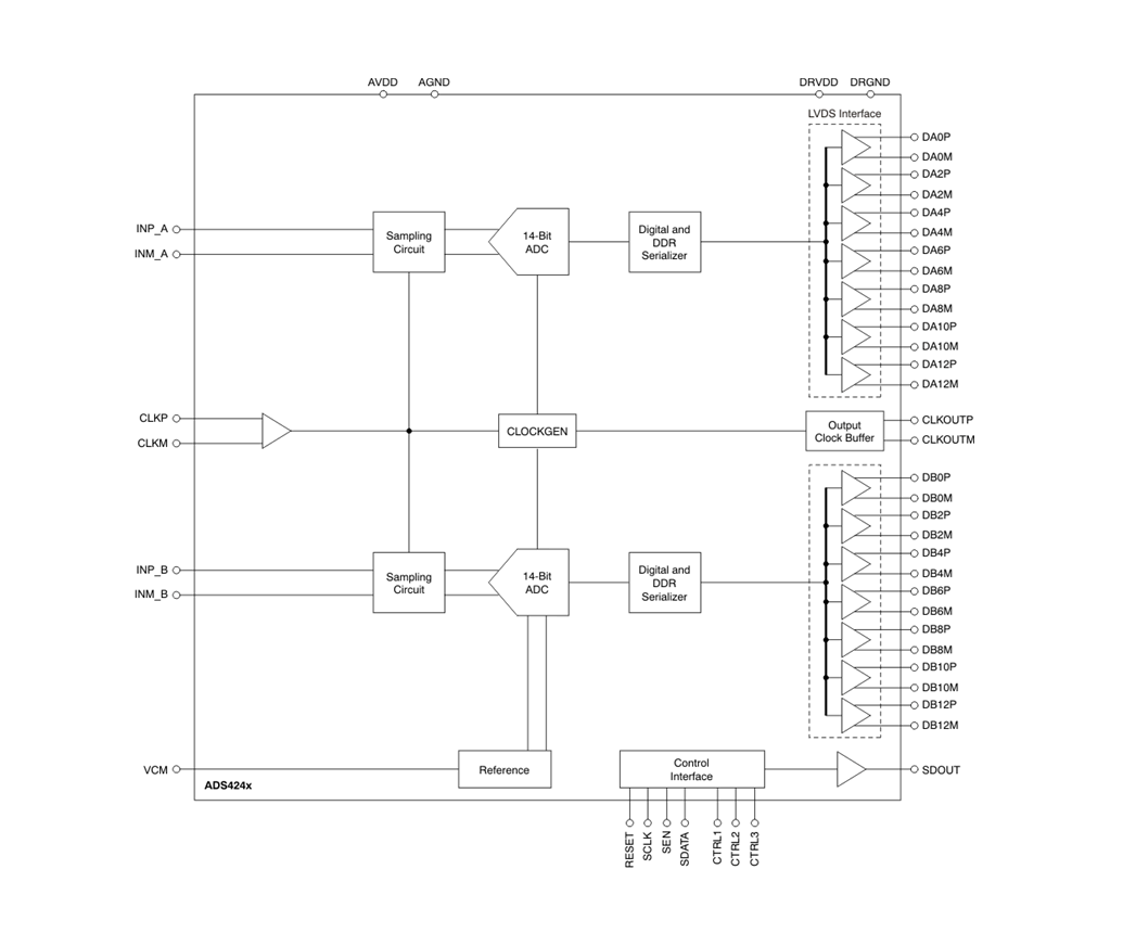
方框图

ADS42xx 系列是德州仪器(TI)推出的超低功耗双通道模数转换器(ADC)家族,包含 14 位 ADS424x(ADS4242/45/46)与 12 位 ADS422x(ADS4222/25/26)子系列,核心优势为低功耗与高动态性能,适配无线通信基础设施、软件无线电等场景。
一、产品核心参数
1. 基础性能指标
- 分辨率与精度 :ADS424x 为 14 位,ADS422x 为 12 位;微分非线性(DNL)最大 ±1.5 LSB,积分非线性(INL)最大 ±3.5 LSB,确保信号转换准确性。
- 采样与带宽 :采样率覆盖 65MSPS(ADS4242/22)、125MSPS(ADS4245/25)、160MSPS(ADS4246/26),模拟输入带宽最高 550MHz,支持 2VPP 差分输入。
- 动态性能 :170MHz 输入时,SNR 典型值 69.5dBFS
73.4dBFS,SFDR 可达 82dBc88.6dBc,通道串扰>90dB,总谐波失真(THD)低至 72.3dBc。 - 功耗表现 :160MSPS 时总功耗仅 332mW,65MSPS 时低至 183mW,支持全局掉电(最低 20mW)与通道待机模式,节能特性突出。
2. 电源与封装
- 单 1.8V 供电(AVDD/DRVDD),简化供电设计;
- 采用 64 引脚 VQFN 封装(9mm×9mm),暴露热焊盘优化散热,工业级工作温度范围(-40°C 至 85°C)。
二、关键功能特性
1. 信号处理与校正
- 可编程增益 0~6dB(0.5dB 步进),可权衡 SFDR 与 SNR 性能,适配不同输入信号幅度场景;
- 内置 DC 偏移校正功能,支持 ±10mV 偏移补偿,可通过寄存器调节校正时间常数与 pedestal 偏移量;
- 支持测试模式(全 0、全 1、翻转、斜坡、自定义图案),便于系统调试与数据捕获验证。
2. 接口与输出配置
- 输出接口二选一:DDR LVDS(标准摆幅 350mV,低摆幅 200mV)或并行 CMOS,LVDS 支持 50Ω/100Ω 差分 termination;
- 数据格式支持二进制补码与偏移二进制,可通过引脚或寄存器配置;
- 串行 SPI 接口(最高 20MHz)用于寄存器编程,支持寄存器读回功能,并行控制引脚可快速配置电源模式与接口类型。
3. 功耗与工作模式
- 两种低功耗模式:全局掉电(唤醒时间 100μs)与通道待机(唤醒时间 50μs),时钟频率低于 1MSPS 时自动进入低功耗状态;
- 支持多路复用模式,双通道数据复用至单总线输出,适配低采样率场景。
三、应用与设计要点
1. 典型应用场景
- 无线通信基础设施:基站信号接收、功率放大器线性化;
- 软件无线电(SDR)、测试测量仪器;
- 宽带信号采集系统,尤其适合对功耗敏感的便携式或密集部署设备。
2. 硬件设计建议
- 电源与去耦 :AVDD(模拟电源)需低噪声供电,建议搭配 LDO;电源引脚就近放置 0.1μF 去耦电容,模拟地与数字地单点连接,减少干扰。
- 输入与时钟设计 :模拟输入需差分驱动,建议串联 5~15Ω 电阻抑制振铃;时钟支持 LVPECL/LVDS/CMOS 输入,需保证低抖动,高采样率场景推荐时钟抖动 Cleaner。
- 布局规范 :差分输入对紧密布线,与时钟线垂直交叉;暴露热焊盘必须焊接至地平面,优化散热与电气性能;数字与模拟区域严格分区,减少串扰。
3. 编程与配置
- 支持并行引脚快速配置(电源模式、接口类型、数据格式)与串行 SPI 寄存器编程(增益、偏移校正、测试模式等);
- 默认 latency 16 个时钟周期,启用数字功能后增至 24 个时钟周期,需匹配后端数据处理时序。
四、产品优势与选型适配
- 核心优势 :超低功耗设计(比同类产品功耗低 30% 以上),高动态范围与宽带宽结合,封装小巧,支持灵活接口与多种低功耗模式,适配密集部署与便携场景。
- 选型指南 :根据采样率需求选择 ——65MSPS 选 ADS4242/22,125MSPS 选 ADS4245/25,160MSPS 选 ADS4246/26;14 位分辨率需求优先 ADS424x,成本敏感或低分辨率场景可选 ADS422x。