电子说

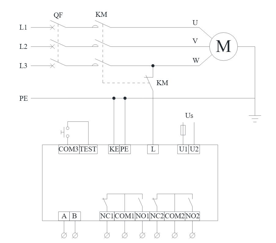
在现代工业生产中,电机作为关键动力设备,其安全稳定运行直接关系到生产效率和人员安全。绝缘性能的下降是电机故障的主要原因之一,尤其在恶劣环境下,如石化、矿井、钢厂等行业,绝缘老化、潮湿、化学腐蚀等问题更为突出。AIM-OL 离线系统绝缘监测仪应运而生,以其卓越的性能和广泛的适用性,成为工业绝缘监测领域的理想选择。19821800313

AIM-OL 绝缘监测仪专为不带电的 TN、TT、IT 系统设计,适用于690V 及以下的低压配电系统,可广泛用于:
石油化工:监测电机、水泵、应急风机等设备绝缘状态;
矿井作业:保障井下电气设备在潮湿环境下的绝缘安全;
钢铁冶炼:防止高温、多尘环境下绝缘性能下降;
轻工、电厂、备用发电机系统等。
无论是在新建项目还是智能化改造中,AIM-OL 都能提供可靠的绝缘监测解决方案。

AIM-OL 具备多项实用功能,确保监测全面、响应及时:
绝缘监测与报警:实时监测相线或绕组对地绝缘电阻,范围达 10kΩ~20MΩ;
双设定值预警/报警:用户可自定义预警值与报警值,灵活应对不同场景;
PK 断线监测:实时检测 PE/KE 连接状态,防止因接线不良导致监测失效;
事件记录与远程通讯:支持 20 条故障记录,具备 RS485 接口,支持 Modbus-RTU 协议;
自检与复位功能:支持本地与远程自检,确保设备自身运行可靠。





AIM-OL 采用DC 24V 低电压测量,电流小于 200μA,从根本上杜绝了操作人员触电风险。产品采用35mm 标准导轨安装和插拔式端子设计,接线方便,适用于各类配电箱内安装。
AIM-OL 离线系统绝缘监测仪以其广泛的应用范围、全面的监测功能、高度的安全性能和便捷的安装使用,成为工业绝缘监测领域的优选设备。它不仅帮助企业实现预防性维护、降低故障风险,更为生产安全与设备寿命提供了坚实保障。
适用于新建与改造项目,助力智能化运维,守护电机的安全运行。
审核编辑 黄宇
全部0条评论
快来发表一下你的评论吧 !