在工业控制与数据采集场景中,“回路导通检测 + 异常停机” 是保障设备安全、避免误操作的关键需求。如何使用NI 9203检测回路导通,下面请跟随小编一起来学习一下吧!
本文教程:
编写Custom Device
一、硬件环境:
NI 9230、NI 9401、56Ω电阻;
将9401与9230、56Ω电阻串联,将9230开环检测给到9401判断是否继续输出。


二、原理
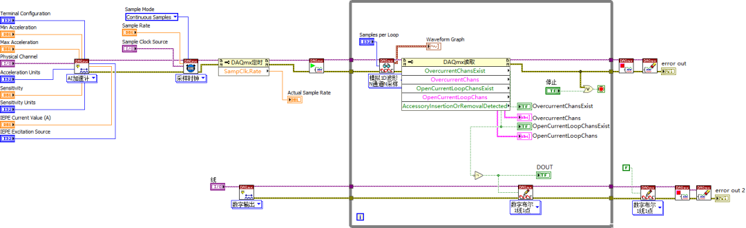
主要需要使用到“OpenCurrentLoopChansExist”和“OpenCurrentLoopChans”两个属性节点。
OpenCurrentLoopChansExist:该属性节点将输出一个布尔值,为真表示一个或多个通道出现电流开路,为假表示不存在电流开路
OpenCurrentLoopChans:该属性将输出一个字符串数组,显示存在电流开路的通道。
需要注意在查询OpenCurrentLoopChans属性之前,必须先查询OpenCurrentLoopChansExist属性。同时若系统不存在“NI-9227、NI-9218、NI-9230、NI-9231、NI 9232”等板卡时“NI-DAQmx读取”节点的下拉列表中将不会显示上述两个属性节点。

三、程序
如下图所示,为9401与9230分别创建数字输出与AI加速度计任务,并且读取9230的OpenCurrentLoopChansExist、OpenCurrentLoopChans属性。

四、配置
如下图所示,根据实际所用的通道,在前面板中进行配置。

五、结果
运行程序,当回路为通路时输出高电平,OpenCurrentLoopChansExist属性指示灯熄灭


当回路为开路时输出低电平,OpenCurrentLoopChansExist属性指示灯常量,OpenCurrentLoopChans属性数组会给出具体的开路通道。


注意:9230会一直输出2mA的IEPE激励电流,有约25V的开路电压,可能存在隐患,在条件允许的情况下,建议使用专业开路检测设备;开路状态本身通常不会损害电路系统,但电流互感器等特定设备开路可能引发过电压危险
以上就是使用NI 9203检测回路导通的所有内容啦,欢迎大家留言讨论,交流分享!
全部0条评论
快来发表一下你的评论吧 !