贞光科技从车规微处理器MCU、功率器件、电源管理芯片、信号处理芯片、存储芯片、二、三极管、光耦、晶振、阻容感等汽车电子元器件为客户提供全产业链供应解决方案!
金属化薄膜电容结构
金属化薄膜电容器是以塑料薄膜做为介质,以金属化镀层做为电极,通过卷绕方式制成的电容器。金属化薄膜电容器使用的薄膜有聚酯(PET)、聚丙烯(PP)、聚碳酸酯(PC)、聚苯硫醚(PPS)、聚萘乙酯(PEN)等,其中以聚酯膜和聚丙烯膜应用最广。
芯包结构

塑壳薄膜电容

铝壳薄膜电容

车载定制薄膜电容

常规金属化薄膜电容制程
介绍金属化薄膜电容器制程之前,先了解下组成电容器最主要的五大原材:金属化薄膜、喷金材料、填充树脂、电极引线、外壳。
1、卷绕

2、热压

3、包裹/喷金

4、赋能/焊接/装壳/灌胶一体

5、固化

6、电检/印字/切脚/外检/包装一体

金属化薄膜电容器应用
两种常见薄膜电容比对
| 类型 | 聚酯薄膜 | 聚丙烯薄膜 |
| 典型特性 | 工作温度范围宽 介电常数大 自愈特性好 容积比大稳定性好 | 损耗极低 介质吸收系数低 绝缘电阻高 频率特性好 自愈特性好 稳定性很好 |
| 典型应用 | 隔直和耦合 旁路 退耦 滤波低脉冲电路 振荡电路 | 高频脉冲应用 大电流场合 交流场合 高稳定的定时场合 开关电源系统和彩电行业 照明行业工控行业 |
特性曲线:

典型应用案例

目前主要以聚丙烯PP金属化薄膜电容器为主,因其优良的特性在信息/通信技术、汽车电子、工业设备、能源、消费类电子产品、 家电设备等各种场合都有应用。
1、安规电容
X1/X2电容:跨接PN线路上,消除差模干扰
Y1/Y2电容:接地,消除共模干扰

2、电力电子电容器

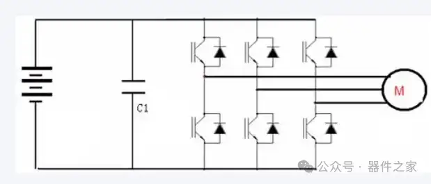
3、汽车母线电容

技术发展趋势
1. 新型材料应用:高性能聚合物材料的应用显著提升电容的性能和可靠性,满足更严苛的安全标准和应用需求。
2. 多功能集成化:电容与其他元件的集成趋势明显,如电容-电感一体化设计,减少PCB空间占用,提高系统可靠性。
3. 现有材料改性:推进电容器小型化、高温化、高可靠性发展。
来源:器件之家
全部0条评论
快来发表一下你的评论吧 !