电子说
特性描述
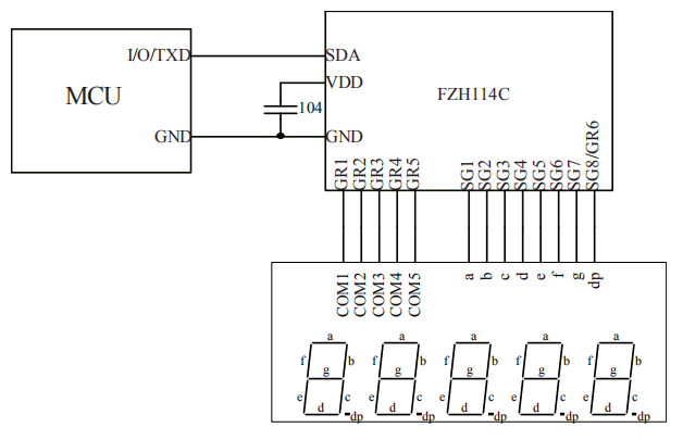
FZH114C(深圳市方中禾科技) 是一款LED(发光二极管、数码管、点阵屏)驱动控制专用芯片,内部集成了数字通讯电 路、解码电路、数据锁存器、震荡器、LED驱动电路。通讯方式采用异步串口通信(UART)协议,因芯 片只接收单片机发来的数据,仅需要单片机的一个TX端口发送数据给芯片即可,实现单线通讯;在显示 驱动方面,芯片采用动态扫描方式,两种显示模式可选,8级段驱动电流可调,16级位占空比可调;FZH114C 内置消隐处理优化电路。 本产品应用在各种消费类电子产品上,用途非常广泛,如:LED 数码显示,LED点阵显示驱动,机顶盒显示等。本产品性能优良,质量可靠。
功能特点
采用功率CMOS工艺
典型工作电压:5V
支持共阴数码管显示
两种显示模式(7段×6位,8段×5位)
辉度调节电路(位占空比16级可调、段驱动电流8级可调)
串行接口(SDA),兼容串口通信(UART)协议,支持波特率19200bps
内置 OSC 频率 2.5M
内置上电复位电路
内置针对暗亮问题的优化电路
封装形式:SOP16
内部结构框图


管脚排列


管脚功能


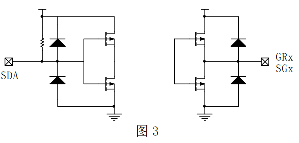
输入输出等效电路


极限参数


推荐工作条件


电气特性


开关特性


功能说明
1、通信协议
本芯片采用异步串口通信(UART)协议,工作原理是将传输数据的每个字符以串行方式一位接一位 的传输。下图给出了其工作模式:


FZH114C 每一位的时间为:52us。
其中每一位(bit)的意义如下:
▲起始位:为由高变低,低电平时间为一位的时间,表示传输字符的开始。
▲数据位:紧跟起始位之后,D0-D7,低位先发。
▲校验位:为一位的时间,如果 8 位数据位中 1 的个数为奇数,该位设为 0(置低电平),否则为 1(置 高电平)。
▲停止位:置高。时间为一位的时间,它是发送完一个字符数据的结束标志。
▲空闲位:置高。如果空闲位置高的时间大于 3ms,FZH114C 就认为本次数据帧结束,本次数据从暂存 器打入相应寄存器开始控制芯片输出。如果一帧数据传输没有结束,那么建议设置空闲位时间范围在 0-0.5ms 以内。
FZH114C 的一帧数据包括以下两种形式:
⑴ 显示地址命令+显示数据;
⑵ 显示控制命令+显示控制调节命令。
波特率:是衡量数据传输速率的指针。表示为每秒钟传送的二进制位数(bit 数)。例如资料传送速率 为 120 字符/秒,而每一个字符为 11 位,则其传送的波特率为 11×120=1320 bit/秒=1320 波特。FZH114C 支持波特率范围为:17500bps~21200bps,这里我们建议用 19200bps 即每位 的时间为:1s(秒)/19200≈52us(微秒)。所以 FZH114C 支持的每位的时间范围为:47us~ 57us。在用 IO 模拟 UART 通讯时候,SDA 数据的位宽应该满足提供的位宽范围。
下面我们以波特率为 19200bps 为例,给 SDA 脚发送显示控制命令“0X18”,时序波形图如下:


如上图 5,发送“0X18”总共 11 位,从左至右依次为 1 位起始位、8 位数据位、1 位校验位、1 位停止 位,每位的时间约为 52us ,11 位总时间约为 572us。由上图读出二进制为“00011000”即转换为十六 进制为“0X18”。
注意:FZH114C除了接收5V供电的MCU发出的控制信号也可以接收3.3V供电的MCU发出的控制信号,但不 建议使用供电不同的系统。
2、显示命令说明


3、显示数据说明


4、显示地址命令说明


5、显示控制调节命令说明


应用信息
1、FZH114C 命令数据定义
第一个 Byte 数据为控制命令设定,低位先发。其中低四位 B3 ~B0 为 1000 为固定数据。B4 为寄 存器类型选择,“1”时选择显示控制命令,“0”时选择显示地址命令。B7~B5 为设定显示地址。
从第二 Byte 数据开始为数据,按照第一个 Byte 中的地址送到相应的暂存器存器中,如果是显示控 制命令,第二 Byte 必须是显示控制调节命令。如果是显示地址命令,可以是多 Byte 数据,后续 Byte 数据按地址累加 1 放入相应暂存器中。如果地址超过相应有效地址,显示地址 101 以上,超过部分数据 无效,如果开始第一 Byte 含的地址就超过相应有效地址或是无效地址,本次数据无效。应用时建议先 发显示数据,然后再发控制数据(开显示),如果先发控制数据(开显示),显示寄存器没有清零,此 时就会输出显示寄存器里面的随机数据,导致数码管显示乱码直到显示寄存器接收到正确的显示数据。
2、驱动共阴数码管:


上图给出共阴数码管的连接示意图,如果让该数码管显示“0”,则需要在GR1为低电平时置SG1, SG2,SG3,SG4,SG5,SG6为高电平,置SG7,SG8为低电平,查看下图显示地址表格,只需在00H显示地 址单元写数据3FH就可以让数码管显示“0”。详细数据包为:先发地址命令“0X08”,紧跟着发显示数据 “0X3F”即把“0X3F”存放到地址00H中并通过SG脚输出,其它地址不让可以全发“0X00”使数码管不 显示,然后SDA脚置高至少3ms后发显示控制命令和显示控制调节命令,发完后SDA脚置高至少3ms,此时 数码管就显示“0”。


3、数据包传输方式
3.1、地址自动加1模式
使用地址自动加1模式,设置地址实际上是设置传送的数据流存放的起始地址。起始地址命令字发 送完毕,紧跟着发送数据,最多6BYTE,数据发送完毕后置高数据线。

Command1:选择显示地址命令(0x08)
Data1~Data n:发送显示数据(最多6bytes)
Time:数据线置高时间(最小时间为3ms)
CommandX:选择显示控制命令(0x18)
CommandY:发送显示控制调节命令(包括位占空比、段驱动电流以及显示模式设置)
3.2、固定地址模式
使用固定地址模式,设置地址实际上是设置需要发送的1BYTE显示数据存放的地址。地址发送完毕, 紧跟着发送1BYTE显示数据,数据发送完毕后,紧跟着置高数据数至少3ms,然后再发送地址,紧跟着再 发送1BYTE显示数据,紧跟着再置高数据线至少3ms,以此类推,直到发送完地址和数据。


Command1~Command n: 发送显示地址命令,地址1~n(最多可设置6个地址)
Data1~Data n:发送显示数据(最多6 bytes)
Time:数据线置高时间(最小时间为3ms)
CommandX:发送显示控制命令(0x18)
CommandY:发送显示控制调节命令(包括位占空比、段驱动电流以及显示模式设置)
芯片不需要命令来设置芯片是工作在地址自动加1模式还是固定地址模式,严格来说它只有
一种地 址自动加1模式,此处划分是为了更好地说明芯片也可以单独给某个显示寄存器地址写显示数据,如果 单独给某个显示地址写显示数据,写完显示地址后,紧跟着只能写一个显示数据,就把信号线置高至少3ms,如果紧跟着写几个显示数据,那么芯片在接收到第一个数据后,显示地址就会在规定的地址上自动加1,再接收第二个显示数据,直到接收到最后一个显示地址的显示数据。
4、7段×6位应用电路接法:


5、8段×5位应用电路接法:


注意:应用时请在芯片 VDD 与 GND 加一个 104 去耦电容。去耦电容与芯片 VDD 和 GND 之间的连线越 短,去耦效果就越好,芯片工作就越稳定。 芯片针对共阴极数码管驱动设计,不适合应用于共阳极数码管驱动。
封装示意图(SOP16)


审核编辑 黄宇
全部0条评论
快来发表一下你的评论吧 !