电子说
在物联网和无线通信领域,LoRa技术凭借其低功耗、远距离等优势,得到了广泛应用。Murata公司的Type 2GT LoRa模块评估板(EVB)为工程师们提供了一个便捷的开发和测试平台。今天,我们就来详细解读一下这款评估板的用户手册。
文件下载:Murata Electronics 2GT型评估套件.pdf
这份用户手册主要介绍了2GT模块EVB的使用方法,它是工程师开发和测试Murata 2GT模块的辅助工具。Murata提供了两种类型的2GT EVB,分别是JS - 1076 EVB和JS - 1125 EVB,下面我们将对它们进行详细介绍。
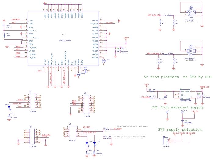
从图中我们可以看到JS - 1076 EVB的顶部视图。它上面的各个部件信息如下表所示: |
SN | Ref No | Description |
|---|---|---|---|
| A | U4 | Lora sub_G RF port | |
| B | U2 | Lora 2.4G RF port | |
| C | U1 | 2GT module | |
| D | 3V3_EXT | Connector of external power supply | |
| E | GND | connector of external GND | |
| F | J5 | Switch of power supply | |
| G | LD1 | LoRa Transmit Data Indication LED | |
| H | LD2 | LoRa Receive Data Indication LED | |
| I | LD3 | Wi-Fi or GNSS Sniff Indication LED | |
| J | U5 | 3V3 LDO | |
| K | J1 | Connect pins to MCU platform | |
| L | J2 | Connect pins to MCU platform | |
| M | J3 | Connect pins to MCU platform | |
| N | J4 | Connect pins to MCU platform |
JS - 1125 EVB的顶部视图如上图所示,其部件信息如下表: |
SN | Ref No | Description |
|---|---|---|---|
| A | U4 | Lora sub_G RF port | |
| B | U2 | Lora 2.4G RF port | |
| C | U1 | 2GT module | |
| D | 3V3EXT | Connector of external power supply | |
| E | GND | connector of external GND | |
| F | J6,J7,J8 | Switch of power supply | |
| G | LD1 | LoRa Transmit Data Indication LED | |
| H | LD2 | LoRa Receive Data Indication LED | |
| I | LD3 | Wi-Fi or GNSS Sniff Indication LED | |
| J | U5 | 3V3LDO | |
| K | J1 | Connect pins to MCU platform | |
| L | J2 | Connect pins to MCU platform | |
| M | J3 | Connect pins to MCU platform | |
| N | J4 | Connect pins to MCU platform |
用户可以参考这两张原理图来检查EVB上的部件。大家在实际设计中,仔细研究原理图有助于更好地理解电路的工作原理,你在看原理图的时候有没有遇到过一些难以理解的地方呢?
| SN | Description | Provider |
|---|---|---|
| A | Lora antenna for sub_G band | Murata |
| B | Lora antenna for 2.4G ISM band | Murata |
| C | NUCLEO - L476RG MCU platform | Customer |
| D | Mini USB | Customer |
这些配件是搭建EVB测试系统所必需的。
将EVB连接到NUCLEO - L476RG,确保引脚按照图中所示连接到EVB和平台的红色区域。

通过Mini USB接口电缆将NUCLEO - L476RG连接到PC,并将天线安装在EVB上。

EVB上有两个RF端口,用户可以使用它们进行不同目的的传导测试和辐射测试。其位置和描述可以参考前面提到的图和表。在进行测试时,选择合适的端口非常重要,你有没有在端口选择上遇到过困惑呢?
J5开关用于电源选择。如果要使用Nucleo板的电源,请连接引脚1和引脚2;如果要使用外部直流电源,请连接引脚2和引脚3。
JS - 1125 EVB上有J6、J7、J8三个开关用于电源选择。如果使用外部直流电源,请连接J6的引脚1和引脚2;如果使用Nucleo板的5V电源,请连接J7的引脚1和引脚2;如果使用Nucleo板的3.3V电源,请连接J8的引脚1和引脚2。
EVB上有三个LED(LD1、LD2和LD3),其位置和描述可以参考前面的图和表。这些LED可以帮助我们直观地了解模块的工作状态。
将PC的USB端口连接到NUCLEO - L476板的USB端口,打开PC上的设备管理器,然后安装ST - LINK_USB_V2_Driver,下载链接在参考表中。
成功安装驱动后,在图中可以看到COM端口信息。

打开STM32cuberprogrammer软件,下载链接在参考表中。
点击连接按钮。
点击连接浏览按钮并选择测试固件。
点击开始编程。
检查弹出窗口是否显示下载完成。

打开tera term、putty或其他UART通信工具,下载链接在参考表中。
选择串口并选择正确的COM端口。

进入设置>串口,将速度更改为115200并点击新设置。

向EVB设置命令,命令信息请参考参考表中的Type - 2GT LR11xx测试固件AT命令规范文档。
| Documents and information | Notes |
|---|---|
| NUCLEO - 1476 Link | https:/www.st.com/en/evaluation-tools/NUCLEO - 1476rg.html |
| ST - LINK_USB_V2_Driver Link | STSW - LINK009 - ST - LINK. ST - LINKV2.ST - LINK/V2 - 1.STLINK - V3 USB driver signed for Windows7. Windows8. Windows10 - STMicroelectronics |
| STM32cuberprogrammer Link | STM32CubeProg - STM32CubeProgrammer software for all STM32 - STMicroelectronics |
| Tera Term software Link | Tera Term Open Source Project (osdn.jp) |
| Putty software Link | Download PuTTY: latest release (0.78) (greenend.orguk) |
| Type - 2GT LR11xx test firmware AT command specification.pdf | This document is intended to describe the command interface and format for Type - 2GT LR11xx test firmware. |
这些参考资料为我们的开发和测试
全部0条评论
快来发表一下你的评论吧 !