探索BGSC4331MN10:超紧凑型40V RF开关与C - 调谐器组合的魅力

电子说

1.4w人已加入

描述

探索BGSC4331MN10:超紧凑型40V RF开关与C - 调谐器组合的魅力

在电子工程领域,不断追求更高效、更紧凑且性能卓越的器件是永恒的目标。今天,我们就来深入了解一款名为BGSC4331MN10的超紧凑型40V RF开关与C - 调谐器组合器件。

文件下载:Infineon Technologies BGSC4331MN10开关+ C调谐器.pdf

产品概述

BGSC4331MN10是一款专为RF应用优化的串联可调电容器和RF开关组合器件。它将两者的功能巧妙结合,为RF电路设计带来了新的可能性。

产品特性

可调电容与开关性能

  • 可调电容范围广:具备0.2 - 3.5 pF的8级可调电容,还配备旁路开关,能满足不同电路对电容值的灵活需求。
  • 超低导通电阻:拥有3个超低 $R_{ON}$ 的RF开关,在导通状态下电阻仅为1.25 Ω,有效降低信号传输损耗。
  • 高电压处理能力:在关断状态下,能够处理40V的RF工作电压,保证了在高电压环境下的稳定性。

控制与工作模式

  • 先进的控制接口:采用MIPI RFFE 2.1控制接口,方便与其他设备进行通信和控制。
  • 数字控制ESD开关:可通过数字方式控制ESD开关,实现额外的接地分流功能,增强了电路的安全性。
  • 多电压VIO操作:支持1.8V和1.2V的VIO操作,适应不同的电源环境。
  • 低功耗特性:在ACTIVE模式下,电流消耗极低,仅为20 µA,有助于降低系统功耗。

封装优势

超小的外形尺寸为0.95 mm x 1.3 mm,且符合JEDEC J - STD - 020标准的MSL1、260 °C要求,便于在紧凑的电路板上进行布局。

潜在应用

阻抗与天线调谐

在阻抗调谐和天线调谐方面,BGSC4331MN10能够根据实际需求灵活调整电容值,优化天线的阻抗匹配,提高信号传输效率。大家在设计天线系统时,有没有遇到过阻抗不匹配导致信号衰减的问题呢?这款器件或许能为你提供解决方案。

可调RF匹配与滤波

在可调RF匹配和滤波电路中,它可以实现对信号的精确调节和滤波,满足不同频段和信号强度的要求。

工业应用

该器件通过了JEDEC47/20/22的相关测试,适用于工业应用,为工业电子设备的RF电路设计提供了可靠的选择。

产品信息

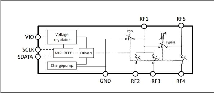
框图与订购信息

RF开关 从框图中可以更清晰地了解其内部结构和信号流向。订购时,其类型标记为C4,封装为TSNP - 10 - 10,产品名为BGSC 4331MN10 E6327。

注意事项

在使用该器件时,需要注意文档中的重要通知和警告。文档中的信息不构成对条件或特性的保证,英飞凌对产品的应用信息不承担任何形式的保证和责任。同时,由于技术要求,产品可能包含危险物质,使用前需向英飞凌办公室了解相关信息。此外,未经授权,该产品不得用于可能导致人身伤害的应用中。

总的来说,BGSC4331MN10以其卓越的性能和紧凑的设计,为RF电路设计带来了诸多优势。电子工程师们在进行相关设计时,可以充分考虑这款器件,以提升电路的性能和可靠性。你在实际设计中是否会选择使用这款器件呢?欢迎在评论区分享你的想法。

打开APP阅读更多精彩内容
声明:本文内容及配图由入驻作者撰写或者入驻合作网站授权转载。文章观点仅代表作者本人,不代表电子发烧友网立场。文章及其配图仅供工程师学习之用,如有内容侵权或者其他违规问题,请联系本站处理。 举报投诉

全部0条评论

快来发表一下你的评论吧 !

×
20
完善资料,
赚取积分