本文导读
SiC/GaN将开关速度推向纳秒级,800V高压下的损耗怎么测?ZUS示波器自带双脉冲测试功能,通过“两次脉冲”精准量化开关损耗与反向恢复数据。告别模糊的波形观察,用精确数据支撑电路优化。
案例背景:能效决战“0.5%”时代
2025年,电动车能效战进入“0.5%决胜时代”。随着能效分级标签的落地,800V平台渗透率翻倍,某头部车企靠99%效率的SiC逆变器抢占先机。当800V高压架构搭配SiC/GaN器件后,功率开关速度被推至纳秒级,高频动作下引发的动态损耗与干扰,是工程师面临的首要难题。双脉冲测试,正是破解这一难题的核心密钥。它能在瞬间的高压高流工况下,精准捕获瞬态波形,量化开关损耗细节,让驱动电路的优化有据可依。

图1 一级能效认证
为什么要做双脉冲测试?
在验证器件功率性能时,很多工厂初期倾向于直接上机测试以节省时间。但这种方式存在风险:
因此,在设计阶段就通过双脉冲测试获取并量化功率开关特性,是对电子整机系统开发与优化的前瞻性保障。
原理解释:什么是双脉冲?
示波器双脉冲测试的核心,是通过两次连续的脉冲信号来判断元件的稳定性:
第一次脉冲:用于建立电感电流,稳定电路状态;
第二次脉冲:真正的测试阶段,用于捕捉开关关键数据。
标准的脉冲时序逻辑(t0-t5):
t0-t2:电源上电,电路进入稳定准备期。
t2-t3(开通):发出第一个“开通脉冲”,器件从关闭转为导通,电流上升。
t3-t4(关断与间隔):发出“关断脉冲”,记录电流电压变化(开关损耗、浪涌),此时电感续流,为第二次脉冲做准备。
t4-t5(二次开通):发出第二个“开通脉冲”,测试导通特性。
t5以后(二次关断):元件切回关闭,再次记录关断时的能量损耗、电压尖峰。
示波器正是通过捕捉这几次动作前后的微秒级波形,直观评判器件是否稳定、高效。

图2 双脉冲原理
数据维度:双脉冲主要测什么?
ZUS示波器能够将波形转化为三大类核心数据:
1、开关损耗参数
开通损耗 (Eon):影响高频工况下的发热与续航。
关断损耗 (Eoff):在SiC/GaN高频应用下,该损耗占比极高。
2、时序参数(纳秒级)
延迟时间 (td):影响驱动信号与器件动作的同步性。
上升/下降时间 (tr/tf):直接决定di/dt大小,其中SiC的下降时间通常在纳秒级。
3、应力与反向恢复参数
电压尖峰:关断瞬间的Vds/Vce过冲,需通过测试指导缓冲电路设计,防止器件击穿。
电流变化率 (di/dt):变化过大会引发EMI干扰。
反向恢复 (Irr/Qrr):评估续流二极管的损耗与干扰特性。
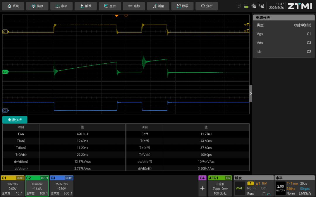
落地实测:ZUS系列示波器怎么测?
ZUS系列示波器自带专业的双脉冲测试功能,覆盖损耗测试和反向恢复测试。用户可根据实际需求直接调取功能。今天主要介绍双脉冲功能中的损耗测试。

图3 损耗测试
完整的双脉冲测试平台包括测试物(DUT)、直流电源、辅助电源、信号发生器(ZUS系列示波器自带信号发生器)、示波器、电压探头、电流探头等硬件组成。
针对不同的测试环境与预算,提供两套差异化电压测试探头方案:
1、性价比优选方案
配置:ZP1500D 高压差分探头
场景:适合测试环境相对干净、对成本敏感的场景。以高性价比满足常规电压测试需求。

图4 ZP1500D
2、精度优先方案
配置:ZOP5035 光隔离差分探头
场景:适合有噪声干扰、对精度要求严苛的场景。光隔离设计抗干扰能力极强,误差更小,是SiC高精度测试的首选。

图5 ZOP5035
测试步骤简述:确认连接环境 → 设定关键参数(漏源电压VDS、门极电压VGS、漏极电流ID)可根据实测需求对参数进行修改 → 点击运行,即可看到测试分析结果。测试波形和数据结果支持导出报表格式。

图6 双脉冲测试

图7 导出结果
总结:双脉冲测试的核心优势
双脉冲测试是评估IGBT/SiC等功率器件动态特性的关键手段,具备无可替代的优势:
接近实际工况:通过电感负载模拟真实逆变器中的电流连续模式(CCM)。
可重复性强:每次测试条件可控,便于对比不同器件、驱动参数等。
全面评估动态特性:一次测试即可获得开通、关断、二极管特性、损耗、电压电流应力等;
无需复杂负载:只需一个电感,比全功率测试更安全、经济、高效;
是器件选型与验证的标准方法:广泛用于 IGBT / SiC / GaN 器件评估与驱动优化。
ZUS系列示波器内置双脉冲测试功能,一键捕捉纳秒级波形,精准量化开关损耗、电压尖峰等参数,为功率电路的能效优化提供核心支撑。

全部0条评论
快来发表一下你的评论吧 !